Kirjaudu
Kirjaudu sisään
Nakkilan pyörä ja mopo
Tuotekategoriat
Etusivu
Varaosaluettelot
Tarvikkeet
Varusteet
Tarjoukset
Ajoneuvot
Huolto
Yhteydenotto
Varaosa luettelot
Kawasaki
450 cc
KX F450 EA 2010
00-Acerbis muoviosat
01-Sylinterin kansi
02-Venttiilikopan kansi
03-Sylinteri ja mäntä
03a-Sylinterisarja 96 mm 05-08
03b-Sylinterisarja 100 mm 05-08
03c-Sylinterisarja 96 mm 09-11
03d-Sylinterisarja 100 mm 09-11
04-Ilmansuodatin
05-Pakoputkisto
06-Venttiilit
07-Nokka-akselit, ketju
08-Kampiakseli
09-Käynnistinpoljin
10-Kytkin
11-Vaihteisto
12-Vaihderumpu
13-Vaihteensiirto
14-Moottorin lohkot
15-Moottorin posket
16-Kaasuläpänrunko
17-Bensapumppu
18-Tunnistimet
19-Öljypumppu
20-Ölynsuodatin
21-Mangneetto
22-Sytytys osat
23-Vesipumppu
24-Jäähdytin
25-Tankki
26-Vesiletkut
27-Ohjainlaakerit
28-Runko, kiinitykset
29-Takahaarukka
30-Takajousitus
31-Jalkatapit
32-Lokasuojat
33-Sivutuki
34-Vanteet, pinnat
35-Etunapa
36-Takanapa
37-Jarrupoljin
38-Takaiskari
39-Etujarru
40-Etujarru, levy
41-Takajarru
42-Takajarru, levy
43-Ohjaintanko
44-Etujousitus
45-Tankki, kiinitys
46-Istuin
47-Vaijerit
48-Tarrat
49-Johtosarja
50-Työkalut
51-Ohjetarrat
52-Tarrat
53-Etunumerokilpi
A0-Arrow pakoputkisto
Varaosat tuoteryhmittäin
Tarvikkeet
Tarjoukset
Varusteet
Ajoneuvot
NÄYTÄ TUOTEKATEGORIAT
NPM.FI
Varaosa luettelot
Kawasaki
450 cc
KX F450 EA 2010
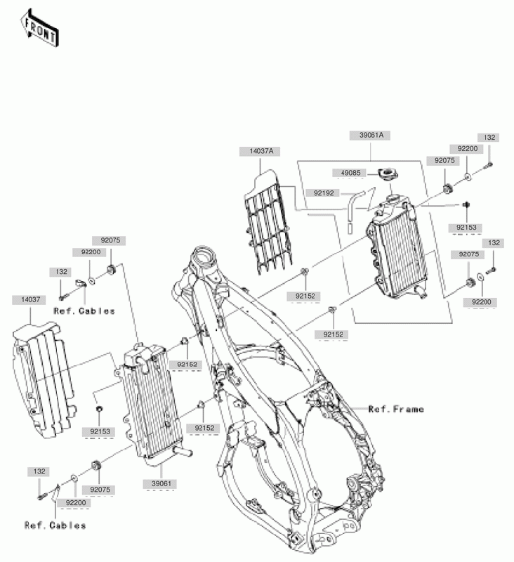
24-Jäähdytin
24-Jäähdytin, KX F450 EA 2010, 450 cc, Kawasaki-varaosa luettelot
Näytä suurempana
Nro
#132
Tuotenumero
132BB0625
Nimike
BOLT-FLANGED-SMALL,6X COMMON
Hinta
3,20 €
Määrä
+
-
Nro
#14037
Tuotenumero
14037-0102-6C
Nimike
SCREEN,LH,EBONY KX450EAF
Hinta
27,35 €
Määrä
+
-
Nro
#14037A
Tuotenumero
14037-0103-6C
Nimike
SCREEN,RH,EBONY KX450EAF
Hinta
27,35 €
Määrä
+
-
Nro
#39061
Tuotenumero
39061-0174
Nimike
RADIATOR-ASSY,LH KX450EAF
Hinta
318,10 €
Määrä
+
-
Nro
#39061
Tuotenumero
FPS11-6KX450F-L
Nimike
JÄÄHDYTIN VAS
Hinta
567,15 €
Määrä
+
-
Nro
#39061
Tuotenumero
FPS11-9KX450-L
Nimike
JÄÄHDYTIN VAS
Hinta
586,75 €
Määrä
+
-
Nro
#39061
Tuotenumero
FPS11-8KX450-L
Nimike
RADIATOR-ASSY,LH KX450EAF
Hinta
0,00 €
Määrä
+
-
Nro
#39061A
Tuotenumero
39061-0175
Nimike
RADIATOR-ASSY,RH KX450EAF
Hinta
331,65 €
Määrä
+
-
Nro
#39061A
Tuotenumero
FPS11-6KX450F-R
Nimike
JÄÄHDYTIN OIK
Hinta
567,15 €
Määrä
+
-
Nro
#39061A
Tuotenumero
FPS11-9KX450-R
Nimike
JÄÄHDYTIN OIK
Hinta
586,75 €
Määrä
+
-
Nro
#39061A
Tuotenumero
FPS11-8KX450-R
Nimike
RADIATOR-ASSY,RH KX450EAF
Hinta
0,00 €
Määrä
+
-
Nro
#49085
Tuotenumero
49085-1078
Nimike
CAP-ASSY-PRESSURE ZX1200-A2
Hinta
55,30 €
Määrä
+
-
Nro
#92075
Tuotenumero
92075-209
Nimike
DAMPER RUBBER Z750-L1 A
Hinta
3,75 €
Määrä
+
-
Nro
#92152
Tuotenumero
92152-0379
Nimike
COLLAR,L=12.6,T=1.6 KX250T6F
Hinta
5,80 €
Määrä
+
-
Nro
#92153
Tuotenumero
92153-0503
Nimike
BOLT,6X12 KLX250-H5
Hinta
3,25 €
Määrä
+
-
Nro
#92192
Tuotenumero
92192-0167
Nimike
TUBE,6X9X640 KX450D6F
Hinta
11,90 €
Määrä
+
-
Nro
#92200
Tuotenumero
92200-0271
Nimike
WASHER,6.5X22X2.3 KX250T6F
Hinta
2,75 €
Määrä
+
-