Kirjaudu
Kirjaudu sisään
Nakkilan pyörä ja mopo
Tuotekategoriat
Etusivu
Varaosaluettelot
Tarvikkeet
Varusteet
Tarjoukset
Ajoneuvot
Huolto
Yhteydenotto
Varaosa luettelot
Kawasaki
800 cc
VN 800 B4
VN800B4-G4
01-Sylinterin kansi
02-Venttiilikoppa
03-Sylinteri, männät
04-Ilmansuodin
05-Pakoputkisto
06-Venttiilit
07-Nokkaketjut
08-Kampiakseli
09-Kytkin
10-Vaihteisto
11-Vaihteensiirto
12-Vaihteensiirto
13-Lohkot
14-Lohkon ruuvit
15-Moottorin kopat
16-Moottorin kopat
17-Kaasutin
18-Öljynsuodin
19-Laturi
20-Sytytysosat
21-Starttimoottori
22-Jäähdytin
23-Ohjainlaakerit, Runko
24-Rungon kiinikkeet
25-Rungon takaosa
26-Takahaarukka
27-Takajousitus
28-Jalkatapit
29-Takalokari
30-Sivujalka
31-Vanteet
32-Etunapa
33-Takanapa
34-Jarrupoljin
35-Jarrukahva, säiliö
36-Jarrulevy, puristin
37-Ohjaintanko
38-Etujousitus
39-Tankki
40-Istuin
41-Mittari
42-Vaijerit
43-Ketjusuoja, sivukopat
44-Etuvalo
45-Takavalo
46-Vilkut
47-Johtosarja, akku
48-Virtalukko
49-Työkalut
50-Tarrat
51-Tarrat
52-Tarrat
53-Tarrat
54-Tiivisteet
55-Rattaat, ketjut
Varaosat tuoteryhmittäin
Tarvikkeet
Tarjoukset
Varusteet
Ajoneuvot
NÄYTÄ TUOTEKATEGORIAT
NPM.FI
Varaosa luettelot
Kawasaki
800 cc
VN 800 B4
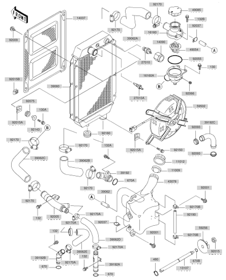
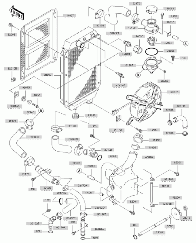
22-Jäähdytin
22-Jäähdytin, VN 800 B4, 800 cc, Kawasaki-varaosa luettelot
Näytä suurempana
Nro
#130
Tuotenumero
130J0616
Nimike
BOLT-FLANGED,6X16 Z550-H1 A
Hinta
3,00 €
Lisätiedot
Määrä
+
-
Korvaavat tuotteet
Nro
#
Tuotenumero
13024-1073
Nimike
RING-SET-PISTON LL,O /
Hinta
102,05 €
Määrä
+
-
Nro
#
Tuotenumero
130BB0616
Nimike
BOLT-FLANGED,6X16 ZX1000D7F
Hinta
2,30 €
Määrä
+
-
Nro
#130A
Tuotenumero
130J0625
Nimike
EI SAATAVANA KATSO 92150-1779
Hinta
2,90 €
Lisätiedot
Määrä
+
-
Korvaavat tuotteet
Nro
#
Tuotenumero
130BB0625
Nimike
BOLT-FLANGED,6X25 COMMON
Hinta
3,20 €
Määrä
+
-
Nro
#132
Tuotenumero
92002-1569
Nimike
BOLT,6X12 EN450-A1A
Hinta
3,50 €
Lisätiedot
Määrä
+
-
Korvaavat tuotteet
Nro
#
Tuotenumero
132J0612
Nimike
EI SAATAVANA KATSO 92002-1569
Hinta
3,05 €
Määrä
+
-
Nro
#
Tuotenumero
132W0612
Nimike
EI SAATAVANA KATSO 92002-1569
Hinta
3,05 €
Määrä
+
-
Nro
#132A
Tuotenumero
132J0618
Nimike
BOLT-FLANGED-SMALL
Hinta
3,20 €
Määrä
+
-
Nro
#132B
Tuotenumero
92150-1010
Nimike
BOLT,6X20 KL250-D2A
Hinta
3,95 €
Lisätiedot
Määrä
+
-
Korvaavat tuotteet
Nro
#
Tuotenumero
132J0620
Nimike
EI SAATAVANA KATSO 92150-1010
Hinta
3,10 €
Määrä
+
-
Nro
#
Tuotenumero
132W0620
Nimike
EI SAATAVANA KATSO 92150-1010
Hinta
2,55 €
Määrä
+
-
Nro
#
Tuotenumero
92045-1172
Nimike
BEARING-BALL
Hinta
73,65 €
Määrä
+
-
Nro
#480
Tuotenumero
480J1200
Nimike
CIRCLIP,12MM A
Hinta
0,40 €
Määrä
+
-
Nro
#670
Tuotenumero
670B2014
Nimike
'O' RING,14MM A
Hinta
1,00 €
Lisätiedot
Määrä
+
-
Korvaavat tuotteet
Nro
#
Tuotenumero
92055-1379
Nimike
EI SAATAVANA KATSO 670B2014
Hinta
0,90 €
Määrä
+
-
Nro
#670A
Tuotenumero
670B2021
Nimike
O-RENGAS,21MM A
Hinta
2,80 €
Lisätiedot
Määrä
+
-
Korvaavat tuotteet
Nro
#
Tuotenumero
09280-21008-000
Nimike
O RING,D:2.5,ID:21
Hinta
2,30 €
Määrä
+
-
Nro
#
Tuotenumero
9321021X0000
Nimike
O-RING
Hinta
0,95 €
Määrä
+
-
Nro
#
Tuotenumero
M752603083004
Nimike
O-RENGAS 20,64X2,62 TP 128
Hinta
1,55 €
Määrä
+
-
Nro
#670B
Tuotenumero
670D1509
Nimike
O RING ZX900-
Hinta
3,75 €
Määrä
+
-
Nro
#11009
Tuotenumero
11009-1145
Nimike
GASKET,RESERVE TANK ZX900-A1A
Hinta
1,75 €
Määrä
+
-
Nro
#11012
Tuotenumero
11012-1084
Nimike
CAP,RESERVE TANK Z1300-A3A
Hinta
2,35 €
Määrä
+
-
Nro
#13107
Tuotenumero
13107-1155
Nimike
SHAFT,IMPELLER VN750-A2A
Hinta
45,35 €
Määrä
+
-
Nro
#14037
Tuotenumero
14037-1200
Nimike
SCREEN
Hinta
77,00 €
Määrä
+
-
Nro
#14090
Tuotenumero
14090-1522
Nimike
COVER,
Hinta
7,40 €
Määrä
+
-
Nro
#16160
Tuotenumero
16160-1152
Nimike
(R/B 16160-0775)
Hinta
71,10 €
Määrä
+
-
Nro
#16160A
Tuotenumero
16160-1242
Nimike
BODY ZX600-G1
Hinta
62,80 €
Lisätiedot
Määrä
+
-
Korvaavat tuotteet
Nro
#
Tuotenumero
16160-1153
Nimike
EI SAATAVANA KATSO 16160-1242
Hinta
50,20 €
Määrä
+
-
Nro
#27010
Tuotenumero
27010-1202
Nimike
SWITCH,FAN ZG1000-AA
Hinta
102,45 €
Määrä
+
-
Nro
#27010A
Tuotenumero
27010-1305
Nimike
SWITCH,WARNING VN1500-G1
Hinta
83,25 €
Määrä
+
-
Nro
#39062
Tuotenumero
39062-1124
Nimike
HOSE-COOLING
Hinta
16,25 €
Määrä
+
-
Nro
#39062A
Tuotenumero
39062-1646
Nimike
HOSE
Hinta
37,80 €
Määrä
+
-
Nro
#39062B
Tuotenumero
39062-1647
Nimike
HOSE
Hinta
18,15 €
Määrä
+
-
Nro
#39062C
Tuotenumero
39062-1648
Nimike
HOSE
Hinta
20,95 €
Määrä
+
-
Nro
#39062D
Tuotenumero
39062-1649
Nimike
HOSE
Hinta
11,95 €
Määrä
+
-
Nro
#39062E
Tuotenumero
39062-1650
Nimike
HOSE
Hinta
15,30 €
Määrä
+
-
Nro
#39192
Tuotenumero
39192-1078
Nimike
PIPE
Hinta
46,10 €
Määrä
+
-
Nro
#39192A
Tuotenumero
39192-1079
Nimike
PIPE
Hinta
28,60 €
Määrä
+
-
Nro
#39192B
Tuotenumero
39192-1080
Nimike
PIPE
Hinta
29,35 €
Määrä
+
-
Nro
#39192C
Tuotenumero
39192-1106
Nimike
PIPE
Hinta
21,90 €
Määrä
+
-
Nro
#43078
Tuotenumero
43078-1149
Nimike
RESERVOIR VN 800
Hinta
62,55 €
Määrä
+
-
Nro
#49054
Tuotenumero
49054-0004
Nimike
TERMOSTAATTI VN2000HAF
Hinta
63,55 €
Määrä
+
-
Nro
#49085
Tuotenumero
49085-1067
Nimike
CAP-ASSY-PRESSURE ZX750-F1A
Hinta
54,50 €
Lisätiedot
Määrä
+
-
Korvaavat tuotteet
Nro
#
Tuotenumero
43078-1103
Nimike
EI SAATAVANA KATSO 43078-1189
Hinta
17,35 €
Määrä
+
-
Nro
#
Tuotenumero
49085-1052
Nimike
EI SAATAVANA KATSO 49085-1067
Hinta
35,00 €
Määrä
+
-
Nro
#59256
Tuotenumero
59256-1058
Nimike
IMPELLER VN750-A2
Hinta
44,30 €
Määrä
+
-
Nro
#59502
Tuotenumero
59502-1113
Nimike
EI SAATAVANA KATSO 59502-1132
Hinta
480,00 €
Lisätiedot
Määrä
+
-
Korvaavat tuotteet
Nro
#
Tuotenumero
59502-1132
Nimike
FAN-ASSY
Hinta
616,80 €
Määrä
+
-
Nro
#92001
Tuotenumero
92001-1950
Nimike
BOLT,6X16 EX305-B2A
Hinta
3,50 €
Lisätiedot
Määrä
+
-
Korvaavat tuotteet
Nro
#
Tuotenumero
92002-1187
Nimike
EI SAATAVANA KATSO 92001-1950
Hinta
2,25 €
Määrä
+
-
Nro
#92005
Tuotenumero
92005-1281
Nimike
FITTING
Hinta
53,80 €
Määrä
+
-
Nro
#92009
Tuotenumero
92009-1261
Nimike
SCREW,TAPPING,6MM ZX550-A1A
Hinta
2,75 €
Määrä
+
-
Nro
#92015
Tuotenumero
92015-1191
Nimike
NUT,LOCK,6MM,BLACK Z1100-B2A
Hinta
4,95 €
Lisätiedot
Määrä
+
-
Korvaavat tuotteet
Nro
#
Tuotenumero
92210-0006
Nimike
NUT,LOCK,6MM EJ650-C5
Hinta
3,25 €
Määrä
+
-
Nro
#92015A
Tuotenumero
92015-1487
Nimike
NUT ZX900-C1
Hinta
3,55 €
Määrä
+
-
Nro
#92015B
Tuotenumero
92015-1758
Nimike
NUT EX5
Hinta
5,65 €
Lisätiedot
Määrä
+
-
Korvaavat tuotteet
Nro
#
Tuotenumero
92015-1582
Nimike
EI SAATAVANA KATSO 92015-1758
Hinta
3,70 €
Määrä
+
-
Nro
#92037
Tuotenumero
92037-147
Nimike
CLAMP,CHAIN OILER KX125-J1A
Hinta
4,45 €
Määrä
+
-
Nro
#92055
Tuotenumero
92055-112
Nimike
O RING, 53.5 M/M ZX900-A1A
Hinta
5,60 €
Määrä
+
-
Nro
#92066
Tuotenumero
92066-1227
Nimike
PLUG,OIL LINE,1/8X7 VN750-A2A
Hinta
5,10 €
Määrä
+
-
Nro
#92075
Tuotenumero
92075-1901
Nimike
DAMPER ZX750-
Hinta
3,40 €
Määrä
+
-
Nro
#92093
Tuotenumero
92093-1427
Nimike
SEAL.MY 16X20X2,8 KX250-K3
Hinta
3,70 €
Määrä
+
-
Nro
#92143
Tuotenumero
92143-1353
Nimike
COLLAR ZX900-C1
Hinta
7,60 €
Määrä
+
-
Nro
#92150
Tuotenumero
92150-1186
Nimike
BOLT ZX900-C1
Hinta
3,55 €
Määrä
+
-
Nro
#92160
Tuotenumero
92160-1007
Nimike
DAMPER EL250-
Hinta
4,35 €
Lisätiedot
Määrä
+
-
Korvaavat tuotteet
Nro
#
Tuotenumero
92075-1569
Nimike
EI SAATAVANA KATSO 92160-1007
Hinta
3,00 €
Määrä
+
-
Nro
#92170
Tuotenumero
92170-1284
Nimike
CLAMP,CABLE ZX1100-C1
Hinta
9,35 €
Lisätiedot
Määrä
+
-
Korvaavat tuotteet
Nro
#
Tuotenumero
92171-0179
Nimike
CLAMP ZX1200-B2
Hinta
9,80 €
Määrä
+
-
Nro
#92170A
Tuotenumero
92170-1285
Nimike
CLAMP KX80-T2
Hinta
17,85 €
Lisätiedot
Määrä
+
-
Korvaavat tuotteet
Nro
#
Tuotenumero
92037-1986
Nimike
EI SAATAVANA KATSO 92170-1285
Hinta
11,60 €
Määrä
+
-
Nro
#92170B
Tuotenumero
92170-1493
Nimike
CLAMP ZX900-C1
Hinta
4,15 €
Määrä
+
-
Nro
#92190
Tuotenumero
92190-1603
Nimike
TUBE
Hinta
3,00 €
Määrä
+
-