Kirjaudu
Kirjaudu sisään
Nakkilan pyörä ja mopo
Tuotekategoriat
Etusivu
Varaosaluettelot
Tarvikkeet
Varusteet
Tarjoukset
Ajoneuvot
Huolto
Yhteydenotto
Varaosa luettelot
Suzuki ATV / mönkijät
300 cc
LT-F300 FK 4 ATV
01-Tiivisteet
02-Sylinterin kansi
03-Sylinteri
04-Lohkot
05-Sivukannet
06-Kampiakseli
07-Startin osat
08-Venttiilit, nokat
09-Jakoketju
10-Kaasutin
11-Kaasutin
12-Imanotto
13-Käsikäynnistin
14-Pakoputkisto
15-Lauhdutin
16-Öljynsuodatin
17-Johtosarja
18-Kytkin
19-Vaihteisto
20-Vaihteisto
21-Kardaani
22-Vaihteensiirto
23-Kulmavaihde
24-Vaihteensiirto
25-Startti moottori
26-Startti moottori
27-Laturi
28-Sytysosat
29-Akku
30-Mittaristo
31-Etuvalo
32-Takavalo
33-Takavalo
34-Johtosarja
35-Johtosarja
36-Jarruvalo
37-Runko
38-Jarrupoljin
39-Puskuri
40-Tavaratelineet
41-Tankki
42-Tankki
43-Etuvalon kate
44-Etukate
45-Etukate
46-Ohjaintanko, vaijerit
47-Kahvat
48-Kahvat
49-Vaihdevivut
50-Takakate
51-Lokero
52-Tarrat
53-Käsisuojat
54-Istuin
55-Istuin
56-Ohjausakseli
57-Etujousitus
58-Etujousitus
59-Raidetangot
60-Raidetangot
61-Pyörä ja napa
62-Pyörä ja napa
63-Akseli
64-Akseli
65-Jarrukengät
66-Jarrupalat
67-Jarruletkut
68-Jarruletkut
69-Jarrupuristin/säiliö
70-Takajousitus
71-Pyörä ja napa
72-Pyörä ja napa
73-Tarvikkeet
Varaosat tuoteryhmittäin
Tarvikkeet
Tarjoukset
Varusteet
Ajoneuvot
NÄYTÄ TUOTEKATEGORIAT
NPM.FI
Varaosa luettelot
Suzuki ATV / mönkijät
300 cc
LT-F300 FK 4 ATV
34-Johtosarja
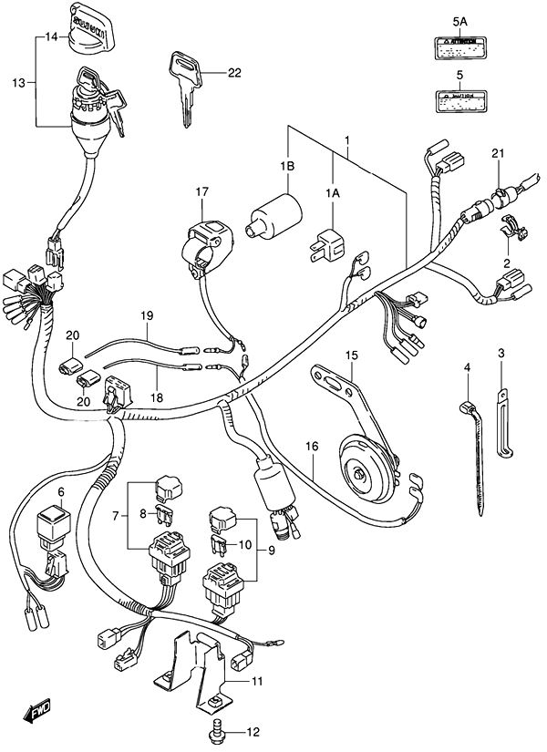
34-Johtosarja, LT-F300 FK 4 ATV, 300 cc, Suzuki ATV / mönkijät -varaosa luettelot
Näytä suurempana
Nro
#1A
Tuotenumero
32800-16A00-000
Nimike
TASASUUNTAAJA MM.VL800 '06-10
Hinta
29,75 €
Lisätiedot
Määrä
+
-
Korvaavat tuotteet
Nro
#
Tuotenumero
32800-01020-000
Nimike
TASASUUNTAAJA MM.TS125
Hinta
27,20 €
Määrä
+
-
Nro
#1B
Tuotenumero
36634-93910-000
Nimike
CAP
Hinta
4,95 €
Määrä
+
-
Nro
#2
Tuotenumero
09403-16307-000
Nimike
CLAMP
Hinta
2,35 €
Määrä
+
-
Nro
#3
Tuotenumero
09404-06432-000
Nimike
KIINIKEPANTA
Hinta
2,50 €
Lisätiedot
Määrä
+
-
Korvaavat tuotteet
Nro
#
Tuotenumero
09404-06039-000
Nimike
CLAMP
Hinta
2,50 €
Määrä
+
-
Nro
#
Tuotenumero
09404-06401-000
Nimike
VAIJERIN PIDIN
Hinta
2,25 €
Määrä
+
-
Nro
#
Tuotenumero
09404-06422-000
Nimike
CLAMP
Hinta
2,80 €
Määrä
+
-
Nro
#4
Tuotenumero
09407-18402-000
Nimike
CLAMP,L:165
Hinta
2,50 €
Määrä
+
-
Nro
#4
Tuotenumero
09407-14403-000
Nimike
CLAMP(L:125)
Hinta
2,65 €
Määrä
+
-
Nro
#5
Tuotenumero
38852-19B10-000
Nimike
LABEL,CAUTION MAX AMP
Hinta
6,60 €
Määrä
+
-
Nro
#6
Tuotenumero
38730-19B00-000
Nimike
RELAY,NEUTRAL STARTER
Hinta
46,50 €
Määrä
+
-
Nro
#7
Tuotenumero
36740-24B01-000
Nimike
BOX ASSY,FUSE
Hinta
22,05 €
Lisätiedot
Määrä
+
-
Korvaavat tuotteet
Nro
#
Tuotenumero
36740-24B00-000
Nimike
FUSE ASSY,MAIN
Hinta
21,10 €
Määrä
+
-
Nro
#8
Tuotenumero
09481-20101-000
Nimike
FUSE 20A
Hinta
2,35 €
Määrä
+
-
Nro
#9
Tuotenumero
36740-04701-000
Nimike
BOX ASSY,FUSE TU125
Hinta
23,40 €
Lisätiedot
Määrä
+
-
Korvaavat tuotteet
Nro
#
Tuotenumero
36740-19B00-000
Nimike
BOX ASSY,POWER SOORCE FUSE
Hinta
21,40 €
Määrä
+
-
Nro
#10
Tuotenumero
ST-4615
Nimike
SULAKE LATTEA MALLI 15 AMP
Hinta
0,75 €
Määrä
+
-
Nro
#11
Tuotenumero
47410-19B00-000
Nimike
HOLDER,ELEC PARTS,FRONT
Hinta
14,00 €
Määrä
+
-
Nro
#12
Tuotenumero
09118-06103-000
Nimike
BOLT,6X12
Hinta
2,45 €
Määrä
+
-
Nro
#13
Tuotenumero
37110-19B02-000
Nimike
SWITCH ASSY,IGNITION
Hinta
96,30 €
Lisätiedot
Määrä
+
-
Korvaavat tuotteet
Nro
#
Tuotenumero
37110-19B03-000
Nimike
VIRTALUKKO LT-4WD
Hinta
114,85 €
Määrä
+
-
Nro
#14
Tuotenumero
37142-19B00-000
Nimike
MASCOT,KEY
Hinta
6,40 €
Määrä
+
-
Nro
#17
Tuotenumero
37830-18A00-000
Nimike
SWITCH ASSY,HORN
Hinta
38,60 €
Määrä
+
-
Nro
#20
Tuotenumero
36859-36590-000
Nimike
CONNECTOR,FAN READ
Hinta
9,70 €
Määrä
+
-
Nro
#21
Tuotenumero
39602-18A00-000
Nimike
PLUG ASSY,POWER SOURCE
Hinta
47,60 €
Määrä
+
-
Nro
#22
Tuotenumero
37146-19B20-000
Nimike
KEY, BLANK (TYPE:E)
Hinta
8,75 €
Määrä
+
-
Nro
#22
Tuotenumero
37146-19B30-000
Nimike
KEY, BLANK (TYPE:F)
Hinta
7,90 €
Määrä
+
-
Nro
#22
Tuotenumero
37146-19B00-000
Nimike
BLANK,KEY TYPE C
Hinta
8,75 €
Määrä
+
-
Nro
#22
Tuotenumero
37146-19B10-000
Nimike
BLANK,KEY TYPE D
Hinta
8,75 €
Määrä
+
-