Kirjaudu
Kirjaudu sisään
Nakkilan pyörä ja mopo
Tuotekategoriat
Etusivu
Varaosaluettelot
Tarvikkeet
Varusteet
Tarjoukset
Ajoneuvot
Huolto
Yhteydenotto
Varaosa luettelot
Suzuki
1100 cc
GSX 1100 ED Z/D 1982-1983
00-Tiivisteet
01-Venttiilikopankansi
02-Venttiilikopankansi
03-Sylinterin kansi
04-Sylinteri
05-Lohkot
06-Lohkot
07-Sivukopat
08-Sivukopat
09-Öljypumppu, suodatin
10-Kampiakseli
11-Starttikytkin
12-Nokka-akselit
13-Nokka-akselit
14-Nokkaketju
15-Nokkaketju
16-Kaasutin
17-Kaasutin
18-Ilmansuodin
19-Ilmansuodin
20-Pakoputkisto
21-Pakoputkisto
22-Kytkin
23-Vaihteisto
24-Vaihteensiirto
25-Starttimoottori
26-Starttimoottori
27-Laturi
28-Laturi
29-Laturi
30-Akku
31-Sähköosat
32-Nopeusmittari
33-Nopeusmittari
34-Etuvalo
35-Etuvalo
36-Vilkut
37-Vilkut
38-Takavalo
39-Johtosarja
40-Runko
41-Tukijalka
42-Jalkatapit
43-Jalkatapit
44-Tankki
45-Tankki
46-Tankki
47-Tankki
48-Bensahana
49-Istuin
50-Takakoppa
51-Takakoppa
52-Takakoppa
53-Takakoppa
54-Sivupaneelit
55-Sivupaneelit
56-Sivupaneelit
57-Sivupaneelit
58-Sivupaneelit
59-Sivupaneelit
60-Sivupaneelit
61-Etujousitus
62-Etujousitus
63-Etujousitus
64-Etujousitus
65-Haarukan kolmiot
66-Haarukan kolmiot
67-Haarukan kolmiot
68-Haarukan kolmiot
69-Lyhdyn koppa
70-Etupyörä
71-Etupyörä
72-Etupyörä
73-Ohjaintanko
74-Oikea katkaisin
75-Oikea katkaisin
76-Vasen katkaisin
77-Vasen katkaisin
78-Etujarru
79-Etujarru sylinteri
80-Etujarru sylinteri
81-Etujarruletkut
82-Etujarruletkut
83-Takahaarukka
84-Takahaarukka
85-Ketjusuoja
86-Takaiskarit
87-Takaiskarit
88-Takalokari
89-Takapyörä
90-Takapyörä
91-Takapyörä
92-Takajarru
93-Takajarruletkut
94-Takajarruletkut
95-Takajarrusylinteri
96-Katteet
97-Tarvikkeet
Varaosat tuoteryhmittäin
Tarvikkeet
Tarjoukset
Varusteet
Ajoneuvot
NÄYTÄ TUOTEKATEGORIAT
NPM.FI
Varaosa luettelot
Suzuki
1100 cc
GSX 1100 ED Z/D 1982-1983
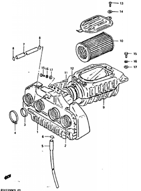
18-Ilmansuodin
18-Ilmansuodin, GSX 1100 ED Z/D 1982-1983, 1100 cc, Suzuki-varaosa luettelot
Näytä suurempana
Nro
#1
Tuotenumero
13710-49500-000
Nimike
13710-49500-000
Hinta
0,00 €
Määrä
+
-
Nro
#2
Tuotenumero
13881-49020-000
Nimike
13881-49020-000
Hinta
0,00 €
Määrä
+
-
Nro
#3
Tuotenumero
13885-47030-000
Nimike
LETKUKIRISTIN
Hinta
9,80 €
Määrä
+
-
Nro
#4
Tuotenumero
09402-64203-000
Nimike
CLAMP
Hinta
6,90 €
Määrä
+
-
Nro
#5
Tuotenumero
13870-00010-000
Nimike
13870-00010-000
Hinta
0,00 €
Määrä
+
-
Nro
#6
Tuotenumero
09401-14301-000
Nimike
CLAMP
Hinta
2,65 €
Määrä
+
-
Nro
#7
Tuotenumero
13851-00220-000
Nimike
13851-00220-000
Hinta
0,00 €
Määrä
+
-
Nro
#8
Tuotenumero
09401-14301-000
Nimike
CLAMP
Hinta
2,65 €
Määrä
+
-
Nro
#10
Tuotenumero
13780-49310-000
Nimike
ILMANSUODIN GSX-750/1100 YM.
Hinta
35,30 €
Määrä
+
-
Nro
#11
Tuotenumero
13795-49000-000
Nimike
HOSE,AIR CLEANER
Hinta
27,80 €
Määrä
+
-
Nro
#12
Tuotenumero
13796-49000-000
Nimike
BAND,AIR CLEANER HOSE
Hinta
10,95 €
Määrä
+
-
Nro
#13
Tuotenumero
02112-05127-000
Nimike
RUUVI
Hinta
2,35 €
Lisätiedot
Määrä
+
-
Korvaavat tuotteet
Nro
#
Tuotenumero
02112-05122-000
Nimike
RISTIKANTARUUVI 5 X 12
Hinta
2,65 €
Määrä
+
-
Nro
#14
Tuotenumero
08321-0105A-000
Nimike
WASHER,LOCK
Hinta
2,20 €
Määrä
+
-
Nro
#15
Tuotenumero
01500-06207-000
Nimike
PULTTI M6X20 KUUSIOKANTA
Hinta
2,65 €
Lisätiedot
Määrä
+
-
Korvaavat tuotteet
Nro
#
Tuotenumero
09100-06091-000
Nimike
RUUVI M6X20 KUUSIOKANTA
Hinta
2,40 €
Määrä
+
-
Nro
#16
Tuotenumero
08321-01067-000
Nimike
JOUSILAATTA 6 MM
Hinta
2,20 €
Lisätiedot
Määrä
+
-
Korvaavat tuotteet
Nro
#
Tuotenumero
08321-21068-000
Nimike
WASHER, LOCK
Hinta
2,20 €
Määrä
+
-
Nro
#17
Tuotenumero
08322-21068-000
Nimike
ALUSLAATTA
Hinta
0,60 €
Määrä
+
-