Kirjaudu
Kirjaudu sisään
Nakkilan pyörä ja mopo
Tuotekategoriat
Etusivu
Varaosaluettelot
Tarvikkeet
Varusteet
Tarjoukset
Ajoneuvot
Huolto
Yhteydenotto
Varaosa luettelot
Suzuki
1100 cc
GSX R1100 K-L 89-90 *
0-Tiivisteet
1-Venttiilikoppa
2-Sylinterin kansi
3-Sylinteri
4-Lohkot
5-Sivukopat
6-Öljypohja
7-Öljypumppu
8-Kampiakseli
9-Starttikytkin
10-Nokka-akselit
11-Nokkaketju
12-Kaasutin
13-Kaasuttimen kiinitys
14-Ilmansuodin
15-Pakoputkisto
16-Öljynlauhdutin
17-Toisioilma
18-Kytkin
19-Vaihteisto
20-Vaihteensiirto
21-Starttimoottori
22-Laturi
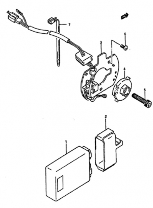
23-Sytytysosat
24-Akku
25-Sähköosat
26-Nopeusmittari
27-Etuvalo
28-Etuvalo
29-Vilkut
30-Takavalo
31-Takavalo
32-Johtosarja
33-Johtosarja
34-Runko
35-Sivutuki, jarrupoljin
36-Jalkatapit
37-Tankki
38-Tankki
39-Hana
40-Istuin
41-Istuin
42-Takakoppa
43-Takakoppa
44-Sivupaneelit
45-Sivupaneelit
46-Etujousitus
47-Etujousitus
48-Etujousitus
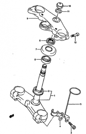
49-Haarukan kolmiot
50-Haarukan kolmiot
51-Haarukan kolmiot
52-Ohjausiskari
53-Etulokari
54-Etulokari
55-Etulokari
56-Etupyörä
57-Ohjaintanko
58-Ohjaintanko
59-Ohjaintanko
60-Katkaisimet
61-Etujarru
62-Etujarruletkut
63-Etujarruletkut
64-Etujarruletkut
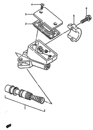
65-Etujarrusylinteri
66-Kytkinsylinteri
67-Kytkinletkut
68-Takahaarukka
69-Takahaarukka
70-Takajousituksen linkut
71-Takajousituksen linkut
72-Takalokari
73-Takalokari
74-Takapyörä
75-Takapyörä
76-Takajarru
77-Takajarrusylinteri
78-Takajarru sylinteri
79-Kate
80-Kate
81-Kate
82-Kate
83-Kate
84-Kate
85-Tarvikkeet
Varaosat tuoteryhmittäin
Tarvikkeet
Tarjoukset
Varusteet
Ajoneuvot
NÄYTÄ TUOTEKATEGORIAT
NPM.FI
Varaosa luettelot
Suzuki
1100 cc
GSX R1100 K-L 89-90 *
GSX R1100 K-L 89-90 *, 1100 cc, Suzuki-varaosa luettelot
0-Tiivisteet
1-Venttiilikoppa
2-Sylinterin kansi
3-Sylinteri
4-Lohkot
5-Sivukopat
6-Öljypohja
7-Öljypumppu
8-Kampiakseli
9-Starttikytkin
10-Nokka-akselit
11-Nokkaketju
12-Kaasutin
13-Kaasuttimen kiinitys
14-Ilmansuodin
15-Pakoputkisto
16-Öljynlauhdutin
17-Toisioilma
18-Kytkin
19-Vaihteisto
20-Vaihteensiirto
21-Starttimoottori
22-Laturi
23-Sytytysosat
24-Akku
25-Sähköosat
26-Nopeusmittari
27-Etuvalo
28-Etuvalo
29-Vilkut
30-Takavalo
31-Takavalo
32-Johtosarja
33-Johtosarja
34-Runko
35-Sivutuki, jarrupoljin
36-Jalkatapit
37-Tankki
38-Tankki
39-Hana
40-Istuin
41-Istuin
42-Takakoppa
43-Takakoppa
44-Sivupaneelit
45-Sivupaneelit
46-Etujousitus
47-Etujousitus
48-Etujousitus
49-Haarukan kolmiot
50-Haarukan kolmiot
51-Haarukan kolmiot
52-Ohjausiskari
53-Etulokari
54-Etulokari
55-Etulokari
56-Etupyörä
57-Ohjaintanko
58-Ohjaintanko
59-Ohjaintanko
60-Katkaisimet
61-Etujarru
62-Etujarruletkut
63-Etujarruletkut
64-Etujarruletkut
65-Etujarrusylinteri
66-Kytkinsylinteri
67-Kytkinletkut
68-Takahaarukka
69-Takahaarukka
70-Takajousituksen linkut
71-Takajousituksen linkut
72-Takalokari
73-Takalokari
74-Takapyörä
75-Takapyörä
76-Takajarru
77-Takajarrusylinteri
78-Takajarru sylinteri
79-Kate
80-Kate
81-Kate
82-Kate
83-Kate
84-Kate
85-Tarvikkeet