Kirjaudu
Kirjaudu sisään
Nakkilan pyörä ja mopo
Tuotekategoriat
Etusivu
Varaosaluettelot
Tarvikkeet
Varusteet
Tarjoukset
Ajoneuvot
Huolto
Yhteydenotto
Varaosa luettelot
Suzuki
1100 cc
GSX R1100 K-L 89-90 *
0-Tiivisteet
1-Venttiilikoppa
2-Sylinterin kansi
3-Sylinteri
4-Lohkot
5-Sivukopat
6-Öljypohja
7-Öljypumppu
8-Kampiakseli
9-Starttikytkin
10-Nokka-akselit
11-Nokkaketju
12-Kaasutin
13-Kaasuttimen kiinitys
14-Ilmansuodin
15-Pakoputkisto
16-Öljynlauhdutin
17-Toisioilma
18-Kytkin
19-Vaihteisto
20-Vaihteensiirto
21-Starttimoottori
22-Laturi
23-Sytytysosat
24-Akku
25-Sähköosat
26-Nopeusmittari
27-Etuvalo
28-Etuvalo
29-Vilkut
30-Takavalo
31-Takavalo
32-Johtosarja
33-Johtosarja
34-Runko
35-Sivutuki, jarrupoljin
36-Jalkatapit
37-Tankki
38-Tankki
39-Hana
40-Istuin
41-Istuin
42-Takakoppa
43-Takakoppa
44-Sivupaneelit
45-Sivupaneelit
46-Etujousitus
47-Etujousitus
48-Etujousitus
49-Haarukan kolmiot
50-Haarukan kolmiot
51-Haarukan kolmiot
52-Ohjausiskari
53-Etulokari
54-Etulokari
55-Etulokari
56-Etupyörä
57-Ohjaintanko
58-Ohjaintanko
59-Ohjaintanko
60-Katkaisimet
61-Etujarru
62-Etujarruletkut
63-Etujarruletkut
64-Etujarruletkut
65-Etujarrusylinteri
66-Kytkinsylinteri
67-Kytkinletkut
68-Takahaarukka
69-Takahaarukka
70-Takajousituksen linkut
71-Takajousituksen linkut
72-Takalokari
73-Takalokari
74-Takapyörä
75-Takapyörä
76-Takajarru
77-Takajarrusylinteri
78-Takajarru sylinteri
79-Kate
80-Kate
81-Kate
82-Kate
83-Kate
84-Kate
85-Tarvikkeet
Varaosat tuoteryhmittäin
Tarvikkeet
Tarjoukset
Varusteet
Ajoneuvot
NÄYTÄ TUOTEKATEGORIAT
NPM.FI
Varaosa luettelot
Suzuki
1100 cc
GSX R1100 K-L 89-90 *
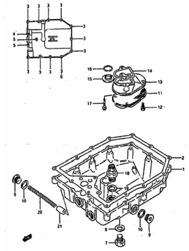
6-Öljypohja
6-Öljypohja, GSX R1100 K-L 89-90 *, 1100 cc, Suzuki-varaosa luettelot
Näytä suurempana
Nro
#1
Tuotenumero
11511-17C02-000
Nimike
PAN,OIL
Hinta
137,95 €
Määrä
+
-
Nro
#2
Tuotenumero
11489-27A21-000
Nimike
ÖLJYPOHJAN TIIVISTE GSX 750R
Hinta
24,70 €
Lisätiedot
Määrä
+
-
Korvaavat tuotteet
Nro
#
Tuotenumero
11489-27A20-000
Nimike
UUSI NUMERO 11489-27A21-000
Hinta
17,05 €
Määrä
+
-
Nro
#4
Tuotenumero
09106-06034-000
Nimike
09106-06034-000
Hinta
0,00 €
Määrä
+
-
Nro
#6
Tuotenumero
09168-06024-000
Nimike
TIIVISTE 5.8X11X1.2
Hinta
2,65 €
Määrä
+
-
Nro
#7
Tuotenumero
09247-14002-000
Nimike
ÖLJYNPOISTO TULPPA
Hinta
5,85 €
Lisätiedot
Määrä
+
-
Korvaavat tuotteet
Nro
#
Tuotenumero
09247-14001-000
Nimike
ÖLJYNPOISTOAUK.TULPPA
Hinta
6,15 €
Määrä
+
-
Nro
#
Tuotenumero
09247-14002-A05
Nimike
PLUG
Hinta
5,75 €
Määrä
+
-
Nro
#8
Tuotenumero
09168-14004-000
Nimike
TIIVISTE 14X19.2X2
Hinta
2,85 €
Lisätiedot
Määrä
+
-
Korvaavat tuotteet
Nro
#
Tuotenumero
M700814020023
Nimike
UUSI NUMERO S410485012069
Hinta
1,85 €
Määrä
+
-
Nro
#9
Tuotenumero
09248-16010-000
Nimike
PLUG TL1000S
Hinta
5,40 €
Määrä
+
-
Nro
#10
Tuotenumero
09168-16002-000
Nimike
TIIVISTE 16X22X2
Hinta
2,30 €
Lisätiedot
Määrä
+
-
Korvaavat tuotteet
Nro
#
Tuotenumero
M700116022015
Nimike
TIIVISTE 16X22X1,5UNI56
Hinta
0,95 €
Määrä
+
-
Nro
#
Tuotenumero
M700116222020
Nimike
TIIVISTE 16,2X22X2 09168-16002
Hinta
2,05 €
Määrä
+
-
Nro
#13
Tuotenumero
16525-17C00-000
Nimike
PROTECTOR,OIL STRAINER
Hinta
24,70 €
Määrä
+
-
Nro
#15
Tuotenumero
16529-27A01-000
Nimike
GASKET,OIL OUTLET
Hinta
3,60 €
Määrä
+
-
Nro
#16
Tuotenumero
09280-18009-000
Nimike
O-RENGAS D:3.2 ID:17.8
Hinta
9,05 €
Määrä
+
-
Nro
#19
Tuotenumero
09168-16002-000
Nimike
TIIVISTE 16X22X2
Hinta
2,30 €
Lisätiedot
Määrä
+
-
Korvaavat tuotteet
Nro
#
Tuotenumero
M700116022015
Nimike
TIIVISTE 16X22X1,5UNI56
Hinta
0,95 €
Määrä
+
-
Nro
#
Tuotenumero
M700116222020
Nimike
TIIVISTE 16,2X22X2 09168-16002
Hinta
2,05 €
Määrä
+
-
Nro
#20
Tuotenumero
09440-09027-000
Nimike
SPRING
Hinta
6,05 €
Määrä
+
-
Nro
#21
Tuotenumero
16442-34301-000
Nimike
PLANGER,CONTROL
Hinta
11,80 €
Määrä
+
-