Kirjaudu
Kirjaudu sisään
Nakkilan pyörä ja mopo
Tuotekategoriat
Etusivu
Varaosaluettelot
Tarvikkeet
Varusteet
Tarjoukset
Ajoneuvot
Huolto
Yhteydenotto
Varaosa luettelot
Suzuki
125 cc Motocross
RM-125 K, L, M 1989-1991 *
00-Tiivisteet
01-Sylinteri, kansi 1989
01A-Sylinteri, kansi 1990
01B-Sylinteri, kansi 1991
02-Pakoaukonsäädin, -mekanismi
03-Moottorilohkot, imukurkku
03A-Moottorilohkot, imukurkku
04-Moottorinposket, oik.+vas, -tiivisteet
04A-Moottorinposket, oik.+vas, -tiivisteet
05-Kampikoneisto, mäntä -89
05A-Kampikoneisto, mäntä -90
05B-Kampikoneisto, mäntä -91
06-Kaasutin
07-Ilmansuodatinkotelo, -suodatin
08-Pakoputkisto
08A-Pakoputkisto
08B-Pakoputkisto
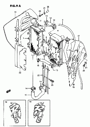
09-Jäähdyttimet, suojamuovit
09A-Jäähdyttimet, suojamuovit
10-Kytkin
11-Vaihteisto
12-Vaihteensiirto
13-Käynnistyspoljin, -mekanismi
14-Vauhtipyörä, alakäämi
15-Johtosarja, sähköt
16-Runko, istuin
17-Jalkatapit, seisontatuki
18-Takajarrupoljin
19-Polttoainesäiliö, korkki
20-Polttoainehana
21-Sivunumerokilvet
22-Etujousitus
22A-Etujousitus
22B-Etujousitus
23-Ohjauspylväs, ohjauslaakerit
23A-Ohjauspylväs, ohjauslaakerit
23B-Ohjauspylväs, ohjauslaakerit
24-Etulokasuoja
25-Etupyörä, etujarrulevy
26-Ohjaustanko, vaijerit
27-Vivut, vipuringot, kahvat, -kumit
28-Etujarrusatula
28A-Etujarrusatula
29-Etujarruletku
29A-Etujarruletku
30-Etujarrupääsylinteri
31-Takahaarukka, ketjunlaahain
31A-Takahaarukka, ketjunlaahain
31B-Takahaarukka, ketjunlaahain
32-Takaiskunvaimennin
32A-Takaiskunvaimennin
32B-Takaiskunvaimennin
33-Takaisk.linkut, -laakerointi -89
33A-Takaisk.linkut, -laakerointi -90
33B-Takaisk.linkut, -laakerointi -91
34-Takalokasuoja
35-Takapyörä, takaratas, takajarrulevy
35A-Takapyörä, takaratas, takajarrulevy
36-Takajarrusatula, satulan kannake
36A-Takajarrusatula, satulan kannake
36B-Takajarrusatula, satulan kannake
37-Takajarrusylinteri, -jarruletku
37A-Takajarrusylinteri, -jarruletku
37B-Takajarrusylinteri, -jarruletku
38-Etunumerokilpi
39-Etujarrulevyn suojamuovi
40-Voiteluaineet, tiivisteliimat
Varaosat tuoteryhmittäin
Tarvikkeet
Tarjoukset
Varusteet
Ajoneuvot
NÄYTÄ TUOTEKATEGORIAT
NPM.FI
Varaosa luettelot
Suzuki
125 cc Motocross
RM-125 K, L, M 1989-1991 *
RM-125 K, L, M 1989-1991 *, 125 cc Motocross, Suzuki-varaosa luettelot
00-Tiivisteet
01-Sylinteri, kansi 1989
01A-Sylinteri, kansi 1990
01B-Sylinteri, kansi 1991
02-Pakoaukonsäädin, -mekanismi
03-Moottorilohkot, imukurkku
03A-Moottorilohkot, imukurkku
04-Moottorinposket, oik.+vas, -tiivisteet
04A-Moottorinposket, oik.+vas, -tiivisteet
05-Kampikoneisto, mäntä -89
05A-Kampikoneisto, mäntä -90
05B-Kampikoneisto, mäntä -91
06-Kaasutin
07-Ilmansuodatinkotelo, -suodatin
08-Pakoputkisto
08A-Pakoputkisto
08B-Pakoputkisto
09-Jäähdyttimet, suojamuovit
09A-Jäähdyttimet, suojamuovit
10-Kytkin
11-Vaihteisto
12-Vaihteensiirto
13-Käynnistyspoljin, -mekanismi
14-Vauhtipyörä, alakäämi
15-Johtosarja, sähköt
16-Runko, istuin
17-Jalkatapit, seisontatuki
18-Takajarrupoljin
19-Polttoainesäiliö, korkki
20-Polttoainehana
21-Sivunumerokilvet
22-Etujousitus
22A-Etujousitus
22B-Etujousitus
23-Ohjauspylväs, ohjauslaakerit
23A-Ohjauspylväs, ohjauslaakerit
23B-Ohjauspylväs, ohjauslaakerit
24-Etulokasuoja
25-Etupyörä, etujarrulevy
26-Ohjaustanko, vaijerit
27-Vivut, vipuringot, kahvat, -kumit
28-Etujarrusatula
28A-Etujarrusatula
29-Etujarruletku
29A-Etujarruletku
30-Etujarrupääsylinteri
31-Takahaarukka, ketjunlaahain
31A-Takahaarukka, ketjunlaahain
31B-Takahaarukka, ketjunlaahain
32-Takaiskunvaimennin
32A-Takaiskunvaimennin
32B-Takaiskunvaimennin
33-Takaisk.linkut, -laakerointi -89
33A-Takaisk.linkut, -laakerointi -90
33B-Takaisk.linkut, -laakerointi -91
34-Takalokasuoja
35-Takapyörä, takaratas, takajarrulevy
35A-Takapyörä, takaratas, takajarrulevy
36-Takajarrusatula, satulan kannake
36A-Takajarrusatula, satulan kannake
36B-Takajarrusatula, satulan kannake
37-Takajarrusylinteri, -jarruletku
37A-Takajarrusylinteri, -jarruletku
37B-Takajarrusylinteri, -jarruletku
38-Etunumerokilpi
39-Etujarrulevyn suojamuovi
40-Voiteluaineet, tiivisteliimat