Kirjaudu
Kirjaudu sisään
Nakkilan pyörä ja mopo
Tuotekategoriat
Etusivu
Varaosaluettelot
Tarvikkeet
Varusteet
Tarjoukset
Ajoneuvot
Huolto
Yhteydenotto
Varaosa luettelot
Suzuki
125 cc Motocross
RM-125 T,V,W,X,Y 1996-2000
00-Acerbis muovit
00-Tiivisteet
01-Sylinterit, kansi
02-Pakosäätimet 96-99
03-Pakosäätimet 2000
04-Lohkot 96-97
05-Lohkot 98-00
06-Sivuposket 96-97
07-Sivuposket 98-00
08-Kampiakseli
09-Kaasutin 96-97
10-Kaasutin 98
11-Kaasutin 99-00
12-Ilmansuodatin
13-Pakoputkisto
14-Jäähdytin
15-Kytkin 96-97
16-Kytkin 98-00
17-Vaihteisto 96-97
18-Vaihteisto 98-00
19-Vaihteensiirtimet 96-97
20-Vaihteensiirtimet 98-00
21-Käynnistin
22-Mangneetto 96-97
23-Mangneetto 98-00
24-Sytytys osat
25-Runko
26-Jalkatapit
27-Jarrupoljin
28-Tankki
29-Polttoainehana
30-Sivukilvet
31-Etunumerokilpi /lokari
32-Ohjaintanko
33-Kahvat
34-Takalokari
35-Ohjetarrat
36-Istuin
37-Etujousitus 96
38-Etujousitus 97
39-Etujousitus 98
40-Etujousitus 99
41-Etujousitus 2000
42-Haarukan kolmiot 96-98
43-Haarukan kolmiot 99-00
44-Etupyörä 96
45-Etupyörä 97-00
46-Etujarru
47-Puristin / letku 96-98
48-Puristin / letku 99-00
49-Takahaarukka 96
50-Takahaarukka 97
51-Takahaarukka 98
52-Takahaarukka 99
53-Takahaarukka 2000
54-Takaiskari 96
55-Takaiskari 97
56-Takaiskari 98
57-Takaiskari 99
58-Takaiskari 2000
59-Jousituksen linkut 96-97
60-Jousituksen linkut 98 99
61-Jousituksen linkut 2000
62-Takapyörä 96-99
63-Takapyörä 2000
64-Takajarru
65-Takajarrupuristin 96
66-Takajarrupuristin 97-00
67-Tarvikkeet
Varaosat tuoteryhmittäin
Tarvikkeet
Tarjoukset
Varusteet
Ajoneuvot
NÄYTÄ TUOTEKATEGORIAT
NPM.FI
Varaosa luettelot
Suzuki
125 cc Motocross
RM-125 T,V,W,X,Y 1996-2000
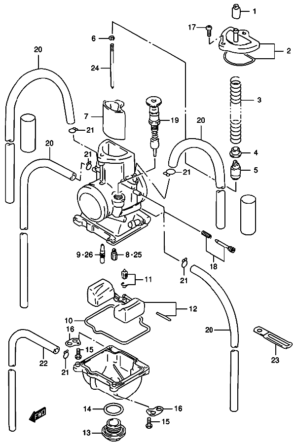
10-Kaasutin 98
10-Kaasutin 98 , RM-125 T,V,W,X,Y 1996-2000 , 125 cc Motocross, Suzuki-varaosa luettelot
Näytä suurempana
Nro
#0
Tuotenumero
13200-36E20-000
Nimike
CARBURETOR RM125/W
Hinta
504,75 €
Määrä
+
-
Nro
#1
Tuotenumero
13681-43D30-000
Nimike
CAP CARBURETOR
Hinta
12,15 €
Määrä
+
-
Nro
#2
Tuotenumero
13260-36E20-000
Nimike
CAP SET, TOP RM125W
Hinta
56,10 €
Määrä
+
-
Nro
#3
Tuotenumero
13573-36E20-000
Nimike
SPRING
Hinta
13,50 €
Määrä
+
-
Nro
#4
Tuotenumero
13424-43D30-000
Nimike
COLLAR, THROTTLE VALVE
Hinta
7,25 €
Määrä
+
-
Nro
#5
Tuotenumero
13581-36E20-000
Nimike
HOLDER, CABLE RM125W
Hinta
20,20 €
Määrä
+
-
Nro
#6
Tuotenumero
13394-28E00-000
Nimike
CLIP
Hinta
5,65 €
Määrä
+
-
Nro
#7
Tuotenumero
13551-36E20-000
Nimike
VALVE, THROTTLE RM125W
Hinta
133,45 €
Määrä
+
-
Nro
#8
Tuotenumero
09491-35009-000
Nimike
MAIN JET 175
Hinta
18,65 €
Määrä
+
-
Nro
#9
Tuotenumero
09492-55017-000
Nimike
JET, MAIN X46.055
Hinta
15,60 €
Lisätiedot
Määrä
+
-
Korvaavat tuotteet
Nro
#
Tuotenumero
X46.055
Nimike
TYHJÄKÄYNTISUUTIN KEIHIN #55#
Hinta
9,65 €
Määrä
+
-
Nro
#10
Tuotenumero
13696-28E00-000
Nimike
O RING
Hinta
17,00 €
Määrä
+
-
Nro
#11
Tuotenumero
13370-43D30-000
Nimike
NEULAVENTTIILI RM250
Hinta
61,70 €
Määrä
+
-
Nro
#12
Tuotenumero
13240-36E20-000
Nimike
FLOAT SET RM125W
Hinta
76,00 €
Määrä
+
-
Nro
#13
Tuotenumero
13247-28E00-000
Nimike
BOLT, DRAIN
Hinta
21,15 €
Määrä
+
-
Nro
#14
Tuotenumero
13246-28E00-000
Nimike
O RING
Hinta
6,55 €
Määrä
+
-
Nro
#15
Tuotenumero
02112-0412A-000
Nimike
RISTIKANTARUUVI M4X12
Hinta
1,45 €
Lisätiedot
Määrä
+
-
Korvaavat tuotteet
Nro
#
Tuotenumero
02112-04127-000
Nimike
SCREW
Hinta
1,45 €
Määrä
+
-
Nro
#16
Tuotenumero
13693-36E00-000
Nimike
PLATE
Hinta
6,55 €
Määrä
+
-
Nro
#17
Tuotenumero
02112-0412A-000
Nimike
RISTIKANTARUUVI M4X12
Hinta
1,45 €
Lisätiedot
Määrä
+
-
Korvaavat tuotteet
Nro
#
Tuotenumero
02112-04127-000
Nimike
SCREW
Hinta
1,45 €
Määrä
+
-
Nro
#18
Tuotenumero
13280-36E20-000
Nimike
SCREW SET AIR RM125W
Hinta
24,00 €
Määrä
+
-
Nro
#19
Tuotenumero
13410-36E20-000
Nimike
STARTER VALVE RM125W
Hinta
69,40 €
Määrä
+
-
Nro
#20
Tuotenumero
13686-36E00-000
Nimike
HOSE
Hinta
11,40 €
Määrä
+
-
Nro
#21
Tuotenumero
09401-06101-000
Nimike
CLIP
Hinta
2,35 €
Määrä
+
-
Nro
#21
Tuotenumero
09351-35653-600
Nimike
HOSE,3.5X6.5X600
Hinta
6,80 €
Lisätiedot
Määrä
+
-
Korvaavat tuotteet
Nro
#
Tuotenumero
13683-37420-000
Nimike
HOSE,CARBURETOR
Hinta
5,65 €
Määrä
+
-
Nro
#
Tuotenumero
13684-38300-000
Nimike
HOSE,OVERFLOW
Hinta
5,65 €
Määrä
+
-
Nro
#22
Tuotenumero
09351-35653-600
Nimike
HOSE,3.5X6.5X600
Hinta
6,80 €
Lisätiedot
Määrä
+
-
Korvaavat tuotteet
Nro
#
Tuotenumero
13683-37420-000
Nimike
HOSE,CARBURETOR
Hinta
5,65 €
Määrä
+
-
Nro
#
Tuotenumero
13684-38300-000
Nimike
HOSE,OVERFLOW
Hinta
5,65 €
Määrä
+
-
Nro
#22
Tuotenumero
09404-06432-000
Nimike
KIINIKEPANTA
Hinta
2,50 €
Lisätiedot
Määrä
+
-
Korvaavat tuotteet
Nro
#
Tuotenumero
09404-06039-000
Nimike
CLAMP
Hinta
2,50 €
Määrä
+
-
Nro
#
Tuotenumero
09404-06401-000
Nimike
VAIJERIN PIDIN
Hinta
2,25 €
Määrä
+
-
Nro
#
Tuotenumero
09404-06422-000
Nimike
CLAMP
Hinta
2,80 €
Määrä
+
-
Nro
#23
Tuotenumero
09404-08206-000
Nimike
CLAMP,L:82
Hinta
3,40 €
Määrä
+
-
Nro
#23
Tuotenumero
09404-06432-000
Nimike
KIINIKEPANTA
Hinta
2,50 €
Lisätiedot
Määrä
+
-
Korvaavat tuotteet
Nro
#
Tuotenumero
09404-06039-000
Nimike
CLAMP
Hinta
2,50 €
Määrä
+
-
Nro
#
Tuotenumero
09404-06401-000
Nimike
VAIJERIN PIDIN
Hinta
2,25 €
Määrä
+
-
Nro
#
Tuotenumero
09404-06422-000
Nimike
CLAMP
Hinta
2,80 €
Määrä
+
-
Nro
#24
Tuotenumero
13383-37E00-000
Nimike
NEEDLE JET
Hinta
16,80 €
Määrä
+
-
Nro
#24
Tuotenumero
13383-37E10-000
Nimike
NEEDLE JET
Hinta
16,80 €
Määrä
+
-
Nro
#24
Tuotenumero
13383-43D30-000
Nimike
NEEDLE
Hinta
18,60 €
Määrä
+
-
Nro
#24
Tuotenumero
13383-43D40-000
Nimike
NEEDLE
Hinta
18,95 €
Määrä
+
-
Nro
#24
Tuotenumero
13383-43D50-000
Nimike
NEEDLE
Hinta
19,95 €
Määrä
+
-
Nro
#24
Tuotenumero
13383-43D60-000
Nimike
NEEDLE
Hinta
18,15 €
Määrä
+
-
Nro
#24
Tuotenumero
13383-28E50-000
Nimike
NEEDLE JET
Hinta
20,40 €
Määrä
+
-
Nro
#24
Tuotenumero
13383-28E00-000
Nimike
NEEDLE, JET RM125/X
Hinta
20,75 €
Määrä
+
-
Nro
#24
Tuotenumero
13383-28E20-000
Nimike
NEULA R1470MS KEIHIN
Hinta
19,95 €
Määrä
+
-
Nro
#24
Tuotenumero
13383-28E40-000
Nimike
NEULA R1471MS KEIHIN
Hinta
20,75 €
Määrä
+
-
Nro
#24
Tuotenumero
13383-28E10-000
Nimike
NEULA R1469NS KEIHIN
Hinta
20,20 €
Määrä
+
-
Nro
#24
Tuotenumero
13383-28E30-000
Nimike
NEULA R1470NS KEIHIN
Hinta
19,20 €
Määrä
+
-
Nro
#25
Tuotenumero
09491-29014-000
Nimike
PÄÄSUUTIN 145 KEIHIN
Hinta
14,10 €
Määrä
+
-
Nro
#25
Tuotenumero
09491-29015-000
Nimike
JET, MAIN
Hinta
11,95 €
Määrä
+
-
Nro
#25
Tuotenumero
09491-40013-000
Nimike
JET, MAIN
Hinta
18,65 €
Määrä
+
-
Nro
#25
Tuotenumero
09491-39001-000
Nimike
JET, MAIN
Hinta
18,65 €
Määrä
+
-
Nro
#25
Tuotenumero
09491-30018-000
Nimike
JET, MAIN
Hinta
18,65 €
Määrä
+
-
Nro
#25
Tuotenumero
09491-30019-000
Nimike
JET, MAIN
Hinta
18,65 €
Määrä
+
-
Nro
#25
Tuotenumero
09491-32010-000
Nimike
JET, MAIN
Hinta
18,65 €
Määrä
+
-
Nro
#25
Tuotenumero
09491-32011-000
Nimike
JET, MAIN
Hinta
18,65 €
Määrä
+
-
Nro
#25
Tuotenumero
09491-33010-000
Nimike
FLOAT SET
Hinta
18,65 €
Määrä
+
-
Nro
#25
Tuotenumero
09491-34011-000
Nimike
MAIN JET
Hinta
18,65 €
Määrä
+
-
Nro
#25
Tuotenumero
09491-35009-000
Nimike
MAIN JET 175
Hinta
18,65 €
Määrä
+
-
Nro
#25
Tuotenumero
09491-35010-000
Nimike
JET MAIN
Hinta
18,65 €
Määrä
+
-
Nro
#25
Tuotenumero
09491-36008-000
Nimike
SUUTIN KEIHIN 180 PE/PWK/PWM/
Hinta
18,65 €
Määrä
+
-
Nro
#25
Tuotenumero
X45.185
Nimike
MUTTERISUUTIN KEIHIN #185#
Hinta
6,00 €
Määrä
+
-
Nro
#25
Tuotenumero
X45.190
Nimike
MUTTERISUUTIN KEIHIN #190#
Hinta
6,00 €
Määrä
+
-
Nro
#25
Tuotenumero
X45.155
Nimike
MUTTERISUUTIN KEIHIN #155#
Hinta
6,00 €
Määrä
+
-
Nro
#25
Tuotenumero
X45.158
Nimike
MUTTERISUUTIN KEIHIN #158#
Hinta
6,00 €
Määrä
+
-
Nro
#25
Tuotenumero
X45.165
Nimike
MUTTERISUUTIN KEIHIN #165#
Hinta
6,00 €
Määrä
+
-
Nro
#25
Tuotenumero
X45.170
Nimike
MUTTERISUUTIN KEIHIN #170#
Hinta
6,00 €
Määrä
+
-
Nro
#26
Tuotenumero
09492-65008-000
Nimike
JET, SLOW
Hinta
15,20 €
Määrä
+
-
Nro
#26
Tuotenumero
09492-70009-000
Nimike
JET, SLOW
Hinta
15,00 €
Määrä
+
-
Nro
#26
Tuotenumero
09492-35019-000
Nimike
JET, MAIN
Hinta
18,80 €
Määrä
+
-
Nro
#26
Tuotenumero
09492-40022-000
Nimike
JET, MAIN
Hinta
18,80 €
Lisätiedot
Määrä
+
-
Korvaavat tuotteet
Nro
#
Tuotenumero
X46.040
Nimike
TYHJÄKÄYNTISUUTIN KEIHIN #40#
Hinta
9,65 €
Määrä
+
-
Nro
#26
Tuotenumero
09492-45032-000
Nimike
KEIHIN JET SLOW X046.45 DAELIM
Hinta
15,60 €
Lisätiedot
Määrä
+
-
Korvaavat tuotteet
Nro
#
Tuotenumero
X46.045
Nimike
TYHJÄKÄYNTISUUTIN KEIHIN #45#
Hinta
9,65 €
Määrä
+
-
Nro
#26
Tuotenumero
09492-50023-000
Nimike
TYHJÄKÄYNTISUUTIN X46.50 KEIHI
Hinta
15,60 €
Lisätiedot
Määrä
+
-
Korvaavat tuotteet
Nro
#
Tuotenumero
X46.050
Nimike
TYHJÄKÄYNTISUUTIN KEIHIN #50#
Hinta
9,65 €
Määrä
+
-
Nro
#26
Tuotenumero
09492-52011-000
Nimike
TYHJÄKÄYNTISUUTIN KEIHIN
Hinta
15,60 €
Määrä
+
-
Nro
#26
Tuotenumero
09492-55017-000
Nimike
JET, MAIN X46.055
Hinta
15,60 €
Lisätiedot
Määrä
+
-
Korvaavat tuotteet
Nro
#
Tuotenumero
X46.055
Nimike
TYHJÄKÄYNTISUUTIN KEIHIN #55#
Hinta
9,65 €
Määrä
+
-
Nro
#26
Tuotenumero
09492-58001-000
Nimike
JET PILOT 58
Hinta
15,60 €
Määrä
+
-
Nro
#26
Tuotenumero
09492-60016-000
Nimike
JET, MAIN
Hinta
18,80 €
Määrä
+
-