Kirjaudu
Kirjaudu sisään
Nakkilan pyörä ja mopo
Tuotekategoriat
Etusivu
Varaosaluettelot
Tarvikkeet
Varusteet
Tarjoukset
Ajoneuvot
Huolto
Yhteydenotto
Varaosa luettelot
Suzuki
1400 cc
VS-1400GL 1987-
00-Mallin tarkenne
00-Mallin tarkenne
00-Mallin tarkenne
0-Tiivisteet
01-Sylinterinkansi,etu
02-Sylinterinkansi,taka
03-Sylinterit
04-Moottorin lohkot
05-Moottorin posket
06-Kampiakseli
07-Käynnistin osat
08-Venttiilit
09-Puolipuristin vaijeri
10-Nokkaketju, ohjurit
11-Kaasutin, Etu
12-Kaasutin, Taka
13-Ilmansuodatin, Etu
14-Ilmansuodatin, Taka
15-Pakoputkisto
16-Öljypumppu, suodatin
17-Öljynlauhdutin
18-Kytkin
19-Vaihteisto 87-90
19A-Vaihteisto 91-92
20-Kulmavaihde
21-Vaihteensiirtimet 87-90
21A-Vaihteensiirtimet 91-92
22-Kardaani, Perä
23-Starttimoottori
24-Laturi
25-Akku
26-Sähköosat
26A-Sähköosat II
27-Mittaristo
27A-Mittaristo
28-Etuvalo
28A-Etuvalo
29-Vilkut
29A-Vilkut
30-Takavalo
30A-Takavalo
30B-Takavalo
31-Johtosarja
31A-Johtosarja
32-Runko
32A-Runko
32B-Runko
33-Jarrupoljin
34-Jalkatapit
35-Polttoainetankki
35A-Polttoainetankki
35B-Polttoainetankki
35C-Polttoainetankki
36-Hana
36A-Hana
37-Istuin
37A-Istuin
38-Sissybar
38A-Sissybar
39-Sissybar
39A-Sissybar
40-Sivuposket
40A-Sivuposket
40B-Sivuposket
40C-Sivuposket
41-Etuhaarukka
42-Etuhaarukan kolmiot
42A-Etuhaarukan kolmiot
43-Etulokari
43A-Etulokari
44-Etupyörä
45-Ohjaintanko, Peilit
46-Ohjaintanko, Peilit
46A-Ohjaintanko, Peilit
47-Kahvat
48-Kahvat
49-Etujarru
50-Jarruletku
51-Jarrusylinteri
52-Jarrusylinteri
53-Jarrusylinteri
54-Jarrusylinteri
55-Jarruletku
56-Takahaarukka
57-Takalokari
57A-Takalokari
58-Takapyörä
59-Takajarru
59A-Takajarru
60-Jarrusylinteri, letku
60A-Jarrusylinteri, letku
61-Tarvikkeet
Varaosat tuoteryhmittäin
Tarvikkeet
Tarjoukset
Varusteet
Ajoneuvot
NÄYTÄ TUOTEKATEGORIAT
NPM.FI
Varaosa luettelot
Suzuki
1400 cc
VS-1400GL 1987-
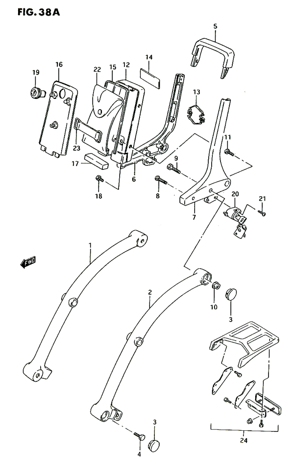
38A-Sissybar
38A-Sissybar, VS-1400GL 1987-, 1400 cc, Suzuki-varaosa luettelot
Näytä suurempana
Nro
#1
Tuotenumero
41610-38B10-000
Nimike
GRIP, FRAME HANDLE RH
Hinta
431,60 €
Määrä
+
-
Nro
#1
Tuotenumero
41610-38B00-000
Nimike
GRIP COMP,FRAME HANDLE,R
Hinta
228,60 €
Määrä
+
-
Nro
#2
Tuotenumero
41620-38B10-000
Nimike
GRIP, FRAME HANDLE LH
Hinta
315,10 €
Määrä
+
-
Nro
#2
Tuotenumero
41620-38B00-000
Nimike
GRIP COMP,FRAME HANDLE,L
Hinta
315,80 €
Lisätiedot
Määrä
+
-
Korvaavat tuotteet
Nro
#
Tuotenumero
41620-38B10-000
Nimike
GRIP, FRAME HANDLE LH
Hinta
315,10 €
Määrä
+
-
Nro
#3
Tuotenumero
95673-24A00-000
Nimike
KROMITULPPA
Hinta
9,30 €
Määrä
+
-
Nro
#4
Tuotenumero
01580-08203-000
Nimike
BOLT
Hinta
2,60 €
Määrä
+
-
Nro
#5
Tuotenumero
46211-38B01-000
Nimike
HANDLE PILLION
Hinta
99,55 €
Määrä
+
-
Nro
#6
Tuotenumero
46212-38B11-000
Nimike
HANDLE PILLION RIDER
Hinta
228,15 €
Määrä
+
-
Nro
#7
Tuotenumero
46213-38B11-000
Nimike
HANDLE,PILLION RIDER,L
Hinta
219,00 €
Määrä
+
-
Nro
#8
Tuotenumero
01580-06403-000
Nimike
SCREW
Hinta
3,20 €
Lisätiedot
Määrä
+
-
Korvaavat tuotteet
Nro
#
Tuotenumero
01580-0640B-000
Nimike
BOLT
Hinta
4,10 €
Määrä
+
-
Nro
#9
Tuotenumero
01580-08453-000
Nimike
BOLT FRONT
Hinta
4,45 €
Määrä
+
-
Nro
#10
Tuotenumero
08316-1008B-000
Nimike
NUT
Hinta
3,10 €
Määrä
+
-
Nro
#11
Tuotenumero
01580-0620B-000
Nimike
BOLT
Hinta
3,15 €
Määrä
+
-
Nro
#12
Tuotenumero
47430-38B11-22S
Nimike
HOLDER,TOOL,REAR
Hinta
72,90 €
Määrä
+
-
Nro
#13
Tuotenumero
68261-38A30-000
Nimike
EMBLEM
Hinta
40,35 €
Määrä
+
-
Nro
#14
Tuotenumero
68262-38A00-000
Nimike
CUSHION
Hinta
2,95 €
Määrä
+
-
Nro
#15
Tuotenumero
47437-38B00-000
Nimike
MOLDING,TOOL HOLDER,REAR
Hinta
10,00 €
Määrä
+
-
Nro
#16
Tuotenumero
47441-38B00-000
Nimike
HOLDER, TOOL FRONT
Hinta
26,00 €
Määrä
+
-
Nro
#17
Tuotenumero
47438-38B00-000
Nimike
CUSHION,TOOL BACK
Hinta
26,05 €
Määrä
+
-
Nro
#18
Tuotenumero
01570-0612A-000
Nimike
PULTTI AN400/K7- M6X12 KUUSIOK
Hinta
2,80 €
Määrä
+
-
Nro
#19
Tuotenumero
95700-24831-000
Nimike
LOCK SET, TOOL HOLDER
Hinta
97,00 €
Määrä
+
-
Nro
#20
Tuotenumero
95700-38821-000
Nimike
LOCK SET,HELMET
Hinta
67,20 €
Määrä
+
-
Nro
#21
Tuotenumero
02112-05127-000
Nimike
RUUVI
Hinta
2,35 €
Lisätiedot
Määrä
+
-
Korvaavat tuotteet
Nro
#
Tuotenumero
02112-05122-000
Nimike
RISTIKANTARUUVI 5 X 12
Hinta
2,65 €
Määrä
+
-
Nro
#22
Tuotenumero
09800-21014-000
Nimike
TOOL SET
Hinta
93,05 €
Määrä
+
-
Nro
#22
Tuotenumero
09800-21013-000
Nimike
TYÖKALUSARJA SUZUKI
Hinta
65,00 €
Lisätiedot
Määrä
+
-
Korvaavat tuotteet
Nro
#
Tuotenumero
09800-21014-000
Nimike
TOOL SET
Hinta
93,05 €
Määrä
+
-
Nro
#23
Tuotenumero
09462-00034-000
Nimike
PANTA
Hinta
7,70 €
Lisätiedot
Määrä
+
-
Korvaavat tuotteet
Nro
#
Tuotenumero
09462-00046-000
Nimike
BAND
Hinta
4,20 €
Määrä
+
-