Kirjaudu
Kirjaudu sisään
Nakkilan pyörä ja mopo
Tuotekategoriat
Etusivu
Varaosaluettelot
Tarvikkeet
Varusteet
Tarjoukset
Ajoneuvot
Huolto
Yhteydenotto
Varaosa luettelot
Suzuki
1500 cc
VL 1500 K4 1998-2004
01-Tiivisteet
02-Sylinterin kansi
03-Sylinterin kansi
04-Sylinterin kansi
05-Sylinterin kansi
06-Sylinterit
07-Sylinterit
08-Lohkot
09-Sivukopat
10-Kampiakseli, männät
11-Starttikytkin
12-Venttiilit , nokat
13-Puolipuristin
14-Nokkaketjut, kiristin
15-Kaasutin
16-Kaasutin
17-Ilmansuodin
18-Ilmansuodin
19-Pakoputkisto
20-Pakoputkisto
21-Bensapumppu,
22-Lauhdutin
23-Sivukannet
24-Sivukannet
25-Sivukannet
26-Sivukannet
27-Kytkin
28-Vaihteisto
29-Kulmavaihde
30-Vaihteensiirto
31-Kardaani, per
32-Starttimoottori
33-Starttimoottori
34-Laturi
35-Akku
36-Sytytys ja s
37-Letkusto
38-Mittaristo
39-Mittaristo
40-Etuvalo
41-Etuvalo
42-Etuvalo
43-Vilkut
44-Vilkut
45-Vilkut
46-Takavalo
47-Johtosarja
48-Johtosarja
49-Johtosarja
50-Johtosarja
51-Katkaisimet
52-Katkaisimet
53-Katkaisimet
54-Runko
55-Jarrupoljin
56-Astinlaudat
57-Tankki
58-Tankin korkki
59-Bensasuodin
60-Suodin
61-Tankinsivut
62-Tankin sivut
63-Tankin sivut
64-Tankin sivut
65-Tankin sivut
66-Tankin sivut
67-Tankin sivut
68-Sivupaneelit
69-Sivupaneelit
70-Sivupaneelit
71-Sivupaneelit
72-Etulokari
73-Etulokari
74-Etulokari
75-Etulokari
76-Ohjaintanko vaijerit
77-Kahvat
78-Takalokari
79-Takalokari
80-Takalokari
81-Varoitustarrat
82-Varoitus tarrat
83-Varoitustarrat
84-Istuin
85-Etujousitus
86-Etujousitus
87-Etujousitus
88-Etujousitus
89-Etujousitus
90-Haarukan kolmiot
91-Haarukan kolmiot
92-Haarukan kolmiot
93-Etupyörä yhdellä levyllä
94-Etupyörä, kahdella levyllä
95-Etujarru yhdellä puristimella
96-Etujarru, yhdellä puristimella
97-Etujarru, kahdella puristimella
98-Jarrusylinteri, letku
99-Jarrusylinteri, letkut
100-Kytkinsylinteri, letku
101-Takahaarukka
102-Takajousitus
103-Takapy
104-Takapy
105-Takapy
106-Takajarru
107-Takajarru
108-Takajarru
109-Takajarru sylinteri
110-Takajarru sylinteri
111-Tarvikkeet
Varaosat tuoteryhmittäin
Tarvikkeet
Tarjoukset
Varusteet
Ajoneuvot
NÄYTÄ TUOTEKATEGORIAT
NPM.FI
Varaosa luettelot
Suzuki
1500 cc
VL 1500 K4 1998-2004
106-Takajarru
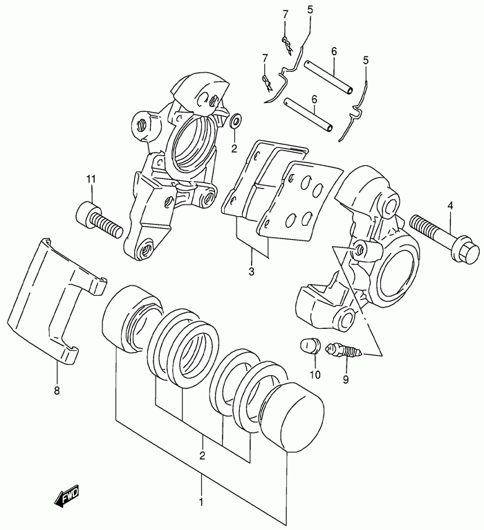
106-Takajarru, VL 1500 K4 1998-2004, 1500 cc, Suzuki-varaosa luettelot
Näytä suurempana
Nro
#0
Tuotenumero
69100-38B20-000
Nimike
CALIPER ASSY,REA
Hinta
463,65 €
Määrä
+
-
Nro
#1
Tuotenumero
69100-38851-000
Nimike
PISTON SET VL1500/X-K1
Hinta
193,05 €
Määrä
+
-
Nro
#3
Tuotenumero
FD0083BA
Nimike
JARRUPALA ACTIVE ORGANIC
Hinta
24,40 €
Lisätiedot
Määrä
+
-
Korvaavat tuotteet
Nro
#
Tuotenumero
VD-331
Nimike
J-PALA GSX1100EF,GSX-R750/1100
Hinta
29,50 €
Määrä
+
-
Nro
#3
Tuotenumero
FD0083BR
Nimike
JARRUPALA RACE PEHMEA
PEHMEÄ NS. RACING PALA
Hinta
29,50 €
Lisätiedot
Määrä
+
-
Lisätiedot
:
PEHMEÄ NS. RACING PALA
Nro
#4
Tuotenumero
59145-16700-000
Nimike
BOLT
Hinta
10,45 €
Määrä
+
-
Nro
#5
Tuotenumero
59143-16700-000
Nimike
JOUSI
Hinta
8,45 €
Määrä
+
-
Nro
#6
Tuotenumero
69141-45000-000
Nimike
TAPPI
Hinta
7,50 €
Määrä
+
-
Nro
#7
Tuotenumero
69142-45000-000
Nimike
JARRUPALOJEN PIDINSOKKA
Hinta
5,60 €
Määrä
+
-
Nro
#9
Tuotenumero
59121-18410-000
Nimike
ILMAUSRUUVI (M7)
Hinta
9,50 €
Määrä
+
-
Nro
#10
Tuotenumero
55156-66310-000
Nimike
CAP
Hinta
6,00 €
Määrä
+
-
Nro
#11
Tuotenumero
07130-10203-000
Nimike
SCREW
Hinta
4,45 €
Lisätiedot
Määrä
+
-
Korvaavat tuotteet
Nro
#
Tuotenumero
07130-1020B-000
Nimike
BOLT
Hinta
4,75 €
Määrä
+
-