Kirjaudu
Kirjaudu sisään
Nakkilan pyörä ja mopo
Tuotekategoriat
Etusivu
Varaosaluettelot
Tarvikkeet
Varusteet
Tarjoukset
Ajoneuvot
Huolto
Yhteydenotto
Varaosa luettelot
Suzuki
250 cc Motocross
RM-250
RM-250 Alkuperäisluettelot
RM-250 J 1988
01-Sylinteri, -kansi, imukurkku
02-Pakoaukonsäädin
03-Moottorilohkot
04-Moottorinposket, vesipumppu
05-Kampikoneisto, mäntä
06-Kaasutin
07-Ilmansuodatinkotelo, -suodatin
08-Pakoputkisto
09-Jäähdyttimet, -ilmaohjaimet
10-Kytkin
11-Vaihteisto
12-Vaihteensiirto
13-Käynnistinpoljin, -akseli
14-Vauhtipyörä, alakäämi
15-Sytytyspuola, sähköt
16-Runko, istuin
17-Seisontatuki, jalkatapit
18-Takajarrupoljin
19-Polttoainesäiliö
20-Polttoainehana
21-Etunumerokilpi, sivunumerokilvet
22-Etujousitus
23-Ohjauspylväs, ohjauslaakerit
24-Etulokasuoja
25-Etupyörä, etujarrulevy
26-Ohjaustanko, vaijerit
27-Jarruvipu, kaasukahva
28-Kytkinvipu, -vipurunko
29-Etujarrusatula
30-Etujarruletku
31-Etujarrusylinteri
32-Takahaarukka, ketjunlaahain
33-Takaiskunvaimennin
34-Takaiskunvaimentajan linkut
35-Takalokasuoja
36-Takapyörä, takajarrulevy
37-Takajarrusatula
38-Takajarrusylinteri
39-Voiteluaineet, tiivisteliimat, etujarrun suoja
Varaosat tuoteryhmittäin
Tarvikkeet
Tarjoukset
Varusteet
Ajoneuvot
NÄYTÄ TUOTEKATEGORIAT
NPM.FI
Varaosa luettelot
Suzuki
250 cc Motocross
RM-250
RM-250 Alkuperäisluettelot
RM-250 J 1988
05-Kampikoneisto, mäntä
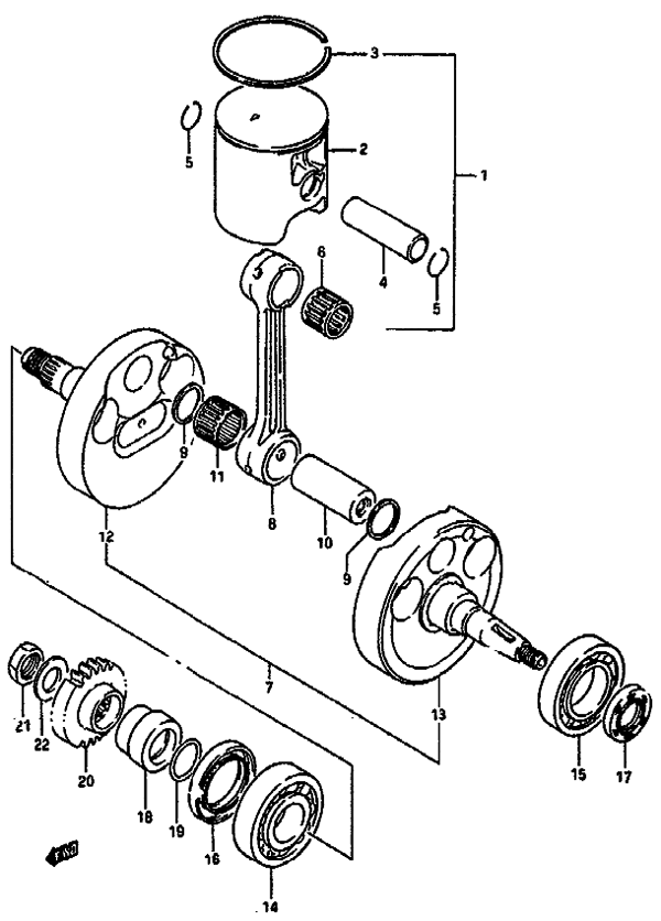
05-Kampikoneisto, mäntä, RM-250 J 1988, RM-250 Alkuperäisluettelot, RM-250, 250 cc Motocross, Suzuki-varaosa luettelot
Näytä suurempana
Nro
#1
Tuotenumero
MIT-01.3310.B
Nimike
MÄNTÄSRJ RM250 87-95 66,95 MM
Hinta
119,05 €
Lisätiedot
Määrä
+
-
Korvaavat tuotteet
Nro
#
Tuotenumero
X01.3310.B
Nimike
MÄNTÄSRJ RM/RMX250'87-95 66.94
Hinta
192,75 €
Määrä
+
-
Nro
#2
Tuotenumero
12110-00B24-0F0
Nimike
MÄNTÄ RM250H 1987
Hinta
119,90 €
Määrä
+
-
Nro
#3
Tuotenumero
12141-41620-000
Nimike
RING, PISTON
Hinta
38,20 €
Lisätiedot
Määrä
+
-
Korvaavat tuotteet
Nro
#
Tuotenumero
12141-41600-000
Nimike
M-RENGAS PE-250, RM-250 STD
Hinta
36,10 €
Määrä
+
-
Nro
#4
Tuotenumero
12151-00B20-000
Nimike
PIN, PISTON
Hinta
18,55 €
Määrä
+
-
Nro
#5
Tuotenumero
08211-14225-000
Nimike
WASHER,THRUST
Hinta
3,55 €
Määrä
+
-
Nro
#5
Tuotenumero
09381-18002-000
Nimike
MÄNNÄNTAPIN SOKKA 18MM X1,1
Hinta
1,75 €
Määrä
+
-
Nro
#6
Tuotenumero
X21.3303
Nimike
M-TAPIN LAAKERI 18X23X22 X21.2
Hinta
17,25 €
Lisätiedot
Määrä
+
-
Korvaavat tuotteet
Nro
#
Tuotenumero
09263-18011-000
Nimike
NEULALAAKERI 18X23X22
Hinta
34,65 €
Määrä
+
-
Nro
#
Tuotenumero
MNB180230218
Nimike
NEULALAAKERI 18X23X21,8
Hinta
13,20 €
Määrä
+
-
Nro
#
Tuotenumero
X21.2304
Nimike
M-TAPIN LAAKERI 18X23X22
Hinta
17,25 €
Määrä
+
-
Nro
#6
Tuotenumero
09263-18011-000
Nimike
NEULALAAKERI 18X23X22
Hinta
34,65 €
Lisätiedot
Määrä
+
-
Korvaavat tuotteet
Nro
#
Tuotenumero
09263-18016-000
Nimike
NEULALAAKERI 18X23X22
Hinta
20,30 €
Määrä
+
-
Nro
#
Tuotenumero
X21.2304
Nimike
M-TAPIN LAAKERI 18X23X22
Hinta
17,25 €
Määrä
+
-
Nro
#
Tuotenumero
X21.3303
Nimike
M-TAPIN LAAKERI 18X23X22 X21.2
Hinta
17,25 €
Määrä
+
-
Nro
#7
Tuotenumero
12200-00B20-000
Nimike
KAMPIAKSELI RM250G/H/J
Hinta
996,85 €
Määrä
+
-
Nro
#8
Tuotenumero
VA-7001
Nimike
KK-SARJA SUZUKI RM250 87-96
Hinta
130,60 €
Lisätiedot
Määrä
+
-
Korvaavat tuotteet
Nro
#
Tuotenumero
X03.3310
Nimike
KK-SARJA SUZUKI RM250 89-95
Hinta
150,80 €
Määrä
+
-
Nro
#8
Tuotenumero
12161-05D00-000
Nimike
KIERTOKANKI RMX = 00B00
Hinta
127,95 €
Määrä
+
-
Nro
#9
Tuotenumero
09160-24015-000
Nimike
KIERTOKANK. VÄLILEVY 24X29X1.5
Hinta
4,35 €
Määrä
+
-
Nro
#10
Tuotenumero
12210-00B20-000
Nimike
ALATAPPI RM250H
Hinta
36,30 €
Määrä
+
-
Nro
#11
Tuotenumero
09263-24026-000
Nimike
ALALAAKERI 24X30X20
Hinta
91,70 €
Määrä
+
-
Nro
#12
Tuotenumero
12221-00B20-000
Nimike
KAMPIAKSELIN OIKEA PUOLISKO
Hinta
233,95 €
Määrä
+
-
Nro
#13
Tuotenumero
12261-00B20-000
Nimike
KAMPIAKSELIN VASEN PUOLISKO
Hinta
226,25 €
Määrä
+
-
Nro
#14
Tuotenumero
63059C3
Nimike
LAAKERI 25X62X17 9TC4
Hinta
28,25 €
Lisätiedot
Määrä
+
-
Korvaavat tuotteet
Nro
#
Tuotenumero
63059TC4
Nimike
KAMPIAKSELIN LAAKERI
Hinta
24,30 €
Määrä
+
-
Nro
#
Tuotenumero
MS250620170N3
Nimike
ERIKOISLAAKERI 6305TN9C3
Hinta
22,30 €
Määrä
+
-
Nro
#
Tuotenumero
MS250620170N4
Nimike
BEARING 6305TN9/C4 - SKF
Hinta
24,30 €
Määrä
+
-
Nro
#15
Tuotenumero
09262-30066-000
Nimike
LAAKERI 30X62X16
Hinta
43,40 €
Lisätiedot
Määrä
+
-
Korvaavat tuotteet
Nro
#
Tuotenumero
6206C3
Nimike
LAAKERI 30X62X16 C3
Hinta
13,65 €
Määrä
+
-
Nro
#15
Tuotenumero
6206C3
Nimike
LAAKERI 30X62X16 C3
Hinta
13,65 €
Määrä
+
-
Nro
#16
Tuotenumero
09289-36005-000
Nimike
ÖLJYTIIVISTE 36X52X8 DC
Hinta
54,05 €
Lisätiedot
Määrä
+
-
Korvaavat tuotteet
Nro
#
Tuotenumero
M731103077000
Nimike
ÖLJYTIIVISTE GMHSA 36X52X8-9
Hinta
16,60 €
Määrä
+
-
Nro
#
Tuotenumero
OS-36+52+8/DC
Nimike
ÖLJYTIIVISTE 09283-36007
Hinta
13,20 €
Määrä
+
-
Nro
#16
Tuotenumero
OS-36+52+8/DC
Nimike
ÖLJYTIIVISTE 09283-36007
Hinta
13,20 €
Määrä
+
-
Nro
#16-17
Tuotenumero
X42.3309
Nimike
PROX CRANKSEAL SET RM250 '86-9
Hinta
23,15 €
Määrä
+
-
Nro
#17
Tuotenumero
09283-20051-000
Nimike
ÖLJYTIIVISTE 20X37X6
Hinta
15,00 €
Lisätiedot
Määrä
+
-
Korvaavat tuotteet
Nro
#
Tuotenumero
09283-20025-000
Nimike
ÖLJYTIIVISTE 20X37X7 TC
Hinta
6,55 €
Määrä
+
-
Nro
#
Tuotenumero
92049-1257
Nimike
ÖLJYTIIVISTE 20X37X6.5 KMX
Hinta
9,35 €
Määrä
+
-
Nro
#
Tuotenumero
M730901092000
Nimike
ÖLJYTIIVISTE 20X37X6 SD ZS A5
Hinta
10,05 €
Määrä
+
-
Nro
#
Tuotenumero
OS-20+37+7/TC
Nimike
ÖLJYTIIVISTE 09283-20025 TEFLN
Hinta
11,15 €
Määrä
+
-
Nro
#18
Tuotenumero
12359-00B20-000
Nimike
SPACER
Hinta
25,65 €
Määrä
+
-
Nro
#19
Tuotenumero
09280-22001-000
Nimike
O-RENGAS D:2.4 ID:21.8
Hinta
1,75 €
Määrä
+
-
Nro
#20
Tuotenumero
21111-14321-000
Nimike
ENSIÖRATAS
Hinta
57,70 €
Määrä
+
-
Nro
#21
Tuotenumero
09140-16019-000
Nimike
MUTTERI
Hinta
4,75 €
Määrä
+
-
Nro
#22
Tuotenumero
09164-16002-000
Nimike
ALUSLEVY KAMPIAKSELILLE RM 125
Hinta
3,85 €
Määrä
+
-