Kirjaudu
Kirjaudu sisään
Nakkilan pyörä ja mopo
Tuotekategoriat
Etusivu
Varaosaluettelot
Tarvikkeet
Varusteet
Tarjoukset
Ajoneuvot
Huolto
Yhteydenotto
Varaosa luettelot
Suzuki
250 cc Motocross
RMZ-250
RMZ 250 Alkuperäisluettelot
RM-Z250 L3 2013
A1-Arrow pakoputkisto
00-Acerbis muoviosat
0A-Viritys osat
01-Tiivisteet
02-Venttiilikoppa
03-Sylinterin kansi
04-Sylinteri
05-Lohkot
06-Sivukopat
07-Kampiakseli
08-Nokka-akselit
09-Nokkaketju
10-Ruiskurunko
11-Ilmansuodatin
12-Pakoputki
13-Öljypumppu
14-Bensapumppu
15-Vesipumppu
16-Jäähdytin
17-Kytkin
18-Vaihteisto
19-Vaihteensiirto
20-Käynnistin poljin
21-Mangneetto
22-Johtosarja
23-Runko
24-Jalkatapit
25-Jarrupoljin
26-Tankki
27-Ilmanohjaimet
28-Sivukilvet
29-Etulokari
30-Ohjaintanko
31-Kahvat, vivut
32-Takalokari
33-Ohjetarrat
34-Istuin
35-Etujousitus oikea
36-Etujousitus vasen
37-Haarukan kolmiot
38-Etupyörä
39-Etujarru
40-Etujarrun sylinteri
41-Takahaarukka
42-Takaiskari
43-Jousituksen linkut
44-Takapyörä
45-Takajarru
46-Takajarrun sylinteri
47-Tarvikkeet
Varaosat tuoteryhmittäin
Tarvikkeet
Tarjoukset
Varusteet
Ajoneuvot
NÄYTÄ TUOTEKATEGORIAT
NPM.FI
Varaosa luettelot
Suzuki
250 cc Motocross
RMZ-250
RMZ 250 Alkuperäisluettelot
RM-Z250 L3 2013
05-Lohkot
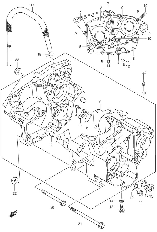
05-Lohkot, RM-Z250 L3 2013, RMZ 250 Alkuperäisluettelot, RMZ-250, 250 cc Motocross, Suzuki-varaosa luettelot
Näytä suurempana
Nro
#1
Tuotenumero
11301-49830-000
Nimike
CRANKCASE ASSY RM-Z250/L3
Hinta
1 354,40 €
Määrä
+
-
Nro
#2
Tuotenumero
11322-35G00-000
Nimike
VALVE, REED RM-Z450
Hinta
19,45 €
Määrä
+
-
Nro
#3
Tuotenumero
11323-35G00-000
Nimike
STOPPER, REED RM-Z450
Hinta
18,85 €
Määrä
+
-
Nro
#4
Tuotenumero
07120-0512B-000
Nimike
BOLT GSX-R600/K6-
Hinta
3,35 €
Määrä
+
-
Nro
#5
Tuotenumero
09206-13020-000
Nimike
PIN 10.4X13X18 RM-Z450
Hinta
2,65 €
Määrä
+
-
Nro
#6
Tuotenumero
11481-49H00-000
Nimike
GASKET.CRANKCASE RM-Z250/L0
Hinta
25,70 €
Määrä
+
-
Nro
#7
Tuotenumero
01547-0640A-000
Nimike
BOLT AN400/K7-
Hinta
2,90 €
Määrä
+
-
Nro
#8
Tuotenumero
01547-0650A-000
Nimike
BOLT DL650
Hinta
2,90 €
Määrä
+
-
Nro
#9
Tuotenumero
01547-0670A-000
Nimike
BOLT DR-Z400SM
Hinta
3,50 €
Määrä
+
-
Nro
#10
Tuotenumero
01547-0680A-000
Nimike
BOLT
Hinta
2,95 €
Määrä
+
-
Nro
#11
Tuotenumero
09247-12106-000
Nimike
PLUG
Hinta
3,50 €
Määrä
+
-
Nro
#12
Tuotenumero
09168-12002-000
Nimike
TIIVISTE 12.1X16.2X2
Hinta
1,95 €
Lisätiedot
Määrä
+
-
Korvaavat tuotteet
Nro
#
Tuotenumero
M700112016015
Nimike
TIIVISTE 12X16X1,5UNI56
Hinta
1,05 €
Määrä
+
-
Nro
#13
Tuotenumero
09103-08393-000
Nimike
BOLT,8X20
Hinta
3,00 €
Määrä
+
-
Nro
#14
Tuotenumero
09168-08034-000
Nimike
GASKET
Hinta
2,65 €
Määrä
+
-
Nro
#15
Tuotenumero
16316-10H01-000
Nimike
CAP.ENG OIL RM-Z450/K7
Hinta
21,55 €
Määrä
+
-
Nro
#16
Tuotenumero
09168-16002-000
Nimike
TIIVISTE 16X22X2
Hinta
2,30 €
Lisätiedot
Määrä
+
-
Korvaavat tuotteet
Nro
#
Tuotenumero
M700116022015
Nimike
TIIVISTE 16X22X1,5UNI56
Hinta
0,95 €
Määrä
+
-
Nro
#
Tuotenumero
M700116222020
Nimike
TIIVISTE 16,2X22X2 09168-16002
Hinta
2,05 €
Määrä
+
-
Nro
#17
Tuotenumero
11332-49H10-000
Nimike
HOSE.BREATHER RM-Z250/L2
Hinta
24,60 €
Määrä
+
-
Nro
#18
Tuotenumero
09401-13301-000
Nimike
CLAMP
Hinta
2,45 €
Määrä
+
-
Nro
#19
Tuotenumero
09404-06429-000
Nimike
CLAMP
Hinta
2,80 €
Määrä
+
-
Nro
#20
Tuotenumero
09103-10448-000
Nimike
BOLT
Hinta
6,90 €
Määrä
+
-
Nro
#21
Tuotenumero
09103-10388-000
Nimike
BOLT LT-A700X
Hinta
7,25 €
Määrä
+
-
Nro
#22
Tuotenumero
09159-10122-000
Nimike
NUT RM-Z250/L1
Hinta
6,70 €
Määrä
+
-