Kirjaudu
Kirjaudu sisään
Nakkilan pyörä ja mopo
Tuotekategoriat
Etusivu
Varaosaluettelot
Tarvikkeet
Varusteet
Tarjoukset
Ajoneuvot
Huolto
Yhteydenotto
Varaosa luettelot
Suzuki
250 cc
PE 250 X 1981
01-Sylinteri, -kansi, imukurkku
02-Moottorilohkot
03-Moottorin posket oik. + vas.
04-Kampikoneisto, mäntä
05-Kaasutin
06-Ilmansuodatinkotelo, -suodatin
07-Pakoputkisto
08-Kytkin
09-Vaihteisto
10-Vaihteensiirto
11-Käynnistinpoljin, -akseli
12-Vauhtipyörä, alakäämi
13-Vauhtipyörä, alakäämi
14-Mittaristo, -vaijeri
15-Etulyhty
16-Etulyhty
17-Takalyhty
18-Takalyhty
19-Sytytyspuola, CDI
20-Johtosarja, virtalukko
21-Runko, istuin
22-Seisontatuki, jalkatapit
23-Takajarrupoljin, -jarrutanko
24-Polttoainesäiliö
25-Polttoainesäiliö
26-Polttoainesäiliö
27-Polttoainesäiliö
28-Polttoainehana
29-Numerokilvet (etu, sivu.-)
30-Numerokilvet (etu, sivu.-)
31-Etujousitus
32-Etulokasuoja, etulyhdyn muovi
33-Etupyörä, -jarrukengät
34-Ohjaustanko, vaijerit
35-Jarruvipu, kaasukahva
36-Jarruvipu, kaasukahva
37-Kytkinvipu, vas.katkaisija
38-Kytkinvipu, vas.katkaisija
39-Kytkinvipu, vas.katkaisija
40-Kytkinvipu, vas.katkaisija
41-Takahaarukka, takaiskunvaimentajat
42-Ketjunsuoja
43-Ketjunlaahain
44-Ketjunlaahain
45-Takalokasuoja
46-Takapyörä, -jarrukengät
47-Voiteluaineet, tiivisteliimat
Varaosat tuoteryhmittäin
Tarvikkeet
Tarjoukset
Varusteet
Ajoneuvot
NÄYTÄ TUOTEKATEGORIAT
NPM.FI
Varaosa luettelot
Suzuki
250 cc
PE 250 X 1981
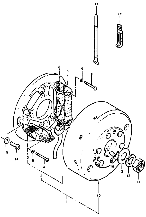
12-Vauhtipyörä, alakäämi
12-Vauhtipyörä, alakäämi, PE 250 X 1981, 250 cc, Suzuki-varaosa luettelot
Näytä suurempana
Nro
#4
Tuotenumero
09125-04023-000
Nimike
SCREW,4X30
Hinta
3,20 €
Määrä
+
-
Nro
#5
Tuotenumero
08321-0104A-000
Nimike
LUKKO/JOUSIPRIKKA M4
Hinta
2,20 €
Määrä
+
-
Nro
#8
Tuotenumero
02112-04353-000
Nimike
SCREW
Hinta
2,05 €
Määrä
+
-
Nro
#9
Tuotenumero
08321-0104A-000
Nimike
LUKKO/JOUSIPRIKKA M4
Hinta
2,20 €
Määrä
+
-
Nro
#11
Tuotenumero
09140-10041-000
Nimike
MUTTERI 10 X 1,25 MM
Hinta
4,10 €
Lisätiedot
Määrä
+
-
Korvaavat tuotteet
Nro
#
Tuotenumero
08316-1010B-000
Nimike
MAGN.MUTTERI PV50 10X1.25
Hinta
3,05 €
Määrä
+
-
Nro
#12
Tuotenumero
08321-01107-000
Nimike
WASHER LOCK
Hinta
2,20 €
Määrä
+
-
Nro
#13
Tuotenumero
08322-0110B-000
Nimike
PRIKKA 10.5X18X2 MUSTA
Hinta
2,65 €
Lisätiedot
Määrä
+
-
Korvaavat tuotteet
Nro
#
Tuotenumero
08322-01103-000
Nimike
WASHER RM410
Hinta
2,65 €
Määrä
+
-
Nro
#
Tuotenumero
08322-01107-000
Nimike
WASHER
Hinta
2,20 €
Määrä
+
-
Nro
#
Tuotenumero
08322-11107-000
Nimike
WASHER
Hinta
2,65 €
Määrä
+
-
Nro
#14
Tuotenumero
02112-3616A-000
Nimike
RUUVI
Hinta
2,35 €
Lisätiedot
Määrä
+
-
Korvaavat tuotteet
Nro
#
Tuotenumero
02112-06167-000
Nimike
RISTIPÄÄ RUUVI 6X16
Hinta
1,75 €
Määrä
+
-
Nro
#
Tuotenumero
02112-36167-000
Nimike
SCREW
Hinta
2,50 €
Määrä
+
-
Nro
#15
Tuotenumero
08322-0106B-000
Nimike
ALUSLEVY
Hinta
2,80 €
Lisätiedot
Määrä
+
-
Korvaavat tuotteet
Nro
#
Tuotenumero
08322-21067-000
Nimike
ALUSLEVY
Hinta
7,95 €
Määrä
+
-
Nro
#16
Tuotenumero
09420-04008-000
Nimike
KIILA
Hinta
3,85 €
Määrä
+
-
Nro
#17
Tuotenumero
09407-18301-000
Nimike
CLAMP
Hinta
3,05 €
Lisätiedot
Määrä
+
-
Korvaavat tuotteet
Nro
#
Tuotenumero
09407-18302-000
Nimike
CLAMP
Hinta
5,25 €
Määrä
+
-
Nro
#18
Tuotenumero
09404-06432-000
Nimike
KIINIKEPANTA
Hinta
2,50 €
Lisätiedot
Määrä
+
-
Korvaavat tuotteet
Nro
#
Tuotenumero
09404-06039-000
Nimike
CLAMP
Hinta
2,50 €
Määrä
+
-
Nro
#
Tuotenumero
09404-06401-000
Nimike
VAIJERIN PIDIN
Hinta
2,25 €
Määrä
+
-
Nro
#
Tuotenumero
09404-06422-000
Nimike
CLAMP
Hinta
2,80 €
Määrä
+
-