Kirjaudu
Kirjaudu sisään
Nakkilan pyörä ja mopo
Tuotekategoriat
Etusivu
Varaosaluettelot
Tarvikkeet
Varusteet
Tarjoukset
Ajoneuvot
Huolto
Yhteydenotto
Varaosa luettelot
Suzuki
250 cc
RMX 250 K
01-Sylinteri, -kansi
02-Pakoaukonsäädin
03-Pakoaukonsäädin
04-Pakoaukonsäädin
05-Moottorilohkot, imukurkku
06-Moottorin posket, vesipumppu
07-Moottorin posket, vesipumppu
08-Kampikoneisto, mäntä
09-Kampikoneisto, mäntä
10-Kampikoneisto, mäntä
11-Kaasutin
12-Kaasutin
13-Ilmansuodatinkotelo, -suodatin
14-Pakoputkisto
15-Pakoputkisto
16-Jäähdyttimet, ilmaohjaimet
17-Jäähdyttimet, ilmaohjaimet
18-Kytkin
19-Kytkin
20-Kytkin
21-Vaihteisto
22-Vaihteensiirto
23-Käynnistinpoljin, -akseli
24-Vauhtipyörä, alakäämi
25-Sytytyspuola, sähköt
26-Mittaristo, vaijeri
27-Mittaristo, vaijeri
28-Mittaristo, vaijeri
29-Etulyhty
30-Takalyhty
31-Johtosarja
32-Runko
33-Runko
34-Seisontatuki, jalkatapit
35-Seisontatuki, jalkatapit
36-Takajarrupoljin
37-Polttoainesäiliö
38-Polttoainehana
39-Sivunumerokilvet
40-Sivunumerokilvet
41-Etulokasuoja, -numerokilpi
42-Ohjaustanko, vaijerit
43-Jarruvipu, kaasukahva
44-Jarruvipu, kaasukahva
45-Kytkinvipu, vipurunko
46-Kytkinvipu, vipurunko
47-Takalokasuoja
48-Istuin
49-Etujousitus
50-Etujousitus
51-Etujousitus
52-Etujousitus
53-Etujousitus
54-Etujousitus
55-Ohjauspylväs, ohjauslaakerit
56-Ohjauspylväs, ohjauslaakerit
57-Ohjauspylväs, ohjauslaakerit
58-Ohjauspylväs, ohjauslaakerit
59-Etupyörä, -jarrulevy, nop.mitt pyörijä
60-Etupyörä, -jarrulevy, nop.mitt pyörijä
61-Etupyörä, -jarrulevy, nop.mitt pyörijä
62-Etupyörä, -jarrulevy, nop.mitt pyörijä
63-Etujarrusatula
64-Etujarrusatula
65-Etujarrusatula
66-Etujarrusylinteri, -jarruletku
67-Etujarrusylinteri, -jarruletku
68-Etujarrusylinteri, -jarruletku
69-Takahaarukka, ketjunlaahain, -ohjain
70-Takahaarukka, ketjunlaahain, -ohjain
71-Takahaarukka, ketjunlaahain, -ohjain
72-Takaiskunvaimennin
73-Takaiskunvaimennin
74-Takaiskunvaimennin
75-Takaiskunvaimennin
76-Takaiskunvaimentajan linkut
77-Takaiskunvaimentajan linkut
78-Takapyörä, -jarrulevy
79-Takapyörä, -jarrulevy
80-Takajarrusatula
81-Takajarrusatula
82-Takajarrusatula
83-Takajarrusatula
84-Takajarrusylinteri, -jarruletku
85-Takajarrusylinteri, -jarruletku
86-Takajarrusylinteri, -jarruletku
87-Voiteluaineet, tiivisteliimat
Varaosat tuoteryhmittäin
Tarvikkeet
Tarjoukset
Varusteet
Ajoneuvot
NÄYTÄ TUOTEKATEGORIAT
NPM.FI
Varaosa luettelot
Suzuki
250 cc
RMX 250 K
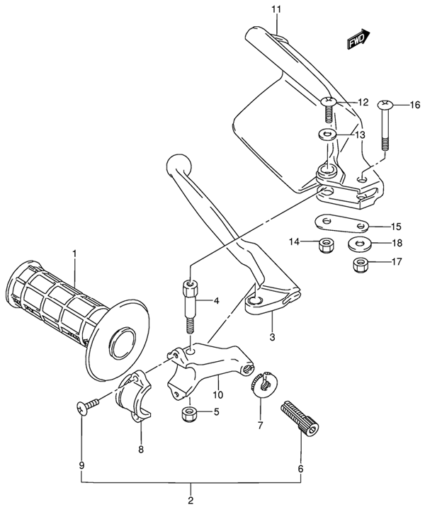
46-Kytkinvipu, vipurunko
46-Kytkinvipu, vipurunko, RMX 250 K, 250 cc, Suzuki-varaosa luettelot
Näytä suurempana
Nro
#1
Tuotenumero
57211-27C00-000
Nimike
KÄSIKUMI
Hinta
22,50 €
Määrä
+
-
Nro
#2
Tuotenumero
57500-05D00-000
Nimike
LEVER ASSY CLUTCH
Hinta
46,15 €
Määrä
+
-
Nro
#3
Tuotenumero
57620-14300-000
Nimike
KYTKINVIPU RM
Hinta
32,90 €
Määrä
+
-
Nro
#3
Tuotenumero
E33170861
Nimike
KYTKINVIPU
KYTKINVIPU TARVIKE
Hinta
18,05 €
Lisätiedot
Määrä
+
-
Lisätiedot
:
KYTKINVIPU TARVIKE
Korvaavat tuotteet
Nro
#
Tuotenumero
4GY839120000
Nimike
LEVER
Hinta
27,75 €
Määrä
+
-
Nro
#
Tuotenumero
57621-28C00-000
Nimike
KYTKINVIPU
Hinta
43,70 €
Määrä
+
-
Nro
#4
Tuotenumero
57631-05D00-000
Nimike
BOLT,LEVER SET
Hinta
11,20 €
Määrä
+
-
Nro
#5
Tuotenumero
08319-2106A-000
Nimike
NUT VZR1800/K6
Hinta
2,55 €
Lisätiedot
Määrä
+
-
Korvaavat tuotteet
Nro
#
Tuotenumero
08319-21065-000
Nimike
MUTTERI
Hinta
2,50 €
Määrä
+
-
Nro
#
Tuotenumero
08319-21068-000
Nimike
MUTTERI
Hinta
2,50 €
Määrä
+
-
Nro
#6
Tuotenumero
57441-26010-000
Nimike
ADJUSTER,CABLE
Hinta
7,10 €
Määrä
+
-
Nro
#7
Tuotenumero
57442-05D00-000
Nimike
NUT,LOCK
Hinta
10,15 €
Määrä
+
-
Nro
#8
Tuotenumero
57512-14300-000
Nimike
BRACKET,CLUTCH LEVER HOLDER
Hinta
46,80 €
Määrä
+
-
Nro
#9
Tuotenumero
09125-05102-000
Nimike
SCREW 5X14
Hinta
2,90 €
Määrä
+
-
Nro
#10
Tuotenumero
57511-14300-000
Nimike
HOLDER,CLUTCH LEVER
Hinta
38,80 €
Määrä
+
-
Nro
#11
Tuotenumero
57541-05D01-30H
Nimike
COVER,KNUCKLE,L
Hinta
50,35 €
Määrä
+
-
Nro
#11
Tuotenumero
57541-05D01-25Y
Nimike
COVER, KNUCKLE
Hinta
34,70 €
Määrä
+
-
Nro
#12
Tuotenumero
02142-05107-000
Nimike
SCREW
Hinta
1,35 €
Lisätiedot
Määrä
+
-
Korvaavat tuotteet
Nro
#
Tuotenumero
09125-05043-000
Nimike
SCREW 5X18
Hinta
1,60 €
Määrä
+
-
Nro
#14
Tuotenumero
08319-2106A-000
Nimike
NUT VZR1800/K6
Hinta
2,55 €
Lisätiedot
Määrä
+
-
Korvaavat tuotteet
Nro
#
Tuotenumero
08319-21065-000
Nimike
MUTTERI
Hinta
2,50 €
Määrä
+
-
Nro
#
Tuotenumero
08319-21068-000
Nimike
MUTTERI
Hinta
2,50 €
Määrä
+
-
Nro
#15
Tuotenumero
57542-05D00-000
Nimike
PLATE,KNUCKLE COVER,L,LOWER
Hinta
6,45 €
Määrä
+
-
Nro
#16
Tuotenumero
09125-06091-000
Nimike
SCREW DR-Z400S
Hinta
3,50 €
Määrä
+
-
Nro
#17
Tuotenumero
08319-2106A-000
Nimike
NUT VZR1800/K6
Hinta
2,55 €
Lisätiedot
Määrä
+
-
Korvaavat tuotteet
Nro
#
Tuotenumero
08319-21065-000
Nimike
MUTTERI
Hinta
2,50 €
Määrä
+
-
Nro
#
Tuotenumero
08319-21068-000
Nimike
MUTTERI
Hinta
2,50 €
Määrä
+
-