Kirjaudu
Kirjaudu sisään
Nakkilan pyörä ja mopo
Tuotekategoriat
Etusivu
Varaosaluettelot
Tarvikkeet
Varusteet
Tarjoukset
Ajoneuvot
Huolto
Yhteydenotto
Varaosa luettelot
Suzuki
500 cc
GS 500 ED 4-syl.
01-Tiivisteet
01-Venttiilikoppa
02-Sylinterikansi, imukurkut
03-Sylinteriryhmä, alatiiviste
04-Moottorilohkot
05-Oik.moottorinposket, -tiivisteet
06-Vas.moottorinposket, -tiivisteet
07-Öljynsuodatin, öljypohja
08-Kampikoneisto, männät
09-Starttikytkin, -rattaat
10-Nokka-akselit, venttiilikoneisto
11-Nokka-ketju, -kiristin, -laahaimet
12-Kaasuttimet
13-Ilmansuodatinkotelo, -suodatin
14-Pakoputkisto
15-Kytkin
16-Vaihteisto
17-Vaihteensiirto
18-Käynnistinmoottori
19-Vauhtipyörä, alakäämi
20-CDI, sytytys
21-Akku, akkukotelo
22-Sytytyspuolat, lataussäädiin, käynnistinrele
23-Mittaristo, -vaijerit
24-Etulyhty
25-Suuntavalot
26-Suuntavalot
27-Takalyhty, merkit
28-Takalyhty, merkit
29-Takalyhty, merkit
30-Johtosarja, virtalukko
31-Runko
32-Seisontatuet
33-Takajarrupoljin
34-Jalkatapit, -kannakkeet
35-Polttoainesäliö, merkit
36-Polttoainesäliö, merkit
37-Polttoainehana, pa-määräntunnistin
38-Istuin, tavarateline
39-Takakate
40-Takakate
41-Sivuposket, -merkit
42-Sivuposket, -merkit
43-Etujousitus
44-Etujousitus
45-Ohjauspylväs, ohjauslaakerit, ohjauslukko
46-Etulokasuoja, etulyhdyn koppa
47-Etulokasuoja, etulyhdyn koppa
48-Etupyörä, etujarrulevy, nop.mitt.pyörijä
49-Ohjaustanko, vaijerit, peilit
50-Oik.ohj.tangon katkaisin, jarruvipu, kaasukahva
51-Vas.ohj.tangon katkaisin, kytkinvipu, kahvarunko
52-Etujarrusatula, -kannake
53-Etujarrusylinteri
54-Etujarruletkut
55-Takahaarukka
56-Ketjusuoja, takaiskunvaimentajat
57-Takalokasuoja
58-Takapyörä, takajarrulevy, takaratas
59-Takajarrusatula
60-Takajarrusylinteri, -säiliö
61-Voiteluaineet, tiivisteliimat
Varaosat tuoteryhmittäin
Tarvikkeet
Tarjoukset
Varusteet
Ajoneuvot
NÄYTÄ TUOTEKATEGORIAT
NPM.FI
Varaosa luettelot
Suzuki
500 cc
GS 500 ED 4-syl.
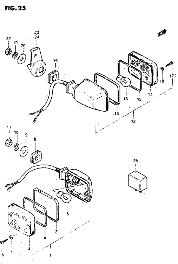
25-Suuntavalot
25-Suuntavalot, GS 500 ED 4-syl., 500 cc, Suzuki-varaosa luettelot
Näytä suurempana
Nro
#0
Tuotenumero
09471-12006-000
Nimike
BULB 12V,23W SF
Hinta
5,25 €
Lisätiedot
Määrä
+
-
Korvaavat tuotteet
Nro
#
Tuotenumero
FL-8671
Nimike
VILKKUPOLTIN 12V 25W BA15S
Hinta
2,55 €
Määrä
+
-
Nro
#1
Tuotenumero
35601-45581-000
Nimike
LAMP ASSY,FR TUR
Hinta
62,90 €
Määrä
+
-
Nro
#2
Tuotenumero
35611-49230-000
Nimike
VILKUN KROMIKEHYS
Hinta
16,40 €
Määrä
+
-
Nro
#3
Tuotenumero
35613-49230-000
Nimike
GASKET,TURN SIGNAL LENS
Hinta
7,10 €
Määrä
+
-
Nro
#3
Tuotenumero
35612-49231-000
Nimike
VILKUNLASI
Hinta
20,50 €
Määrä
+
-
Nro
#4
Tuotenumero
35613-49230-000
Nimike
GASKET,TURN SIGNAL LENS
Hinta
7,10 €
Määrä
+
-
Nro
#5
Tuotenumero
FL-6671
Nimike
VILKKUPOLTIN 12V 21W BA15S
Hinta
4,55 €
Määrä
+
-
Nro
#6
Tuotenumero
03211-04207-000
Nimike
SCREW
Hinta
1,60 €
Lisätiedot
Määrä
+
-
Korvaavat tuotteet
Nro
#
Tuotenumero
03211-04208-000
Nimike
VILKUN RUUVI
Hinta
1,60 €
Määrä
+
-
Nro
#7
Tuotenumero
35627-43010-000
Nimike
GASKET,TURN SIGNAL SCREW
Hinta
2,65 €
Määrä
+
-
Nro
#8
Tuotenumero
09320-15002-000
Nimike
CUSHION
Hinta
7,25 €
Määrä
+
-
Nro
#9
Tuotenumero
09160-10501-000
Nimike
WASHER
Hinta
2,80 €
Määrä
+
-
Nro
#10
Tuotenumero
08321-01107-000
Nimike
WASHER LOCK
Hinta
2,20 €
Määrä
+
-
Nro
#11
Tuotenumero
08310-00107-000
Nimike
MUTTERI M10 14 MM AVAIN
Hinta
2,50 €
Lisätiedot
Määrä
+
-
Korvaavat tuotteet
Nro
#
Tuotenumero
08310-0010B-000
Nimike
MUTTERI M10 14 MM AVAIN MUSTA
Hinta
2,50 €
Määrä
+
-
Nro
#13
Tuotenumero
35611-49230-000
Nimike
VILKUN KROMIKEHYS
Hinta
16,40 €
Määrä
+
-
Nro
#14
Tuotenumero
35652-44182-000
Nimike
VILKUNLASI
Hinta
19,65 €
Määrä
+
-
Nro
#14
Tuotenumero
38610-06F00-000
Nimike
VILKKURELE SUZUKI
Hinta
68,70 €
Määrä
+
-
Nro
#15
Tuotenumero
35613-49230-000
Nimike
GASKET,TURN SIGNAL LENS
Hinta
7,10 €
Määrä
+
-
Nro
#16
Tuotenumero
FL-6671
Nimike
VILKKUPOLTIN 12V 21W BA15S
Hinta
4,55 €
Määrä
+
-
Nro
#17
Tuotenumero
03211-04207-000
Nimike
SCREW
Hinta
1,60 €
Lisätiedot
Määrä
+
-
Korvaavat tuotteet
Nro
#
Tuotenumero
03211-04208-000
Nimike
VILKUN RUUVI
Hinta
1,60 €
Määrä
+
-
Nro
#18
Tuotenumero
35627-43010-000
Nimike
GASKET,TURN SIGNAL SCREW
Hinta
2,65 €
Määrä
+
-
Nro
#19
Tuotenumero
09320-15004-000
Nimike
CUSHION
Hinta
7,00 €
Määrä
+
-
Nro
#19
Tuotenumero
09320-15002-000
Nimike
CUSHION
Hinta
7,25 €
Määrä
+
-
Nro
#20
Tuotenumero
09160-10501-000
Nimike
WASHER
Hinta
2,80 €
Määrä
+
-
Nro
#21
Tuotenumero
08321-01107-000
Nimike
WASHER LOCK
Hinta
2,20 €
Määrä
+
-
Nro
#22
Tuotenumero
08310-00107-000
Nimike
MUTTERI M10 14 MM AVAIN
Hinta
2,50 €
Lisätiedot
Määrä
+
-
Korvaavat tuotteet
Nro
#
Tuotenumero
08310-0010B-000
Nimike
MUTTERI M10 14 MM AVAIN MUSTA
Hinta
2,50 €
Määrä
+
-
Nro
#23
Tuotenumero
35620-34201-000
Nimike
VILKUN KIINIKE
Hinta
17,75 €
Määrä
+
-
Nro
#24
Tuotenumero
35640-34201-000
Nimike
VILKUN KIINIKE
Hinta
17,75 €
Määrä
+
-