NÄYTÄ TUOTEKATEGORIAT

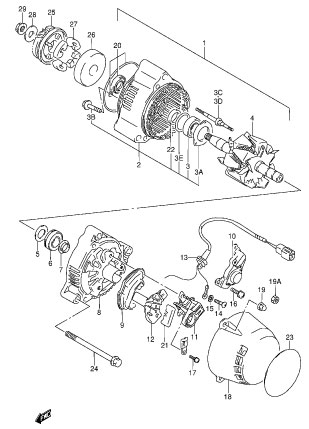
32-Laturi, GSX 600 F J - T 88-96, 600 cc, Suzuki-varaosa luettelot

600 cc