Kirjaudu
Kirjaudu sisään
Nakkilan pyörä ja mopo
Tuotekategoriat
Etusivu
Varaosaluettelot
Tarvikkeet
Varusteet
Tarjoukset
Ajoneuvot
Huolto
Yhteydenotto
Varaosa luettelot
Suzuki
650 cc
GR 650 XE 1982-84
0-Tiivisteet
01-Venttiilikopan kansi
02-Sylinterin kansi
03-Sylinteri
04-Lohkot
05-Sivuposket
06-Öljyn suodin, öljypohja
07-Kampiakseli
08-Tasapaino akseli
09-Käynnistin
10-Nokka-akseli, venttiilit
11-Nokkaketju
12-Kaasutin
13-Ilmansuodatin
14-Pakoputkisto
15-Kytkin
16-Vaihteisto
17-Vaihteensiirtimet
18-Starttimoottori
19-Mangneetto
20-Sytytysosat
21-Akku
22-Sytytysosia
23-Mittaristo
24-Etuvalo
25-Etuvalo
26-Etuvalo
27-Etuvalo
28-Vilkut
29-Vilkut
30-Vilkut
31-Vilkut
32-Takavalo
33-Takavalo
34-Takavalo
35-Takavalo
36-Takavalo
37-Takavalo
38-Johtosarja
39-Runko
40-Seisontajalka
41-Jarrupoljin
42-Jalkatapit
43-Tankki
44-Tankki
45-Tankki
46-Tankki
47-Hana, pa-mittarin anturi
48-Istuin
49-Sivukotelot
50-Sivukotelot
51-Sivukotelot
52-Sivukotelot
53-Etujousitus
54-Etuhaarukan kolmiot
55-Etujousitus
56-Etuhaarukan kolmiot
57-Etulokari
58-Etupyörä
59-Etupyörä
60-Ohjaintanko
61-Kaasukahva
62-Kytkinkahva
63-Etujarru
64-Etujarrun sylinteri
65-Jarruletku
66-Takahaarukka
67-Takaiskari
68-Takajousituksen linkut
69-Takalokari
70-Takapyörä
71-Takapyörä
72-Lisävarusteet
73-Tarvikkeet
Varaosat tuoteryhmittäin
Tarvikkeet
Tarjoukset
Varusteet
Ajoneuvot
NÄYTÄ TUOTEKATEGORIAT
NPM.FI
Varaosa luettelot
Suzuki
650 cc
GR 650 XE 1982-84
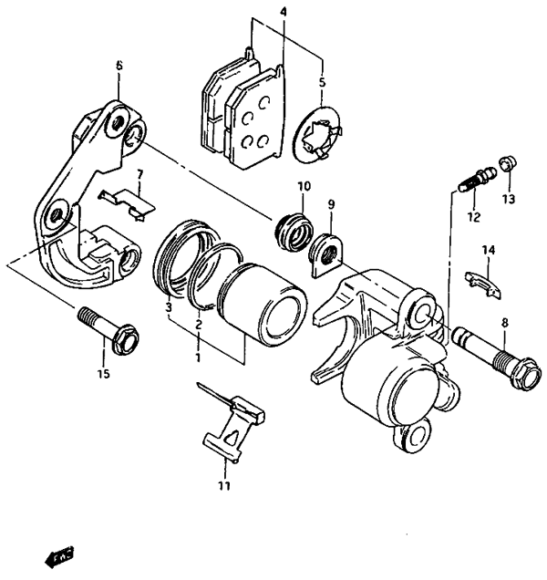
63-Etujarru
63-Etujarru, GR 650 XE 1982-84 , 650 cc, Suzuki-varaosa luettelot
Näytä suurempana
Nro
#4
Tuotenumero
59300-49850-000
Nimike
PAD SET(ASB)
Hinta
55,25 €
Määrä
+
-
Nro
#4
Tuotenumero
FD0047BA
Nimike
JARRUPALA ACTIVE ORGANIC
Hinta
29,50 €
Lisätiedot
Määrä
+
-
Korvaavat tuotteet
Nro
#
Tuotenumero
VD-324
Nimike
J-PALA GR650,GS650,GSX1100 ETU
Hinta
29,50 €
Määrä
+
-
Nro
#5
Tuotenumero
59371-49000-000
Nimike
JARRUPALOJEN KIINN. OSA
Hinta
6,75 €
Määrä
+
-
Nro
#7
Tuotenumero
59316-49001-000
Nimike
GUIDE,PAD
Hinta
5,65 €
Määrä
+
-
Nro
#8
Tuotenumero
59305-49001-000
Nimike
JARRUSATULAN AKSELI 49000
Hinta
32,70 €
Määrä
+
-
Nro
#9
Tuotenumero
59317-49000-000
Nimike
JARRUOSA
Hinta
17,65 €
Määrä
+
-
Nro
#11
Tuotenumero
59315-49000-000
Nimike
SPRING,PAD
Hinta
10,95 €
Määrä
+
-
Nro
#12
Tuotenumero
59121-34020-000
Nimike
BREATHER
Hinta
15,60 €
Määrä
+
-
Nro
#14
Tuotenumero
59324-49000-000
Nimike
COVER,INDICATOR
Hinta
6,60 €
Määrä
+
-
Nro
#15
Tuotenumero
09103-10019-000
Nimike
BOLT 10X37
Hinta
3,35 €
Määrä
+
-