Kirjaudu
Kirjaudu sisään
Nakkilan pyörä ja mopo
Tuotekategoriat
Etusivu
Varaosaluettelot
Tarvikkeet
Varusteet
Tarjoukset
Ajoneuvot
Huolto
Yhteydenotto
Varaosa luettelot
Suzuki
650 cc
GS 650 Kardaani
01-Venttiilikoppa
02-Sylinterikansi, imukurkku
03-Sylinteriryhmä, alatiiviste
04-Moottorilohkot
05-Moottorinposket oik.+vas.
06-öljynsuodatin, öljypohja
07-Kampikoneisto, männät
08-Starttikytkin, -rattaat
09-Nokka-akselit, venttiilikoneisto
10-Nokkaketju, -kiristin, -laahaimet
11-Kaasuttimet
12-Ilmansuodatinkotelo, -suodatin
13-Pakoputkisto
14-Kytkin
15-Vaihteisto
16-Kulmavaihde
17-Vaihteensiirto
18-Kardaani, vetopyörästö
19-Käynnistinmoottori
20-Vauhtipyörä, alakäämi
21-CDI, sytytys
22-Akku, akkukotelo
23-Sytytyspuolat, lataussäädin, käynnistinrele
24-Mittaristo, -vaijerit
25-Etulyhty
26-Suuntavalot
27-Takalyhty
28-Johtosarja, virtalukko
29-Runko
30-Seisontatuet
31-Takajarrupoljin
32-Jalkatapit, -kannakkeet
33-Polttoainesäiliö, -merkit
34-Polttoainehana, pa-määrän tunnistin
35-Istuin, tavarateline
36-Takakate
37-Sivuposket, -merkit
38-Etujousitus
39-Ohjauspylväs, ohjauslaakerit
40-Etulokasuoja, etulyhdyn koppa
41-Etupyörä, etujarrulevy, nop.mitt.pyörijä
42-Ohjaustanko, vaijerit, peilit
43-Oik.ohj.tangon katkaisin, jarruvipu, kaasukahva
44-Vas.ohj.tangon katkaisin, kytkinvipu, kahvarunko
45-Etujarrusatula, -kannake
46-Etujarruletkut
47-Etujarrusylinteri
48-Takahaarukka, takaiskunvaimentajat
49-Takalokasuoja
50-Takapyörä, takajarrulevy
51-Takajarrusatula
52-Takajarruletku
53-Takajarrusylinteri, -säiliö
54-Voiteluaineet, tiivisteliimat
Varaosat tuoteryhmittäin
Tarvikkeet
Tarjoukset
Varusteet
Ajoneuvot
NÄYTÄ TUOTEKATEGORIAT
NPM.FI
Varaosa luettelot
Suzuki
650 cc
GS 650 Kardaani
21-CDI, sytytys
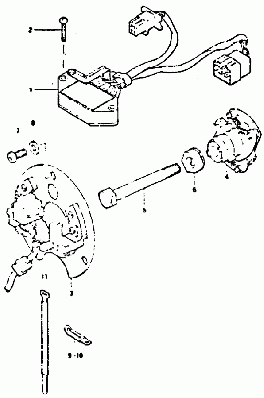
21-CDI, sytytys, GS 650 Kardaani , 650 cc, Suzuki-varaosa luettelot
Näytä suurempana
Nro
#1
Tuotenumero
32900-34210-000
Nimike
CDI-YKSIKKÖ GS650 Z/D/X
Hinta
625,60 €
Määrä
+
-
Nro
#2
Tuotenumero
02112-0625A-000
Nimike
RISTIKANTARUUVI 6X25 PIENIPK.
Hinta
2,15 €
Lisätiedot
Määrä
+
-
Korvaavat tuotteet
Nro
#
Tuotenumero
02112-06255-000
Nimike
RISTIKANTARUUVI 6 X 25 MM
Hinta
2,15 €
Määrä
+
-
Nro
#3
Tuotenumero
33110-34220-000
Nimike
SIGNAL GENERATOR ASSY
Hinta
263,05 €
Lisätiedot
Määrä
+
-
Korvaavat tuotteet
Nro
#
Tuotenumero
33110-34210-000
Nimike
SIGNAL GENERATOR
Hinta
263,05 €
Määrä
+
-
Nro
#3
Tuotenumero
33110-09X50-000
Nimike
GENERATOR ASSY
Hinta
226,70 €
Lisätiedot
Määrä
+
-
Korvaavat tuotteet
Nro
#
Tuotenumero
33110-09300-000
Nimike
SIGNAL GENERATOR
Hinta
250,50 €
Määrä
+
-
Nro
#
Tuotenumero
33110-31311-000
Nimike
SYT.YKS.POHJALEVY MYYRIS
Hinta
250,50 €
Määrä
+
-
Nro
#4
Tuotenumero
33120-34210-000
Nimike
SYTYTYS PYÖRIJÄ
Hinta
185,40 €
Määrä
+
-
Nro
#5
Tuotenumero
01500-0865B-000
Nimike
BOLT
Hinta
3,85 €
Määrä
+
-
Nro
#6
Tuotenumero
33465-47000-000
Nimike
WASHER,CONTACT BREAKER SHAFT
Hinta
21,25 €
Määrä
+
-
Nro
#7
Tuotenumero
09125-05024-000
Nimike
SCREW 5X12
Hinta
2,90 €
Määrä
+
-
Nro
#8
Tuotenumero
09160-05028-000
Nimike
WASHER 5.5X10X0.8
Hinta
1,55 €
Lisätiedot
Määrä
+
-
Korvaavat tuotteet
Nro
#
Tuotenumero
09160-05E02-000
Nimike
WASHER
Hinta
0,50 €
Määrä
+
-
Nro
#9
Tuotenumero
09404-08420-000
Nimike
CLAMP
Hinta
3,45 €
Lisätiedot
Määrä
+
-
Korvaavat tuotteet
Nro
#
Tuotenumero
09404-08401-000
Nimike
CLAMP
Hinta
3,85 €
Määrä
+
-
Nro
#9
Tuotenumero
09404-06432-000
Nimike
KIINIKEPANTA
Hinta
2,50 €
Lisätiedot
Määrä
+
-
Korvaavat tuotteet
Nro
#
Tuotenumero
09404-06039-000
Nimike
CLAMP
Hinta
2,50 €
Määrä
+
-
Nro
#
Tuotenumero
09404-06401-000
Nimike
VAIJERIN PIDIN
Hinta
2,25 €
Määrä
+
-
Nro
#
Tuotenumero
09404-06422-000
Nimike
CLAMP
Hinta
2,80 €
Määrä
+
-
Nro
#10
Tuotenumero
09404-08420-000
Nimike
CLAMP
Hinta
3,45 €
Lisätiedot
Määrä
+
-
Korvaavat tuotteet
Nro
#
Tuotenumero
09404-08401-000
Nimike
CLAMP
Hinta
3,85 €
Määrä
+
-
Nro
#11
Tuotenumero
09407-18301-000
Nimike
CLAMP
Hinta
3,05 €
Lisätiedot
Määrä
+
-
Korvaavat tuotteet
Nro
#
Tuotenumero
09407-18302-000
Nimike
CLAMP
Hinta
5,25 €
Määrä
+
-