Kirjaudu
Kirjaudu sisään
Nakkilan pyörä ja mopo
Tuotekategoriat
Etusivu
Varaosaluettelot
Tarvikkeet
Varusteet
Tarjoukset
Ajoneuvot
Huolto
Yhteydenotto
Varaosa luettelot
Suzuki
750 cc
GSX 750 80-81
0-Tiivisteet ja kulutusosat
01-Venttiilikoppa
02-Sylinterinkansi
03-Sylinteri
04-Moottorin lohkot
05-Moottorin sivukopat
06-Öljypohja, suodin
07-Kampiakseli
08-Startti
09-Nokka-akseli
10-Nokkaketju
11-Kaasuttimet
12-Ilmansuodin
13-Pakoputkisto
14-Kytkin
15-Vaihteisto
16-Vaihteensiirtimet
17-Starttimoottori
18-Laturi
19-Sytytys laitteet
20-Akku
21-Mittaristo
24-Etuvalo
25-Etuvalo
26-Vilkut
27-Vilkut
28-Vilkut
31-Vilkut
33-Takavalo
38-Puolat, tasasuuntaaja
39-Johtosarja
40-Runko
41-Jarrupoljin, sivujalka
42-Jarrupoljin, sivujalka
43-Jalkatapit
44-Tankki
45-Tankki
46-Tankki
47-Tankki
48-Tankki
49-Polttoainehana
50-Polttoainehana
51-Istuin
52-Takakoppa
53-Takakoppa
54-Takakoppa
55-Takakoppa
56-Sivukopat
57-Sivukopat
58-Sivukopat
59-Sivukopat
60-Sivukopat
61-Etujousitus
62-Etujousitus
63-Etujousitus
64-Etujousitus
65-Etuhaarukan kolmiot
66-Etulokari,lyhdyn koppa
67-Etulokari,lyhdyn koppa
68-Etupyörä
69-Etupyörä
70-Ohjaintanko
71-Kaasukahva
72-Kaasukahva
73-Kytkinkahva
74-Kytkinkahva
75-Etujarru
76-Jarrupurintin, säiliö
77-Jarruletkut
78-Takahaarukka
79-Takajousitus
80-Takalokari
81-Lokarin jatke
82-Takapyörä
83-Takapyörä
84-Takajarru
85-Jarruletku
86-Jarrusylinteri, säiliö
87-Tarvikkeet
Varaosat tuoteryhmittäin
Tarvikkeet
Tarjoukset
Varusteet
Ajoneuvot
NÄYTÄ TUOTEKATEGORIAT
NPM.FI
Varaosa luettelot
Suzuki
750 cc
GSX 750 80-81
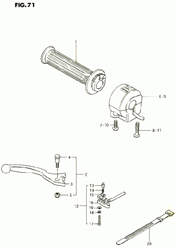
71-Kaasukahva
71-Kaasukahva, GSX 750 80-81, 750 cc, Suzuki-varaosa luettelot
Näytä suurempana
Nro
#1
Tuotenumero
57110-44011-000
Nimike
GRIP,THROTTLE
Hinta
39,85 €
Määrä
+
-
Nro
#2
Tuotenumero
57420-49101-000
Nimike
ETUJARRUVIPU (57300-49100-000)
Hinta
36,40 €
Lisätiedot
Määrä
+
-
Korvaavat tuotteet
Nro
#
Tuotenumero
E33170492
Nimike
JARRUVIPU SUZUKI GN 250 85- 9
Hinta
16,65 €
Määrä
+
-
Nro
#3
Tuotenumero
57420-49101-000
Nimike
ETUJARRUVIPU (57300-49100-000)
Hinta
36,40 €
Lisätiedot
Määrä
+
-
Korvaavat tuotteet
Nro
#
Tuotenumero
E33170492
Nimike
JARRUVIPU SUZUKI GN 250 85- 9
Hinta
16,65 €
Määrä
+
-
Nro
#4
Tuotenumero
57431-18621-000
Nimike
BOLT,LEVER PIVOT
Hinta
10,95 €
Lisätiedot
Määrä
+
-
Korvaavat tuotteet
Nro
#
Tuotenumero
57431-25310-000
Nimike
BOLT,LEVER PIVOT
Hinta
6,95 €
Määrä
+
-
Nro
#5
Tuotenumero
08319-2106A-000
Nimike
NUT VZR1800/K6
Hinta
2,55 €
Lisätiedot
Määrä
+
-
Korvaavat tuotteet
Nro
#
Tuotenumero
08319-21065-000
Nimike
MUTTERI
Hinta
2,50 €
Määrä
+
-
Nro
#
Tuotenumero
08319-21068-000
Nimike
MUTTERI
Hinta
2,50 €
Määrä
+
-
Nro
#6
Tuotenumero
37200-45221-000
Nimike
KATKAISIN OIKEA
Hinta
126,95 €
Lisätiedot
Määrä
+
-
Korvaavat tuotteet
Nro
#
Tuotenumero
37200-34221-000
Nimike
KATKAISIJA GS 450-750
Hinta
144,75 €
Määrä
+
-
Nro
#
Tuotenumero
37200-34420-000
Nimike
KATKAISIN OIKEA
Hinta
139,10 €
Määrä
+
-
Nro
#7
Tuotenumero
02112-05257-000
Nimike
RUUVI 5X25
Hinta
1,75 €
Määrä
+
-
Nro
#9
Tuotenumero
37200-45221-000
Nimike
KATKAISIN OIKEA
Hinta
126,95 €
Lisätiedot
Määrä
+
-
Korvaavat tuotteet
Nro
#
Tuotenumero
37200-34221-000
Nimike
KATKAISIJA GS 450-750
Hinta
144,75 €
Määrä
+
-
Nro
#
Tuotenumero
37200-34420-000
Nimike
KATKAISIN OIKEA
Hinta
139,10 €
Määrä
+
-
Nro
#10
Tuotenumero
02112-05257-000
Nimike
RUUVI 5X25
Hinta
1,75 €
Määrä
+
-
Nro
#12
Tuotenumero
57460-45500-000
Nimike
JARRUVALOKYTKIN ETUJARRUUN
Hinta
49,00 €
Lisätiedot
Määrä
+
-
Korvaavat tuotteet
Nro
#
Tuotenumero
57460-49300-000
Nimike
SWITCH ASSY,STOP
Hinta
35,55 €
Määrä
+
-
Nro
#14
Tuotenumero
57465-18601-000
Nimike
JARRUVALOKATKAISIMEN OSA
Hinta
6,75 €
Määrä
+
-
Nro
#15
Tuotenumero
57481-33010-000
Nimike
THRMINAL BACE C
Hinta
7,50 €
Määrä
+
-
Nro
#15
Tuotenumero
57465-18601-000
Nimike
JARRUVALOKATKAISIMEN OSA
Hinta
6,75 €
Määrä
+
-
Nro
#16
Tuotenumero
57481-33010-000
Nimike
THRMINAL BACE C
Hinta
7,50 €
Määrä
+
-
Nro
#17
Tuotenumero
09125-03105-000
Nimike
SCREW
Hinta
2,20 €
Määrä
+
-
Nro
#18
Tuotenumero
09162-03001-000
Nimike
WASHER,LOCK
Hinta
1,85 €
Määrä
+
-
Nro
#19
Tuotenumero
08322-01037-000
Nimike
WASHER
Hinta
2,45 €
Määrä
+
-
Nro
#20
Tuotenumero
09407-12402-000
Nimike
CLAMP
Hinta
3,45 €
Määrä
+
-