Kirjaudu
Kirjaudu sisään
Nakkilan pyörä ja mopo
Tuotekategoriat
Etusivu
Varaosaluettelot
Tarvikkeet
Varusteet
Tarjoukset
Ajoneuvot
Huolto
Yhteydenotto
Varaosa luettelot
Suzuki
750 cc
GSX-750 FY vm.2000 ( 1999-2001)
01-Tiivisteet
02-Venttiilikoppa
03-Sylinterin kansi
04-Sylinteri
05-Lohkot
06-Moottorin posket
07-Öljypohja
08-Öljynsuodin
09-Kampikoneisto, männät
10-Starttikytkin
11-Venttiilikoneisto
12-Nokkaketju
13-Kaasuttimet
14-Kaasuttimet II
15-Ilmansuodin
16-Pakoputkisto
17-Öljynlauhdutin
18-Öljynlauhdutin putket
19-Kytkin
20-Vaihteisto
21-Vaihteensiirto
22-Starttimoottori
23-Laturi
24-Sähköosat
25-Akku
26-Sytytyspuolat
27-Mittaristo
28-Mittaristo II
29-Mittaristo III
30-Etuvalo
31-Etuvalo II
32-Etuvalo III
33-Etuvalo IV
34-Vilkut
35-Takavalo
36-Takavalo
37-Johtosarja
38-Johtosarja
39-Katkaisimet, kahvat
40-Katkaisimet, kahvat
41-Runko
42-Jarrupoljin, seisontajalka
43-Jalkatapit
44-Jalkatapit
45-Jalkatapit
46-Tankki
47-Tankki
48-Tankki
49-Hana, mittarin anturi
50-Sivupaneelit
51-Sivupaneelit
52-Sivupaneelit
53-Sivupaneelit
54-Sivupaneelit
55-Etulokari
56-Etulokari
57-Vaijerit, ohj.tanko
58-Kytkinvipu
59-Takalokari
60-Takalokari
61-Etukate
62-Etukate
63-Etukate
64-Etukate
65-Etukate
66-Etukate
67-Etukate
68-Alakate
69-Alakate
70-Alakate
71-Ohjetarrat
72-Ohjetarrat
73-Ohjetarrat
74-Ohjetarrat
75-Ohjetarrat
76-Istuin
77-Istuin
78-Istuin
79-Etujousitus
80-Etujousitus
81-Haarukan kolmiot
82-Haarukan kolmiot
83-Etupyörä
84-Etupyörä
85-Etujarru
86-Jarruletkut
87-Jarrunestesäiliö
88-Takahaarukka
89-Takajousitus
90-Takapyörä
91-Takajarru
92-Takajarrusäiliö
93-Tarvikkeet
Varaosat tuoteryhmittäin
Tarvikkeet
Tarjoukset
Varusteet
Ajoneuvot
NÄYTÄ TUOTEKATEGORIAT
NPM.FI
Varaosa luettelot
Suzuki
750 cc
GSX-750 FY vm.2000 ( 1999-2001)
89-Takajousitus
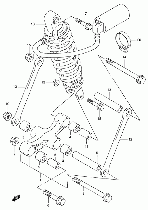
89-Takajousitus, GSX-750 FY vm.2000 ( 1999-2001), 750 cc, Suzuki-varaosa luettelot
Näytä suurempana
Nro
#1
Tuotenumero
62600-08810-000
Nimike
LEVER SET GSX600F/W-
Hinta
355,05 €
Määrä
+
-
Nro
#2
Tuotenumero
09263-20073-000
Nimike
LAAKERI 20X27X29 TAKAHAARUKKA
Hinta
26,30 €
Lisätiedot
Määrä
+
-
Korvaavat tuotteet
Nro
#
Tuotenumero
09263-20121-000
Nimike
ROLLER BEARING 20X27X30
Hinta
29,20 €
Määrä
+
-
Nro
#3
Tuotenumero
09263-20071-000
Nimike
NEULALAAKERI 20X27X23
Hinta
33,20 €
Määrä
+
-
Nro
#4
Tuotenumero
09263-17034-000
Nimike
NEULALAAKERI JOUSIT. GSX 600
Hinta
31,55 €
Lisätiedot
Määrä
+
-
Korvaavat tuotteet
Nro
#
Tuotenumero
09263-17057-000
Nimike
BEARING.17X24X26
Hinta
35,15 €
Määrä
+
-
Nro
#5
Tuotenumero
09180-14014-000
Nimike
SPACER,14X20X34
Hinta
13,00 €
Määrä
+
-
Nro
#6
Tuotenumero
09103-14012-000
Nimike
BOLT,L:62
Hinta
7,75 €
Määrä
+
-
Nro
#7
Tuotenumero
08319-3114A-000
Nimike
MUTTERI VZR1800/K6
Hinta
10,10 €
Lisätiedot
Määrä
+
-
Korvaavat tuotteet
Nro
#
Tuotenumero
08319-31148-000
Nimike
NUT 14MM
Hinta
9,70 €
Määrä
+
-
Nro
#8
Tuotenumero
62317-40C10-000
Nimike
SPACER,REAR CUSHION ROD
Hinta
34,10 €
Määrä
+
-
Nro
#9
Tuotenumero
62658-40C10-000
Nimike
SHAFT,RR CUSHION ROD
Hinta
26,40 €
Määrä
+
-
Nro
#10
Tuotenumero
08319-3114A-000
Nimike
MUTTERI VZR1800/K6
Hinta
10,10 €
Lisätiedot
Määrä
+
-
Korvaavat tuotteet
Nro
#
Tuotenumero
08319-31148-000
Nimike
NUT 14MM
Hinta
9,70 €
Määrä
+
-
Nro
#11
Tuotenumero
62684-40A10-000
Nimike
SPACER,RR CUSHION LEVER
Hinta
13,25 €
Määrä
+
-
Nro
#12
Tuotenumero
62641-08F00-000
Nimike
ROD RR CUHSION GSX600F/W-
Hinta
28,30 €
Määrä
+
-
Nro
#13
Tuotenumero
62317-40C10-000
Nimike
SPACER,REAR CUSHION ROD
Hinta
34,10 €
Määrä
+
-
Nro
#14
Tuotenumero
62658-40C10-000
Nimike
SHAFT,RR CUSHION ROD
Hinta
26,40 €
Määrä
+
-
Nro
#15
Tuotenumero
08319-3114A-000
Nimike
MUTTERI VZR1800/K6
Hinta
10,10 €
Lisätiedot
Määrä
+
-
Korvaavat tuotteet
Nro
#
Tuotenumero
08319-31148-000
Nimike
NUT 14MM
Hinta
9,70 €
Määrä
+
-
Nro
#16
Tuotenumero
62100-08FA1-000
Nimike
SHOCK ABSORBER GSX750F/K1-
Hinta
1 757,45 €
Määrä
+
-
Nro
#17
Tuotenumero
09103-10213-000
Nimike
BOLT,10X52
Hinta
5,75 €
Määrä
+
-
Nro
#18
Tuotenumero
09103-10086-000
Nimike
BOLT GSX750F/K1-
Hinta
6,60 €
Määrä
+
-
Nro
#19
Tuotenumero
08319-3110B-000
Nimike
NUT GSX-R600/K6-
Hinta
4,10 €
Määrä
+
-
Nro
#20
Tuotenumero
09402-50511-000
Nimike
CLAMP
Hinta
11,65 €
Määrä
+
-