Kirjaudu
Kirjaudu sisään
Nakkilan pyörä ja mopo
Tuotekategoriat
Etusivu
Varaosaluettelot
Tarvikkeet
Varusteet
Tarjoukset
Ajoneuvot
Huolto
Yhteydenotto
Varaosa luettelot
Suzuki
750 cc
GSX R750 J/K/L 1988-1990
01-Venttiilikopankansi J/K
02-Venttiilikopankansi L
03-Sylinterin kansi J/K
04-Sylinterin kansi L
05-Sylinteri J/K
06-Sylinteri L
07-Lohkot J/K
08-Lohkot
09-Moottorin posket
10-Öljypohja J/K
11-Öljypohja L
12-Öljypumppu- suodatin
13-Kampiakseli, männät J/K
14-Kampiakseli , männät L
15-Starttikytkin
16-Nokka-akseli, venttiilit J/K
17-Nokka-akseli, venttiilit L
18-Nokkaketju J/K
19-Nokkaketju L
20-Kaasuttimet J/K
21-Kaasuttimen kiinitys J/K
22-Kaasuttimet L
23-Kaasuttimen kiinitys L
24-Ilmansuodatin J/K
25-Ilmansuodatin L
26-Pakoputkisto J
27-Pakoputkisto K
28-Pakoputkisto L
29-Öljynlauhdutin
30-Öljynlauhdutin
31-Sar system
32-Sar system
33-Kytkin J/K
34-Kytkin L
35-Vaihteisto
36-Vaihteensiirto
37-Starttimoottori
38-Laturi
39-Sytytys osat
40-Akku
41-Sytytyspuolat
42-Mittaristo
43-Mittaristo
44-Etuvalo
45-Etuvalo
46-Takavalo
47-Johtosarja J/K
48-Johtosarja L
49-Runko
50-Jarrupoljin , sivujalka
51-Jalkatapit J/K
52-Jalkatapit L
53-Tankki J
54-Tankki K
55-Tankki L
56-Polttoaine hana
57-Istuin J/K
58-Istuin L
59-Takakoppa J
60-Takakoppa K
61-Takakoppa L
62-Sivupaneelit J
63-Sivupaneelit K
64-Sivupaneelit L
65-Etujousitus J
66-Etujousitus K
67-Etujousitus L
68-Etuhaarukan kolmiot J/K
69-Etuhaarukan kolmiot L
70-Etulokari J
71-Etulokari K
72-Etulokari L
73-Etupyörä J/K
74-Etupyörä L
75-Ohjaintanko J/K
76-Ohjaintanko L
77-Kahvat J/K
78-Kahvat L
79-Etujarru J/K
80-Etujarru L
81-Etujarru letkusto J/K
82-Etujarruletkusto L
83-Jarrupuristin J/K
84-Jarrupuristin L
85-Takahaarukka J/K
86-Takahaarukka L
87-Takajousitus J/K
88-Takajousitus
89-Takalokari J/K
90-Takalokari L
91-Takapyörä J/K
92-Takapyörä L
93-Takajarru
94-Takajarru puristin J/K
95-Takajarru puristin L
96-Etukate J
97-Etukate J
98-Etukate J
99-Etukate K
100-Etukate K
101-Etukate K
102-Etukate L
103-Etukate L
104-Tarvikkeet
105-Etuvalo J/K
106-Vilkut
107-Ohjausiskari
Varaosat tuoteryhmittäin
Tarvikkeet
Tarjoukset
Varusteet
Ajoneuvot
NÄYTÄ TUOTEKATEGORIAT
NPM.FI
Varaosa luettelot
Suzuki
750 cc
GSX R750 J/K/L 1988-1990
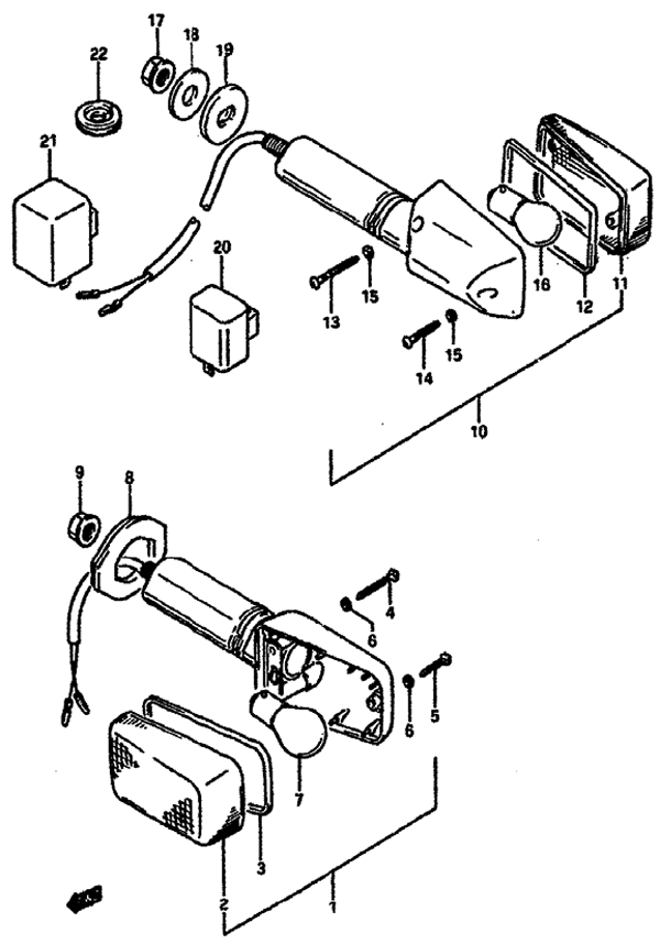
106-Vilkut
106-Vilkut, GSX R750 J/K/L 1988-1990, 750 cc, Suzuki-varaosa luettelot
Näytä suurempana
Nro
#1
Tuotenumero
35601-01D10-000
Nimike
VASEN ETUVILKKU GSX R 750/1100
Hinta
62,80 €
Määrä
+
-
Nro
#2
Tuotenumero
35612-17C20-000
Nimike
VILKUNLASI
Hinta
11,10 €
Määrä
+
-
Nro
#11
Tuotenumero
35652-17C20-000
Nimike
VILKUNLASI
Hinta
11,10 €
Määrä
+
-