Kirjaudu
Kirjaudu sisään
Nakkilan pyörä ja mopo
Tuotekategoriat
Etusivu
Varaosaluettelot
Tarvikkeet
Varusteet
Tarjoukset
Ajoneuvot
Huolto
Yhteydenotto
Varaosa luettelot
Yamaha ATV / mönkijät
700 cc
YFM700R 2006
0-Tiivisteet, kulutusosat
1-Sylinterinkansi
2-Sylinteri
3-Kampiakseli, mäntä
4-Venttiilit
5-Nokkaketju
6-Vesipumppu
7-Jäähdytin
8-Öljypumppu
9-Ilmansuodatin
10-Kaasuläpänrunko
11-Pakoputki
12-Kampikammio
13-Sivukopat
14-Käynnistin kytkin
15-Kytkin
16-Vaihteisto
17-Vaihteensiirto
18-Runko
19-Etulokari
20-Takalokarit
21-Öljysäiliö
22-Takahaarukka
23-Takajousitus
24-Ohjausakseli
25-Etujousitus
26-Tankki
27-Istuin
28-Etupyöräy
29-Etujarrusylinteri
30-Takapyörät
31-Takajarru
32-Ohjaintanko
33-Etujarrusylinteri
34-Jalkatapit
35-Takajarrusylinteri
36-Tukirauta
37-Laturi
38-Starttimoottori
39-Etuvalo
40-Takavalo
41-Takavalo II
42-Katkaisimet
43-Sähköosat
44-Heijastimet
47-Merkit
Varaosat tuoteryhmittäin
Tarvikkeet
Tarjoukset
Varusteet
Ajoneuvot
NÄYTÄ TUOTEKATEGORIAT
NPM.FI
Varaosa luettelot
Yamaha ATV / mönkijät
700 cc
YFM700R 2006
44-Heijastimet
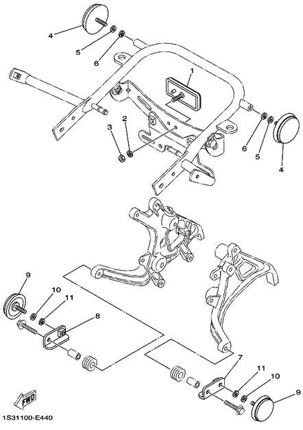
44-Heijastimet, YFM700R 2006, 700 cc, Yamaha ATV / mönkijät -varaosa luettelot
Näytä suurempana
Nro
#1
Tuotenumero
3Y6851300200
Nimike
HEIJASTIN DT125R -91
Hinta
24,40 €
Määrä
+
-
Nro
#2
Tuotenumero
929070510000
Nimike
WASHER(3SX)
Hinta
0,70 €
Määrä
+
-
Nro
#3
Tuotenumero
953170560000
Nimike
MUTTERI
Hinta
1,80 €
Määrä
+
-