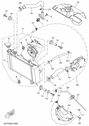
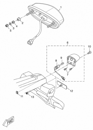
MT125 A 2018, MT 125 Mallisto, 125 cc Rekisteröitävät mallit, Yamaha -varaosa luettelot
Tyyppi BR36 