Kirjaudu
Kirjaudu sisään
Nakkilan pyörä ja mopo
Tuotekategoriat
Etusivu
Varaosaluettelot
Tarvikkeet
Varusteet
Tarjoukset
Ajoneuvot
Huolto
Yhteydenotto
Varaosa luettelot
Yamaha
125 cc Rekisteröitävät mallit
YZF 125 Mallit
YZF R125
A1-Arrow pakoputkisto 2008-2013
A0-Arrow pakoputkisto 2014- alk.
00-Tiivisteet, kulutus osat
01-Sylinteri, Sylinterin kansi
02-Kampiakseli
03-Venttiilit
04-Nokkaketju
05-Vesipumppu
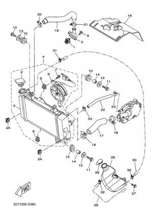
06-Jäähdytin
07-Öljypumppu
08-Ilmansuodin
09-Pakoputkisto
10-Lohkot
11-Sivukopat
12-Starttikytkin
13-Kytkin
14-Vaihteisto
15-Vaihteensiirto
16-Vaihdepoljin
17-Runko
18-Takarunko
19-Sivupaneelit
20-Takahaarukka
21-Takajousitus
22-Haarukan kolmiot
23-Etujousitus
24-Tankki
25-Istuin
26-Etupyörä
27-Etujarru
28-Takapyörä
29-Takajarru
30-Vaijerit, ohjaintanko
31-Etujarru sylinteri
32-Jalkatapit
33-Takajarru sylinteri
34-Sivukatteet
35-Etukate
36-Laturi
37-Starttimoottori
38-Vilkut
39-Mittaristo
40-Etuvalo
41-Takavalo
42-Katkaisimet
43-Lukkosarja, akku
44-Sähköosat
Varaosat tuoteryhmittäin
Tarvikkeet
Tarjoukset
Varusteet
Ajoneuvot
NÄYTÄ TUOTEKATEGORIAT
NPM.FI
Varaosa luettelot
Yamaha
125 cc Rekisteröitävät mallit
YZF 125 Mallit
YZF R125
YZF R125, YZF 125 Mallit, 125 cc Rekisteröitävät mallit, Yamaha -varaosa luettelot
A1-Arrow pakoputkisto 2008-2013
A0-Arrow pakoputkisto 2014- alk.
00-Tiivisteet, kulutus osat
01-Sylinteri, Sylinterin kansi
02-Kampiakseli
03-Venttiilit
04-Nokkaketju
05-Vesipumppu
06-Jäähdytin
07-Öljypumppu
08-Ilmansuodin
09-Pakoputkisto
10-Lohkot
11-Sivukopat
12-Starttikytkin
13-Kytkin
14-Vaihteisto
15-Vaihteensiirto
16-Vaihdepoljin
17-Runko
18-Takarunko
19-Sivupaneelit
20-Takahaarukka
21-Takajousitus
22-Haarukan kolmiot
23-Etujousitus
24-Tankki
25-Istuin
26-Etupyörä
27-Etujarru
28-Takapyörä
29-Takajarru
30-Vaijerit, ohjaintanko
31-Etujarru sylinteri
32-Jalkatapit
33-Takajarru sylinteri
34-Sivukatteet
35-Etukate
36-Laturi
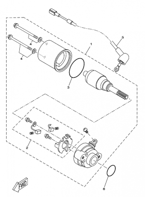
37-Starttimoottori
38-Vilkut
39-Mittaristo
40-Etuvalo
41-Takavalo
42-Katkaisimet
43-Lukkosarja, akku
44-Sähköosat