Kirjaudu
Kirjaudu sisään
Nakkilan pyörä ja mopo
Tuotekategoriat
Etusivu
Varaosaluettelot
Tarvikkeet
Varusteet
Tarjoukset
Ajoneuvot
Huolto
Yhteydenotto
Varaosa luettelot
Yamaha
1600 cc
XV1600A 1999
0-Tiivisteet
1-Sylinterin kansi
2-Sylinteri
3-Kampiakseli,männät
4-Venttiilit
5-Nokka-akseli
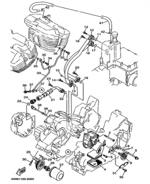
6-Öljy pumppu
7-Ilmanotto
8-Kaasuttimet
9-Pakoputkisto
10-Lohkot
11-Sivukopat
12-Starttikytkin
13-Kytkin
14-Vaihteisto
15-Kulmavaihde
16-Vaihteensiirto
17-Vaihdepolkimen akseli
18-Runko
19-Lokasuojat
20-Sivupaneelit
21-Takahaarukka, jousitus
22-Ohjanilaakerit
23-Etujousitus
24-Tankki
25-Istuin
26-Etupyörä
27-Etujarru
28-Takapyörä
29-Takajarru
30-Ohjaintanko
31-Etujarrusylinteri
32-Jalkatapit
33-Takajarrusylinteri
34-Laturi
35-Vilkut
36-Mittaristo
37-Etuvalo
38-Takavalo
39-Katkaisimet
40-Sähköosat 1
41-Sähköosat 2
Varaosat tuoteryhmittäin
Tarvikkeet
Tarjoukset
Varusteet
Ajoneuvot
NÄYTÄ TUOTEKATEGORIAT
NPM.FI
Varaosa luettelot
Yamaha
1600 cc
XV1600A 1999
XV1600A 1999, 1600 cc, Yamaha -varaosa luettelot
TYYPPI 5JA1
0-Tiivisteet
1-Sylinterin kansi
2-Sylinteri
3-Kampiakseli,männät
4-Venttiilit
5-Nokka-akseli
6-Öljy pumppu
7-Ilmanotto
8-Kaasuttimet
9-Pakoputkisto
10-Lohkot
11-Sivukopat
12-Starttikytkin
13-Kytkin
14-Vaihteisto
15-Kulmavaihde
16-Vaihteensiirto
17-Vaihdepolkimen akseli
18-Runko
19-Lokasuojat
20-Sivupaneelit
21-Takahaarukka, jousitus
22-Ohjanilaakerit
23-Etujousitus
24-Tankki
25-Istuin
26-Etupyörä
27-Etujarru
28-Takapyörä
29-Takajarru
30-Ohjaintanko
31-Etujarrusylinteri
32-Jalkatapit
33-Takajarrusylinteri
34-Laturi
35-Vilkut
36-Mittaristo
37-Etuvalo
38-Takavalo
39-Katkaisimet
40-Sähköosat 1
41-Sähköosat 2