Kirjaudu
Kirjaudu sisään
Nakkilan pyörä ja mopo
Tuotekategoriat
Etusivu
Varaosaluettelot
Tarvikkeet
Varusteet
Tarjoukset
Ajoneuvot
Huolto
Yhteydenotto
Varaosa luettelot
Yamaha
250 cc Offroad
YZ 250 2011
0-Tiivisteet
A-Acerbis muovit
1-Sylinteri. Kansi
2-Pakosäädin
3-Kampiakseli, mäntä
4-Vesipumppu
5-Jäähdytin
6-Ilmansuodin
7-Kaasutin
8-Pakopuykisto
9-Lohkot
10-Sivukopat
11-Käynnistin
12-Kytkin
13-Vaihteisto
14-Vaihteensiirto
15-Vaihteen siirto II
16-Runko
17-Lokasuojat
18-Sivupaneelit
19-Takahaarukka
20-Takaiskari
21-Haarukan kolmio
22-Etujousitus
23-Tankki
24-Istuin
25-Etupyörä
26-Etujarru
27-Takapyörä
28-Takajarru
29-Ohjaintanko
30-Etujarrusylinteri
31-Jalkatapit
32-Takajarrusylinteri
33-Magneetto
34-Ohjaintanko
35-Sähköosat
36-Jousituksen lisäosat
37-Mäntä , kiertokanki
Varaosat tuoteryhmittäin
Tarvikkeet
Tarjoukset
Varusteet
Ajoneuvot
NÄYTÄ TUOTEKATEGORIAT
NPM.FI
Varaosa luettelot
Yamaha
250 cc Offroad
YZ 250 2011
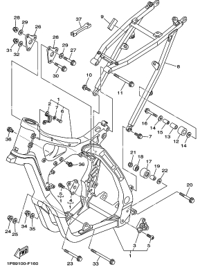
16-Runko
16-Runko, YZ 250 2011, 250 cc Offroad, Yamaha -varaosa luettelot
Näytä suurempana
Nro
#1
Tuotenumero
1P8211015000
Nimike
FRONT FRAME COMP.
Hinta
4 280,00 €
Määrä
+
-
Nro
#2
Tuotenumero
1C3213360000
Nimike
CLAMP,WIREHARNESS2
Hinta
8,00 €
Määrä
+
-
Nro
#3
Tuotenumero
1C3214471000
Nimike
BRACKET,FOOTREST
Hinta
56,70 €
Määrä
+
-
Nro
#4
Tuotenumero
1C3214481000
Nimike
BRACKET,FOOTREST
Hinta
55,15 €
Määrä
+
-
Nro
#5
Tuotenumero
901491003300
Nimike
SCREW
Hinta
5,90 €
Määrä
+
-
Nro
#6
Tuotenumero
970040501200
Nimike
KTS UUSI NRO 970020501200
Hinta
1,65 €
Määrä
+
-
Nro
#7
Tuotenumero
929040560000
Nimike
UUSI NRO 929900560000
Hinta
0,95 €
Määrä
+
-
Nro
#8
Tuotenumero
1C3211909000
Nimike
REARFRAMECOMP
Hinta
610,70 €
Lisätiedot
Määrä
+
-
Korvaavat tuotteet
Nro
#
Tuotenumero
1C3211900000
Nimike
UUSI NRO 1C3211909000
Hinta
610,70 €
Määrä
+
-
Nro
#9
Tuotenumero
5GJ217170000
Nimike
DAMPER
Hinta
4,05 €
Määrä
+
-
Nro
#10
Tuotenumero
901050808500
Nimike
BOLT,FLANGE
Hinta
5,55 €
Määrä
+
-
Nro
#11
Tuotenumero
901050813200
Nimike
BOLT,FLANGE
Hinta
3,75 €
Määrä
+
-
Nro
#12
Tuotenumero
30X221780000
Nimike
TENSIONER
Hinta
18,40 €
Määrä
+
-
Nro
#13
Tuotenumero
4V4221840000
Nimike
BUSH
Hinta
4,10 €
Määrä
+
-
Nro
#14
Tuotenumero
902010804500
Nimike
WASHER,PLATE
Hinta
5,40 €
Määrä
+
-
Nro
#15
Tuotenumero
903870804100
Nimike
COLLAR
Hinta
3,50 €
Määrä
+
-
Nro
#16
Tuotenumero
950220804000
Nimike
BOLT,FLANGE
Hinta
0,70 €
Määrä
+
-
Nro
#17
Tuotenumero
3JD221782000
Nimike
TENSIONER
Hinta
18,40 €
Lisätiedot
Määrä
+
-
Korvaavat tuotteet
Nro
#
Tuotenumero
3JD221781000
Nimike
KTS UUSI NRO 3JD221782000
Hinta
18,40 €
Määrä
+
-
Nro
#18
Tuotenumero
933006083900
Nimike
BEARING
Hinta
13,85 €
Lisätiedot
Määrä
+
-
Korvaavat tuotteet
Nro
#
Tuotenumero
6082RS
Nimike
LAAKERI 08X22X7 2RS
VESISUOJATTU
Hinta
8,00 €
Lisätiedot
Määrä
+
-
Lisätiedot
:
VESISUOJATTU
Nro
#19
Tuotenumero
90387086N400
Nimike
COLLAR
Hinta
5,45 €
Määrä
+
-
Nro
#20
Tuotenumero
901050813300
Nimike
BOLT,FLANGE
Hinta
2,50 €
Määrä
+
-
Nro
#21
Tuotenumero
901850800900
Nimike
UUSI NRO 956170810000
Hinta
5,65 €
Määrä
+
-
Nro
#22
Tuotenumero
902010804300
Nimike
WASHER,PLATE
Hinta
1,10 €
Määrä
+
-
Nro
#23
Tuotenumero
901051017200
Nimike
BOLT, FLANGE
Hinta
9,30 €
Määrä
+
-
Nro
#24
Tuotenumero
957041050000
Nimike
NUT FLANGE
Hinta
1,80 €
Määrä
+
-
Nro
#25
Tuotenumero
929021020000
Nimike
UUSI NRO 929901020000
Hinta
1,75 €
Lisätiedot
Määrä
+
-
Korvaavat tuotteet
Nro
#
Tuotenumero
929901020000
Nimike
WASHER, PLAIN
Hinta
1,75 €
Määrä
+
-
Nro
#26
Tuotenumero
5NX214250000
Nimike
BRACKET, REAR UPPER 1
Hinta
24,25 €
Määrä
+
-
Nro
#27
Tuotenumero
901050813100
Nimike
BOLT, FLANGE
Hinta
4,15 €
Määrä
+
-
Nro
#28
Tuotenumero
901790867400
Nimike
NUT
Hinta
3,00 €
Määrä
+
-
Nro
#29
Tuotenumero
902010805500
Nimike
WASHER, PLATE
Hinta
0,95 €
Määrä
+
-
Nro
#30
Tuotenumero
901051017300
Nimike
BOLT, FLANGE
Hinta
4,60 €
Määrä
+
-
Nro
#31
Tuotenumero
957041050000
Nimike
NUT FLANGE
Hinta
1,80 €
Määrä
+
-
Nro
#32
Tuotenumero
929021020000
Nimike
UUSI NRO 929901020000
Hinta
1,75 €
Lisätiedot
Määrä
+
-
Korvaavat tuotteet
Nro
#
Tuotenumero
929901020000
Nimike
WASHER, PLAIN
Hinta
1,75 €
Määrä
+
-
Nro
#33
Tuotenumero
901051017400
Nimike
BOLT,FLANGE
Hinta
11,40 €
Määrä
+
-
Nro
#34
Tuotenumero
957041050000
Nimike
NUT FLANGE
Hinta
1,80 €
Määrä
+
-
Nro
#35
Tuotenumero
929021020000
Nimike
UUSI NRO 929901020000
Hinta
1,75 €
Lisätiedot
Määrä
+
-
Korvaavat tuotteet
Nro
#
Tuotenumero
929901020000
Nimike
WASHER, PLAIN
Hinta
1,75 €
Määrä
+
-
Nro
#36
Tuotenumero
1C3212441000
Nimike
KTS UUSI NRO 1C3212442000
Hinta
12,55 €
Lisätiedot
Määrä
+
-
Korvaavat tuotteet
Nro
#
Tuotenumero
1C3212442000
Nimike
NUT
Hinta
12,55 €
Määrä
+
-
Nro
#37
Tuotenumero
5ET281661000
Nimike
WRENCH,HEXAGON
Hinta
43,70 €
Lisätiedot
Määrä
+
-
Korvaavat tuotteet
Nro
#
Tuotenumero
5ET281660000
Nimike
KTS UUSI NRO 5ET281661000
Hinta
43,70 €
Määrä
+
-