Kirjaudu
Kirjaudu sisään
Nakkilan pyörä ja mopo
Tuotekategoriat
Etusivu
Varaosaluettelot
Tarvikkeet
Varusteet
Tarjoukset
Ajoneuvot
Huolto
Yhteydenotto
Varaosa luettelot
Yamaha
80 cc
YZ80 1993 Täyd. luettelo
0-Tiivisteet
1-Sylinteri, kansi
2-Kampiakseli
3-Vesipumppu
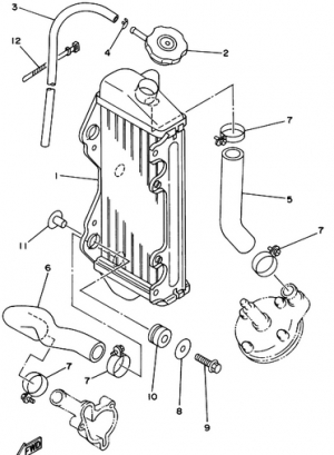
4-Jäähdytin
5-Ilmanotto
6-Kaasutin
7-Pakoputkisto
8-Lohkot
9-Sivukopat
10-Käynnistin
11-Kytkin
12-Vaihteisto
13-Vaihteensiirto
14-Vaihdepoljin, akseli
15-Runko
16-Lokasuojat
17-Sivupaneelit, ilmanohjain
18-Takahaarukka
19-Takajousitus
20-Ohjainlaakerit
21-Etujousitus
22-Tankki
23-Istuin
24-Etupyörä
25-Etujarru
26-Takapyörä
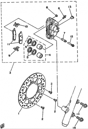
27-Takajarru
28-Ohjaintanko
29-Etujarrusylinteri
30-Jalkatapit
31-Takajarru sylinteri
32-Magneetto
33-Kahvat
34-Sähköosat
35-Lisäosat
36-Korjaus-sarjat
Varaosat tuoteryhmittäin
Tarvikkeet
Tarjoukset
Varusteet
Ajoneuvot
NÄYTÄ TUOTEKATEGORIAT
NPM.FI
Varaosa luettelot
Yamaha
80 cc
YZ80 1993 Täyd. luettelo
YZ80 1993 Täyd. luettelo, 80 cc, Yamaha -varaosa luettelot
0-Tiivisteet
1-Sylinteri, kansi
2-Kampiakseli
3-Vesipumppu
4-Jäähdytin
5-Ilmanotto
6-Kaasutin
7-Pakoputkisto
8-Lohkot
9-Sivukopat
10-Käynnistin
11-Kytkin
12-Vaihteisto
13-Vaihteensiirto
14-Vaihdepoljin, akseli
15-Runko
16-Lokasuojat
17-Sivupaneelit, ilmanohjain
18-Takahaarukka
19-Takajousitus
20-Ohjainlaakerit
21-Etujousitus
22-Tankki
23-Istuin
24-Etupyörä
25-Etujarru
26-Takapyörä
27-Takajarru
28-Ohjaintanko
29-Etujarrusylinteri
30-Jalkatapit
31-Takajarru sylinteri
32-Magneetto
33-Kahvat
34-Sähköosat
35-Lisäosat
36-Korjaus-sarjat