Kirjaudu
Kirjaudu sisään
Nakkilan pyörä ja mopo
Tuotekategoriat
Etusivu
Varaosaluettelot
Tarvikkeet
Varusteet
Tarjoukset
Ajoneuvot
Huolto
Yhteydenotto
Varaosa luettelot
Yamaha
85 - 90 cc
YZ-85 2018
0-Tiivisteet
1-Sylinteri
2-Kampiakseli
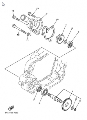
3-Vesipumppu
4-Jäähdytin
5-Ilmansuodin
6-Kaasutin
7-Pakoputkisto
8-Lohkot
9-Moottorin posket
10-Käynnistys
11-Kytkin
12-Vaihteisto
13-Vaihteensiirto
14-Vaihdepoljin, akseli
15-Runko
16-Lokasuojat
17-Sivupaneelit
18-Takahaarukka
19-Takaiskari
20-Ohjainlaakerit
21-Etuhaarukka
22-Tankki
23-Istuin
24-Etupyörä
25-Etujarru
26-Takapyörä
27-Takajarru
28-Ohjaintanko
29-Etujarru puristin
30-Jalkatapit, jarrupoljin
31-Takajarru sylinteri
32-Magneetto
33-Kahva, katkaisin
34-Sähköosat
35-Jousituksen lisäosat
36-Extraosat
YZ-85 2002-
Varaosat tuoteryhmittäin
Tarvikkeet
Tarjoukset
Varusteet
Ajoneuvot
NÄYTÄ TUOTEKATEGORIAT
NPM.FI
Varaosa luettelot
Yamaha
85 - 90 cc
YZ-85 2018
YZ-85 2018, 85 - 90 cc, Yamaha -varaosa luettelot
TYYPPI 1SPK
0-Tiivisteet
1-Sylinteri
2-Kampiakseli
3-Vesipumppu
4-Jäähdytin
5-Ilmansuodin
6-Kaasutin
7-Pakoputkisto
8-Lohkot
9-Moottorin posket
10-Käynnistys
11-Kytkin
12-Vaihteisto
13-Vaihteensiirto
14-Vaihdepoljin, akseli
15-Runko
16-Lokasuojat
17-Sivupaneelit
18-Takahaarukka
19-Takaiskari
20-Ohjainlaakerit
21-Etuhaarukka
22-Tankki
23-Istuin
24-Etupyörä
25-Etujarru
26-Takapyörä
27-Takajarru
28-Ohjaintanko
29-Etujarru puristin
30-Jalkatapit, jarrupoljin
31-Takajarru sylinteri
32-Magneetto
33-Kahva, katkaisin
34-Sähköosat
35-Jousituksen lisäosat
36-Extraosat
YZ-85 2002-