NÄYTÄ TUOTEKATEGORIAT

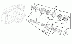
RX 50 Racing 2003 - 2005, 50 cc Vaihteelliset mallit, Aprilia-varaosa luettelot

Minarelli AM6 moottorilla