NÄYTÄ TUOTEKATEGORIAT

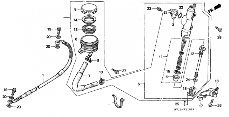
F11-Takajarru pääsylinteri, XRV 750 Y 2000 AFRICA TWIN, 750 cc, Honda-varaosa luettelot

750 cc
43310-MAY-F01
Nro#1
Tuotenumero43310-MAY-F01

Nimike43310-MAY-F01

Hinta 0,00 €
Määrä
CONNECTOR
Nro#3
Tuotenumero43503-MS8-006

NimikeCONNECTOR

Hinta 17,30 €
Määrä
TIIVISTE
Nro#4
Tuotenumero43504-MB2-006

NimikeTIIVISTE

Hinta 11,60 €
Määrä
43510-MY1-305
Nro#5
Tuotenumero43510-MY1-305

Nimike43510-MY1-305

Hinta 0,00 €
Määrä
CUP COMP.,OIL (NI
Nro#6
Tuotenumero43511-MR7-016

NimikeCUP COMP.,OIL (NI

Hinta 49,20 €
Määrä
43512-MY1-006
Nro#7
Tuotenumero43512-MY1-006

Nimike43512-MY1-006

Hinta 0,00 €
Määrä
CAP,OILCUP
Nro#8
Tuotenumero43513-MY1-006

NimikeCAP,OILCUP

Hinta 36,10 €
Määrä
CLAMPER,MASTER CY
Nro#9
Tuotenumero43514-KS6-701

NimikeCLAMPER,MASTER CY

Hinta 13,85 €
Määrä
CLAMPER,MASTER CY
Nro#10
Tuotenumero43514-MN9-006

NimikeCLAMPER,MASTER CY

Hinta 11,55 €
Määrä
TAKAJARRUN KORJ SRJ XL 600V TR
Nro#11
TuotenumeroV839100705

NimikeTAKAJARRUN KORJ SRJ XL 600V TR

Honda XR R - 250 cc - years: 1996 -...

Hinta 52,05 €
Määrä
Lisätiedot:

Honda XR R - 250 cc - years: 1996 - 1997 Post. Original reference 43520-MB2-305
Honda CB-1 - 400 cc - years: 1989 - 1990 Post. Original reference 43520-MB2-305
Honda CBF - 500 cc - years: 2004 - 2008 Post. Original reference 43520-MB2-305
Honda CBF - 500 cc - years: 2004 - 2008 Post. Versione con ABS Original reference 43520-MB2-305
Honda CB F Hornet - 600 cc - years: 1998 - 1999 Post. Original reference 43520-MB2-305
Honda CB F Hornet - 600 cc - years: 2000 - 2006 Post. Original reference 43520-MB2-305
Honda CB F Hornet S - 600 cc - years: 2000 - 2002 Post. Original reference 43520-MB2-305
Honda CBF N - 600 cc - years: 2004 - 2007 Post. Original reference 43520-MB2-305
Honda CBF N - 600 cc - years: 2004 - 2007 Post. Versione con ABS Original reference 43520-MB2-305
Honda CBF N - 600 cc - years: 2008 - 2010 Post. Original reference 43520-MB2-305
Honda CBF S - 600 cc - years: 2004 - 2007 Post. Original reference 43520-MB2-305
Honda CBF S - 600 cc - years: 2004 - 2007 Post. Versione con ABS Original reference 43520-MB2-305
Honda CBF S - 600 cc - years: 2008 - 2010 Post.
Honda CBR F - 600 cc - years: 1995 - 1998 Post. Original reference 43520-MB2-305
Honda CBR F - 600 cc - years: 1999 - 2000 Post. Original reference 43520-MB2-305
Honda CBR F - 600 cc - years: 2001 - 2006 Post. Original reference 43520-MB2-305
Honda CBR F Sport - 600 cc - years: 2001 - 2002 Post. Original reference 43520-MB2-305
Honda CBR RR - 600 cc - years: 2007 - 2010 Post. Original reference 43520-MB2-305
Honda CBR RR - 600 cc - years: 2009 - 2010 Post. Versione con ABS Original reference 43520-MB2-305
Honda XL V Transalp - 600 cc - years: 1991 - 1993 Post. Original reference 43520-MB2-305
Honda XL V Transalp - 600 cc - years: 1994 - 1996 Post. Original reference 43520-MB2-305
Honda XL V Transalp - 600 cc - years: 1997 - 1999 Post. Original reference 43520-MB2-305
Honda FMX - 650 cc - years: 2005 - 2007 Post. Original reference 43520-MB2-305
Honda NT V Deauville - 650 cc - years: 1998 - 2001 Post. Original reference 43520-MB2-305
Honda XL V Transalp - 650 cc - years: 2001 - 2007 Post. Original reference 43520-MB2-305
Honda XRV Africa Twin - 650 cc - years: 1988 - 1990 Post. Original reference 43520-MB2-305
Honda XL V Transalp - 700 cc - years: 2008 - 2010 Post. Original reference 43520-MB2-305
Honda CBX F - 750 cc - years: 1984 - 1986 Post. Original reference 43520-MB2-305
Honda RVF R - 750 cc - years: 1994 - 1997 Post. Original reference 43520-MB2-305
Honda VF F Interceptor - 750 cc - years: 1983 - 1984 Post. Original reference 43520-MB2-305
Honda VFR R - 750 cc - years: 1988 - 1993 Post. Original reference 43520-MB2-305
Honda XRV Africa Twin - 750 cc - years: 1990 - 2003 Post. Original reference 43520-MB2-305
Honda CB F - 1000 cc - years: 1993 - 1996 Post. Original reference 43520-MB2-305
Honda CBF - 1000 cc - years: 2006 - 2009 Post. Original reference 43520-MB2-305
Honda CBR RR Fireblade - 1000 cc - years: 2006 - 2013 Post. Original reference 43520-MB2-305
Honda CBR RR Fireblade - 1000 cc - years: 2006 - 2013 Post. Versione con ABS Original reference 43520-MB2-305
Honda VF Bol d'Or - 1000 cc - years: 1985 - 1985 Post. Original reference 43520-MB2-305
Honda VF F - 1000 cc - years: 1984 - 1985 Post. Original reference 43520-MB2-305
Honda VTR F Firestorm - 1000 cc - years: 1997 - 2006 Post. Original reference 43520-MB2-305
Honda VTR SP1 - 1000 cc - years: 2000 - 2001 Post. Original reference 43520-MB2-305
Honda VTR SP2 - 1000 cc - years: 2002 - 2006 Post. Original reference 43520-MB2-305
Honda CB A - 1300 cc - years: 2005 - 2009 Post. Anche versione con ABS Original reference 43520-MB2-305
Honda CB A - 1300 cc - years: 2010 - 2013 Post. Versione con ABS Original reference 43520-MB2-305
Honda VT C - 1300 cc - years: 2010 - 2015 Post. Original reference 43520-MB2-305
Honda GL Valkyrie - 1500 cc - years: 1997 - 2003 Post. Original reference 43520-MB2-305
Honda Quad TRX EX Sportrax - 400 cc - years: 2000 - 2008 Post. Original reference 43520-MB2-305


PISTON SET,MC
Nro#11
Tuotenumero43520-MB2-315

NimikePISTON SET,MC

Hinta 82,90 €
Määrä

Korvaavat tuotteet
UUSI NO 43520-MB2-315
Nro#
Tuotenumero43520-MB2-305

NimikeUUSI NO 43520-MB2-315

Hinta 82,90 €
Määrä
TAKAJARRUN KORJ SRJ XL 600V TR
Nro#
TuotenumeroV839100705

NimikeTAKAJARRUN KORJ SRJ XL 600V TR

Honda XR R - 250 cc - years: 1996 -...

Hinta 52,05 €
Määrä
Lisätiedot:

Honda XR R - 250 cc - years: 1996 - 1997 Post. Original reference 43520-MB2-305
Honda CB-1 - 400 cc - years: 1989 - 1990 Post. Original reference 43520-MB2-305
Honda CBF - 500 cc - years: 2004 - 2008 Post. Original reference 43520-MB2-305
Honda CBF - 500 cc - years: 2004 - 2008 Post. Versione con ABS Original reference 43520-MB2-305
Honda CB F Hornet - 600 cc - years: 1998 - 1999 Post. Original reference 43520-MB2-305
Honda CB F Hornet - 600 cc - years: 2000 - 2006 Post. Original reference 43520-MB2-305
Honda CB F Hornet S - 600 cc - years: 2000 - 2002 Post. Original reference 43520-MB2-305
Honda CBF N - 600 cc - years: 2004 - 2007 Post. Original reference 43520-MB2-305
Honda CBF N - 600 cc - years: 2004 - 2007 Post. Versione con ABS Original reference 43520-MB2-305
Honda CBF N - 600 cc - years: 2008 - 2010 Post. Original reference 43520-MB2-305
Honda CBF S - 600 cc - years: 2004 - 2007 Post. Original reference 43520-MB2-305
Honda CBF S - 600 cc - years: 2004 - 2007 Post. Versione con ABS Original reference 43520-MB2-305
Honda CBF S - 600 cc - years: 2008 - 2010 Post.
Honda CBR F - 600 cc - years: 1995 - 1998 Post. Original reference 43520-MB2-305
Honda CBR F - 600 cc - years: 1999 - 2000 Post. Original reference 43520-MB2-305
Honda CBR F - 600 cc - years: 2001 - 2006 Post. Original reference 43520-MB2-305
Honda CBR F Sport - 600 cc - years: 2001 - 2002 Post. Original reference 43520-MB2-305
Honda CBR RR - 600 cc - years: 2007 - 2010 Post. Original reference 43520-MB2-305
Honda CBR RR - 600 cc - years: 2009 - 2010 Post. Versione con ABS Original reference 43520-MB2-305
Honda XL V Transalp - 600 cc - years: 1991 - 1993 Post. Original reference 43520-MB2-305
Honda XL V Transalp - 600 cc - years: 1994 - 1996 Post. Original reference 43520-MB2-305
Honda XL V Transalp - 600 cc - years: 1997 - 1999 Post. Original reference 43520-MB2-305
Honda FMX - 650 cc - years: 2005 - 2007 Post. Original reference 43520-MB2-305
Honda NT V Deauville - 650 cc - years: 1998 - 2001 Post. Original reference 43520-MB2-305
Honda XL V Transalp - 650 cc - years: 2001 - 2007 Post. Original reference 43520-MB2-305
Honda XRV Africa Twin - 650 cc - years: 1988 - 1990 Post. Original reference 43520-MB2-305
Honda XL V Transalp - 700 cc - years: 2008 - 2010 Post. Original reference 43520-MB2-305
Honda CBX F - 750 cc - years: 1984 - 1986 Post. Original reference 43520-MB2-305
Honda RVF R - 750 cc - years: 1994 - 1997 Post. Original reference 43520-MB2-305
Honda VF F Interceptor - 750 cc - years: 1983 - 1984 Post. Original reference 43520-MB2-305
Honda VFR R - 750 cc - years: 1988 - 1993 Post. Original reference 43520-MB2-305
Honda XRV Africa Twin - 750 cc - years: 1990 - 2003 Post. Original reference 43520-MB2-305
Honda CB F - 1000 cc - years: 1993 - 1996 Post. Original reference 43520-MB2-305
Honda CBF - 1000 cc - years: 2006 - 2009 Post. Original reference 43520-MB2-305
Honda CBR RR Fireblade - 1000 cc - years: 2006 - 2013 Post. Original reference 43520-MB2-305
Honda CBR RR Fireblade - 1000 cc - years: 2006 - 2013 Post. Versione con ABS Original reference 43520-MB2-305
Honda VF Bol d'Or - 1000 cc - years: 1985 - 1985 Post. Original reference 43520-MB2-305
Honda VF F - 1000 cc - years: 1984 - 1985 Post. Original reference 43520-MB2-305
Honda VTR F Firestorm - 1000 cc - years: 1997 - 2006 Post. Original reference 43520-MB2-305
Honda VTR SP1 - 1000 cc - years: 2000 - 2001 Post. Original reference 43520-MB2-305
Honda VTR SP2 - 1000 cc - years: 2002 - 2006 Post. Original reference 43520-MB2-305
Honda CB A - 1300 cc - years: 2005 - 2009 Post. Anche versione con ABS Original reference 43520-MB2-305
Honda CB A - 1300 cc - years: 2010 - 2013 Post. Versione con ABS Original reference 43520-MB2-305
Honda VT C - 1300 cc - years: 2010 - 2015 Post. Original reference 43520-MB2-305
Honda GL Valkyrie - 1500 cc - years: 1997 - 2003 Post. Original reference 43520-MB2-305
Honda Quad TRX EX Sportrax - 400 cc - years: 2000 - 2008 Post. Original reference 43520-MB2-305


43530-MY1-006
Nro#12
Tuotenumero43530-MY1-006

Nimike43530-MY1-006

Hinta 0,00 €
Määrä
DIAPHRAGH
Nro#13
Tuotenumero45520-300-000

NimikeDIAPHRAGH

Hinta 12,50 €
Määrä
PLATE,DIAPHRAGM
Nro#14
Tuotenumero45521-MJ6-006

NimikePLATE,DIAPHRAGM

Hinta 9,00 €
Määrä

Korvaavat tuotteet
UUSI NO 45521-MJ6-006
Nro#
Tuotenumero45521-300-010

NimikeUUSI NO 45521-MJ6-006

Hinta 9,00 €
Määrä
CIRCLIP, MC.
Nro#15
Tuotenumero46182-500-013

NimikeCIRCLIP, MC.

Hinta 3,50 €
Määrä
46502-MY1-930
Nro#16
Tuotenumero46502-MY1-930

Nimike46502-MY1-930

Hinta 0,00 €
Määrä
TAPPI
Nro#17
Tuotenumero95015-54000

NimikeTAPPI

Hinta 3,45 €
Määrä
LIITIN
Nro#18
Tuotenumero46504-KV6-702

NimikeLIITIN

Hinta 8,90 €
Määrä
PULTTI
Nro#19
Tuotenumero90145-MS9-612

NimikePULTTI

Hinta 13,25 €
Määrä

Korvaavat tuotteet
UUSI NO 90145-MS9-612
Nro#
Tuotenumero90145-MS9-611

NimikeUUSI NO 90145-MS9-612

Hinta 13,25 €
Määrä
D-TIIVISTE
Nro#20
Tuotenumero90545-300-000

NimikeD-TIIVISTE

Hinta 4,20 €
Määrä
O-RENGAS 14,8 X 2,4
Nro#22
Tuotenumero91212-422-006

NimikeO-RENGAS 14,8 X 2,4

Hinta 7,40 €
Määrä
93893-04012-17
Nro#23
Tuotenumero93893-04012-17

Nimike93893-04012-17

Hinta 0,00 €
Määrä
94002-08000-0S
Nro#24
Tuotenumero94002-08000-0S

Nimike94002-08000-0S

Hinta 0,00 €
Määrä
SOKKA
Nro#25
Tuotenumero94201-20120

NimikeSOKKA

Hinta 1,15 €
Määrä
96300-08025-08
Nro#26
Tuotenumero96300-08025-08

Nimike96300-08025-08

Hinta 0,00 €
Määrä
96300-06014-00
Nro#27
Tuotenumero96300-06014-00

Nimike96300-06014-00

Hinta 0,00 €
Määrä
96300-06016-00
Nro#28
Tuotenumero96300-06016-00

Nimike96300-06016-00

Hinta 0,00 €
Määrä