Kirjaudu
Kirjaudu sisään
Nakkilan pyörä ja mopo
Tuotekategoriat
Etusivu
Varaosaluettelot
Tarvikkeet
Varusteet
Tarjoukset
Ajoneuvot
Huolto
Yhteydenotto
Varaosa luettelot
Suzuki perämoottorit
DT - Tyypin mallit
DT 9.9 F
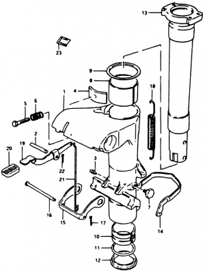
01-Sylinteri
02-Läppäventtiili
03-Kampiakseli
04-Kaasutin
07-Pakokansi
08-Polttoainepumppu
09-Vesipumppu
10-Käynnistin
11-Käynnistin DT9.9 Y
12-Kytkinrumpu
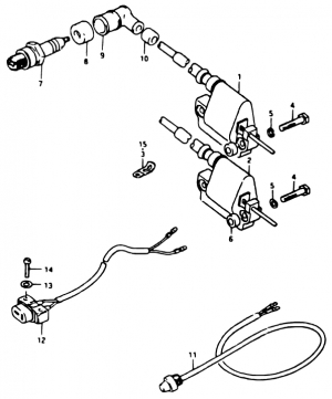
13-Mangneetto C
14-Mangneetto D F
15-Mangneetto D E13
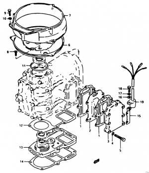
16-Sähköosia C
17-Sähköosia
18-Kiinitys
19-Kääntöalusta
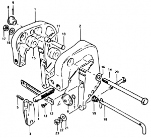
20-Akselinkotelo
21-Vaihteisto
22-Vaihteisto
23-Alempi suojus
24-Moottorikotelo
25-Kahva C D
26-Kahva F
27-Sylínteri
28-Pakokansi
29-Kampiakseli
30-Läppäventtiili
33-Polttoainepumppu
34-Vesipumppu
35-Narukäunnistin
36-Kytkinvipu
37-Starttimoottori
38-Mangneetto 1
39-Mangneetto 2
40-Käynnistys
41-Sähköosia
42-Sähköosia
43-Kiinitys
44-Kääntöalusta
45-Ohjauksen kannatin
46-Akselinkotelo
48-Vaihdelaatikko DT25FE3 DT28F
50-Vaihteisto DT25FE3 DT28F
52-Moottorikotelo DT28F
53-Kahva C , D
54-Kahva F
58-Tankki 4
60-Tankin poistoaukko
61-Polttoaineletku
62-työkalusarja tiivisteet
64-Lisävaruste - sähköosat
69-Lisävaruste DT9.9, DT14, DT16
71-Lisävaruste DT20F, DT25F, DT28F
72-Lisävaruste
Varaosat tuoteryhmittäin
Tarvikkeet
Tarjoukset
Varusteet
Ajoneuvot
Vaihteensiirto
Kampikammio
Kampikammion pultit
Moottorin kopat
Ãljypohja
Kaasu
Polttoainepumppu
Polttoaineen ruiskutus
Ãljypumppu
Laturi
SytytysjÀrjestelmÀ
Starttimoottori
JÀÀhdytin
JÀÀhdytysletkut
Runko
Moottorin kiinnitys
Rungon kiinnikkeet
Takahaarukka
Jousitus
Jalkatapit
Lokasuojat
Lokasuojat
Seisontatuki
Renkaat
EtupyörÀn napa
TakapyörÀn napa
Jarrupoljin
Brake Piping
Etujarrun pÀÀsylinteri
Etujarru
Takajarrun pÀÀsylinteri
Takajarru
Ohjaustanko
Etujousitus
PolttoainesÀiliö
Satula
Satula
Mittaristo
Vaijerit
Sivukatteet
Ajovalo
Takavalo
Vilkut
SÀhköjÀrjestelmÀ
Virtalukko
Työkalut
Tarrat
Tarrat
Tarrat
Tarrat
Tarrat
Tarrat
Tarrat
Tarrat
Etukate
Etukate
Etukate
Etukate
Etukate
Alakatteet
Manual
Sylinterikansi
Venttiili koppa
Sylinteri / mÀntÀ
Ilmanpuhdistin
Pakoputkisto
Venttiilit
Nokka-akseli
Kampiakseli
Balancer
Kytkin
Vaihteisto
Vaihderumpu
Vaihteensiirto
Kampikammio
Kampikammion pultit
Moottorin kopat
Ãljypohja
Kaasu
Polttoainepumppu
Polttoaineen ruiskutus
Ãljypumppu
Laturi
SytytysjÀrjestelmÀ
Starttimoottori
JÀÀhdytin
JÀÀhdytysletkut
Runko
Moottorin kiinnitys
Rungon kiinnikkeet
Takahaarukka
Jousitus
Jalkatapit
Lokasuojat
Lokasuojat
Seisontatuki
Renkaat
EtupyörÀn napa
TakapyörÀn napa
Jarrupoljin
Brake Piping
Etujarrun pÀÀsylinteri
Etujarru
Takajarrun pÀÀsylinteri
Takajarru
Ohjaustanko
Etujousitus
PolttoainesÀiliö
Satula
Mittaristo
Vaijerit
Sivukatteet
Ajovalo
Takavalo
Vilkut
SÀhköjÀrjestelmÀ
Virtalukko
Työkalut
Tarrat
Tarrat
Tarrat
Tarrat
Etukate
Etukate
Alakatteet
Manual
Sylinterikansi
Venttiili koppa
Cylinder / Piston(S)
Ilmanpuhdistin
Muffler(S)
Valve(S)
Camshaft(S) / Tensioner
Kampiakseli
Balancer
Clutch(Gef'-Gff)
Clutch(Ggf)
Vaihteisto
Vaihteisto
Gear Change Drum / Shift Fork(S)
Vaihteensiirto
Kampikammio
Kampikammion pultit
Engine Cover(S)
Ãljypohja
Kaasu
Polttoainepumppu
Polttoaineen ruiskutus
Ãljypumppu
Laturi
SytytysjÀrjestelmÀ
Starttimoottori
JÀÀhdytin
JÀÀhdytysletkut
Runko
Moottorin kiinnitys
Rungon kiinnikkeet
Takahaarukka
Jousitus
Jalkatapit
Front Fender(S)
Rear Fender(S)
Stand(S)
Renkaat
EtupyörÀn napa
TakapyörÀn napa
Jarrupoljin
Brake Piping
Etujarrun pÀÀsylinteri
Etujarru
Takajarrun pÀÀsylinteri
Takajarru
Ohjaustanko
Etujousitus
PolttoainesÀiliö
Satula
Meter(S)
Vaijerit
Sivukatteet
Headlight(S)
Taillight(S)
Vilkut
SÀhköjÀrjestelmÀ
Virtalukko
Owner
Tarrat
Tarrat
Tarrat
Tarrat
Tarrat
Tarrat
Tarrat
Etukate
Etukate
Etukate
Etukate
Alakatteet
Accessory(Engine Slider)
Accessory(Shroud Slider)
Accessory(Meter Cover)
Manual
Sylinterikansi
Venttiili koppa
Cylinder / Piston(S)
Ilmanpuhdistin
Muffler(S)
Valve(S)
Camshaft(S) / Tensioner
Kampiakseli
Balancer
Clutch(Gef'-Gff)
Clutch(Ggf)
Vaihteisto
Vaihteisto
Gear Change Drum / Shift Fork(S)
Vaihteensiirto
Kampikammio
Kampikammion pultit
Engine Cover(S)
Ãljypohja
Kaasu
Polttoainepumppu
Polttoaineen ruiskutus
Ãljypumppu
Laturi
SytytysjÀrjestelmÀ
Starttimoottori
JÀÀhdytin
JÀÀhdytysletkut
Runko
Moottorin kiinnitys
Rungon kiinnikkeet
Takahaarukka
Jousitus
Jalkatapit
Front Fender(S)
Rear Fender(S)
Stand(S)
Renkaat
EtupyörÀn napa
TakapyörÀn napa
Jarrupoljin
Brake Piping
Etujarrun pÀÀsylinteri
Etujarru
Takajarrun pÀÀsylinteri
Takajarru
Ohjaustanko
Etujousitus
PolttoainesÀiliö
Satula
Meter(S)
Vaijerit
Sivukatteet
Headlight(S)
Taillight(S)
Vilkut
SÀhköjÀrjestelmÀ
Virtalukko
Owner
Tarrat
Tarrat
Tarrat
Tarrat
Tarrat
Tarrat
Tarrat
Etukate
Etukate
Etukate
Etukate
Alakatteet
Accessory(Engine Slider)
Accessory(Shroud Slider)
Accessory(Meter Cover)
Manual
Sylinterikansi
Venttiili koppa
Cylinder / Piston(S)
Ilmanpuhdistin
Muffler(S)
Valve(S)
Camshaft(S) / Tensioner
Kampiakseli
Balancer
Clutch(Gef'-Gff)
Clutch(Ggf)
Vaihteisto
Vaihteisto
Gear Change Drum / Shift Fork(S)
Vaihteensiirto
Kampikammio
Kampikammion pultit
Engine Cover(S)
Ãljypohja
Kaasu
Polttoainepumppu
Polttoaineen ruiskutus
Ãljypumppu
Laturi
SytytysjÀrjestelmÀ
Starttimoottori
JÀÀhdytin
JÀÀhdytysletkut
Runko
Moottorin kiinnitys
Rungon kiinnikkeet
Takahaarukka
Jousitus
Jalkatapit
Front Fender(S)
Rear Fender(S)
Stand(S)
Renkaat
EtupyörÀn napa
TakapyörÀn napa
Jarrupoljin
Brake Piping
Etujarrun pÀÀsylinteri
Etujarru
Takajarrun pÀÀsylinteri
Takajarru
Ohjaustanko
Etujousitus
PolttoainesÀiliö
Satula
Meter(S)
Vaijerit
Sivukatteet
Headlight(S)
Taillight(S)
Vilkut
SÀhköjÀrjestelmÀ
Virtalukko
Owner
Tarrat
Tarrat
Tarrat
Tarrat
Tarrat
Tarrat
Tarrat
Etukate
Etukate
Etukate
Etukate
Alakatteet
Accessory(Engine Slider)
Accessory(Shroud Slider)
Accessory(Meter Cover)
Manual
Sylinterikansi
Venttiili koppa
Sylinteri / mÀntÀ
Ilmanpuhdistin
Pakoputkisto
Venttiilit
Nokka-akseli
Kampiakseli
Balancer
Kytkin
Vaihteisto
Vaihderumpu
Vaihteensiirto
Kampikammio
Kampikammion pultit
Moottorin kopat
Ãljypohja
Kaasu
Polttoainepumppu
Polttoaineen ruiskutus
Fuel Evaporative System
Ãljypumppu
Laturi
SytytysjÀrjestelmÀ
Starttimoottori
JÀÀhdytin
JÀÀhdytysletkut
Runko
Moottorin kiinnitys
Rungon kiinnikkeet
Takahaarukka
Jousitus
Jalkatapit
Lokasuojat
Lokasuojat
Seisontatuki
Renkaat
EtupyörÀn napa
TakapyörÀn napa
Jarrupoljin
Brake Piping
Etujarrun pÀÀsylinteri
Etujarru
Takajarrun pÀÀsylinteri
Takajarru
Ohjaustanko
Etujousitus
PolttoainesÀiliö
Satula
Mittaristo
Vaijerit
Sivukatteet
Ajovalo
Takavalo
Vilkut
Vilkut
SÀhköjÀrjestelmÀ
Virtalukko
Työkalut
Tarrat
Tarrat
Tarrat
Tarrat
Etukate
Etukate
Alakatteet
Accessory(Shroud Slider)
Accessory(Meter Cover)
Accessory(Crankcase Ring)
Accessory(Axle Slider)
Manual
Sylinterikansi
Venttiili koppa
Sylinteri / mÀntÀ
Ilmanpuhdistin
Pakoputkisto
Venttiilit
Nokka-akseli
Kampiakseli
Balancer
Kytkin
Vaihteisto
Vaihderumpu
Vaihteensiirto
Kampikammio
Kampikammion pultit
Moottorin kopat
Ãljypohja
Kaasu
Polttoainepumppu
Polttoaineen ruiskutus
Fuel Evaporative System
Ãljypumppu
Laturi
SytytysjÀrjestelmÀ
Starttimoottori
JÀÀhdytin
JÀÀhdytysletkut
Runko
Moottorin kiinnitys
Rungon kiinnikkeet
Takahaarukka
Jousitus
Jalkatapit
Lokasuojat
Lokasuojat
Seisontatuki
Renkaat
EtupyörÀn napa
TakapyörÀn napa
Jarrupoljin
Brake Piping
Etujarrun pÀÀsylinteri
Etujarru
Takajarrun pÀÀsylinteri
Takajarru
Ohjaustanko
Etujousitus
PolttoainesÀiliö
Satula
Mittaristo
Vaijerit
Sivukatteet
Ajovalo
Takavalo
Vilkut
Vilkut
SÀhköjÀrjestelmÀ
Virtalukko
Työkalut
Tarrat
Tarrat
Tarrat
Tarrat
Etukate
Etukate
Alakatteet
Accessory(Shroud Slider)
Accessory(Meter Cover)
Accessory(Crankcase Ring)
Accessory(Axle Slider)
Manual
Sylinterikansi
Venttiili koppa
Sylinteri / mÀntÀ
Ilmanpuhdistin
Pakoputkisto
Venttiilit
Nokka-akseli
Kampiakseli
Balancer
Kytkin
Vaihteisto
Vaihderumpu
Vaihteensiirto
Kampikammio
Kampikammion pultit
Moottorin kopat
Ãljypohja
Kaasu
Polttoainepumppu
Polttoaineen ruiskutus
Fuel Evaporative System
Ãljypumppu
Laturi
SytytysjÀrjestelmÀ
Starttimoottori
JÀÀhdytin
JÀÀhdytysletkut
Runko
Moottorin kiinnitys
Rungon kiinnikkeet
Takahaarukka
Jousitus
Jalkatapit
Lokasuojat
Lokasuojat
Seisontatuki
Renkaat
EtupyörÀn napa
TakapyörÀn napa
Jarrupoljin
Brake Piping
Etujarrun pÀÀsylinteri
Etujarru
Takajarrun pÀÀsylinteri
Takajarru
Ohjaustanko
Etujousitus
PolttoainesÀiliö
Satula
Mittaristo
Vaijerit
Sivukatteet
Ajovalo
Takavalo
Vilkut
Vilkut
SÀhköjÀrjestelmÀ
Virtalukko
Työkalut
Tarrat
Tarrat
Tarrat
Tarrat
Etukate
Etukate
Alakatteet
Accessory(Shroud Slider)
Accessory(Meter Cover)
Accessory(Crankcase Ring)
Accessory(Axle Slider)
Manual
Sylinterikansi
Venttiili koppa
Sylinteri / mÀntÀ
Ilmanpuhdistin
Pakoputkisto
Venttiilit
Nokka-akseli
Kampiakseli
Balancer
Kytkin
Vaihteisto
Vaihderumpu
Vaihteensiirto
Kampikammio
Kampikammion pultit
Moottorin kopat
Ãljypohja
Kaasu
Polttoainepumppu
Polttoaineen ruiskutus
Fuel Evaporative System
Ãljypumppu
Laturi
SytytysjÀrjestelmÀ
Starttimoottori
JÀÀhdytin
JÀÀhdytysletkut
Runko
Moottorin kiinnitys
Rungon kiinnikkeet
Takahaarukka
Jousitus
Jalkatapit
Lokasuojat
Lokasuojat
Seisontatuki
Renkaat
EtupyörÀn napa
TakapyörÀn napa
Jarrupoljin
Brake Piping
Etujarrun pÀÀsylinteri
Etujarru
Takajarrun pÀÀsylinteri
Takajarru
Ohjaustanko
Etujousitus
PolttoainesÀiliö
Satula
Mittaristo
Vaijerit
Sivukatteet
Ajovalo
Takavalo
Vilkut
Vilkut
SÀhköjÀrjestelmÀ
Virtalukko
Työkalut
Tarrat
Tarrat
Tarrat
Tarrat
Etukate
Etukate
Alakatteet
Accessory(Shroud Slider)
Accessory(Meter Cover)
Accessory(Crankcase Ring)
Accessory(Axle Slider)
Manual
Sylinterikansi
Venttiili koppa
Sylinteri / mÀntÀ
Ilmanpuhdistin
Pakoputkisto
Venttiilit
Nokka-akseli
Kampiakseli
Balancer
Kytkin
Vaihteisto
Vaihderumpu
Vaihteensiirto
Kampikammio
Kampikammion pultit
Moottorin kopat
Ãljypohja
Kaasu
Polttoainepumppu
Polttoaineen ruiskutus
Fuel Evaporative System
Ãljypumppu
Laturi
SytytysjÀrjestelmÀ
Starttimoottori
JÀÀhdytin
JÀÀhdytysletkut
Runko
Moottorin kiinnitys
Rungon kiinnikkeet
Takahaarukka
Jousitus
Jalkatapit
Lokasuojat
Lokasuojat
Seisontatuki
Renkaat
EtupyörÀn napa
TakapyörÀn napa
Jarrupoljin
Brake Piping
Etujarrun pÀÀsylinteri
Etujarru
Takajarrun pÀÀsylinteri
Takajarru
Ohjaustanko
Etujousitus
PolttoainesÀiliö
Satula
Mittaristo
Vaijerit
Sivukatteet
Ajovalo
Takavalo
Vilkut
SÀhköjÀrjestelmÀ
Virtalukko
Työkalut
Tarrat
Tarrat
Etukate
Etukate
Alakatteet
Accessory(Shroud Slider)
Accessory(Meter Cover)
Accessory(Crankcase Ring)
Accessory(Axle Slider)
Sylinterikansi
Venttiili koppa
Sylinteri / mÀntÀ
Ilmanpuhdistin
Pakoputkisto
Venttiilit
Nokka-akseli
Kampiakseli
Balancer
Kytkin
Vaihteisto
Vaihderumpu
Vaihteensiirto
Kampikammio
Kampikammion pultit
Moottorin kopat
Ãljypohja
Kaasu
Polttoainepumppu
Polttoaineen ruiskutus
Fuel Evaporative System
Ãljypumppu
Laturi
SytytysjÀrjestelmÀ
Starttimoottori
JÀÀhdytin
JÀÀhdytysletkut
Runko
Moottorin kiinnitys
Rungon kiinnikkeet
Takahaarukka
Jousitus
Jalkatapit
Lokasuojat
Lokasuojat
Seisontatuki
Renkaat
EtupyörÀn napa
TakapyörÀn napa
Jarrupoljin
Brake Piping
Etujarrun pÀÀsylinteri
Etujarru
Takajarrun pÀÀsylinteri
Takajarru
Ohjaustanko
Etujousitus
PolttoainesÀiliö
Satula
Mittaristo
Vaijerit
Sivukatteet
Ajovalo
Takavalo
Vilkut
SÀhköjÀrjestelmÀ
Virtalukko
Työkalut
Tarrat
Tarrat
Etukate
Etukate
Alakatteet
Accessory(Shroud Slider)
Accessory(Meter Cover)
Accessory(Crankcase Ring)
Accessory(Axle Slider)
Sylinterikansi
Venttiili koppa
Sylinteri / mÀntÀ
Ilmanpuhdistin
Pakoputkisto
Venttiilit
Nokka-akseli
Kampiakseli
Balancer
Kytkin
Vaihteisto
Vaihderumpu
Vaihteensiirto
Kampikammio
Kampikammion pultit
Moottorin kopat
Ãljypohja
Kaasu
Polttoainepumppu
Polttoaineen ruiskutus
Fuel Evaporative System
Ãljypumppu
Laturi
SytytysjÀrjestelmÀ
Starttimoottori
JÀÀhdytin
JÀÀhdytysletkut
Runko
Moottorin kiinnitys
Rungon kiinnikkeet
Takahaarukka
Jousitus
Jalkatapit
Lokasuojat
Lokasuojat
Seisontatuki
Renkaat
EtupyörÀn napa
TakapyörÀn napa
Jarrupoljin
Brake Piping
Etujarrun pÀÀsylinteri
Etujarru
Takajarrun pÀÀsylinteri
Takajarru
Ohjaustanko
Etujousitus
PolttoainesÀiliö
Satula
Mittaristo
Vaijerit
Sivukatteet
Ajovalo
Takavalo
Vilkut
SÀhköjÀrjestelmÀ
Virtalukko
Työkalut
Tarrat
Tarrat
Etukate
Etukate
Alakatteet
Accessory(Shroud Slider)
Accessory(Meter Cover)
Accessory(Crankcase Ring)
Accessory(Axle Slider)
Sylinterikansi
Venttiili koppa
Sylinteri / mÀntÀ
Ilmanpuhdistin
Pakoputkisto
Venttiilit
Nokka-akseli
Kampiakseli
Balancer
Kytkin
Vaihteisto
Vaihderumpu
Vaihteensiirto
Kampikammio
Kampikammion pultit
Moottorin kopat
Ãljypohja
Kaasu
Polttoainepumppu
Polttoaineen ruiskutus
Fuel Evaporative System
Ãljypumppu
Laturi
SytytysjÀrjestelmÀ
Starttimoottori
JÀÀhdytin
JÀÀhdytysletkut
Runko
Moottorin kiinnitys
Rungon kiinnikkeet
Takahaarukka
Jousitus
Jalkatapit
Lokasuojat
Lokasuojat
Seisontatuki
Renkaat
EtupyörÀn napa
TakapyörÀn napa
Jarrupoljin
Brake Piping
Etujarrun pÀÀsylinteri
Etujarru
Takajarrun pÀÀsylinteri
Takajarru
Ohjaustanko
Etujousitus
PolttoainesÀiliö
Satula
Mittaristo
Vaijerit
Ajovalo
Takavalo
Vilkut
SÀhköjÀrjestelmÀ
Virtalukko
Työkalut
Tarrat
Tarrat
Etukate
Etukate
Alakatteet
Accessory(Shroud Slider)
Accessory(Meter Cover)
Accessory(Crankcase Ring)
Accessory(Axle Slider)
NÄYTÄ TUOTEKATEGORIAT
NPM.FI
Varaosa luettelot
Suzuki perämoottorit
DT - Tyypin mallit
DT 9.9 F
DT 9.9 F, DT - Tyypin mallit, Suzuki perämoottorit -varaosa luettelot
01-Sylinteri
02-Läppäventtiili
03-Kampiakseli
04-Kaasutin
07-Pakokansi
08-Polttoainepumppu
09-Vesipumppu
10-Käynnistin
11-Käynnistin DT9.9 Y
12-Kytkinrumpu
13-Mangneetto C
14-Mangneetto D F
15-Mangneetto D E13
16-Sähköosia C
17-Sähköosia
18-Kiinitys
19-Kääntöalusta
20-Akselinkotelo
21-Vaihteisto
22-Vaihteisto
23-Alempi suojus
24-Moottorikotelo
25-Kahva C D
26-Kahva F
27-Sylínteri
28-Pakokansi
29-Kampiakseli
30-Läppäventtiili
33-Polttoainepumppu
34-Vesipumppu
35-Narukäunnistin
36-Kytkinvipu
37-Starttimoottori
38-Mangneetto 1
39-Mangneetto 2
40-Käynnistys
41-Sähköosia
42-Sähköosia
43-Kiinitys
44-Kääntöalusta
45-Ohjauksen kannatin
46-Akselinkotelo
48-Vaihdelaatikko DT25FE3 DT28F
50-Vaihteisto DT25FE3 DT28F
52-Moottorikotelo DT28F
53-Kahva C , D
54-Kahva F
58-Tankki 4
60-Tankin poistoaukko
61-Polttoaineletku
62-työkalusarja tiivisteet
64-Lisävaruste - sähköosat
69-Lisävaruste DT9.9, DT14, DT16
71-Lisävaruste DT20F, DT25F, DT28F
72-Lisävaruste