Kirjaudu
Kirjaudu sisään
Nakkilan pyörä ja mopo
Tuotekategoriat
Etusivu
Varaosaluettelot
Tarvikkeet
Varusteet
Tarjoukset
Ajoneuvot
Huolto
Yhteydenotto
Varaosa luettelot
Suzuki
125 cc Motocross
RM-125 K3 2003
00-Acerbis muovit
01-Tiivisteet 01-02
02-Tiivisteet 03-06
03-Sylinteri, -kansi
04-Pakoaukonsäädin, -mekanismi 01-02
05-Pakoaukonsäädin, -mekanismi 03
06-Pakoaukonsäädin, -mekanismi 04-06
07-Moottorilohkot, imukurkku
08-Moottorinposket, oik.+vas.
09-Kampikoneisto, mäntä
10-Kaasutin 01
11-Kaasutin 02
12-Kaasutin 03
13-Kaasutin 04
14-Kaasutin 05
15-Kaasutin 06
16-Ilmansuodatinkotelo, -suodatin 01-03
17-Ilmansuodatinkotelo, -suodatin 04-06
18-Pakoputkisto, äänenvaimennin
19-Jäähdyttimet, suojamuovit
20-Kytkin 01
21-Kytkin 02-06
22-Vaihteisto 01-03
23-Vaihteisto 04-06
24-Vaihteensiirto
25-Käynnistinpoljin, -mekanismi
26-Vauhtipyörä, alakäämi
27-Johtosarja, sähköt 01-03
28-Johtosarja, sähköt 04
29-Johtosarja, sähköt 05-06
30-Runko, takarunko
31-Jalkatapit, seisontatuki 01-02
32-Jalkatapit, seisontatuki 03-06
33-Takajarrupoljin 01-02
34-Takajarrupoljin 03-06
35-Polttoainesäiliö, korkki 01-03
36-Polttoainesäiliö, korkki 04-06
37-Polttoainehana
38-Sivunumerokilvet 01-02
39-Sivunumerokilvet03-06
40-Etulokasuoja, etunumerokilpi 01-03
41-Etulokasuoja, etunumerokilpi 04-06
42-Ohjaustanko, vaijerit 01-04
43-Ohjaustanko, vaijerit 05-06
44-Vivut, vipurungot, kahvat, -kumit 01-03
45-Vivut, vipurungot, kahvat, -kumit 04-06
46-Takalokasuoja
47-Huomio-tarrat
48-Istuin 01-04
49-Istuin 05-06
50-Etujousitus 01
51-Etujousitus 02
52-Etujousitus 03
53-Etujousitus 04
54-Etujousitus 05
55-Etujousitus 06
56-Ohjauspylväs, ohjauslaakerit 01
57-Ohjauspylväs, ohjauslaakerit 02
58-Ohjauspylväs, ohjauslaakerit 03
59-Ohjauspylväs, ohjauslaakerit 04
60-Ohjauspylväs, ohjauslaakerit 05
61-Ohjauspylväs, ohjauslaakerit 06
62-Etupyörä, etujarrulevy 01-04
63-Etupyörä, etujarrulevy 05-06
64-Etujarrusatula 01-04
65-Etujarrusatula 05-06
66-Etujarrupääsylinteri, etujarruletku 01-03
67-Etujarrupääsylinteri, etujarruletku 04
68-Etujarrupääsylinteri, etujarruletku 05-06
69-Takahaarukka, ketjunlaahain 01-03
70-Takahaarukka, ketjunlaahain 04
71-Takahaarukka, ketjunlaahain 05-06
72-Takaiskunvaimennin 01
73-Takaiskunvaimennin 02
74-Takaiskunvaimennin 03
75-Takaiskunvaimennin 04
76-Takaiskunvaimennin 05
77-Takaiskunvaimennin 06
78-Jousituksen linkut 01
79-Jousituksen linkut 02-03
80-Jousituksen linkut 04-06
81-Takapyörä 01-02
82-Takapyörä 03
83-Takapyörä 04
84-Takapyörä 05
85-Takapyörä 06
86-Takajarru 01-03
87-Takajarru 04
88-Takajarru 05-06
89-Jarrusylinteri 01-02
90-Jarrusylinteri 03
91-Jarrusylinteri 04
92-Jarrusylinteri 05-06
93-Tarvikkeet
Varaosat tuoteryhmittäin
Tarvikkeet
Tarjoukset
Varusteet
Ajoneuvot
Vaihteensiirto
Kampikammio
Kampikammion pultit
Moottorin kopat
Ãljypohja
Kaasu
Polttoainepumppu
Polttoaineen ruiskutus
Ãljypumppu
Laturi
SytytysjÀrjestelmÀ
Starttimoottori
JÀÀhdytin
JÀÀhdytysletkut
Runko
Moottorin kiinnitys
Rungon kiinnikkeet
Takahaarukka
Jousitus
Jalkatapit
Lokasuojat
Lokasuojat
Seisontatuki
Renkaat
EtupyörÀn napa
TakapyörÀn napa
Jarrupoljin
Brake Piping
Etujarrun pÀÀsylinteri
Etujarru
Takajarrun pÀÀsylinteri
Takajarru
Ohjaustanko
Etujousitus
PolttoainesÀiliö
Satula
Satula
Mittaristo
Vaijerit
Sivukatteet
Ajovalo
Takavalo
Vilkut
SÀhköjÀrjestelmÀ
Virtalukko
Työkalut
Tarrat
Tarrat
Tarrat
Tarrat
Tarrat
Tarrat
Tarrat
Tarrat
Etukate
Etukate
Etukate
Etukate
Etukate
Alakatteet
Manual
Sylinterikansi
Venttiili koppa
Sylinteri / mÀntÀ
Ilmanpuhdistin
Pakoputkisto
Venttiilit
Nokka-akseli
Kampiakseli
Balancer
Kytkin
Vaihteisto
Vaihderumpu
Vaihteensiirto
Kampikammio
Kampikammion pultit
Moottorin kopat
Ãljypohja
Kaasu
Polttoainepumppu
Polttoaineen ruiskutus
Ãljypumppu
Laturi
SytytysjÀrjestelmÀ
Starttimoottori
JÀÀhdytin
JÀÀhdytysletkut
Runko
Moottorin kiinnitys
Rungon kiinnikkeet
Takahaarukka
Jousitus
Jalkatapit
Lokasuojat
Lokasuojat
Seisontatuki
Renkaat
EtupyörÀn napa
TakapyörÀn napa
Jarrupoljin
Brake Piping
Etujarrun pÀÀsylinteri
Etujarru
Takajarrun pÀÀsylinteri
Takajarru
Ohjaustanko
Etujousitus
PolttoainesÀiliö
Satula
Mittaristo
Vaijerit
Sivukatteet
Ajovalo
Takavalo
Vilkut
SÀhköjÀrjestelmÀ
Virtalukko
Työkalut
Tarrat
Tarrat
Tarrat
Tarrat
Etukate
Etukate
Alakatteet
Manual
Sylinterikansi
Venttiili koppa
Cylinder / Piston(S)
Ilmanpuhdistin
Muffler(S)
Valve(S)
Camshaft(S) / Tensioner
Kampiakseli
Balancer
Clutch(Gef'-Gff)
Clutch(Ggf)
Vaihteisto
Vaihteisto
Gear Change Drum / Shift Fork(S)
Vaihteensiirto
Kampikammio
Kampikammion pultit
Engine Cover(S)
Ãljypohja
Kaasu
Polttoainepumppu
Polttoaineen ruiskutus
Ãljypumppu
Laturi
SytytysjÀrjestelmÀ
Starttimoottori
JÀÀhdytin
JÀÀhdytysletkut
Runko
Moottorin kiinnitys
Rungon kiinnikkeet
Takahaarukka
Jousitus
Jalkatapit
Front Fender(S)
Rear Fender(S)
Stand(S)
Renkaat
EtupyörÀn napa
TakapyörÀn napa
Jarrupoljin
Brake Piping
Etujarrun pÀÀsylinteri
Etujarru
Takajarrun pÀÀsylinteri
Takajarru
Ohjaustanko
Etujousitus
PolttoainesÀiliö
Satula
Meter(S)
Vaijerit
Sivukatteet
Headlight(S)
Taillight(S)
Vilkut
SÀhköjÀrjestelmÀ
Virtalukko
Owner
Tarrat
Tarrat
Tarrat
Tarrat
Tarrat
Tarrat
Tarrat
Etukate
Etukate
Etukate
Etukate
Alakatteet
Accessory(Engine Slider)
Accessory(Shroud Slider)
Accessory(Meter Cover)
Manual
Sylinterikansi
Venttiili koppa
Cylinder / Piston(S)
Ilmanpuhdistin
Muffler(S)
Valve(S)
Camshaft(S) / Tensioner
Kampiakseli
Balancer
Clutch(Gef'-Gff)
Clutch(Ggf)
Vaihteisto
Vaihteisto
Gear Change Drum / Shift Fork(S)
Vaihteensiirto
Kampikammio
Kampikammion pultit
Engine Cover(S)
Ãljypohja
Kaasu
Polttoainepumppu
Polttoaineen ruiskutus
Ãljypumppu
Laturi
SytytysjÀrjestelmÀ
Starttimoottori
JÀÀhdytin
JÀÀhdytysletkut
Runko
Moottorin kiinnitys
Rungon kiinnikkeet
Takahaarukka
Jousitus
Jalkatapit
Front Fender(S)
Rear Fender(S)
Stand(S)
Renkaat
EtupyörÀn napa
TakapyörÀn napa
Jarrupoljin
Brake Piping
Etujarrun pÀÀsylinteri
Etujarru
Takajarrun pÀÀsylinteri
Takajarru
Ohjaustanko
Etujousitus
PolttoainesÀiliö
Satula
Meter(S)
Vaijerit
Sivukatteet
Headlight(S)
Taillight(S)
Vilkut
SÀhköjÀrjestelmÀ
Virtalukko
Owner
Tarrat
Tarrat
Tarrat
Tarrat
Tarrat
Tarrat
Tarrat
Etukate
Etukate
Etukate
Etukate
Alakatteet
Accessory(Engine Slider)
Accessory(Shroud Slider)
Accessory(Meter Cover)
Manual
Sylinterikansi
Venttiili koppa
Cylinder / Piston(S)
Ilmanpuhdistin
Muffler(S)
Valve(S)
Camshaft(S) / Tensioner
Kampiakseli
Balancer
Clutch(Gef'-Gff)
Clutch(Ggf)
Vaihteisto
Vaihteisto
Gear Change Drum / Shift Fork(S)
Vaihteensiirto
Kampikammio
Kampikammion pultit
Engine Cover(S)
Ãljypohja
Kaasu
Polttoainepumppu
Polttoaineen ruiskutus
Ãljypumppu
Laturi
SytytysjÀrjestelmÀ
Starttimoottori
JÀÀhdytin
JÀÀhdytysletkut
Runko
Moottorin kiinnitys
Rungon kiinnikkeet
Takahaarukka
Jousitus
Jalkatapit
Front Fender(S)
Rear Fender(S)
Stand(S)
Renkaat
EtupyörÀn napa
TakapyörÀn napa
Jarrupoljin
Brake Piping
Etujarrun pÀÀsylinteri
Etujarru
Takajarrun pÀÀsylinteri
Takajarru
Ohjaustanko
Etujousitus
PolttoainesÀiliö
Satula
Meter(S)
Vaijerit
Sivukatteet
Headlight(S)
Taillight(S)
Vilkut
SÀhköjÀrjestelmÀ
Virtalukko
Owner
Tarrat
Tarrat
Tarrat
Tarrat
Tarrat
Tarrat
Tarrat
Etukate
Etukate
Etukate
Etukate
Alakatteet
Accessory(Engine Slider)
Accessory(Shroud Slider)
Accessory(Meter Cover)
Manual
Sylinterikansi
Venttiili koppa
Sylinteri / mÀntÀ
Ilmanpuhdistin
Pakoputkisto
Venttiilit
Nokka-akseli
Kampiakseli
Balancer
Kytkin
Vaihteisto
Vaihderumpu
Vaihteensiirto
Kampikammio
Kampikammion pultit
Moottorin kopat
Ãljypohja
Kaasu
Polttoainepumppu
Polttoaineen ruiskutus
Fuel Evaporative System
Ãljypumppu
Laturi
SytytysjÀrjestelmÀ
Starttimoottori
JÀÀhdytin
JÀÀhdytysletkut
Runko
Moottorin kiinnitys
Rungon kiinnikkeet
Takahaarukka
Jousitus
Jalkatapit
Lokasuojat
Lokasuojat
Seisontatuki
Renkaat
EtupyörÀn napa
TakapyörÀn napa
Jarrupoljin
Brake Piping
Etujarrun pÀÀsylinteri
Etujarru
Takajarrun pÀÀsylinteri
Takajarru
Ohjaustanko
Etujousitus
PolttoainesÀiliö
Satula
Mittaristo
Vaijerit
Sivukatteet
Ajovalo
Takavalo
Vilkut
Vilkut
SÀhköjÀrjestelmÀ
Virtalukko
Työkalut
Tarrat
Tarrat
Tarrat
Tarrat
Etukate
Etukate
Alakatteet
Accessory(Shroud Slider)
Accessory(Meter Cover)
Accessory(Crankcase Ring)
Accessory(Axle Slider)
Manual
Sylinterikansi
Venttiili koppa
Sylinteri / mÀntÀ
Ilmanpuhdistin
Pakoputkisto
Venttiilit
Nokka-akseli
Kampiakseli
Balancer
Kytkin
Vaihteisto
Vaihderumpu
Vaihteensiirto
Kampikammio
Kampikammion pultit
Moottorin kopat
Ãljypohja
Kaasu
Polttoainepumppu
Polttoaineen ruiskutus
Fuel Evaporative System
Ãljypumppu
Laturi
SytytysjÀrjestelmÀ
Starttimoottori
JÀÀhdytin
JÀÀhdytysletkut
Runko
Moottorin kiinnitys
Rungon kiinnikkeet
Takahaarukka
Jousitus
Jalkatapit
Lokasuojat
Lokasuojat
Seisontatuki
Renkaat
EtupyörÀn napa
TakapyörÀn napa
Jarrupoljin
Brake Piping
Etujarrun pÀÀsylinteri
Etujarru
Takajarrun pÀÀsylinteri
Takajarru
Ohjaustanko
Etujousitus
PolttoainesÀiliö
Satula
Mittaristo
Vaijerit
Sivukatteet
Ajovalo
Takavalo
Vilkut
Vilkut
SÀhköjÀrjestelmÀ
Virtalukko
Työkalut
Tarrat
Tarrat
Tarrat
Tarrat
Etukate
Etukate
Alakatteet
Accessory(Shroud Slider)
Accessory(Meter Cover)
Accessory(Crankcase Ring)
Accessory(Axle Slider)
Manual
Sylinterikansi
Venttiili koppa
Sylinteri / mÀntÀ
Ilmanpuhdistin
Pakoputkisto
Venttiilit
Nokka-akseli
Kampiakseli
Balancer
Kytkin
Vaihteisto
Vaihderumpu
Vaihteensiirto
Kampikammio
Kampikammion pultit
Moottorin kopat
Ãljypohja
Kaasu
Polttoainepumppu
Polttoaineen ruiskutus
Fuel Evaporative System
Ãljypumppu
Laturi
SytytysjÀrjestelmÀ
Starttimoottori
JÀÀhdytin
JÀÀhdytysletkut
Runko
Moottorin kiinnitys
Rungon kiinnikkeet
Takahaarukka
Jousitus
Jalkatapit
Lokasuojat
Lokasuojat
Seisontatuki
Renkaat
EtupyörÀn napa
TakapyörÀn napa
Jarrupoljin
Brake Piping
Etujarrun pÀÀsylinteri
Etujarru
Takajarrun pÀÀsylinteri
Takajarru
Ohjaustanko
Etujousitus
PolttoainesÀiliö
Satula
Mittaristo
Vaijerit
Sivukatteet
Ajovalo
Takavalo
Vilkut
Vilkut
SÀhköjÀrjestelmÀ
Virtalukko
Työkalut
Tarrat
Tarrat
Tarrat
Tarrat
Etukate
Etukate
Alakatteet
Accessory(Shroud Slider)
Accessory(Meter Cover)
Accessory(Crankcase Ring)
Accessory(Axle Slider)
Manual
Sylinterikansi
Venttiili koppa
Sylinteri / mÀntÀ
Ilmanpuhdistin
Pakoputkisto
Venttiilit
Nokka-akseli
Kampiakseli
Balancer
Kytkin
Vaihteisto
Vaihderumpu
Vaihteensiirto
Kampikammio
Kampikammion pultit
Moottorin kopat
Ãljypohja
Kaasu
Polttoainepumppu
Polttoaineen ruiskutus
Fuel Evaporative System
Ãljypumppu
Laturi
SytytysjÀrjestelmÀ
Starttimoottori
JÀÀhdytin
JÀÀhdytysletkut
Runko
Moottorin kiinnitys
Rungon kiinnikkeet
Takahaarukka
Jousitus
Jalkatapit
Lokasuojat
Lokasuojat
Seisontatuki
Renkaat
EtupyörÀn napa
TakapyörÀn napa
Jarrupoljin
Brake Piping
Etujarrun pÀÀsylinteri
Etujarru
Takajarrun pÀÀsylinteri
Takajarru
Ohjaustanko
Etujousitus
PolttoainesÀiliö
Satula
Mittaristo
Vaijerit
Sivukatteet
Ajovalo
Takavalo
Vilkut
Vilkut
SÀhköjÀrjestelmÀ
Virtalukko
Työkalut
Tarrat
Tarrat
Tarrat
Tarrat
Etukate
Etukate
Alakatteet
Accessory(Shroud Slider)
Accessory(Meter Cover)
Accessory(Crankcase Ring)
Accessory(Axle Slider)
Manual
Sylinterikansi
Venttiili koppa
Sylinteri / mÀntÀ
Ilmanpuhdistin
Pakoputkisto
Venttiilit
Nokka-akseli
Kampiakseli
Balancer
Kytkin
Vaihteisto
Vaihderumpu
Vaihteensiirto
Kampikammio
Kampikammion pultit
Moottorin kopat
Ãljypohja
Kaasu
Polttoainepumppu
Polttoaineen ruiskutus
Fuel Evaporative System
Ãljypumppu
Laturi
SytytysjÀrjestelmÀ
Starttimoottori
JÀÀhdytin
JÀÀhdytysletkut
Runko
Moottorin kiinnitys
Rungon kiinnikkeet
Takahaarukka
Jousitus
Jalkatapit
Lokasuojat
Lokasuojat
Seisontatuki
Renkaat
EtupyörÀn napa
TakapyörÀn napa
Jarrupoljin
Brake Piping
Etujarrun pÀÀsylinteri
Etujarru
Takajarrun pÀÀsylinteri
Takajarru
Ohjaustanko
Etujousitus
PolttoainesÀiliö
Satula
Mittaristo
Vaijerit
Sivukatteet
Ajovalo
Takavalo
Vilkut
SÀhköjÀrjestelmÀ
Virtalukko
Työkalut
Tarrat
Tarrat
Etukate
Etukate
Alakatteet
Accessory(Shroud Slider)
Accessory(Meter Cover)
Accessory(Crankcase Ring)
Accessory(Axle Slider)
Sylinterikansi
Venttiili koppa
Sylinteri / mÀntÀ
Ilmanpuhdistin
Pakoputkisto
Venttiilit
Nokka-akseli
Kampiakseli
Balancer
Kytkin
Vaihteisto
Vaihderumpu
Vaihteensiirto
Kampikammio
Kampikammion pultit
Moottorin kopat
Ãljypohja
Kaasu
Polttoainepumppu
Polttoaineen ruiskutus
Fuel Evaporative System
Ãljypumppu
Laturi
SytytysjÀrjestelmÀ
Starttimoottori
JÀÀhdytin
JÀÀhdytysletkut
Runko
Moottorin kiinnitys
Rungon kiinnikkeet
Takahaarukka
Jousitus
Jalkatapit
Lokasuojat
Lokasuojat
Seisontatuki
Renkaat
EtupyörÀn napa
TakapyörÀn napa
Jarrupoljin
Brake Piping
Etujarrun pÀÀsylinteri
Etujarru
Takajarrun pÀÀsylinteri
Takajarru
Ohjaustanko
Etujousitus
PolttoainesÀiliö
Satula
Mittaristo
Vaijerit
Sivukatteet
Ajovalo
Takavalo
Vilkut
SÀhköjÀrjestelmÀ
Virtalukko
Työkalut
Tarrat
Tarrat
Etukate
Etukate
Alakatteet
Accessory(Shroud Slider)
Accessory(Meter Cover)
Accessory(Crankcase Ring)
Accessory(Axle Slider)
Sylinterikansi
Venttiili koppa
Sylinteri / mÀntÀ
Ilmanpuhdistin
Pakoputkisto
Venttiilit
Nokka-akseli
Kampiakseli
Balancer
Kytkin
Vaihteisto
Vaihderumpu
Vaihteensiirto
Kampikammio
Kampikammion pultit
Moottorin kopat
Ãljypohja
Kaasu
Polttoainepumppu
Polttoaineen ruiskutus
Fuel Evaporative System
Ãljypumppu
Laturi
SytytysjÀrjestelmÀ
Starttimoottori
JÀÀhdytin
JÀÀhdytysletkut
Runko
Moottorin kiinnitys
Rungon kiinnikkeet
Takahaarukka
Jousitus
Jalkatapit
Lokasuojat
Lokasuojat
Seisontatuki
Renkaat
EtupyörÀn napa
TakapyörÀn napa
Jarrupoljin
Brake Piping
Etujarrun pÀÀsylinteri
Etujarru
Takajarrun pÀÀsylinteri
Takajarru
Ohjaustanko
Etujousitus
PolttoainesÀiliö
Satula
Mittaristo
Vaijerit
Sivukatteet
Ajovalo
Takavalo
Vilkut
SÀhköjÀrjestelmÀ
Virtalukko
Työkalut
Tarrat
Tarrat
Etukate
Etukate
Alakatteet
Accessory(Shroud Slider)
Accessory(Meter Cover)
Accessory(Crankcase Ring)
Accessory(Axle Slider)
Sylinterikansi
Venttiili koppa
Sylinteri / mÀntÀ
Ilmanpuhdistin
Pakoputkisto
Venttiilit
Nokka-akseli
Kampiakseli
Balancer
Kytkin
Vaihteisto
Vaihderumpu
Vaihteensiirto
Kampikammio
Kampikammion pultit
Moottorin kopat
Ãljypohja
Kaasu
Polttoainepumppu
Polttoaineen ruiskutus
Fuel Evaporative System
Ãljypumppu
Laturi
SytytysjÀrjestelmÀ
Starttimoottori
JÀÀhdytin
JÀÀhdytysletkut
Runko
Moottorin kiinnitys
Rungon kiinnikkeet
Takahaarukka
Jousitus
Jalkatapit
Lokasuojat
Lokasuojat
Seisontatuki
Renkaat
EtupyörÀn napa
TakapyörÀn napa
Jarrupoljin
Brake Piping
Etujarrun pÀÀsylinteri
Etujarru
Takajarrun pÀÀsylinteri
Takajarru
Ohjaustanko
Etujousitus
PolttoainesÀiliö
Satula
Mittaristo
Vaijerit
Ajovalo
Takavalo
Vilkut
SÀhköjÀrjestelmÀ
Virtalukko
Työkalut
Tarrat
Tarrat
Etukate
Etukate
Alakatteet
Accessory(Shroud Slider)
Accessory(Meter Cover)
Accessory(Crankcase Ring)
Accessory(Axle Slider)
NÄYTÄ TUOTEKATEGORIAT
NPM.FI
Varaosa luettelot
Suzuki
125 cc Motocross
RM-125 K3 2003
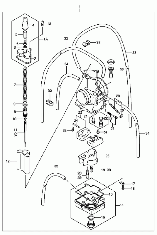
11-Kaasutin 02
11-Kaasutin 02, RM-125 K3 2003, 125 cc Motocross, Suzuki-varaosa luettelot
Näytä suurempana
Nro
#1
Tuotenumero
13200-36F10-000
Nimike
CARBURETOR RM125/K2
Hinta
494,55 €
Määrä
+
-
Nro
#1A
Tuotenumero
13260-36F00-000
Nimike
CAP ASSY RM125/K1-K4
Hinta
50,75 €
Määrä
+
-
Nro
#2
Tuotenumero
13258-36F00-000
Nimike
GASKET RM125/K1-K4
Hinta
10,25 €
Määrä
+
-
Nro
#3
Tuotenumero
13531-09300-000
Nimike
WASHER,DRAIN PLUG GSX750F/X-
Hinta
5,35 €
Määrä
+
-
Nro
#4
Tuotenumero
13681-16601-000
Nimike
CAP,CABLE ADJUSTER
Hinta
13,60 €
Lisätiedot
Määrä
+
-
Korvaavat tuotteet
Nro
#
Tuotenumero
13681-16600-000
Nimike
CAP,CABLE ADJUSTER
Hinta
8,00 €
Määrä
+
-
Nro
#
Tuotenumero
VM26/46
Nimike
KAASUVAIJERIN LÄPIVIENTIKUMI
Hinta
6,20 €
Määrä
+
-
Nro
#5
Tuotenumero
13577-41612-000
Nimike
ADJUSTER,CABLE
Hinta
13,90 €
Määrä
+
-
Nro
#6
Tuotenumero
13661-16600-000
Nimike
MUTTERI
Hinta
7,80 €
Lisätiedot
Määrä
+
-
Korvaavat tuotteet
Nro
#
Tuotenumero
B30/247
Nimike
VAIJERISÄÄDÖN LUKITUSMUTTERI
Hinta
4,35 €
Määrä
+
-
Nro
#7
Tuotenumero
13573-36F00-000
Nimike
SPRING RM125/K1-K4
Hinta
16,75 €
Määrä
+
-
Nro
#8
Tuotenumero
13518-36F00-000
Nimike
GUIDE, HOLDER RM125/K1-
Hinta
22,55 €
Määrä
+
-
Nro
#9
Tuotenumero
13424-36F00-000
Nimike
RING RM125/K1-
Hinta
9,35 €
Määrä
+
-
Nro
#10
Tuotenumero
13394-17E60-000
Nimike
M.J.N. E-RING
Hinta
2,85 €
Määrä
+
-
Nro
#11
Tuotenumero
13383-36FC0-000
Nimike
NEULA 6BGY27-77 RM125 K2-K3
Hinta
28,20 €
Määrä
+
-
Nro
#12
Tuotenumero
13551-36F10-000
Nimike
PISTON, VALVE RM125/K2&K3
Hinta
250,60 €
Määrä
+
-
Nro
#13
Tuotenumero
13602-48B10-000
Nimike
SCREW
Hinta
6,30 €
Määrä
+
-
Nro
#14
Tuotenumero
13250-36F10-000
Nimike
FLOAT BODY RM125/K2
Hinta
83,35 €
Määrä
+
-
Nro
#15
Tuotenumero
13246-29630-000
Nimike
GASKET,CARBURETOR DRAIN PLUG
Hinta
10,05 €
Määrä
+
-
Nro
#16
Tuotenumero
13251-36F00-000
Nimike
O-RING RM125/K1-
Hinta
20,10 €
Määrä
+
-
Nro
#17
Tuotenumero
13693-36500-000
Nimike
PLATE,CARBURETOR
Hinta
6,40 €
Määrä
+
-
Nro
#17
Tuotenumero
13268-46010-000
Nimike
SPRING,THROTTLE SCREW
Hinta
8,40 €
Määrä
+
-
Nro
#18
Tuotenumero
13601-05148-000
Nimike
SCREW GZ125
Hinta
3,55 €
Määrä
+
-
Nro
#19
Tuotenumero
09491-92002-000
Nimike
JET, MAIN RM125/K1
Hinta
23,65 €
Määrä
+
-
Nro
#20
Tuotenumero
09492-32010-000
Nimike
JET,PILOT(32.5) VL1500 N224103
Hinta
21,95 €
Lisätiedot
Määrä
+
-
Korvaavat tuotteet
Nro
#
Tuotenumero
N224103-32.5
Nimike
TYHJÄK.SUUTIN #32.5
Hinta
13,40 €
Määrä
+
-
Nro
#21
Tuotenumero
13370-36F01-000
Nimike
VALVE ASSY.NEEDLE
Hinta
86,40 €
Määrä
+
-
Nro
#22
Tuotenumero
13374-35C00-000
Nimike
O-RENGAS KV/10
Hinta
6,75 €
Lisätiedot
Määrä
+
-
Korvaavat tuotteet
Nro
#
Tuotenumero
13374-44080-000
Nimike
O-RENGAS KAASUTTAJAAN
Hinta
6,85 €
Määrä
+
-
Nro
#
Tuotenumero
KV/10
Nimike
O-RENGAS 7,1 X 1,6 NB70 VITON
MIKUNI O-RENGAS NEULAVENTTIILIN
Hinta
3,90 €
Lisätiedot
Määrä
+
-
Lisätiedot
:
MIKUNI O-RENGAS NEULAVENTTIILIN
Nro
#22
Tuotenumero
KV/10
Nimike
O-RENGAS 7,1 X 1,6 NB70 VITON
MIKUNI O-RENGAS NEULAVENTTIILIN
Hinta
3,90 €
Lisätiedot
Määrä
+
-
Lisätiedot
:
MIKUNI O-RENGAS NEULAVENTTIILIN
Korvaavat tuotteet
Nro
#
Tuotenumero
13374-35C00-000
Nimike
O-RENGAS KV/10
Hinta
6,75 €
Määrä
+
-
Nro
#
Tuotenumero
M751500750004
Nimike
O-RENGAS 7,50X1,5 KV/10
Hinta
3,55 €
Määrä
+
-
Nro
#23
Tuotenumero
13240-36F00-000
Nimike
FLOAT RM125/K1-
Hinta
93,10 €
Määrä
+
-
Nro
#24
Tuotenumero
13254-20010-000
Nimike
KOHON AKSELITAPPI
Hinta
5,65 €
Määrä
+
-
Nro
#25
Tuotenumero
13418-36F00-000
Nimike
HOLDER RM125/K1-
Hinta
15,10 €
Määrä
+
-
Nro
#26
Tuotenumero
13280-36F00-000
Nimike
ADJUSTER RM125/K1-K2
Hinta
14,75 €
Määrä
+
-
Nro
#27
Tuotenumero
13268-35010-000
Nimike
SPRING, THROTLE
Hinta
6,90 €
Määrä
+
-
Nro
#28
Tuotenumero
13270-36F00-000
Nimike
ADJUSTER RM125/K1-
Hinta
21,65 €
Määrä
+
-
Nro
#29
Tuotenumero
13607-47070-000
Nimike
MUTTERI
Hinta
6,40 €
Määrä
+
-
Nro
#30
Tuotenumero
13411-36F00-000
Nimike
PLUNGER RM125/K1-
Hinta
74,65 €
Määrä
+
-
Nro
#31
Tuotenumero
13602-05A10-000
Nimike
SCREW
Hinta
5,65 €
Määrä
+
-
Nro
#32
Tuotenumero
13619-42E00-000
Nimike
CLIP RM125/K1-
Hinta
8,75 €
Määrä
+
-
Nro
#33
Tuotenumero
09351-35653-600
Nimike
HOSE,3.5X6.5X600
Hinta
7,80 €
Lisätiedot
Määrä
+
-
Korvaavat tuotteet
Nro
#
Tuotenumero
13683-37420-000
Nimike
HOSE,CARBURETOR
Hinta
5,65 €
Määrä
+
-
Nro
#
Tuotenumero
13684-38300-000
Nimike
HOSE,OVERFLOW
Hinta
5,65 €
Määrä
+
-
Nro
#33
Tuotenumero
09404-06432-000
Nimike
KIINIKEPANTA
Hinta
2,50 €
Lisätiedot
Määrä
+
-
Korvaavat tuotteet
Nro
#
Tuotenumero
09404-06039-000
Nimike
CLAMP
Hinta
3,25 €
Määrä
+
-
Nro
#
Tuotenumero
09404-06401-000
Nimike
VAIJERIN PIDIN
Hinta
2,25 €
Määrä
+
-
Nro
#
Tuotenumero
09404-06422-000
Nimike
CLAMP
Hinta
2,80 €
Määrä
+
-
Nro
#34
Tuotenumero
09351-35653-600
Nimike
HOSE,3.5X6.5X600
Hinta
7,80 €
Lisätiedot
Määrä
+
-
Korvaavat tuotteet
Nro
#
Tuotenumero
13683-37420-000
Nimike
HOSE,CARBURETOR
Hinta
5,65 €
Määrä
+
-
Nro
#
Tuotenumero
13684-38300-000
Nimike
HOSE,OVERFLOW
Hinta
5,65 €
Määrä
+
-
Nro
#34
Tuotenumero
09404-06432-000
Nimike
KIINIKEPANTA
Hinta
2,50 €
Lisätiedot
Määrä
+
-
Korvaavat tuotteet
Nro
#
Tuotenumero
09404-06039-000
Nimike
CLAMP
Hinta
3,25 €
Määrä
+
-
Nro
#
Tuotenumero
09404-06401-000
Nimike
VAIJERIN PIDIN
Hinta
2,25 €
Määrä
+
-
Nro
#
Tuotenumero
09404-06422-000
Nimike
CLAMP
Hinta
2,80 €
Määrä
+
-
Nro
#35
Tuotenumero
09351-30503-600
Nimike
HOSE
Hinta
4,00 €
Lisätiedot
Määrä
+
-
Korvaavat tuotteet
Nro
#
Tuotenumero
09351-30001-600
Nimike
HOSE(3X5X600)
Hinta
9,00 €
Määrä
+
-
Nro
#36
Tuotenumero
02112-0408B-000
Nimike
SCREW
Hinta
2,45 €
Määrä
+
-
Nro
#37
Tuotenumero
13383-36FB0-000
Nimike
NEEDLE, JET RM125/K2 OPT
Hinta
17,95 €
Määrä
+
-
Nro
#37
Tuotenumero
13383-36FD0-000
Nimike
NEEDLE, JET RM125/K2 OPT
Hinta
19,65 €
Määrä
+
-
Nro
#37
Tuotenumero
13383-36FF0-000
Nimike
NEEDLE, JET RM125/K2 OPT
Hinta
17,50 €
Määrä
+
-
Nro
#37
Tuotenumero
13383-36FH0-000
Nimike
NEEDLE, JET RM125/K2 OPT
Hinta
18,25 €
Määrä
+
-
Nro
#37
Tuotenumero
13383-36FK0-000
Nimike
NEEDLE, JET RM125/K2 OPT
Hinta
18,25 €
Määrä
+
-
Nro
#37
Tuotenumero
13383-36FA0-000
Nimike
NEEDLE, JET RM125/K2 OPT
Hinta
18,25 €
Määrä
+
-
Nro
#37
Tuotenumero
13383-36FC0-000
Nimike
NEULA 6BGY27-77 RM125 K2-K3
Hinta
28,20 €
Määrä
+
-
Nro
#37
Tuotenumero
13383-36FE0-000
Nimike
NEEDLE, JET RM125/K2 OPT
Hinta
16,05 €
Määrä
+
-
Nro
#37
Tuotenumero
13383-36FG0-000
Nimike
NEEDLE, JET RM125/K2 OPT
Hinta
16,85 €
Määrä
+
-
Nro
#37
Tuotenumero
13383-36FJ0-000
Nimike
NEEDLE, JET RM125/K2 OPT
Hinta
18,25 €
Määrä
+
-
Nro
#38
Tuotenumero
09491-52008-000
Nimike
JET RM125/K1- OPT
Hinta
13,25 €
Määrä
+
-
Nro
#38
Tuotenumero
09491-54003-000
Nimike
JET RM125/K1- OPT
Hinta
14,25 €
Määrä
+
-
Nro
#38
Tuotenumero
09491-56005-000
Nimike
JET RM125/K1- OPT
Hinta
12,65 €
Määrä
+
-
Nro
#38
Tuotenumero
09491-58007-000
Nimike
JET RM125/K1- OPT
Hinta
13,15 €
Määrä
+
-
Nro
#38
Tuotenumero
09491-60013-000
Nimike
JET RM125/K1- OPT
Hinta
13,15 €
Määrä
+
-
Nro
#38
Tuotenumero
09491-90005-000
Nimike
JET RM125/K1- OPT 4/042
Hinta
20,10 €
Lisätiedot
Määrä
+
-
Korvaavat tuotteet
Nro
#
Tuotenumero
4/042-450
Nimike
MUTTERISUUTIN # 450
Hinta
7,55 €
Määrä
+
-
Nro
#38
Tuotenumero
09491-92002-000
Nimike
JET, MAIN RM125/K1
Hinta
23,65 €
Määrä
+
-
Nro
#38
Tuotenumero
09491-94004-000
Nimike
JET RM125/K2-
Hinta
19,30 €
Määrä
+
-
Nro
#38
Tuotenumero
09491-96001-000
Nimike
JET RM125/K1- OPT 4/042
Hinta
19,70 €
Lisätiedot
Määrä
+
-
Korvaavat tuotteet
Nro
#
Tuotenumero
4/042-480
Nimike
MUTTERISUUTIN # 480
Hinta
7,55 €
Määrä
+
-
Nro
#38
Tuotenumero
09491-98001-000
Nimike
JET RM125/K1- OPT 4/042
Hinta
19,70 €
Lisätiedot
Määrä
+
-
Korvaavat tuotteet
Nro
#
Tuotenumero
4/042-490
Nimike
MUTTERISUUTIN # 490
Hinta
7,55 €
Määrä
+
-
Nro
#38
Tuotenumero
09491-88001-000
Nimike
JET,MAIN,440 4/042
Hinta
23,65 €
Lisätiedot
Määrä
+
-
Korvaavat tuotteet
Nro
#
Tuotenumero
4/042-440
Nimike
MUTTERISUUTIN # 440
Hinta
7,55 €
Määrä
+
-
Nro
#38
Tuotenumero
4/042-400
Nimike
MUTTERISUUTIN # 400
Hinta
7,55 €
Määrä
+
-
Nro
#38
Tuotenumero
4/042-420
Nimike
MUTTERISUUTIN # 420
Hinta
7,55 €
Määrä
+
-
Nro
#38
Tuotenumero
4/042-410
Nimike
MUTTERISUUTIN # 410
Hinta
7,55 €
Määrä
+
-
Nro
#38
Tuotenumero
4/042-430
Nimike
MUTTERISUUTIN # 430
Hinta
7,55 €
Määrä
+
-
Nro
#39
Tuotenumero
09492-25011-000
Nimike
PILOT JET 25 N224103
Hinta
19,45 €
Lisätiedot
Määrä
+
-
Korvaavat tuotteet
Nro
#
Tuotenumero
N224103-25
Nimike
TYHJÄK.SUUTIN #25
Hinta
13,40 €
Määrä
+
-
Nro
#39
Tuotenumero
09492-30014-000
Nimike
PILOT JET 30 N224103
Hinta
19,85 €
Lisätiedot
Määrä
+
-
Korvaavat tuotteet
Nro
#
Tuotenumero
N224103-30.0
Nimike
TYHJÄK.SUUTIN #30.0
Hinta
13,40 €
Määrä
+
-
Nro
#39
Tuotenumero
09492-32010-000
Nimike
JET,PILOT(32.5) VL1500 N224103
Hinta
21,95 €
Lisätiedot
Määrä
+
-
Korvaavat tuotteet
Nro
#
Tuotenumero
N224103-32.5
Nimike
TYHJÄK.SUUTIN #32.5
Hinta
13,40 €
Määrä
+
-
Nro
#39
Tuotenumero
09492-35021-000
Nimike
JET RM125/K1- OPT
Hinta
23,85 €
Lisätiedot
Määrä
+
-
Korvaavat tuotteet
Nro
#
Tuotenumero
N224103-35
Nimike
TYHJÄK.SUUTIN #35
Hinta
13,40 €
Määrä
+
-
Nro
#39
Tuotenumero
09492-27011-000
Nimike
JET PILOT 27.5 (KEIHIN)N224103
Hinta
24,75 €
Lisätiedot
Määrä
+
-
Korvaavat tuotteet
Nro
#
Tuotenumero
N224103-27.5
Nimike
TYHJÄK.SUUTIN #27.5
Hinta
13,40 €
Määrä
+
-