Kirjaudu
Kirjaudu sisään
Nakkilan pyörä ja mopo
Tuotekategoriat
Etusivu
Varaosaluettelot
Tarvikkeet
Varusteet
Tarjoukset
Ajoneuvot
Huolto
Yhteydenotto
Varaosa luettelot
Suzuki
125 cc Motocross
RM-125 K3 2003
00-Acerbis muovit
01-Tiivisteet 01-02
02-Tiivisteet 03-06
03-Sylinteri, -kansi
04-Pakoaukonsäädin, -mekanismi 01-02
05-Pakoaukonsäädin, -mekanismi 03
06-Pakoaukonsäädin, -mekanismi 04-06
07-Moottorilohkot, imukurkku
08-Moottorinposket, oik.+vas.
09-Kampikoneisto, mäntä
10-Kaasutin 01
11-Kaasutin 02
12-Kaasutin 03
13-Kaasutin 04
14-Kaasutin 05
15-Kaasutin 06
16-Ilmansuodatinkotelo, -suodatin 01-03
17-Ilmansuodatinkotelo, -suodatin 04-06
18-Pakoputkisto, äänenvaimennin
19-Jäähdyttimet, suojamuovit
20-Kytkin 01
21-Kytkin 02-06
22-Vaihteisto 01-03
23-Vaihteisto 04-06
24-Vaihteensiirto
25-Käynnistinpoljin, -mekanismi
26-Vauhtipyörä, alakäämi
27-Johtosarja, sähköt 01-03
28-Johtosarja, sähköt 04
29-Johtosarja, sähköt 05-06
30-Runko, takarunko
31-Jalkatapit, seisontatuki 01-02
32-Jalkatapit, seisontatuki 03-06
33-Takajarrupoljin 01-02
34-Takajarrupoljin 03-06
35-Polttoainesäiliö, korkki 01-03
36-Polttoainesäiliö, korkki 04-06
37-Polttoainehana
38-Sivunumerokilvet 01-02
39-Sivunumerokilvet03-06
40-Etulokasuoja, etunumerokilpi 01-03
41-Etulokasuoja, etunumerokilpi 04-06
42-Ohjaustanko, vaijerit 01-04
43-Ohjaustanko, vaijerit 05-06
44-Vivut, vipurungot, kahvat, -kumit 01-03
45-Vivut, vipurungot, kahvat, -kumit 04-06
46-Takalokasuoja
47-Huomio-tarrat
48-Istuin 01-04
49-Istuin 05-06
50-Etujousitus 01
51-Etujousitus 02
52-Etujousitus 03
53-Etujousitus 04
54-Etujousitus 05
55-Etujousitus 06
56-Ohjauspylväs, ohjauslaakerit 01
57-Ohjauspylväs, ohjauslaakerit 02
58-Ohjauspylväs, ohjauslaakerit 03
59-Ohjauspylväs, ohjauslaakerit 04
60-Ohjauspylväs, ohjauslaakerit 05
61-Ohjauspylväs, ohjauslaakerit 06
62-Etupyörä, etujarrulevy 01-04
63-Etupyörä, etujarrulevy 05-06
64-Etujarrusatula 01-04
65-Etujarrusatula 05-06
66-Etujarrupääsylinteri, etujarruletku 01-03
67-Etujarrupääsylinteri, etujarruletku 04
68-Etujarrupääsylinteri, etujarruletku 05-06
69-Takahaarukka, ketjunlaahain 01-03
70-Takahaarukka, ketjunlaahain 04
71-Takahaarukka, ketjunlaahain 05-06
72-Takaiskunvaimennin 01
73-Takaiskunvaimennin 02
74-Takaiskunvaimennin 03
75-Takaiskunvaimennin 04
76-Takaiskunvaimennin 05
77-Takaiskunvaimennin 06
78-Jousituksen linkut 01
79-Jousituksen linkut 02-03
80-Jousituksen linkut 04-06
81-Takapyörä 01-02
82-Takapyörä 03
83-Takapyörä 04
84-Takapyörä 05
85-Takapyörä 06
86-Takajarru 01-03
87-Takajarru 04
88-Takajarru 05-06
89-Jarrusylinteri 01-02
90-Jarrusylinteri 03
91-Jarrusylinteri 04
92-Jarrusylinteri 05-06
93-Tarvikkeet
Varaosat tuoteryhmittäin
Tarvikkeet
Tarjoukset
Varusteet
Ajoneuvot
Vaihteensiirto
Kampikammio
Kampikammion pultit
Moottorin kopat
Ãljypohja
Kaasu
Polttoainepumppu
Polttoaineen ruiskutus
Ãljypumppu
Laturi
SytytysjÀrjestelmÀ
Starttimoottori
JÀÀhdytin
JÀÀhdytysletkut
Runko
Moottorin kiinnitys
Rungon kiinnikkeet
Takahaarukka
Jousitus
Jalkatapit
Lokasuojat
Lokasuojat
Seisontatuki
Renkaat
EtupyörÀn napa
TakapyörÀn napa
Jarrupoljin
Brake Piping
Etujarrun pÀÀsylinteri
Etujarru
Takajarrun pÀÀsylinteri
Takajarru
Ohjaustanko
Etujousitus
PolttoainesÀiliö
Satula
Satula
Mittaristo
Vaijerit
Sivukatteet
Ajovalo
Takavalo
Vilkut
SÀhköjÀrjestelmÀ
Virtalukko
Työkalut
Tarrat
Tarrat
Tarrat
Tarrat
Tarrat
Tarrat
Tarrat
Tarrat
Etukate
Etukate
Etukate
Etukate
Etukate
Alakatteet
Manual
Sylinterikansi
Venttiili koppa
Sylinteri / mÀntÀ
Ilmanpuhdistin
Pakoputkisto
Venttiilit
Nokka-akseli
Kampiakseli
Balancer
Kytkin
Vaihteisto
Vaihderumpu
Vaihteensiirto
Kampikammio
Kampikammion pultit
Moottorin kopat
Ãljypohja
Kaasu
Polttoainepumppu
Polttoaineen ruiskutus
Ãljypumppu
Laturi
SytytysjÀrjestelmÀ
Starttimoottori
JÀÀhdytin
JÀÀhdytysletkut
Runko
Moottorin kiinnitys
Rungon kiinnikkeet
Takahaarukka
Jousitus
Jalkatapit
Lokasuojat
Lokasuojat
Seisontatuki
Renkaat
EtupyörÀn napa
TakapyörÀn napa
Jarrupoljin
Brake Piping
Etujarrun pÀÀsylinteri
Etujarru
Takajarrun pÀÀsylinteri
Takajarru
Ohjaustanko
Etujousitus
PolttoainesÀiliö
Satula
Mittaristo
Vaijerit
Sivukatteet
Ajovalo
Takavalo
Vilkut
SÀhköjÀrjestelmÀ
Virtalukko
Työkalut
Tarrat
Tarrat
Tarrat
Tarrat
Etukate
Etukate
Alakatteet
Manual
Sylinterikansi
Venttiili koppa
Cylinder / Piston(S)
Ilmanpuhdistin
Muffler(S)
Valve(S)
Camshaft(S) / Tensioner
Kampiakseli
Balancer
Clutch(Gef'-Gff)
Clutch(Ggf)
Vaihteisto
Vaihteisto
Gear Change Drum / Shift Fork(S)
Vaihteensiirto
Kampikammio
Kampikammion pultit
Engine Cover(S)
Ãljypohja
Kaasu
Polttoainepumppu
Polttoaineen ruiskutus
Ãljypumppu
Laturi
SytytysjÀrjestelmÀ
Starttimoottori
JÀÀhdytin
JÀÀhdytysletkut
Runko
Moottorin kiinnitys
Rungon kiinnikkeet
Takahaarukka
Jousitus
Jalkatapit
Front Fender(S)
Rear Fender(S)
Stand(S)
Renkaat
EtupyörÀn napa
TakapyörÀn napa
Jarrupoljin
Brake Piping
Etujarrun pÀÀsylinteri
Etujarru
Takajarrun pÀÀsylinteri
Takajarru
Ohjaustanko
Etujousitus
PolttoainesÀiliö
Satula
Meter(S)
Vaijerit
Sivukatteet
Headlight(S)
Taillight(S)
Vilkut
SÀhköjÀrjestelmÀ
Virtalukko
Owner
Tarrat
Tarrat
Tarrat
Tarrat
Tarrat
Tarrat
Tarrat
Etukate
Etukate
Etukate
Etukate
Alakatteet
Accessory(Engine Slider)
Accessory(Shroud Slider)
Accessory(Meter Cover)
Manual
Sylinterikansi
Venttiili koppa
Cylinder / Piston(S)
Ilmanpuhdistin
Muffler(S)
Valve(S)
Camshaft(S) / Tensioner
Kampiakseli
Balancer
Clutch(Gef'-Gff)
Clutch(Ggf)
Vaihteisto
Vaihteisto
Gear Change Drum / Shift Fork(S)
Vaihteensiirto
Kampikammio
Kampikammion pultit
Engine Cover(S)
Ãljypohja
Kaasu
Polttoainepumppu
Polttoaineen ruiskutus
Ãljypumppu
Laturi
SytytysjÀrjestelmÀ
Starttimoottori
JÀÀhdytin
JÀÀhdytysletkut
Runko
Moottorin kiinnitys
Rungon kiinnikkeet
Takahaarukka
Jousitus
Jalkatapit
Front Fender(S)
Rear Fender(S)
Stand(S)
Renkaat
EtupyörÀn napa
TakapyörÀn napa
Jarrupoljin
Brake Piping
Etujarrun pÀÀsylinteri
Etujarru
Takajarrun pÀÀsylinteri
Takajarru
Ohjaustanko
Etujousitus
PolttoainesÀiliö
Satula
Meter(S)
Vaijerit
Sivukatteet
Headlight(S)
Taillight(S)
Vilkut
SÀhköjÀrjestelmÀ
Virtalukko
Owner
Tarrat
Tarrat
Tarrat
Tarrat
Tarrat
Tarrat
Tarrat
Etukate
Etukate
Etukate
Etukate
Alakatteet
Accessory(Engine Slider)
Accessory(Shroud Slider)
Accessory(Meter Cover)
Manual
Sylinterikansi
Venttiili koppa
Cylinder / Piston(S)
Ilmanpuhdistin
Muffler(S)
Valve(S)
Camshaft(S) / Tensioner
Kampiakseli
Balancer
Clutch(Gef'-Gff)
Clutch(Ggf)
Vaihteisto
Vaihteisto
Gear Change Drum / Shift Fork(S)
Vaihteensiirto
Kampikammio
Kampikammion pultit
Engine Cover(S)
Ãljypohja
Kaasu
Polttoainepumppu
Polttoaineen ruiskutus
Ãljypumppu
Laturi
SytytysjÀrjestelmÀ
Starttimoottori
JÀÀhdytin
JÀÀhdytysletkut
Runko
Moottorin kiinnitys
Rungon kiinnikkeet
Takahaarukka
Jousitus
Jalkatapit
Front Fender(S)
Rear Fender(S)
Stand(S)
Renkaat
EtupyörÀn napa
TakapyörÀn napa
Jarrupoljin
Brake Piping
Etujarrun pÀÀsylinteri
Etujarru
Takajarrun pÀÀsylinteri
Takajarru
Ohjaustanko
Etujousitus
PolttoainesÀiliö
Satula
Meter(S)
Vaijerit
Sivukatteet
Headlight(S)
Taillight(S)
Vilkut
SÀhköjÀrjestelmÀ
Virtalukko
Owner
Tarrat
Tarrat
Tarrat
Tarrat
Tarrat
Tarrat
Tarrat
Etukate
Etukate
Etukate
Etukate
Alakatteet
Accessory(Engine Slider)
Accessory(Shroud Slider)
Accessory(Meter Cover)
Manual
Sylinterikansi
Venttiili koppa
Sylinteri / mÀntÀ
Ilmanpuhdistin
Pakoputkisto
Venttiilit
Nokka-akseli
Kampiakseli
Balancer
Kytkin
Vaihteisto
Vaihderumpu
Vaihteensiirto
Kampikammio
Kampikammion pultit
Moottorin kopat
Ãljypohja
Kaasu
Polttoainepumppu
Polttoaineen ruiskutus
Fuel Evaporative System
Ãljypumppu
Laturi
SytytysjÀrjestelmÀ
Starttimoottori
JÀÀhdytin
JÀÀhdytysletkut
Runko
Moottorin kiinnitys
Rungon kiinnikkeet
Takahaarukka
Jousitus
Jalkatapit
Lokasuojat
Lokasuojat
Seisontatuki
Renkaat
EtupyörÀn napa
TakapyörÀn napa
Jarrupoljin
Brake Piping
Etujarrun pÀÀsylinteri
Etujarru
Takajarrun pÀÀsylinteri
Takajarru
Ohjaustanko
Etujousitus
PolttoainesÀiliö
Satula
Mittaristo
Vaijerit
Sivukatteet
Ajovalo
Takavalo
Vilkut
Vilkut
SÀhköjÀrjestelmÀ
Virtalukko
Työkalut
Tarrat
Tarrat
Tarrat
Tarrat
Etukate
Etukate
Alakatteet
Accessory(Shroud Slider)
Accessory(Meter Cover)
Accessory(Crankcase Ring)
Accessory(Axle Slider)
Manual
Sylinterikansi
Venttiili koppa
Sylinteri / mÀntÀ
Ilmanpuhdistin
Pakoputkisto
Venttiilit
Nokka-akseli
Kampiakseli
Balancer
Kytkin
Vaihteisto
Vaihderumpu
Vaihteensiirto
Kampikammio
Kampikammion pultit
Moottorin kopat
Ãljypohja
Kaasu
Polttoainepumppu
Polttoaineen ruiskutus
Fuel Evaporative System
Ãljypumppu
Laturi
SytytysjÀrjestelmÀ
Starttimoottori
JÀÀhdytin
JÀÀhdytysletkut
Runko
Moottorin kiinnitys
Rungon kiinnikkeet
Takahaarukka
Jousitus
Jalkatapit
Lokasuojat
Lokasuojat
Seisontatuki
Renkaat
EtupyörÀn napa
TakapyörÀn napa
Jarrupoljin
Brake Piping
Etujarrun pÀÀsylinteri
Etujarru
Takajarrun pÀÀsylinteri
Takajarru
Ohjaustanko
Etujousitus
PolttoainesÀiliö
Satula
Mittaristo
Vaijerit
Sivukatteet
Ajovalo
Takavalo
Vilkut
Vilkut
SÀhköjÀrjestelmÀ
Virtalukko
Työkalut
Tarrat
Tarrat
Tarrat
Tarrat
Etukate
Etukate
Alakatteet
Accessory(Shroud Slider)
Accessory(Meter Cover)
Accessory(Crankcase Ring)
Accessory(Axle Slider)
Manual
Sylinterikansi
Venttiili koppa
Sylinteri / mÀntÀ
Ilmanpuhdistin
Pakoputkisto
Venttiilit
Nokka-akseli
Kampiakseli
Balancer
Kytkin
Vaihteisto
Vaihderumpu
Vaihteensiirto
Kampikammio
Kampikammion pultit
Moottorin kopat
Ãljypohja
Kaasu
Polttoainepumppu
Polttoaineen ruiskutus
Fuel Evaporative System
Ãljypumppu
Laturi
SytytysjÀrjestelmÀ
Starttimoottori
JÀÀhdytin
JÀÀhdytysletkut
Runko
Moottorin kiinnitys
Rungon kiinnikkeet
Takahaarukka
Jousitus
Jalkatapit
Lokasuojat
Lokasuojat
Seisontatuki
Renkaat
EtupyörÀn napa
TakapyörÀn napa
Jarrupoljin
Brake Piping
Etujarrun pÀÀsylinteri
Etujarru
Takajarrun pÀÀsylinteri
Takajarru
Ohjaustanko
Etujousitus
PolttoainesÀiliö
Satula
Mittaristo
Vaijerit
Sivukatteet
Ajovalo
Takavalo
Vilkut
Vilkut
SÀhköjÀrjestelmÀ
Virtalukko
Työkalut
Tarrat
Tarrat
Tarrat
Tarrat
Etukate
Etukate
Alakatteet
Accessory(Shroud Slider)
Accessory(Meter Cover)
Accessory(Crankcase Ring)
Accessory(Axle Slider)
Manual
Sylinterikansi
Venttiili koppa
Sylinteri / mÀntÀ
Ilmanpuhdistin
Pakoputkisto
Venttiilit
Nokka-akseli
Kampiakseli
Balancer
Kytkin
Vaihteisto
Vaihderumpu
Vaihteensiirto
Kampikammio
Kampikammion pultit
Moottorin kopat
Ãljypohja
Kaasu
Polttoainepumppu
Polttoaineen ruiskutus
Fuel Evaporative System
Ãljypumppu
Laturi
SytytysjÀrjestelmÀ
Starttimoottori
JÀÀhdytin
JÀÀhdytysletkut
Runko
Moottorin kiinnitys
Rungon kiinnikkeet
Takahaarukka
Jousitus
Jalkatapit
Lokasuojat
Lokasuojat
Seisontatuki
Renkaat
EtupyörÀn napa
TakapyörÀn napa
Jarrupoljin
Brake Piping
Etujarrun pÀÀsylinteri
Etujarru
Takajarrun pÀÀsylinteri
Takajarru
Ohjaustanko
Etujousitus
PolttoainesÀiliö
Satula
Mittaristo
Vaijerit
Sivukatteet
Ajovalo
Takavalo
Vilkut
Vilkut
SÀhköjÀrjestelmÀ
Virtalukko
Työkalut
Tarrat
Tarrat
Tarrat
Tarrat
Etukate
Etukate
Alakatteet
Accessory(Shroud Slider)
Accessory(Meter Cover)
Accessory(Crankcase Ring)
Accessory(Axle Slider)
Manual
Sylinterikansi
Venttiili koppa
Sylinteri / mÀntÀ
Ilmanpuhdistin
Pakoputkisto
Venttiilit
Nokka-akseli
Kampiakseli
Balancer
Kytkin
Vaihteisto
Vaihderumpu
Vaihteensiirto
Kampikammio
Kampikammion pultit
Moottorin kopat
Ãljypohja
Kaasu
Polttoainepumppu
Polttoaineen ruiskutus
Fuel Evaporative System
Ãljypumppu
Laturi
SytytysjÀrjestelmÀ
Starttimoottori
JÀÀhdytin
JÀÀhdytysletkut
Runko
Moottorin kiinnitys
Rungon kiinnikkeet
Takahaarukka
Jousitus
Jalkatapit
Lokasuojat
Lokasuojat
Seisontatuki
Renkaat
EtupyörÀn napa
TakapyörÀn napa
Jarrupoljin
Brake Piping
Etujarrun pÀÀsylinteri
Etujarru
Takajarrun pÀÀsylinteri
Takajarru
Ohjaustanko
Etujousitus
PolttoainesÀiliö
Satula
Mittaristo
Vaijerit
Sivukatteet
Ajovalo
Takavalo
Vilkut
SÀhköjÀrjestelmÀ
Virtalukko
Työkalut
Tarrat
Tarrat
Etukate
Etukate
Alakatteet
Accessory(Shroud Slider)
Accessory(Meter Cover)
Accessory(Crankcase Ring)
Accessory(Axle Slider)
Sylinterikansi
Venttiili koppa
Sylinteri / mÀntÀ
Ilmanpuhdistin
Pakoputkisto
Venttiilit
Nokka-akseli
Kampiakseli
Balancer
Kytkin
Vaihteisto
Vaihderumpu
Vaihteensiirto
Kampikammio
Kampikammion pultit
Moottorin kopat
Ãljypohja
Kaasu
Polttoainepumppu
Polttoaineen ruiskutus
Fuel Evaporative System
Ãljypumppu
Laturi
SytytysjÀrjestelmÀ
Starttimoottori
JÀÀhdytin
JÀÀhdytysletkut
Runko
Moottorin kiinnitys
Rungon kiinnikkeet
Takahaarukka
Jousitus
Jalkatapit
Lokasuojat
Lokasuojat
Seisontatuki
Renkaat
EtupyörÀn napa
TakapyörÀn napa
Jarrupoljin
Brake Piping
Etujarrun pÀÀsylinteri
Etujarru
Takajarrun pÀÀsylinteri
Takajarru
Ohjaustanko
Etujousitus
PolttoainesÀiliö
Satula
Mittaristo
Vaijerit
Sivukatteet
Ajovalo
Takavalo
Vilkut
SÀhköjÀrjestelmÀ
Virtalukko
Työkalut
Tarrat
Tarrat
Etukate
Etukate
Alakatteet
Accessory(Shroud Slider)
Accessory(Meter Cover)
Accessory(Crankcase Ring)
Accessory(Axle Slider)
Sylinterikansi
Venttiili koppa
Sylinteri / mÀntÀ
Ilmanpuhdistin
Pakoputkisto
Venttiilit
Nokka-akseli
Kampiakseli
Balancer
Kytkin
Vaihteisto
Vaihderumpu
Vaihteensiirto
Kampikammio
Kampikammion pultit
Moottorin kopat
Ãljypohja
Kaasu
Polttoainepumppu
Polttoaineen ruiskutus
Fuel Evaporative System
Ãljypumppu
Laturi
SytytysjÀrjestelmÀ
Starttimoottori
JÀÀhdytin
JÀÀhdytysletkut
Runko
Moottorin kiinnitys
Rungon kiinnikkeet
Takahaarukka
Jousitus
Jalkatapit
Lokasuojat
Lokasuojat
Seisontatuki
Renkaat
EtupyörÀn napa
TakapyörÀn napa
Jarrupoljin
Brake Piping
Etujarrun pÀÀsylinteri
Etujarru
Takajarrun pÀÀsylinteri
Takajarru
Ohjaustanko
Etujousitus
PolttoainesÀiliö
Satula
Mittaristo
Vaijerit
Sivukatteet
Ajovalo
Takavalo
Vilkut
SÀhköjÀrjestelmÀ
Virtalukko
Työkalut
Tarrat
Tarrat
Etukate
Etukate
Alakatteet
Accessory(Shroud Slider)
Accessory(Meter Cover)
Accessory(Crankcase Ring)
Accessory(Axle Slider)
Sylinterikansi
Venttiili koppa
Sylinteri / mÀntÀ
Ilmanpuhdistin
Pakoputkisto
Venttiilit
Nokka-akseli
Kampiakseli
Balancer
Kytkin
Vaihteisto
Vaihderumpu
Vaihteensiirto
Kampikammio
Kampikammion pultit
Moottorin kopat
Ãljypohja
Kaasu
Polttoainepumppu
Polttoaineen ruiskutus
Fuel Evaporative System
Ãljypumppu
Laturi
SytytysjÀrjestelmÀ
Starttimoottori
JÀÀhdytin
JÀÀhdytysletkut
Runko
Moottorin kiinnitys
Rungon kiinnikkeet
Takahaarukka
Jousitus
Jalkatapit
Lokasuojat
Lokasuojat
Seisontatuki
Renkaat
EtupyörÀn napa
TakapyörÀn napa
Jarrupoljin
Brake Piping
Etujarrun pÀÀsylinteri
Etujarru
Takajarrun pÀÀsylinteri
Takajarru
Ohjaustanko
Etujousitus
PolttoainesÀiliö
Satula
Mittaristo
Vaijerit
Ajovalo
Takavalo
Vilkut
SÀhköjÀrjestelmÀ
Virtalukko
Työkalut
Tarrat
Tarrat
Etukate
Etukate
Alakatteet
Accessory(Shroud Slider)
Accessory(Meter Cover)
Accessory(Crankcase Ring)
Accessory(Axle Slider)
NÄYTÄ TUOTEKATEGORIAT
NPM.FI
Varaosa luettelot
Suzuki
125 cc Motocross
RM-125 K3 2003
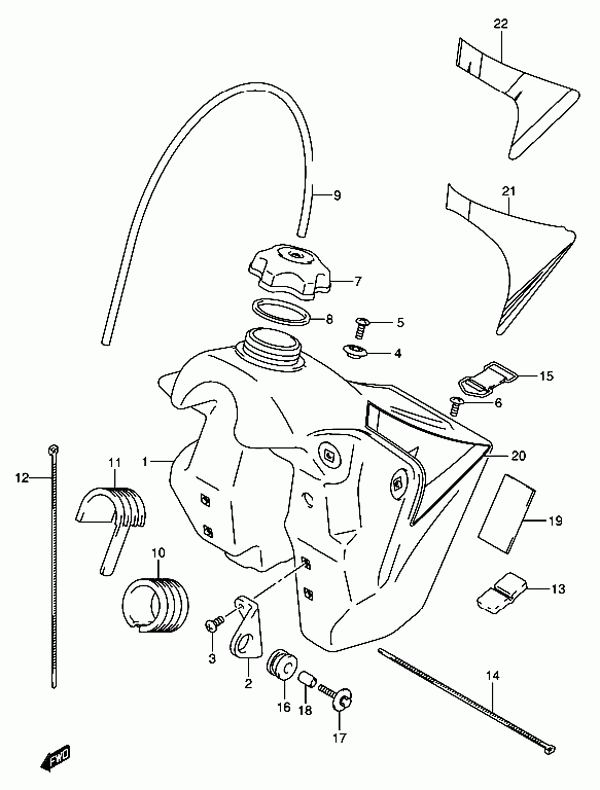
36-Polttoainesäiliö, korkki 04-06
36-Polttoainesäiliö, korkki 04-06, RM-125 K3 2003, 125 cc Motocross, Suzuki-varaosa luettelot
Näytä suurempana
Nro
#1
Tuotenumero
44110-36F10-YU1
Nimike
TANK COMP,FUEL RM125/K4
Hinta
358,10 €
Määrä
+
-
Nro
#1
Tuotenumero
44110-36F20-YU1
Nimike
TANK RM125/K5
Hinta
406,85 €
Määrä
+
-
Nro
#2
Tuotenumero
44131-27C01-000
Nimike
BRACKET,FUEL TANK FR
Hinta
15,90 €
Määrä
+
-
Nro
#3
Tuotenumero
02142-0612B-000
Nimike
RUUVI M6X12 AN650/K4
Hinta
2,75 €
Lisätiedot
Määrä
+
-
Korvaavat tuotteet
Nro
#
Tuotenumero
02142-06123-000
Nimike
SCREW.M6X1X12 AN650K4
Hinta
2,00 €
Määrä
+
-
Nro
#4
Tuotenumero
44132-37F00-000
Nimike
HOOK RM125/K1-
Hinta
9,75 €
Määrä
+
-
Nro
#4
Tuotenumero
44132-37F10-000
Nimike
HOOK, SEAT FRONT RM250/K5
Hinta
17,15 €
Määrä
+
-
Nro
#5
Tuotenumero
02142-0616A-000
Nimike
SCREW VZR1800/K6
Hinta
2,20 €
Määrä
+
-
Nro
#5
Tuotenumero
02122-0620B-000
Nimike
KARTIORUUVI M6X16 RIST/KUUSIOK
Hinta
2,85 €
Määrä
+
-
Nro
#6
Tuotenumero
09139-06134-000
Nimike
SCREW RM250/K4-
Hinta
3,35 €
Määrä
+
-
Nro
#7
Tuotenumero
44210-37F00-000
Nimike
CAP, FUEL FILLER RM250/K4-
Hinta
37,40 €
Määrä
+
-
Nro
#8
Tuotenumero
44248-27C00-000
Nimike
GASKET
Hinta
6,25 €
Määrä
+
-
Nro
#9
Tuotenumero
09352-50823-600
Nimike
LETKU 5 X 8.2 X 600
Hinta
7,80 €
Lisätiedot
Määrä
+
-
Korvaavat tuotteet
Nro
#
Tuotenumero
09352-50005-600
Nimike
LETKU 5X8.2X600
Hinta
9,85 €
Määrä
+
-
Nro
#10
Tuotenumero
44541-26C00-000
Nimike
TANKIN KIINIKE
Hinta
33,55 €
Määrä
+
-
Nro
#11
Tuotenumero
44541-36F00-000
Nimike
CUAHION RM125/K2-
Hinta
23,30 €
Määrä
+
-
Nro
#11
Tuotenumero
44541-37F00-000
Nimike
CUSHION RM250/K2-
Hinta
34,70 €
Määrä
+
-
Nro
#12
Tuotenumero
09407-30402-000
Nimike
CLAMP
Hinta
6,20 €
Määrä
+
-
Nro
#12
Tuotenumero
09407-25402-000
Nimike
CLAMP
Hinta
6,35 €
Lisätiedot
Määrä
+
-
Korvaavat tuotteet
Nro
#
Tuotenumero
09407-20405-000
Nimike
CLAMP(L:202)
Hinta
3,65 €
Määrä
+
-
Nro
#13
Tuotenumero
44542-36F00-000
Nimike
CUSHION RM125/K1-
Hinta
7,75 €
Määrä
+
-
Nro
#13
Tuotenumero
44542-37F00-000
Nimike
CUSHION, FUEL TANK RM250/K5
Hinta
71,60 €
Määrä
+
-
Nro
#14
Tuotenumero
09407-25402-000
Nimike
CLAMP
Hinta
6,35 €
Lisätiedot
Määrä
+
-
Korvaavat tuotteet
Nro
#
Tuotenumero
09407-20405-000
Nimike
CLAMP(L:202)
Hinta
3,65 €
Määrä
+
-
Nro
#15
Tuotenumero
44560-27C00-000
Nimike
BAND COMP
Hinta
13,15 €
Määrä
+
-
Nro
#16
Tuotenumero
14762-01B01-000
Nimike
KTS 14762-01B02 PAKOPUTK. TÄRI
Hinta
5,90 €
Lisätiedot
Määrä
+
-
Korvaavat tuotteet
Nro
#
Tuotenumero
14762-01B02-000
Nimike
PAKOPUTKEN VÄRINÄKUMI
Hinta
7,85 €
Määrä
+
-
Nro
#17
Tuotenumero
09116-06195-000
Nimike
BOLT RM250/K4-
Hinta
5,15 €
Määrä
+
-
Nro
#18
Tuotenumero
09180-06268-000
Nimike
SPACER
Hinta
3,15 €
Määrä
+
-
Nro
#19
Tuotenumero
33652-19F00-000
Nimike
PROTECTOR
Hinta
8,05 €
Määrä
+
-
Nro
#20
Tuotenumero
68110-37F30-NT3
Nimike
TAPE SET RM125&250/K4-
Hinta
131,75 €
Määrä
+
-
Nro
#21
Tuotenumero
68110-37F40-AZR
Nimike
TAPE SET, FUEL TANK RM250/K5
Hinta
186,70 €
Määrä
+
-
Nro
#22
Tuotenumero
68110-37F50-CFK
Nimike
TAPE SET RM125&250/K6
Hinta
277,60 €
Määrä
+
-