Kirjaudu
Kirjaudu sisään
Nakkilan pyörä ja mopo
Tuotekategoriat
Etusivu
Varaosaluettelot
Tarvikkeet
Varusteet
Tarjoukset
Ajoneuvot
Huolto
Yhteydenotto
Varaosa luettelot
Suzuki
250 cc Motocross
RM-250
RM-250 Alkuperäisluettelot
RM-250 T,V,W,X,Y 1996-2000
00-Acerbis muoviosat
0T-Tiivisteet
01-Sylinterit, kansi
02-Sylinteri, kansi
03-Sylinteri, Kansi
04-Pakosäätimet
05-Pakosäätimet
06-Pakosäätimet
07-Pakosäätimet
08-Lohkot
09-Sivuposket
10-Kampiakseli
11-Kaasutin
12-Kaasutin
13-Kaasutin
14-Ilmansuodatin
15-Pakoputkisto
16-Jäähdytin
17-Kytkin
18-Vaihteisto
19-Vaihteen siirto
20-Käynnistin
21-Mangneetto
22-Sytytyslaitteet
23-Runko
24-Jalkatapit
25-Jarrupoljin
26-Tankki
27-Polttoainehana
28-Sivukilvet
29-Etulokari
30-Ohjaintanko
31-Kahvat
32-Takalokari
33-Ohjetarrat
34-Istuin
35-Etujousitus
36-Etujousitus
37-Etujousitus
38-Etujousitus
39-Etujousitus
40-Haarukan kolmiot
41-Haarukan kolmiot
42-Etupyörä
43-Etupyörä
44-Etujarru
45-Etujarrun puristin
46-Etujarrun puristin
47-Takahaarukka
48-Takahaarukka
49-Takahaarukka
50-Takahaarukka
51-Takahaarukka
52-Takaiskari
53-Takaiskari
54-Takaiskari
55-Takaiskari
56-Takaiskari
57-Takajousituksen linkut
58-Takajousituksen linkut
59-Takajousituksen linkut
60-Takapyörä
61-Takapyörä
62-Takajarru
63-Takajarrun sylinteri
64-Tarvikkeet
Varaosat tuoteryhmittäin
Tarvikkeet
Tarjoukset
Varusteet
Ajoneuvot
Vaihteensiirto
Kampikammio
Kampikammion pultit
Moottorin kopat
Ãljypohja
Kaasu
Polttoainepumppu
Polttoaineen ruiskutus
Ãljypumppu
Laturi
SytytysjÀrjestelmÀ
Starttimoottori
JÀÀhdytin
JÀÀhdytysletkut
Runko
Moottorin kiinnitys
Rungon kiinnikkeet
Takahaarukka
Jousitus
Jalkatapit
Lokasuojat
Lokasuojat
Seisontatuki
Renkaat
EtupyörÀn napa
TakapyörÀn napa
Jarrupoljin
Brake Piping
Etujarrun pÀÀsylinteri
Etujarru
Takajarrun pÀÀsylinteri
Takajarru
Ohjaustanko
Etujousitus
PolttoainesÀiliö
Satula
Satula
Mittaristo
Vaijerit
Sivukatteet
Ajovalo
Takavalo
Vilkut
SÀhköjÀrjestelmÀ
Virtalukko
Työkalut
Tarrat
Tarrat
Tarrat
Tarrat
Tarrat
Tarrat
Tarrat
Tarrat
Etukate
Etukate
Etukate
Etukate
Etukate
Alakatteet
Manual
Sylinterikansi
Venttiili koppa
Sylinteri / mÀntÀ
Ilmanpuhdistin
Pakoputkisto
Venttiilit
Nokka-akseli
Kampiakseli
Balancer
Kytkin
Vaihteisto
Vaihderumpu
Vaihteensiirto
Kampikammio
Kampikammion pultit
Moottorin kopat
Ãljypohja
Kaasu
Polttoainepumppu
Polttoaineen ruiskutus
Ãljypumppu
Laturi
SytytysjÀrjestelmÀ
Starttimoottori
JÀÀhdytin
JÀÀhdytysletkut
Runko
Moottorin kiinnitys
Rungon kiinnikkeet
Takahaarukka
Jousitus
Jalkatapit
Lokasuojat
Lokasuojat
Seisontatuki
Renkaat
EtupyörÀn napa
TakapyörÀn napa
Jarrupoljin
Brake Piping
Etujarrun pÀÀsylinteri
Etujarru
Takajarrun pÀÀsylinteri
Takajarru
Ohjaustanko
Etujousitus
PolttoainesÀiliö
Satula
Mittaristo
Vaijerit
Sivukatteet
Ajovalo
Takavalo
Vilkut
SÀhköjÀrjestelmÀ
Virtalukko
Työkalut
Tarrat
Tarrat
Tarrat
Tarrat
Etukate
Etukate
Alakatteet
Manual
Sylinterikansi
Venttiili koppa
Cylinder / Piston(S)
Ilmanpuhdistin
Muffler(S)
Valve(S)
Camshaft(S) / Tensioner
Kampiakseli
Balancer
Clutch(Gef'-Gff)
Clutch(Ggf)
Vaihteisto
Vaihteisto
Gear Change Drum / Shift Fork(S)
Vaihteensiirto
Kampikammio
Kampikammion pultit
Engine Cover(S)
Ãljypohja
Kaasu
Polttoainepumppu
Polttoaineen ruiskutus
Ãljypumppu
Laturi
SytytysjÀrjestelmÀ
Starttimoottori
JÀÀhdytin
JÀÀhdytysletkut
Runko
Moottorin kiinnitys
Rungon kiinnikkeet
Takahaarukka
Jousitus
Jalkatapit
Front Fender(S)
Rear Fender(S)
Stand(S)
Renkaat
EtupyörÀn napa
TakapyörÀn napa
Jarrupoljin
Brake Piping
Etujarrun pÀÀsylinteri
Etujarru
Takajarrun pÀÀsylinteri
Takajarru
Ohjaustanko
Etujousitus
PolttoainesÀiliö
Satula
Meter(S)
Vaijerit
Sivukatteet
Headlight(S)
Taillight(S)
Vilkut
SÀhköjÀrjestelmÀ
Virtalukko
Owner
Tarrat
Tarrat
Tarrat
Tarrat
Tarrat
Tarrat
Tarrat
Etukate
Etukate
Etukate
Etukate
Alakatteet
Accessory(Engine Slider)
Accessory(Shroud Slider)
Accessory(Meter Cover)
Manual
Sylinterikansi
Venttiili koppa
Cylinder / Piston(S)
Ilmanpuhdistin
Muffler(S)
Valve(S)
Camshaft(S) / Tensioner
Kampiakseli
Balancer
Clutch(Gef'-Gff)
Clutch(Ggf)
Vaihteisto
Vaihteisto
Gear Change Drum / Shift Fork(S)
Vaihteensiirto
Kampikammio
Kampikammion pultit
Engine Cover(S)
Ãljypohja
Kaasu
Polttoainepumppu
Polttoaineen ruiskutus
Ãljypumppu
Laturi
SytytysjÀrjestelmÀ
Starttimoottori
JÀÀhdytin
JÀÀhdytysletkut
Runko
Moottorin kiinnitys
Rungon kiinnikkeet
Takahaarukka
Jousitus
Jalkatapit
Front Fender(S)
Rear Fender(S)
Stand(S)
Renkaat
EtupyörÀn napa
TakapyörÀn napa
Jarrupoljin
Brake Piping
Etujarrun pÀÀsylinteri
Etujarru
Takajarrun pÀÀsylinteri
Takajarru
Ohjaustanko
Etujousitus
PolttoainesÀiliö
Satula
Meter(S)
Vaijerit
Sivukatteet
Headlight(S)
Taillight(S)
Vilkut
SÀhköjÀrjestelmÀ
Virtalukko
Owner
Tarrat
Tarrat
Tarrat
Tarrat
Tarrat
Tarrat
Tarrat
Etukate
Etukate
Etukate
Etukate
Alakatteet
Accessory(Engine Slider)
Accessory(Shroud Slider)
Accessory(Meter Cover)
Manual
Sylinterikansi
Venttiili koppa
Cylinder / Piston(S)
Ilmanpuhdistin
Muffler(S)
Valve(S)
Camshaft(S) / Tensioner
Kampiakseli
Balancer
Clutch(Gef'-Gff)
Clutch(Ggf)
Vaihteisto
Vaihteisto
Gear Change Drum / Shift Fork(S)
Vaihteensiirto
Kampikammio
Kampikammion pultit
Engine Cover(S)
Ãljypohja
Kaasu
Polttoainepumppu
Polttoaineen ruiskutus
Ãljypumppu
Laturi
SytytysjÀrjestelmÀ
Starttimoottori
JÀÀhdytin
JÀÀhdytysletkut
Runko
Moottorin kiinnitys
Rungon kiinnikkeet
Takahaarukka
Jousitus
Jalkatapit
Front Fender(S)
Rear Fender(S)
Stand(S)
Renkaat
EtupyörÀn napa
TakapyörÀn napa
Jarrupoljin
Brake Piping
Etujarrun pÀÀsylinteri
Etujarru
Takajarrun pÀÀsylinteri
Takajarru
Ohjaustanko
Etujousitus
PolttoainesÀiliö
Satula
Meter(S)
Vaijerit
Sivukatteet
Headlight(S)
Taillight(S)
Vilkut
SÀhköjÀrjestelmÀ
Virtalukko
Owner
Tarrat
Tarrat
Tarrat
Tarrat
Tarrat
Tarrat
Tarrat
Etukate
Etukate
Etukate
Etukate
Alakatteet
Accessory(Engine Slider)
Accessory(Shroud Slider)
Accessory(Meter Cover)
Manual
Sylinterikansi
Venttiili koppa
Sylinteri / mÀntÀ
Ilmanpuhdistin
Pakoputkisto
Venttiilit
Nokka-akseli
Kampiakseli
Balancer
Kytkin
Vaihteisto
Vaihderumpu
Vaihteensiirto
Kampikammio
Kampikammion pultit
Moottorin kopat
Ãljypohja
Kaasu
Polttoainepumppu
Polttoaineen ruiskutus
Fuel Evaporative System
Ãljypumppu
Laturi
SytytysjÀrjestelmÀ
Starttimoottori
JÀÀhdytin
JÀÀhdytysletkut
Runko
Moottorin kiinnitys
Rungon kiinnikkeet
Takahaarukka
Jousitus
Jalkatapit
Lokasuojat
Lokasuojat
Seisontatuki
Renkaat
EtupyörÀn napa
TakapyörÀn napa
Jarrupoljin
Brake Piping
Etujarrun pÀÀsylinteri
Etujarru
Takajarrun pÀÀsylinteri
Takajarru
Ohjaustanko
Etujousitus
PolttoainesÀiliö
Satula
Mittaristo
Vaijerit
Sivukatteet
Ajovalo
Takavalo
Vilkut
Vilkut
SÀhköjÀrjestelmÀ
Virtalukko
Työkalut
Tarrat
Tarrat
Tarrat
Tarrat
Etukate
Etukate
Alakatteet
Accessory(Shroud Slider)
Accessory(Meter Cover)
Accessory(Crankcase Ring)
Accessory(Axle Slider)
Manual
Sylinterikansi
Venttiili koppa
Sylinteri / mÀntÀ
Ilmanpuhdistin
Pakoputkisto
Venttiilit
Nokka-akseli
Kampiakseli
Balancer
Kytkin
Vaihteisto
Vaihderumpu
Vaihteensiirto
Kampikammio
Kampikammion pultit
Moottorin kopat
Ãljypohja
Kaasu
Polttoainepumppu
Polttoaineen ruiskutus
Fuel Evaporative System
Ãljypumppu
Laturi
SytytysjÀrjestelmÀ
Starttimoottori
JÀÀhdytin
JÀÀhdytysletkut
Runko
Moottorin kiinnitys
Rungon kiinnikkeet
Takahaarukka
Jousitus
Jalkatapit
Lokasuojat
Lokasuojat
Seisontatuki
Renkaat
EtupyörÀn napa
TakapyörÀn napa
Jarrupoljin
Brake Piping
Etujarrun pÀÀsylinteri
Etujarru
Takajarrun pÀÀsylinteri
Takajarru
Ohjaustanko
Etujousitus
PolttoainesÀiliö
Satula
Mittaristo
Vaijerit
Sivukatteet
Ajovalo
Takavalo
Vilkut
Vilkut
SÀhköjÀrjestelmÀ
Virtalukko
Työkalut
Tarrat
Tarrat
Tarrat
Tarrat
Etukate
Etukate
Alakatteet
Accessory(Shroud Slider)
Accessory(Meter Cover)
Accessory(Crankcase Ring)
Accessory(Axle Slider)
Manual
Sylinterikansi
Venttiili koppa
Sylinteri / mÀntÀ
Ilmanpuhdistin
Pakoputkisto
Venttiilit
Nokka-akseli
Kampiakseli
Balancer
Kytkin
Vaihteisto
Vaihderumpu
Vaihteensiirto
Kampikammio
Kampikammion pultit
Moottorin kopat
Ãljypohja
Kaasu
Polttoainepumppu
Polttoaineen ruiskutus
Fuel Evaporative System
Ãljypumppu
Laturi
SytytysjÀrjestelmÀ
Starttimoottori
JÀÀhdytin
JÀÀhdytysletkut
Runko
Moottorin kiinnitys
Rungon kiinnikkeet
Takahaarukka
Jousitus
Jalkatapit
Lokasuojat
Lokasuojat
Seisontatuki
Renkaat
EtupyörÀn napa
TakapyörÀn napa
Jarrupoljin
Brake Piping
Etujarrun pÀÀsylinteri
Etujarru
Takajarrun pÀÀsylinteri
Takajarru
Ohjaustanko
Etujousitus
PolttoainesÀiliö
Satula
Mittaristo
Vaijerit
Sivukatteet
Ajovalo
Takavalo
Vilkut
Vilkut
SÀhköjÀrjestelmÀ
Virtalukko
Työkalut
Tarrat
Tarrat
Tarrat
Tarrat
Etukate
Etukate
Alakatteet
Accessory(Shroud Slider)
Accessory(Meter Cover)
Accessory(Crankcase Ring)
Accessory(Axle Slider)
Manual
Sylinterikansi
Venttiili koppa
Sylinteri / mÀntÀ
Ilmanpuhdistin
Pakoputkisto
Venttiilit
Nokka-akseli
Kampiakseli
Balancer
Kytkin
Vaihteisto
Vaihderumpu
Vaihteensiirto
Kampikammio
Kampikammion pultit
Moottorin kopat
Ãljypohja
Kaasu
Polttoainepumppu
Polttoaineen ruiskutus
Fuel Evaporative System
Ãljypumppu
Laturi
SytytysjÀrjestelmÀ
Starttimoottori
JÀÀhdytin
JÀÀhdytysletkut
Runko
Moottorin kiinnitys
Rungon kiinnikkeet
Takahaarukka
Jousitus
Jalkatapit
Lokasuojat
Lokasuojat
Seisontatuki
Renkaat
EtupyörÀn napa
TakapyörÀn napa
Jarrupoljin
Brake Piping
Etujarrun pÀÀsylinteri
Etujarru
Takajarrun pÀÀsylinteri
Takajarru
Ohjaustanko
Etujousitus
PolttoainesÀiliö
Satula
Mittaristo
Vaijerit
Sivukatteet
Ajovalo
Takavalo
Vilkut
Vilkut
SÀhköjÀrjestelmÀ
Virtalukko
Työkalut
Tarrat
Tarrat
Tarrat
Tarrat
Etukate
Etukate
Alakatteet
Accessory(Shroud Slider)
Accessory(Meter Cover)
Accessory(Crankcase Ring)
Accessory(Axle Slider)
Manual
Sylinterikansi
Venttiili koppa
Sylinteri / mÀntÀ
Ilmanpuhdistin
Pakoputkisto
Venttiilit
Nokka-akseli
Kampiakseli
Balancer
Kytkin
Vaihteisto
Vaihderumpu
Vaihteensiirto
Kampikammio
Kampikammion pultit
Moottorin kopat
Ãljypohja
Kaasu
Polttoainepumppu
Polttoaineen ruiskutus
Fuel Evaporative System
Ãljypumppu
Laturi
SytytysjÀrjestelmÀ
Starttimoottori
JÀÀhdytin
JÀÀhdytysletkut
Runko
Moottorin kiinnitys
Rungon kiinnikkeet
Takahaarukka
Jousitus
Jalkatapit
Lokasuojat
Lokasuojat
Seisontatuki
Renkaat
EtupyörÀn napa
TakapyörÀn napa
Jarrupoljin
Brake Piping
Etujarrun pÀÀsylinteri
Etujarru
Takajarrun pÀÀsylinteri
Takajarru
Ohjaustanko
Etujousitus
PolttoainesÀiliö
Satula
Mittaristo
Vaijerit
Sivukatteet
Ajovalo
Takavalo
Vilkut
SÀhköjÀrjestelmÀ
Virtalukko
Työkalut
Tarrat
Tarrat
Etukate
Etukate
Alakatteet
Accessory(Shroud Slider)
Accessory(Meter Cover)
Accessory(Crankcase Ring)
Accessory(Axle Slider)
Sylinterikansi
Venttiili koppa
Sylinteri / mÀntÀ
Ilmanpuhdistin
Pakoputkisto
Venttiilit
Nokka-akseli
Kampiakseli
Balancer
Kytkin
Vaihteisto
Vaihderumpu
Vaihteensiirto
Kampikammio
Kampikammion pultit
Moottorin kopat
Ãljypohja
Kaasu
Polttoainepumppu
Polttoaineen ruiskutus
Fuel Evaporative System
Ãljypumppu
Laturi
SytytysjÀrjestelmÀ
Starttimoottori
JÀÀhdytin
JÀÀhdytysletkut
Runko
Moottorin kiinnitys
Rungon kiinnikkeet
Takahaarukka
Jousitus
Jalkatapit
Lokasuojat
Lokasuojat
Seisontatuki
Renkaat
EtupyörÀn napa
TakapyörÀn napa
Jarrupoljin
Brake Piping
Etujarrun pÀÀsylinteri
Etujarru
Takajarrun pÀÀsylinteri
Takajarru
Ohjaustanko
Etujousitus
PolttoainesÀiliö
Satula
Mittaristo
Vaijerit
Sivukatteet
Ajovalo
Takavalo
Vilkut
SÀhköjÀrjestelmÀ
Virtalukko
Työkalut
Tarrat
Tarrat
Etukate
Etukate
Alakatteet
Accessory(Shroud Slider)
Accessory(Meter Cover)
Accessory(Crankcase Ring)
Accessory(Axle Slider)
Sylinterikansi
Venttiili koppa
Sylinteri / mÀntÀ
Ilmanpuhdistin
Pakoputkisto
Venttiilit
Nokka-akseli
Kampiakseli
Balancer
Kytkin
Vaihteisto
Vaihderumpu
Vaihteensiirto
Kampikammio
Kampikammion pultit
Moottorin kopat
Ãljypohja
Kaasu
Polttoainepumppu
Polttoaineen ruiskutus
Fuel Evaporative System
Ãljypumppu
Laturi
SytytysjÀrjestelmÀ
Starttimoottori
JÀÀhdytin
JÀÀhdytysletkut
Runko
Moottorin kiinnitys
Rungon kiinnikkeet
Takahaarukka
Jousitus
Jalkatapit
Lokasuojat
Lokasuojat
Seisontatuki
Renkaat
EtupyörÀn napa
TakapyörÀn napa
Jarrupoljin
Brake Piping
Etujarrun pÀÀsylinteri
Etujarru
Takajarrun pÀÀsylinteri
Takajarru
Ohjaustanko
Etujousitus
PolttoainesÀiliö
Satula
Mittaristo
Vaijerit
Sivukatteet
Ajovalo
Takavalo
Vilkut
SÀhköjÀrjestelmÀ
Virtalukko
Työkalut
Tarrat
Tarrat
Etukate
Etukate
Alakatteet
Accessory(Shroud Slider)
Accessory(Meter Cover)
Accessory(Crankcase Ring)
Accessory(Axle Slider)
Sylinterikansi
Venttiili koppa
Sylinteri / mÀntÀ
Ilmanpuhdistin
Pakoputkisto
Venttiilit
Nokka-akseli
Kampiakseli
Balancer
Kytkin
Vaihteisto
Vaihderumpu
Vaihteensiirto
Kampikammio
Kampikammion pultit
Moottorin kopat
Ãljypohja
Kaasu
Polttoainepumppu
Polttoaineen ruiskutus
Fuel Evaporative System
Ãljypumppu
Laturi
SytytysjÀrjestelmÀ
Starttimoottori
JÀÀhdytin
JÀÀhdytysletkut
Runko
Moottorin kiinnitys
Rungon kiinnikkeet
Takahaarukka
Jousitus
Jalkatapit
Lokasuojat
Lokasuojat
Seisontatuki
Renkaat
EtupyörÀn napa
TakapyörÀn napa
Jarrupoljin
Brake Piping
Etujarrun pÀÀsylinteri
Etujarru
Takajarrun pÀÀsylinteri
Takajarru
Ohjaustanko
Etujousitus
PolttoainesÀiliö
Satula
Mittaristo
Vaijerit
Ajovalo
Takavalo
Vilkut
SÀhköjÀrjestelmÀ
Virtalukko
Työkalut
Tarrat
Tarrat
Etukate
Etukate
Alakatteet
Accessory(Shroud Slider)
Accessory(Meter Cover)
Accessory(Crankcase Ring)
Accessory(Axle Slider)
NÄYTÄ TUOTEKATEGORIAT
NPM.FI
Varaosa luettelot
Suzuki
250 cc Motocross
RM-250
RM-250 Alkuperäisluettelot
RM-250 T,V,W,X,Y 1996-2000
21-Mangneetto
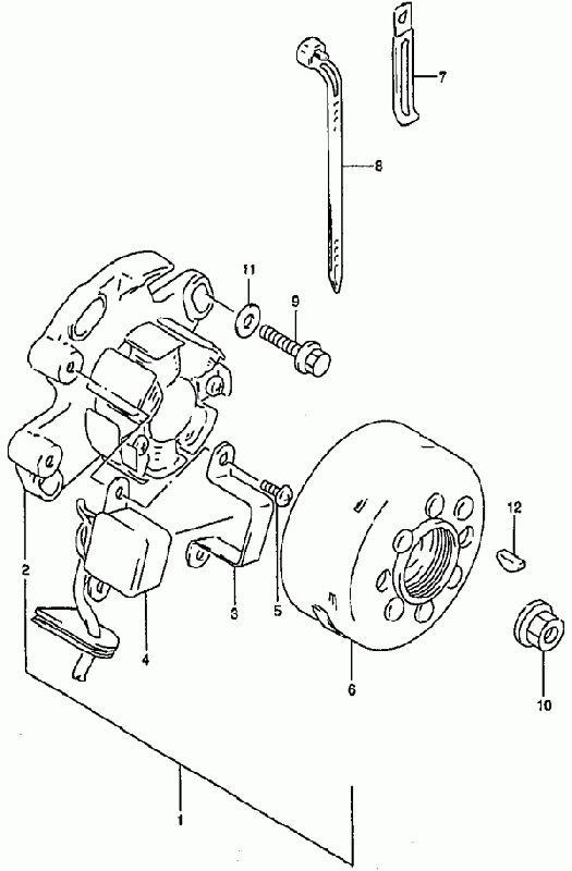
21-Mangneetto, RM-250 T,V,W,X,Y 1996-2000, RM-250 Alkuperäisluettelot, RM-250, 250 cc Motocross, Suzuki-varaosa luettelot
Näytä suurempana
Nro
#1
Tuotenumero
32100-37E10-000
Nimike
MAGNETO ASSY
Hinta
561,90 €
Määrä
+
-
Nro
#1
Tuotenumero
32100-37E20-000
Nimike
MAGNETO RM250/W
Hinta
584,65 €
Määrä
+
-
Nro
#1
Tuotenumero
32100-37E30-000
Nimike
MAGNETO ASSY RM250/X
Hinta
643,50 €
Määrä
+
-
Nro
#1
Tuotenumero
32100-37E40-000
Nimike
MAGNETO ASSY RM250/Y
Hinta
545,40 €
Määrä
+
-
Nro
#1
Tuotenumero
32100-37E00-000
Nimike
MAGNETO ASSY
Hinta
628,20 €
Määrä
+
-
Nro
#2
Tuotenumero
32101-37E20-000
Nimike
STATOR ASSY RM250/W
Hinta
434,85 €
Määrä
+
-
Nro
#2
Tuotenumero
32101-37E30-000
Nimike
STATOR RM250/X
Hinta
535,25 €
Määrä
+
-
Nro
#2
Tuotenumero
32101-37E40-000
Nimike
STATOR RM250/Y
Hinta
473,80 €
Määrä
+
-
Nro
#2
Tuotenumero
32101-37E00-000
Nimike
STATOR ASSY
Hinta
452,80 €
Määrä
+
-
Nro
#3
Tuotenumero
32157-27C01-000
Nimike
CLAMP
Hinta
13,10 €
Määrä
+
-
Nro
#5
Tuotenumero
02112-7516A-000
Nimike
SCREW
Hinta
3,40 €
Määrä
+
-
Nro
#6
Tuotenumero
32102-37E10-000
Nimike
ROTOR RM250/V-
Hinta
314,75 €
Määrä
+
-
Nro
#7
Tuotenumero
09404-06432-000
Nimike
KIINIKEPANTA
Hinta
2,50 €
Lisätiedot
Määrä
+
-
Korvaavat tuotteet
Nro
#
Tuotenumero
09404-06039-000
Nimike
CLAMP
Hinta
3,25 €
Määrä
+
-
Nro
#
Tuotenumero
09404-06401-000
Nimike
VAIJERIN PIDIN
Hinta
2,25 €
Määrä
+
-
Nro
#
Tuotenumero
09404-06422-000
Nimike
CLAMP
Hinta
2,80 €
Määrä
+
-
Nro
#8
Tuotenumero
09407-18402-000
Nimike
CLAMP,L:165
Hinta
3,30 €
Määrä
+
-
Nro
#8
Tuotenumero
09407-25401-000
Nimike
CLAMP
Hinta
6,35 €
Määrä
+
-
Nro
#9
Tuotenumero
01547-06557-000
Nimike
BOLT 6X55
Hinta
3,40 €
Määrä
+
-
Nro
#9
Tuotenumero
01547-06203-000
Nimike
BOLT
Hinta
2,85 €
Määrä
+
-
Nro
#10
Tuotenumero
08316-1012A-000
Nimike
LAIPPAMUTTERI M12 90179126570
Hinta
3,25 €
Lisätiedot
Määrä
+
-
Korvaavat tuotteet
Nro
#
Tuotenumero
08316-10123-000
Nimike
MUTTERI
Hinta
7,50 €
Määrä
+
-
Nro
#
Tuotenumero
901791265700
Nimike
MUTTERI M12X1,25 901791258800
Hinta
7,75 €
Määrä
+
-
Nro
#11
Tuotenumero
08322-0106B-000
Nimike
ALUSLEVY
Hinta
3,35 €
Lisätiedot
Määrä
+
-
Korvaavat tuotteet
Nro
#
Tuotenumero
08322-21067-000
Nimike
ALUSLEVY
Hinta
7,95 €
Määrä
+
-
Nro
#12
Tuotenumero
08341-31039-000
Nimike
KIILA 3MM
Hinta
2,85 €
Määrä
+
-