Kirjaudu
Kirjaudu sisään
Nakkilan pyörä ja mopo
Tuotekategoriat
Etusivu
Varaosaluettelot
Tarvikkeet
Varusteet
Tarjoukset
Ajoneuvot
Huolto
Yhteydenotto
Varaosa luettelot
Suzuki
250 cc
PE 250 X 1981
01-Sylinteri, -kansi, imukurkku
02-Moottorilohkot
03-Moottorin posket oik. + vas.
04-Kampikoneisto, mäntä
05-Kaasutin
06-Ilmansuodatinkotelo, -suodatin
07-Pakoputkisto
08-Kytkin
09-Vaihteisto
10-Vaihteensiirto
11-Käynnistinpoljin, -akseli
12-Vauhtipyörä, alakäämi
13-Vauhtipyörä, alakäämi
14-Mittaristo, -vaijeri
15-Etulyhty
16-Etulyhty
17-Takalyhty
18-Takalyhty
19-Sytytyspuola, CDI
20-Johtosarja, virtalukko
21-Runko, istuin
22-Seisontatuki, jalkatapit
23-Takajarrupoljin, -jarrutanko
24-Polttoainesäiliö
25-Polttoainesäiliö
26-Polttoainesäiliö
27-Polttoainesäiliö
28-Polttoainehana
29-Numerokilvet (etu, sivu.-)
30-Numerokilvet (etu, sivu.-)
31-Etujousitus
32-Etulokasuoja, etulyhdyn muovi
33-Etupyörä, -jarrukengät
34-Ohjaustanko, vaijerit
35-Jarruvipu, kaasukahva
36-Jarruvipu, kaasukahva
37-Kytkinvipu, vas.katkaisija
38-Kytkinvipu, vas.katkaisija
39-Kytkinvipu, vas.katkaisija
40-Kytkinvipu, vas.katkaisija
41-Takahaarukka, takaiskunvaimentajat
42-Ketjunsuoja
43-Ketjunlaahain
44-Ketjunlaahain
45-Takalokasuoja
46-Takapyörä, -jarrukengät
47-Voiteluaineet, tiivisteliimat
Varaosat tuoteryhmittäin
Tarvikkeet
Tarjoukset
Varusteet
Ajoneuvot
Vaihteensiirto
Kampikammio
Kampikammion pultit
Moottorin kopat
Ãljypohja
Kaasu
Polttoainepumppu
Polttoaineen ruiskutus
Ãljypumppu
Laturi
SytytysjÀrjestelmÀ
Starttimoottori
JÀÀhdytin
JÀÀhdytysletkut
Runko
Moottorin kiinnitys
Rungon kiinnikkeet
Takahaarukka
Jousitus
Jalkatapit
Lokasuojat
Lokasuojat
Seisontatuki
Renkaat
EtupyörÀn napa
TakapyörÀn napa
Jarrupoljin
Brake Piping
Etujarrun pÀÀsylinteri
Etujarru
Takajarrun pÀÀsylinteri
Takajarru
Ohjaustanko
Etujousitus
PolttoainesÀiliö
Satula
Satula
Mittaristo
Vaijerit
Sivukatteet
Ajovalo
Takavalo
Vilkut
SÀhköjÀrjestelmÀ
Virtalukko
Työkalut
Tarrat
Tarrat
Tarrat
Tarrat
Tarrat
Tarrat
Tarrat
Tarrat
Etukate
Etukate
Etukate
Etukate
Etukate
Alakatteet
Manual
Sylinterikansi
Venttiili koppa
Sylinteri / mÀntÀ
Ilmanpuhdistin
Pakoputkisto
Venttiilit
Nokka-akseli
Kampiakseli
Balancer
Kytkin
Vaihteisto
Vaihderumpu
Vaihteensiirto
Kampikammio
Kampikammion pultit
Moottorin kopat
Ãljypohja
Kaasu
Polttoainepumppu
Polttoaineen ruiskutus
Ãljypumppu
Laturi
SytytysjÀrjestelmÀ
Starttimoottori
JÀÀhdytin
JÀÀhdytysletkut
Runko
Moottorin kiinnitys
Rungon kiinnikkeet
Takahaarukka
Jousitus
Jalkatapit
Lokasuojat
Lokasuojat
Seisontatuki
Renkaat
EtupyörÀn napa
TakapyörÀn napa
Jarrupoljin
Brake Piping
Etujarrun pÀÀsylinteri
Etujarru
Takajarrun pÀÀsylinteri
Takajarru
Ohjaustanko
Etujousitus
PolttoainesÀiliö
Satula
Mittaristo
Vaijerit
Sivukatteet
Ajovalo
Takavalo
Vilkut
SÀhköjÀrjestelmÀ
Virtalukko
Työkalut
Tarrat
Tarrat
Tarrat
Tarrat
Etukate
Etukate
Alakatteet
Manual
Sylinterikansi
Venttiili koppa
Cylinder / Piston(S)
Ilmanpuhdistin
Muffler(S)
Valve(S)
Camshaft(S) / Tensioner
Kampiakseli
Balancer
Clutch(Gef'-Gff)
Clutch(Ggf)
Vaihteisto
Vaihteisto
Gear Change Drum / Shift Fork(S)
Vaihteensiirto
Kampikammio
Kampikammion pultit
Engine Cover(S)
Ãljypohja
Kaasu
Polttoainepumppu
Polttoaineen ruiskutus
Ãljypumppu
Laturi
SytytysjÀrjestelmÀ
Starttimoottori
JÀÀhdytin
JÀÀhdytysletkut
Runko
Moottorin kiinnitys
Rungon kiinnikkeet
Takahaarukka
Jousitus
Jalkatapit
Front Fender(S)
Rear Fender(S)
Stand(S)
Renkaat
EtupyörÀn napa
TakapyörÀn napa
Jarrupoljin
Brake Piping
Etujarrun pÀÀsylinteri
Etujarru
Takajarrun pÀÀsylinteri
Takajarru
Ohjaustanko
Etujousitus
PolttoainesÀiliö
Satula
Meter(S)
Vaijerit
Sivukatteet
Headlight(S)
Taillight(S)
Vilkut
SÀhköjÀrjestelmÀ
Virtalukko
Owner
Tarrat
Tarrat
Tarrat
Tarrat
Tarrat
Tarrat
Tarrat
Etukate
Etukate
Etukate
Etukate
Alakatteet
Accessory(Engine Slider)
Accessory(Shroud Slider)
Accessory(Meter Cover)
Manual
Sylinterikansi
Venttiili koppa
Cylinder / Piston(S)
Ilmanpuhdistin
Muffler(S)
Valve(S)
Camshaft(S) / Tensioner
Kampiakseli
Balancer
Clutch(Gef'-Gff)
Clutch(Ggf)
Vaihteisto
Vaihteisto
Gear Change Drum / Shift Fork(S)
Vaihteensiirto
Kampikammio
Kampikammion pultit
Engine Cover(S)
Ãljypohja
Kaasu
Polttoainepumppu
Polttoaineen ruiskutus
Ãljypumppu
Laturi
SytytysjÀrjestelmÀ
Starttimoottori
JÀÀhdytin
JÀÀhdytysletkut
Runko
Moottorin kiinnitys
Rungon kiinnikkeet
Takahaarukka
Jousitus
Jalkatapit
Front Fender(S)
Rear Fender(S)
Stand(S)
Renkaat
EtupyörÀn napa
TakapyörÀn napa
Jarrupoljin
Brake Piping
Etujarrun pÀÀsylinteri
Etujarru
Takajarrun pÀÀsylinteri
Takajarru
Ohjaustanko
Etujousitus
PolttoainesÀiliö
Satula
Meter(S)
Vaijerit
Sivukatteet
Headlight(S)
Taillight(S)
Vilkut
SÀhköjÀrjestelmÀ
Virtalukko
Owner
Tarrat
Tarrat
Tarrat
Tarrat
Tarrat
Tarrat
Tarrat
Etukate
Etukate
Etukate
Etukate
Alakatteet
Accessory(Engine Slider)
Accessory(Shroud Slider)
Accessory(Meter Cover)
Manual
Sylinterikansi
Venttiili koppa
Cylinder / Piston(S)
Ilmanpuhdistin
Muffler(S)
Valve(S)
Camshaft(S) / Tensioner
Kampiakseli
Balancer
Clutch(Gef'-Gff)
Clutch(Ggf)
Vaihteisto
Vaihteisto
Gear Change Drum / Shift Fork(S)
Vaihteensiirto
Kampikammio
Kampikammion pultit
Engine Cover(S)
Ãljypohja
Kaasu
Polttoainepumppu
Polttoaineen ruiskutus
Ãljypumppu
Laturi
SytytysjÀrjestelmÀ
Starttimoottori
JÀÀhdytin
JÀÀhdytysletkut
Runko
Moottorin kiinnitys
Rungon kiinnikkeet
Takahaarukka
Jousitus
Jalkatapit
Front Fender(S)
Rear Fender(S)
Stand(S)
Renkaat
EtupyörÀn napa
TakapyörÀn napa
Jarrupoljin
Brake Piping
Etujarrun pÀÀsylinteri
Etujarru
Takajarrun pÀÀsylinteri
Takajarru
Ohjaustanko
Etujousitus
PolttoainesÀiliö
Satula
Meter(S)
Vaijerit
Sivukatteet
Headlight(S)
Taillight(S)
Vilkut
SÀhköjÀrjestelmÀ
Virtalukko
Owner
Tarrat
Tarrat
Tarrat
Tarrat
Tarrat
Tarrat
Tarrat
Etukate
Etukate
Etukate
Etukate
Alakatteet
Accessory(Engine Slider)
Accessory(Shroud Slider)
Accessory(Meter Cover)
Manual
Sylinterikansi
Venttiili koppa
Sylinteri / mÀntÀ
Ilmanpuhdistin
Pakoputkisto
Venttiilit
Nokka-akseli
Kampiakseli
Balancer
Kytkin
Vaihteisto
Vaihderumpu
Vaihteensiirto
Kampikammio
Kampikammion pultit
Moottorin kopat
Ãljypohja
Kaasu
Polttoainepumppu
Polttoaineen ruiskutus
Fuel Evaporative System
Ãljypumppu
Laturi
SytytysjÀrjestelmÀ
Starttimoottori
JÀÀhdytin
JÀÀhdytysletkut
Runko
Moottorin kiinnitys
Rungon kiinnikkeet
Takahaarukka
Jousitus
Jalkatapit
Lokasuojat
Lokasuojat
Seisontatuki
Renkaat
EtupyörÀn napa
TakapyörÀn napa
Jarrupoljin
Brake Piping
Etujarrun pÀÀsylinteri
Etujarru
Takajarrun pÀÀsylinteri
Takajarru
Ohjaustanko
Etujousitus
PolttoainesÀiliö
Satula
Mittaristo
Vaijerit
Sivukatteet
Ajovalo
Takavalo
Vilkut
Vilkut
SÀhköjÀrjestelmÀ
Virtalukko
Työkalut
Tarrat
Tarrat
Tarrat
Tarrat
Etukate
Etukate
Alakatteet
Accessory(Shroud Slider)
Accessory(Meter Cover)
Accessory(Crankcase Ring)
Accessory(Axle Slider)
Manual
Sylinterikansi
Venttiili koppa
Sylinteri / mÀntÀ
Ilmanpuhdistin
Pakoputkisto
Venttiilit
Nokka-akseli
Kampiakseli
Balancer
Kytkin
Vaihteisto
Vaihderumpu
Vaihteensiirto
Kampikammio
Kampikammion pultit
Moottorin kopat
Ãljypohja
Kaasu
Polttoainepumppu
Polttoaineen ruiskutus
Fuel Evaporative System
Ãljypumppu
Laturi
SytytysjÀrjestelmÀ
Starttimoottori
JÀÀhdytin
JÀÀhdytysletkut
Runko
Moottorin kiinnitys
Rungon kiinnikkeet
Takahaarukka
Jousitus
Jalkatapit
Lokasuojat
Lokasuojat
Seisontatuki
Renkaat
EtupyörÀn napa
TakapyörÀn napa
Jarrupoljin
Brake Piping
Etujarrun pÀÀsylinteri
Etujarru
Takajarrun pÀÀsylinteri
Takajarru
Ohjaustanko
Etujousitus
PolttoainesÀiliö
Satula
Mittaristo
Vaijerit
Sivukatteet
Ajovalo
Takavalo
Vilkut
Vilkut
SÀhköjÀrjestelmÀ
Virtalukko
Työkalut
Tarrat
Tarrat
Tarrat
Tarrat
Etukate
Etukate
Alakatteet
Accessory(Shroud Slider)
Accessory(Meter Cover)
Accessory(Crankcase Ring)
Accessory(Axle Slider)
Manual
Sylinterikansi
Venttiili koppa
Sylinteri / mÀntÀ
Ilmanpuhdistin
Pakoputkisto
Venttiilit
Nokka-akseli
Kampiakseli
Balancer
Kytkin
Vaihteisto
Vaihderumpu
Vaihteensiirto
Kampikammio
Kampikammion pultit
Moottorin kopat
Ãljypohja
Kaasu
Polttoainepumppu
Polttoaineen ruiskutus
Fuel Evaporative System
Ãljypumppu
Laturi
SytytysjÀrjestelmÀ
Starttimoottori
JÀÀhdytin
JÀÀhdytysletkut
Runko
Moottorin kiinnitys
Rungon kiinnikkeet
Takahaarukka
Jousitus
Jalkatapit
Lokasuojat
Lokasuojat
Seisontatuki
Renkaat
EtupyörÀn napa
TakapyörÀn napa
Jarrupoljin
Brake Piping
Etujarrun pÀÀsylinteri
Etujarru
Takajarrun pÀÀsylinteri
Takajarru
Ohjaustanko
Etujousitus
PolttoainesÀiliö
Satula
Mittaristo
Vaijerit
Sivukatteet
Ajovalo
Takavalo
Vilkut
Vilkut
SÀhköjÀrjestelmÀ
Virtalukko
Työkalut
Tarrat
Tarrat
Tarrat
Tarrat
Etukate
Etukate
Alakatteet
Accessory(Shroud Slider)
Accessory(Meter Cover)
Accessory(Crankcase Ring)
Accessory(Axle Slider)
Manual
Sylinterikansi
Venttiili koppa
Sylinteri / mÀntÀ
Ilmanpuhdistin
Pakoputkisto
Venttiilit
Nokka-akseli
Kampiakseli
Balancer
Kytkin
Vaihteisto
Vaihderumpu
Vaihteensiirto
Kampikammio
Kampikammion pultit
Moottorin kopat
Ãljypohja
Kaasu
Polttoainepumppu
Polttoaineen ruiskutus
Fuel Evaporative System
Ãljypumppu
Laturi
SytytysjÀrjestelmÀ
Starttimoottori
JÀÀhdytin
JÀÀhdytysletkut
Runko
Moottorin kiinnitys
Rungon kiinnikkeet
Takahaarukka
Jousitus
Jalkatapit
Lokasuojat
Lokasuojat
Seisontatuki
Renkaat
EtupyörÀn napa
TakapyörÀn napa
Jarrupoljin
Brake Piping
Etujarrun pÀÀsylinteri
Etujarru
Takajarrun pÀÀsylinteri
Takajarru
Ohjaustanko
Etujousitus
PolttoainesÀiliö
Satula
Mittaristo
Vaijerit
Sivukatteet
Ajovalo
Takavalo
Vilkut
Vilkut
SÀhköjÀrjestelmÀ
Virtalukko
Työkalut
Tarrat
Tarrat
Tarrat
Tarrat
Etukate
Etukate
Alakatteet
Accessory(Shroud Slider)
Accessory(Meter Cover)
Accessory(Crankcase Ring)
Accessory(Axle Slider)
Manual
Sylinterikansi
Venttiili koppa
Sylinteri / mÀntÀ
Ilmanpuhdistin
Pakoputkisto
Venttiilit
Nokka-akseli
Kampiakseli
Balancer
Kytkin
Vaihteisto
Vaihderumpu
Vaihteensiirto
Kampikammio
Kampikammion pultit
Moottorin kopat
Ãljypohja
Kaasu
Polttoainepumppu
Polttoaineen ruiskutus
Fuel Evaporative System
Ãljypumppu
Laturi
SytytysjÀrjestelmÀ
Starttimoottori
JÀÀhdytin
JÀÀhdytysletkut
Runko
Moottorin kiinnitys
Rungon kiinnikkeet
Takahaarukka
Jousitus
Jalkatapit
Lokasuojat
Lokasuojat
Seisontatuki
Renkaat
EtupyörÀn napa
TakapyörÀn napa
Jarrupoljin
Brake Piping
Etujarrun pÀÀsylinteri
Etujarru
Takajarrun pÀÀsylinteri
Takajarru
Ohjaustanko
Etujousitus
PolttoainesÀiliö
Satula
Mittaristo
Vaijerit
Sivukatteet
Ajovalo
Takavalo
Vilkut
SÀhköjÀrjestelmÀ
Virtalukko
Työkalut
Tarrat
Tarrat
Etukate
Etukate
Alakatteet
Accessory(Shroud Slider)
Accessory(Meter Cover)
Accessory(Crankcase Ring)
Accessory(Axle Slider)
Sylinterikansi
Venttiili koppa
Sylinteri / mÀntÀ
Ilmanpuhdistin
Pakoputkisto
Venttiilit
Nokka-akseli
Kampiakseli
Balancer
Kytkin
Vaihteisto
Vaihderumpu
Vaihteensiirto
Kampikammio
Kampikammion pultit
Moottorin kopat
Ãljypohja
Kaasu
Polttoainepumppu
Polttoaineen ruiskutus
Fuel Evaporative System
Ãljypumppu
Laturi
SytytysjÀrjestelmÀ
Starttimoottori
JÀÀhdytin
JÀÀhdytysletkut
Runko
Moottorin kiinnitys
Rungon kiinnikkeet
Takahaarukka
Jousitus
Jalkatapit
Lokasuojat
Lokasuojat
Seisontatuki
Renkaat
EtupyörÀn napa
TakapyörÀn napa
Jarrupoljin
Brake Piping
Etujarrun pÀÀsylinteri
Etujarru
Takajarrun pÀÀsylinteri
Takajarru
Ohjaustanko
Etujousitus
PolttoainesÀiliö
Satula
Mittaristo
Vaijerit
Sivukatteet
Ajovalo
Takavalo
Vilkut
SÀhköjÀrjestelmÀ
Virtalukko
Työkalut
Tarrat
Tarrat
Etukate
Etukate
Alakatteet
Accessory(Shroud Slider)
Accessory(Meter Cover)
Accessory(Crankcase Ring)
Accessory(Axle Slider)
Sylinterikansi
Venttiili koppa
Sylinteri / mÀntÀ
Ilmanpuhdistin
Pakoputkisto
Venttiilit
Nokka-akseli
Kampiakseli
Balancer
Kytkin
Vaihteisto
Vaihderumpu
Vaihteensiirto
Kampikammio
Kampikammion pultit
Moottorin kopat
Ãljypohja
Kaasu
Polttoainepumppu
Polttoaineen ruiskutus
Fuel Evaporative System
Ãljypumppu
Laturi
SytytysjÀrjestelmÀ
Starttimoottori
JÀÀhdytin
JÀÀhdytysletkut
Runko
Moottorin kiinnitys
Rungon kiinnikkeet
Takahaarukka
Jousitus
Jalkatapit
Lokasuojat
Lokasuojat
Seisontatuki
Renkaat
EtupyörÀn napa
TakapyörÀn napa
Jarrupoljin
Brake Piping
Etujarrun pÀÀsylinteri
Etujarru
Takajarrun pÀÀsylinteri
Takajarru
Ohjaustanko
Etujousitus
PolttoainesÀiliö
Satula
Mittaristo
Vaijerit
Sivukatteet
Ajovalo
Takavalo
Vilkut
SÀhköjÀrjestelmÀ
Virtalukko
Työkalut
Tarrat
Tarrat
Etukate
Etukate
Alakatteet
Accessory(Shroud Slider)
Accessory(Meter Cover)
Accessory(Crankcase Ring)
Accessory(Axle Slider)
Sylinterikansi
Venttiili koppa
Sylinteri / mÀntÀ
Ilmanpuhdistin
Pakoputkisto
Venttiilit
Nokka-akseli
Kampiakseli
Balancer
Kytkin
Vaihteisto
Vaihderumpu
Vaihteensiirto
Kampikammio
Kampikammion pultit
Moottorin kopat
Ãljypohja
Kaasu
Polttoainepumppu
Polttoaineen ruiskutus
Fuel Evaporative System
Ãljypumppu
Laturi
SytytysjÀrjestelmÀ
Starttimoottori
JÀÀhdytin
JÀÀhdytysletkut
Runko
Moottorin kiinnitys
Rungon kiinnikkeet
Takahaarukka
Jousitus
Jalkatapit
Lokasuojat
Lokasuojat
Seisontatuki
Renkaat
EtupyörÀn napa
TakapyörÀn napa
Jarrupoljin
Brake Piping
Etujarrun pÀÀsylinteri
Etujarru
Takajarrun pÀÀsylinteri
Takajarru
Ohjaustanko
Etujousitus
PolttoainesÀiliö
Satula
Mittaristo
Vaijerit
Ajovalo
Takavalo
Vilkut
SÀhköjÀrjestelmÀ
Virtalukko
Työkalut
Tarrat
Tarrat
Etukate
Etukate
Alakatteet
Accessory(Shroud Slider)
Accessory(Meter Cover)
Accessory(Crankcase Ring)
Accessory(Axle Slider)
NÄYTÄ TUOTEKATEGORIAT
NPM.FI
Varaosa luettelot
Suzuki
250 cc
PE 250 X 1981
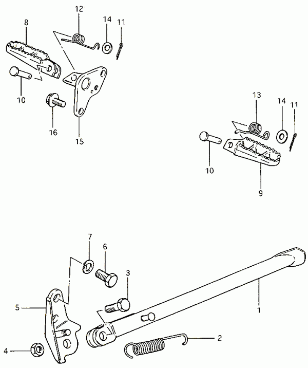
22-Seisontatuki, jalkatapit
22-Seisontatuki, jalkatapit, PE 250 X 1981, 250 cc, Suzuki-varaosa luettelot
Näytä suurempana
Nro
#2
Tuotenumero
43510-20300-000
Nimike
JALKATAPIN PIDIN
Hinta
19,85 €
Määrä
+
-
Nro
#2
Tuotenumero
09443-17007-000
Nimike
JOUSI
Hinta
6,10 €
Määrä
+
-
Nro
#3
Tuotenumero
09100-10067-000
Nimike
PULTTI M10X30 14 MM AVAIN
Hinta
5,65 €
Määrä
+
-
Nro
#4
Tuotenumero
08310-00107-000
Nimike
MUTTERI M10 14 MM AVAIN
Hinta
3,30 €
Lisätiedot
Määrä
+
-
Korvaavat tuotteet
Nro
#
Tuotenumero
08310-0010B-000
Nimike
MUTTERI M10 14 MM AVAIN MUSTA
Hinta
3,40 €
Määrä
+
-
Nro
#5
Tuotenumero
42330-40400-000
Nimike
BRACKET,SIDE STAND
Hinta
70,80 €
Määrä
+
-
Nro
#6
Tuotenumero
09100-10118-000
Nimike
PULTTI M10X19 14 MM AVAIN
Hinta
3,35 €
Määrä
+
-
Nro
#7
Tuotenumero
08321-01107-000
Nimike
WASHER LOCK
Hinta
2,85 €
Määrä
+
-
Nro
#7
Tuotenumero
09160-10501-000
Nimike
WASHER
Hinta
3,35 €
Määrä
+
-
Nro
#9
Tuotenumero
43561-40401-019
Nimike
JALKATAPPI
Hinta
32,10 €
Lisätiedot
Määrä
+
-
Korvaavat tuotteet
Nro
#
Tuotenumero
43561-40401-000
Nimike
JALKATAPPI
Hinta
33,10 €
Määrä
+
-
Nro
#10
Tuotenumero
09200-08064-000
Nimike
TAPPI 8 MM
Hinta
8,20 €
Lisätiedot
Määrä
+
-
Korvaavat tuotteet
Nro
#
Tuotenumero
09200-08035-000
Nimike
JALKATAPIN TAPPI
Hinta
7,55 €
Määrä
+
-
Nro
#11
Tuotenumero
04111-2020A-000
Nimike
SAKSISOKKA 2X20 MM
Hinta
1,85 €
Määrä
+
-
Nro
#11
Tuotenumero
01500-08453-000
Nimike
BOLT
Hinta
4,00 €
Määrä
+
-
Nro
#13
Tuotenumero
09448-14015-000
Nimike
JOUSI
Hinta
5,65 €
Määrä
+
-
Nro
#14
Tuotenumero
08322-01087-000
Nimike
ALUSLAATTA
Hinta
2,85 €
Määrä
+
-
Nro
#15
Tuotenumero
43510-40600-000
Nimike
JALKATAPIN TUKI
Hinta
19,85 €
Määrä
+
-
Nro
#15
Tuotenumero
09103-10100-000
Nimike
BOLT 10X20
Hinta
9,15 €
Määrä
+
-
Nro
#16
Tuotenumero
09103-10100-000
Nimike
BOLT 10X20
Hinta
9,15 €
Määrä
+
-
Nro
#16
Tuotenumero
43560-46000-019
Nimike
JALKATAPPI VASEN
BLACK
Hinta
21,80 €
Lisätiedot
Määrä
+
-
Lisätiedot
:
BLACK