Kirjaudu
Kirjaudu sisään
Nakkilan pyörä ja mopo
Tuotekategoriat
Etusivu
Varaosaluettelot
Tarvikkeet
Varusteet
Tarjoukset
Ajoneuvot
Huolto
Yhteydenotto
Varaosa luettelot
Suzuki
400 cc
AN 400 BURGMAN 2004
01-Tiivisteet
02-Venttiilikoppa
03-Sylinterin kansi
04-Sylinteri
05-Lohlot
06-Sivukopat
07-Kampiakseli
08-Starttikytkin
09-Tasapainoakseli
10-Venttiilikoneisto
11-Nokkaketju
12-Ruiskurunko
13-Ilmansuodin
14-Pakoputki
15-Öljypumppu, suodin
16-Bensapumppu
17-Vesipumppu
18-Jäähdytin
19-Vesiletkut
20-Letkustot
21-Variaattori
22-Vaihteisto
23-Starttimoottori
24-Laturi
25-Akku
26-Sähköosat
27-Mittaristo
28-Etuvalo
29-Takavalo
30-Johtosarja
31-Katkaisimet
32-Runko
33-Seisontatuki
34-Tankki
35-Toisio ilma
36-Takakate
37-Takakate
38-Etukatteen osia
39-Jalkatilan osia
40-Sivukatteita
41-Tuulilasi
42-Katteen sisäpaneelit
43-Katteen sisäosia
44-Takakatteen osia
45-Etulokari
46-Ohjaintanko
47-Kahvat, vivut
48-Ohjetarrat
49-Istuin
50-Istuinlukko
51-Takakatteenosia
52-Selkänoja
53-Etujousitus
54-Haarukan kolmiot
55-Etupyörä
56-Etujarru
57-Jarruletku
58-Jarruletku
59-Pääsylinteri
60-Takajousitus
61-Takapyörä
62-Takajarru
63-Takajarruletkut
64-Takajarru sylinteri
65-Tarvikkeet
Varaosat tuoteryhmittäin
Tarvikkeet
Tarjoukset
Varusteet
Ajoneuvot
Vaihteensiirto
Kampikammio
Kampikammion pultit
Moottorin kopat
Ãljypohja
Kaasu
Polttoainepumppu
Polttoaineen ruiskutus
Ãljypumppu
Laturi
SytytysjÀrjestelmÀ
Starttimoottori
JÀÀhdytin
JÀÀhdytysletkut
Runko
Moottorin kiinnitys
Rungon kiinnikkeet
Takahaarukka
Jousitus
Jalkatapit
Lokasuojat
Lokasuojat
Seisontatuki
Renkaat
EtupyörÀn napa
TakapyörÀn napa
Jarrupoljin
Brake Piping
Etujarrun pÀÀsylinteri
Etujarru
Takajarrun pÀÀsylinteri
Takajarru
Ohjaustanko
Etujousitus
PolttoainesÀiliö
Satula
Satula
Mittaristo
Vaijerit
Sivukatteet
Ajovalo
Takavalo
Vilkut
SÀhköjÀrjestelmÀ
Virtalukko
Työkalut
Tarrat
Tarrat
Tarrat
Tarrat
Tarrat
Tarrat
Tarrat
Tarrat
Etukate
Etukate
Etukate
Etukate
Etukate
Alakatteet
Manual
Sylinterikansi
Venttiili koppa
Sylinteri / mÀntÀ
Ilmanpuhdistin
Pakoputkisto
Venttiilit
Nokka-akseli
Kampiakseli
Balancer
Kytkin
Vaihteisto
Vaihderumpu
Vaihteensiirto
Kampikammio
Kampikammion pultit
Moottorin kopat
Ãljypohja
Kaasu
Polttoainepumppu
Polttoaineen ruiskutus
Ãljypumppu
Laturi
SytytysjÀrjestelmÀ
Starttimoottori
JÀÀhdytin
JÀÀhdytysletkut
Runko
Moottorin kiinnitys
Rungon kiinnikkeet
Takahaarukka
Jousitus
Jalkatapit
Lokasuojat
Lokasuojat
Seisontatuki
Renkaat
EtupyörÀn napa
TakapyörÀn napa
Jarrupoljin
Brake Piping
Etujarrun pÀÀsylinteri
Etujarru
Takajarrun pÀÀsylinteri
Takajarru
Ohjaustanko
Etujousitus
PolttoainesÀiliö
Satula
Mittaristo
Vaijerit
Sivukatteet
Ajovalo
Takavalo
Vilkut
SÀhköjÀrjestelmÀ
Virtalukko
Työkalut
Tarrat
Tarrat
Tarrat
Tarrat
Etukate
Etukate
Alakatteet
Manual
Sylinterikansi
Venttiili koppa
Cylinder / Piston(S)
Ilmanpuhdistin
Muffler(S)
Valve(S)
Camshaft(S) / Tensioner
Kampiakseli
Balancer
Clutch(Gef'-Gff)
Clutch(Ggf)
Vaihteisto
Vaihteisto
Gear Change Drum / Shift Fork(S)
Vaihteensiirto
Kampikammio
Kampikammion pultit
Engine Cover(S)
Ãljypohja
Kaasu
Polttoainepumppu
Polttoaineen ruiskutus
Ãljypumppu
Laturi
SytytysjÀrjestelmÀ
Starttimoottori
JÀÀhdytin
JÀÀhdytysletkut
Runko
Moottorin kiinnitys
Rungon kiinnikkeet
Takahaarukka
Jousitus
Jalkatapit
Front Fender(S)
Rear Fender(S)
Stand(S)
Renkaat
EtupyörÀn napa
TakapyörÀn napa
Jarrupoljin
Brake Piping
Etujarrun pÀÀsylinteri
Etujarru
Takajarrun pÀÀsylinteri
Takajarru
Ohjaustanko
Etujousitus
PolttoainesÀiliö
Satula
Meter(S)
Vaijerit
Sivukatteet
Headlight(S)
Taillight(S)
Vilkut
SÀhköjÀrjestelmÀ
Virtalukko
Owner
Tarrat
Tarrat
Tarrat
Tarrat
Tarrat
Tarrat
Tarrat
Etukate
Etukate
Etukate
Etukate
Alakatteet
Accessory(Engine Slider)
Accessory(Shroud Slider)
Accessory(Meter Cover)
Manual
Sylinterikansi
Venttiili koppa
Cylinder / Piston(S)
Ilmanpuhdistin
Muffler(S)
Valve(S)
Camshaft(S) / Tensioner
Kampiakseli
Balancer
Clutch(Gef'-Gff)
Clutch(Ggf)
Vaihteisto
Vaihteisto
Gear Change Drum / Shift Fork(S)
Vaihteensiirto
Kampikammio
Kampikammion pultit
Engine Cover(S)
Ãljypohja
Kaasu
Polttoainepumppu
Polttoaineen ruiskutus
Ãljypumppu
Laturi
SytytysjÀrjestelmÀ
Starttimoottori
JÀÀhdytin
JÀÀhdytysletkut
Runko
Moottorin kiinnitys
Rungon kiinnikkeet
Takahaarukka
Jousitus
Jalkatapit
Front Fender(S)
Rear Fender(S)
Stand(S)
Renkaat
EtupyörÀn napa
TakapyörÀn napa
Jarrupoljin
Brake Piping
Etujarrun pÀÀsylinteri
Etujarru
Takajarrun pÀÀsylinteri
Takajarru
Ohjaustanko
Etujousitus
PolttoainesÀiliö
Satula
Meter(S)
Vaijerit
Sivukatteet
Headlight(S)
Taillight(S)
Vilkut
SÀhköjÀrjestelmÀ
Virtalukko
Owner
Tarrat
Tarrat
Tarrat
Tarrat
Tarrat
Tarrat
Tarrat
Etukate
Etukate
Etukate
Etukate
Alakatteet
Accessory(Engine Slider)
Accessory(Shroud Slider)
Accessory(Meter Cover)
Manual
Sylinterikansi
Venttiili koppa
Cylinder / Piston(S)
Ilmanpuhdistin
Muffler(S)
Valve(S)
Camshaft(S) / Tensioner
Kampiakseli
Balancer
Clutch(Gef'-Gff)
Clutch(Ggf)
Vaihteisto
Vaihteisto
Gear Change Drum / Shift Fork(S)
Vaihteensiirto
Kampikammio
Kampikammion pultit
Engine Cover(S)
Ãljypohja
Kaasu
Polttoainepumppu
Polttoaineen ruiskutus
Ãljypumppu
Laturi
SytytysjÀrjestelmÀ
Starttimoottori
JÀÀhdytin
JÀÀhdytysletkut
Runko
Moottorin kiinnitys
Rungon kiinnikkeet
Takahaarukka
Jousitus
Jalkatapit
Front Fender(S)
Rear Fender(S)
Stand(S)
Renkaat
EtupyörÀn napa
TakapyörÀn napa
Jarrupoljin
Brake Piping
Etujarrun pÀÀsylinteri
Etujarru
Takajarrun pÀÀsylinteri
Takajarru
Ohjaustanko
Etujousitus
PolttoainesÀiliö
Satula
Meter(S)
Vaijerit
Sivukatteet
Headlight(S)
Taillight(S)
Vilkut
SÀhköjÀrjestelmÀ
Virtalukko
Owner
Tarrat
Tarrat
Tarrat
Tarrat
Tarrat
Tarrat
Tarrat
Etukate
Etukate
Etukate
Etukate
Alakatteet
Accessory(Engine Slider)
Accessory(Shroud Slider)
Accessory(Meter Cover)
Manual
Sylinterikansi
Venttiili koppa
Sylinteri / mÀntÀ
Ilmanpuhdistin
Pakoputkisto
Venttiilit
Nokka-akseli
Kampiakseli
Balancer
Kytkin
Vaihteisto
Vaihderumpu
Vaihteensiirto
Kampikammio
Kampikammion pultit
Moottorin kopat
Ãljypohja
Kaasu
Polttoainepumppu
Polttoaineen ruiskutus
Fuel Evaporative System
Ãljypumppu
Laturi
SytytysjÀrjestelmÀ
Starttimoottori
JÀÀhdytin
JÀÀhdytysletkut
Runko
Moottorin kiinnitys
Rungon kiinnikkeet
Takahaarukka
Jousitus
Jalkatapit
Lokasuojat
Lokasuojat
Seisontatuki
Renkaat
EtupyörÀn napa
TakapyörÀn napa
Jarrupoljin
Brake Piping
Etujarrun pÀÀsylinteri
Etujarru
Takajarrun pÀÀsylinteri
Takajarru
Ohjaustanko
Etujousitus
PolttoainesÀiliö
Satula
Mittaristo
Vaijerit
Sivukatteet
Ajovalo
Takavalo
Vilkut
Vilkut
SÀhköjÀrjestelmÀ
Virtalukko
Työkalut
Tarrat
Tarrat
Tarrat
Tarrat
Etukate
Etukate
Alakatteet
Accessory(Shroud Slider)
Accessory(Meter Cover)
Accessory(Crankcase Ring)
Accessory(Axle Slider)
Manual
Sylinterikansi
Venttiili koppa
Sylinteri / mÀntÀ
Ilmanpuhdistin
Pakoputkisto
Venttiilit
Nokka-akseli
Kampiakseli
Balancer
Kytkin
Vaihteisto
Vaihderumpu
Vaihteensiirto
Kampikammio
Kampikammion pultit
Moottorin kopat
Ãljypohja
Kaasu
Polttoainepumppu
Polttoaineen ruiskutus
Fuel Evaporative System
Ãljypumppu
Laturi
SytytysjÀrjestelmÀ
Starttimoottori
JÀÀhdytin
JÀÀhdytysletkut
Runko
Moottorin kiinnitys
Rungon kiinnikkeet
Takahaarukka
Jousitus
Jalkatapit
Lokasuojat
Lokasuojat
Seisontatuki
Renkaat
EtupyörÀn napa
TakapyörÀn napa
Jarrupoljin
Brake Piping
Etujarrun pÀÀsylinteri
Etujarru
Takajarrun pÀÀsylinteri
Takajarru
Ohjaustanko
Etujousitus
PolttoainesÀiliö
Satula
Mittaristo
Vaijerit
Sivukatteet
Ajovalo
Takavalo
Vilkut
Vilkut
SÀhköjÀrjestelmÀ
Virtalukko
Työkalut
Tarrat
Tarrat
Tarrat
Tarrat
Etukate
Etukate
Alakatteet
Accessory(Shroud Slider)
Accessory(Meter Cover)
Accessory(Crankcase Ring)
Accessory(Axle Slider)
Manual
Sylinterikansi
Venttiili koppa
Sylinteri / mÀntÀ
Ilmanpuhdistin
Pakoputkisto
Venttiilit
Nokka-akseli
Kampiakseli
Balancer
Kytkin
Vaihteisto
Vaihderumpu
Vaihteensiirto
Kampikammio
Kampikammion pultit
Moottorin kopat
Ãljypohja
Kaasu
Polttoainepumppu
Polttoaineen ruiskutus
Fuel Evaporative System
Ãljypumppu
Laturi
SytytysjÀrjestelmÀ
Starttimoottori
JÀÀhdytin
JÀÀhdytysletkut
Runko
Moottorin kiinnitys
Rungon kiinnikkeet
Takahaarukka
Jousitus
Jalkatapit
Lokasuojat
Lokasuojat
Seisontatuki
Renkaat
EtupyörÀn napa
TakapyörÀn napa
Jarrupoljin
Brake Piping
Etujarrun pÀÀsylinteri
Etujarru
Takajarrun pÀÀsylinteri
Takajarru
Ohjaustanko
Etujousitus
PolttoainesÀiliö
Satula
Mittaristo
Vaijerit
Sivukatteet
Ajovalo
Takavalo
Vilkut
Vilkut
SÀhköjÀrjestelmÀ
Virtalukko
Työkalut
Tarrat
Tarrat
Tarrat
Tarrat
Etukate
Etukate
Alakatteet
Accessory(Shroud Slider)
Accessory(Meter Cover)
Accessory(Crankcase Ring)
Accessory(Axle Slider)
Manual
Sylinterikansi
Venttiili koppa
Sylinteri / mÀntÀ
Ilmanpuhdistin
Pakoputkisto
Venttiilit
Nokka-akseli
Kampiakseli
Balancer
Kytkin
Vaihteisto
Vaihderumpu
Vaihteensiirto
Kampikammio
Kampikammion pultit
Moottorin kopat
Ãljypohja
Kaasu
Polttoainepumppu
Polttoaineen ruiskutus
Fuel Evaporative System
Ãljypumppu
Laturi
SytytysjÀrjestelmÀ
Starttimoottori
JÀÀhdytin
JÀÀhdytysletkut
Runko
Moottorin kiinnitys
Rungon kiinnikkeet
Takahaarukka
Jousitus
Jalkatapit
Lokasuojat
Lokasuojat
Seisontatuki
Renkaat
EtupyörÀn napa
TakapyörÀn napa
Jarrupoljin
Brake Piping
Etujarrun pÀÀsylinteri
Etujarru
Takajarrun pÀÀsylinteri
Takajarru
Ohjaustanko
Etujousitus
PolttoainesÀiliö
Satula
Mittaristo
Vaijerit
Sivukatteet
Ajovalo
Takavalo
Vilkut
Vilkut
SÀhköjÀrjestelmÀ
Virtalukko
Työkalut
Tarrat
Tarrat
Tarrat
Tarrat
Etukate
Etukate
Alakatteet
Accessory(Shroud Slider)
Accessory(Meter Cover)
Accessory(Crankcase Ring)
Accessory(Axle Slider)
Manual
Sylinterikansi
Venttiili koppa
Sylinteri / mÀntÀ
Ilmanpuhdistin
Pakoputkisto
Venttiilit
Nokka-akseli
Kampiakseli
Balancer
Kytkin
Vaihteisto
Vaihderumpu
Vaihteensiirto
Kampikammio
Kampikammion pultit
Moottorin kopat
Ãljypohja
Kaasu
Polttoainepumppu
Polttoaineen ruiskutus
Fuel Evaporative System
Ãljypumppu
Laturi
SytytysjÀrjestelmÀ
Starttimoottori
JÀÀhdytin
JÀÀhdytysletkut
Runko
Moottorin kiinnitys
Rungon kiinnikkeet
Takahaarukka
Jousitus
Jalkatapit
Lokasuojat
Lokasuojat
Seisontatuki
Renkaat
EtupyörÀn napa
TakapyörÀn napa
Jarrupoljin
Brake Piping
Etujarrun pÀÀsylinteri
Etujarru
Takajarrun pÀÀsylinteri
Takajarru
Ohjaustanko
Etujousitus
PolttoainesÀiliö
Satula
Mittaristo
Vaijerit
Sivukatteet
Ajovalo
Takavalo
Vilkut
SÀhköjÀrjestelmÀ
Virtalukko
Työkalut
Tarrat
Tarrat
Etukate
Etukate
Alakatteet
Accessory(Shroud Slider)
Accessory(Meter Cover)
Accessory(Crankcase Ring)
Accessory(Axle Slider)
Sylinterikansi
Venttiili koppa
Sylinteri / mÀntÀ
Ilmanpuhdistin
Pakoputkisto
Venttiilit
Nokka-akseli
Kampiakseli
Balancer
Kytkin
Vaihteisto
Vaihderumpu
Vaihteensiirto
Kampikammio
Kampikammion pultit
Moottorin kopat
Ãljypohja
Kaasu
Polttoainepumppu
Polttoaineen ruiskutus
Fuel Evaporative System
Ãljypumppu
Laturi
SytytysjÀrjestelmÀ
Starttimoottori
JÀÀhdytin
JÀÀhdytysletkut
Runko
Moottorin kiinnitys
Rungon kiinnikkeet
Takahaarukka
Jousitus
Jalkatapit
Lokasuojat
Lokasuojat
Seisontatuki
Renkaat
EtupyörÀn napa
TakapyörÀn napa
Jarrupoljin
Brake Piping
Etujarrun pÀÀsylinteri
Etujarru
Takajarrun pÀÀsylinteri
Takajarru
Ohjaustanko
Etujousitus
PolttoainesÀiliö
Satula
Mittaristo
Vaijerit
Sivukatteet
Ajovalo
Takavalo
Vilkut
SÀhköjÀrjestelmÀ
Virtalukko
Työkalut
Tarrat
Tarrat
Etukate
Etukate
Alakatteet
Accessory(Shroud Slider)
Accessory(Meter Cover)
Accessory(Crankcase Ring)
Accessory(Axle Slider)
Sylinterikansi
Venttiili koppa
Sylinteri / mÀntÀ
Ilmanpuhdistin
Pakoputkisto
Venttiilit
Nokka-akseli
Kampiakseli
Balancer
Kytkin
Vaihteisto
Vaihderumpu
Vaihteensiirto
Kampikammio
Kampikammion pultit
Moottorin kopat
Ãljypohja
Kaasu
Polttoainepumppu
Polttoaineen ruiskutus
Fuel Evaporative System
Ãljypumppu
Laturi
SytytysjÀrjestelmÀ
Starttimoottori
JÀÀhdytin
JÀÀhdytysletkut
Runko
Moottorin kiinnitys
Rungon kiinnikkeet
Takahaarukka
Jousitus
Jalkatapit
Lokasuojat
Lokasuojat
Seisontatuki
Renkaat
EtupyörÀn napa
TakapyörÀn napa
Jarrupoljin
Brake Piping
Etujarrun pÀÀsylinteri
Etujarru
Takajarrun pÀÀsylinteri
Takajarru
Ohjaustanko
Etujousitus
PolttoainesÀiliö
Satula
Mittaristo
Vaijerit
Sivukatteet
Ajovalo
Takavalo
Vilkut
SÀhköjÀrjestelmÀ
Virtalukko
Työkalut
Tarrat
Tarrat
Etukate
Etukate
Alakatteet
Accessory(Shroud Slider)
Accessory(Meter Cover)
Accessory(Crankcase Ring)
Accessory(Axle Slider)
Sylinterikansi
Venttiili koppa
Sylinteri / mÀntÀ
Ilmanpuhdistin
Pakoputkisto
Venttiilit
Nokka-akseli
Kampiakseli
Balancer
Kytkin
Vaihteisto
Vaihderumpu
Vaihteensiirto
Kampikammio
Kampikammion pultit
Moottorin kopat
Ãljypohja
Kaasu
Polttoainepumppu
Polttoaineen ruiskutus
Fuel Evaporative System
Ãljypumppu
Laturi
SytytysjÀrjestelmÀ
Starttimoottori
JÀÀhdytin
JÀÀhdytysletkut
Runko
Moottorin kiinnitys
Rungon kiinnikkeet
Takahaarukka
Jousitus
Jalkatapit
Lokasuojat
Lokasuojat
Seisontatuki
Renkaat
EtupyörÀn napa
TakapyörÀn napa
Jarrupoljin
Brake Piping
Etujarrun pÀÀsylinteri
Etujarru
Takajarrun pÀÀsylinteri
Takajarru
Ohjaustanko
Etujousitus
PolttoainesÀiliö
Satula
Mittaristo
Vaijerit
Ajovalo
Takavalo
Vilkut
SÀhköjÀrjestelmÀ
Virtalukko
Työkalut
Tarrat
Tarrat
Etukate
Etukate
Alakatteet
Accessory(Shroud Slider)
Accessory(Meter Cover)
Accessory(Crankcase Ring)
Accessory(Axle Slider)
NÄYTÄ TUOTEKATEGORIAT
NPM.FI
Varaosa luettelot
Suzuki
400 cc
AN 400 BURGMAN 2004
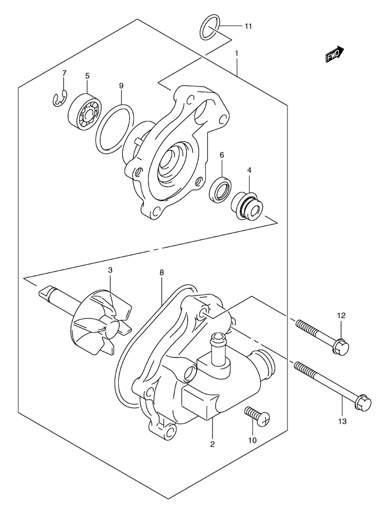
17-Vesipumppu
17-Vesipumppu, AN 400 BURGMAN 2004, 400 cc, Suzuki-varaosa luettelot
Näytä suurempana
Nro
#1
Tuotenumero
17400-14G01-000
Nimike
PUMP, WATER AN400/K5-
Hinta
187,50 €
Määrä
+
-
Nro
#2
Tuotenumero
17411-14G00-000
Nimike
CASE AN400/K3
Hinta
110,80 €
Määrä
+
-
Nro
#3
Tuotenumero
17491-21F00-000
Nimike
IMPELLER UC125 AN400/K5-
Hinta
55,50 €
Määrä
+
-
Nro
#4
Tuotenumero
17470-02F11-000
Nimike
MEKAANINEN TIIVISTE VESIPUMPPU
Hinta
29,65 €
Määrä
+
-
Nro
#5
Tuotenumero
09262-10014-000
Nimike
LAAKERI 10X26X8
Hinta
24,00 €
Määrä
+
-
Nro
#6
Tuotenumero
09283-10004-000
Nimike
ÖLJYTIIVISTE 10X21X5
Hinta
6,80 €
Lisätiedot
Määrä
+
-
Korvaavat tuotteet
Nro
#
Tuotenumero
M730000203000
Nimike
ÖLJYTIIVISTE 10X21X5 MGR-S
Hinta
7,10 €
Määrä
+
-
Nro
#
Tuotenumero
OS-10+21+5/TC
Nimike
ÖLJYTIIVISTE 931021020700
Hinta
7,10 €
Määrä
+
-
Nro
#7
Tuotenumero
08332-1108A-000
Nimike
E-RING
Hinta
2,75 €
Määrä
+
-
Nro
#8
Tuotenumero
17418-14F00-000
Nimike
O RING AN250
Hinta
6,60 €
Määrä
+
-
Nro
#9
Tuotenumero
17435-33400-000
Nimike
O RING,WATER PUMP HOLDER
Hinta
16,15 €
Lisätiedot
Määrä
+
-
Korvaavat tuotteet
Nro
#
Tuotenumero
M752003100094
Nimike
O-RENGAS 31,00X2
Hinta
4,55 €
Määrä
+
-
Nro
#10
Tuotenumero
02112-0616A-000
Nimike
SCREW AN400/K7- M6X15
Hinta
2,30 €
Lisätiedot
Määrä
+
-
Korvaavat tuotteet
Nro
#
Tuotenumero
02112-06163-000
Nimike
SCREW
Hinta
4,20 €
Määrä
+
-
Nro
#
Tuotenumero
02112-06167-000
Nimike
RISTIPÄÄ RUUVI 6X16
Hinta
2,35 €
Määrä
+
-
Nro
#
Tuotenumero
92055-1021
Nimike
ORING,METER GEAR Z250-A3 A
Hinta
4,10 €
Määrä
+
-
Nro
#11
Tuotenumero
09280-22001-000
Nimike
O-RENGAS D:2.4 ID:21.8
Hinta
2,30 €
Määrä
+
-
Nro
#12
Tuotenumero
01547-0635B-000
Nimike
BOLT GSX-R600/K6-
Hinta
4,20 €
Lisätiedot
Määrä
+
-
Korvaavat tuotteet
Nro
#
Tuotenumero
01547-06357-000
Nimike
RUUVI 6X35
Hinta
3,10 €
Määrä
+
-
Nro
#13
Tuotenumero
01547-06603-000
Nimike
BOLT
Hinta
3,20 €
Määrä
+
-