Kirjaudu
Kirjaudu sisään
Nakkilan pyörä ja mopo
Tuotekategoriat
Etusivu
Varaosaluettelot
Tarvikkeet
Varusteet
Tarjoukset
Ajoneuvot
Huolto
Yhteydenotto
Varaosa luettelot
Yamaha
1000 cc
FZ1-N
FZ1-N 2012
Sylinterikansi
Sylinteri
Kampiakseli ja mäntä
Venttiilit
Nokka-akseli ja ketju
Vesipumppu
Jäähdytin ja letkut
Öljypumppu
Oil cleaner
Ilmanotto
Imupuoli
Air induction system
Pakoputkisto
Kampikammio
Moottorin kopat
Starter
Kytkin
Vaihteisto
Vaihderumpu ja haarukat
Vaihdeakseli
Runko
Lokasuoja
Side cover
Rear arm
Rear suspension
Ohjaus
Etuhaarukka
Fuel tank
Istuin
Etupyörä
Etujarrusatula
Takapyörä
Takajarrusatula
Ohjaustanko ja vaijerit
Etujarrun pääsylinteri
Seisontatuki ja jalkatapit
Takajarrun pääsylinteri
Laturi
Starttimoottori
Vilkku
Mittaristo
Ajovalo
Takavalo
Ohjaustangon katkaisija ja vivut
Sähköjestelmä 1
Sähköjestelmä 2
Varaosat tuoteryhmittäin
Tarvikkeet
Tarjoukset
Varusteet
Ajoneuvot
NÄYTÄ TUOTEKATEGORIAT
NPM.FI
Varaosa luettelot
Yamaha
1000 cc
FZ1-N
FZ1-N 2012
Vesipumppu
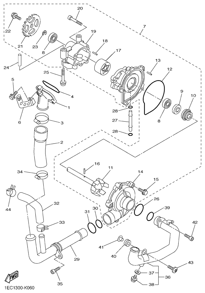
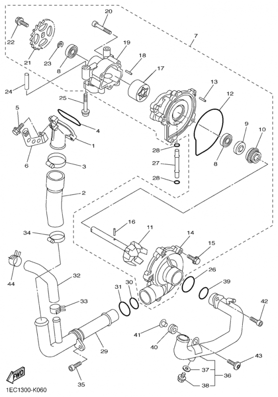
Vesipumppu, FZ1-N 2012, FZ1-N, 1000 cc, Yamaha -varaosa luettelot
Näytä suurempana
Nro
#1
Tuotenumero
5VY124691000
Nimike
JOINT 1
Hinta
73,10 €
Määrä
+
-
Nro
#2
Tuotenumero
5VY125760000
Nimike
HOSE 1
Hinta
19,35 €
Määrä
+
-
Nro
#3
Tuotenumero
904503804000
Nimike
HOSE CLAMP ASSY
Hinta
16,35 €
Määrä
+
-
Nro
#4
Tuotenumero
932104767500
Nimike
O-RING 52H
Hinta
3,45 €
Määrä
+
-
Nro
#5
Tuotenumero
950240602500
Nimike
BOLT, FLANGE
Hinta
1,40 €
Määrä
+
-
Nro
#6
Tuotenumero
2D1126370000
Nimike
STAY 1
Hinta
12,50 €
Määrä
+
-
Nro
#7
Tuotenumero
4C8124202000
Nimike
4C8124202000
Hinta
0,00 €
Määrä
+
-
Nro
#8
Tuotenumero
933060010600
Nimike
UUSI NRO 933060010500
Hinta
8,20 €
Lisätiedot
Määrä
+
-
Korvaavat tuotteet
Nro
#
Tuotenumero
933060010500
Nimike
BEARING (B6001)
Hinta
17,95 €
Määrä
+
-
Nro
#9
Tuotenumero
931021237200
Nimike
OIL SEAL
Hinta
7,40 €
Määrä
+
-
Nro
#10
Tuotenumero
4C8124380000
Nimike
SEAL, MECHANICAL
Hinta
53,40 €
Määrä
+
-
Nro
#11
Tuotenumero
4C8124501000
Nimike
IMPELLER SHAFT ASSY
Hinta
56,35 €
Määrä
+
-
Nro
#12
Tuotenumero
4XV124390000
Nimike
O-RING
Hinta
20,85 €
Määrä
+
-
Nro
#13
Tuotenumero
936031200700
Nimike
PIN,DOWEL
Hinta
2,35 €
Määrä
+
-
Nro
#14
Tuotenumero
5VY124220000
Nimike
COVER, HOUSING
Hinta
142,25 €
Määrä
+
-
Nro
#15
Tuotenumero
901050606500
Nimike
BOLT, FLANGE
Hinta
2,30 €
Määrä
+
-
Nro
#16
Tuotenumero
936031707000
Nimike
TAPPI
Hinta
5,55 €
Määrä
+
-
Nro
#17
Tuotenumero
5VY133101000
Nimike
ROTOR ASSY 1
Hinta
47,85 €
Määrä
+
-
Nro
#18
Tuotenumero
936031200700
Nimike
PIN,DOWEL
Hinta
2,35 €
Määrä
+
-
Nro
#19
Tuotenumero
5VY133360000
Nimike
HOUSING, ROTOR
Hinta
78,80 €
Määrä
+
-
Nro
#20
Tuotenumero
913120604000
Nimike
KTS UUSI NRO 3UDE35730000
Hinta
3,30 €
Määrä
+
-
Nro
#21
Tuotenumero
5VY133550000
Nimike
SPROCKET, DRIVEN
Hinta
45,85 €
Määrä
+
-
Nro
#22
Tuotenumero
901050606600
Nimike
BOLT, FLANGE
Hinta
2,30 €
Määrä
+
-
Nro
#23
Tuotenumero
990091240000
Nimike
CIRCLIP
Hinta
2,05 €
Määrä
+
-
Nro
#24
Tuotenumero
918083003100
Nimike
PIN, DOWEL
Hinta
8,55 €
Määrä
+
-
Nro
#25
Tuotenumero
901100616700
Nimike
KTS UUSI NRO 901100616600
Hinta
5,20 €
Määrä
+
-
Nro
#26
Tuotenumero
93210357A200
Nimike
O-RING
Hinta
7,35 €
Lisätiedot
Määrä
+
-
Korvaavat tuotteet
Nro
#
Tuotenumero
M752003550004
Nimike
O-RENGAS N70 D. 35,50X2
Hinta
4,05 €
Määrä
+
-
Nro
#27
Tuotenumero
4XV124850000
Nimike
PIPE 5
Hinta
9,60 €
Määrä
+
-
Nro
#28
Tuotenumero
932100666700
Nimike
O-RING
Hinta
2,40 €
Määrä
+
-
Nro
#29
Tuotenumero
39P124810000
Nimike
PIPE 1
Hinta
105,95 €
Määrä
+
-
Nro
#30
Tuotenumero
93210235A100
Nimike
O-RING M753002200004
Hinta
6,45 €
Lisätiedot
Määrä
+
-
Korvaavat tuotteet
Nro
#
Tuotenumero
M753002200004
Nimike
O-RENGAS 22,00X3 09280-22008
Hinta
1,85 €
Määrä
+
-
Nro
#31
Tuotenumero
932102737000
Nimike
UUSI NRO 932102777800
Hinta
7,80 €
Määrä
+
-
Nro
#32
Tuotenumero
5VY125880000
Nimike
HOSE 5
Hinta
11,10 €
Määrä
+
-
Nro
#33
Tuotenumero
90467200A000
Nimike
CLIP
Hinta
3,70 €
Määrä
+
-
Nro
#34
Tuotenumero
904503200600
Nimike
KTS UUSI NRO 904602019000
Hinta
11,40 €
Määrä
+
-
Nro
#35
Tuotenumero
901100616100
Nimike
KTS UUSI NRO 913170601600
Hinta
1,80 €
Määrä
+
-
Nro
#36
Tuotenumero
2D1124840100
Nimike
PIPE 4
Hinta
137,20 €
Määrä
+
-
Nro
#37
Tuotenumero
904300601400
Nimike
GASKET
Hinta
2,20 €
Määrä
+
-
Nro
#38
Tuotenumero
901530600200
Nimike
SCREW, HEXAGON
Hinta
0,70 €
Määrä
+
-
Nro
#39
Tuotenumero
93210235A100
Nimike
O-RING M753002200004
Hinta
6,45 €
Lisätiedot
Määrä
+
-
Korvaavat tuotteet
Nro
#
Tuotenumero
M753002200004
Nimike
O-RENGAS 22,00X3 09280-22008
Hinta
1,85 €
Määrä
+
-
Nro
#40
Tuotenumero
904801201000
Nimike
GROMMET
Hinta
4,60 €
Määrä
+
-
Nro
#41
Tuotenumero
903870611200
Nimike
COLLAR
Hinta
2,85 €
Määrä
+
-
Nro
#42
Tuotenumero
901100616100
Nimike
KTS UUSI NRO 913170601600
Hinta
1,80 €
Määrä
+
-
Nro
#43
Tuotenumero
901490602200
Nimike
KTS UUSI NRO 901490630200
Hinta
6,10 €
Määrä
+
-
Nro
#44
Tuotenumero
90467200A000
Nimike
CLIP
Hinta
3,70 €
Määrä
+
-