Kirjaudu
Kirjaudu sisään
Nakkilan pyörä ja mopo
Tuotekategoriat
Etusivu
Varaosaluettelot
Tarvikkeet
Varusteet
Tarjoukset
Ajoneuvot
Huolto
Yhteydenotto
Varaosa luettelot
Yamaha
1000 cc
FZ1-NA
FZ1-NA 2007
Sylinterikansi
Sylinteri
Kampiakseli ja mäntä
Venttiilit
Nokka-akseli ja ketju
Vesipumppu
Jäähdytin ja letkut
Öljypumppu
Oil cleaner
Ilmanotto
Imupuoli
Air induction system
Pakoputkisto
Kampikammio
Moottorin kopat
Starter
Kytkin
Vaihteisto
Vaihderumpu ja haarukat
Vaihdeakseli
Runko
Lokasuoja
Side cover
Rear arm
Rear suspension
Ohjaus
Etuhaarukka
Fuel tank
Istuin
Etupyörä
Etujarrusatula
Takapyörä
Takajarrusatula
Ohjaustanko ja vaijerit
Etujarrun pääsylinteri
Seisontatuki ja jalkatapit
Takajarrun pääsylinteri
Laturi
Starttimoottori
Vilkku
Mittaristo
Ajovalo
Takavalo
Ohjaustangon katkaisija ja vivut
Sähköjestelmä 1
Sähköjestelmä 2
Sähköjestelmä 3
Varaosat tuoteryhmittäin
Tarvikkeet
Tarjoukset
Varusteet
Ajoneuvot
NÄYTÄ TUOTEKATEGORIAT
NPM.FI
Varaosa luettelot
Yamaha
1000 cc
FZ1-NA
FZ1-NA 2007
Jäähdytin ja letkut
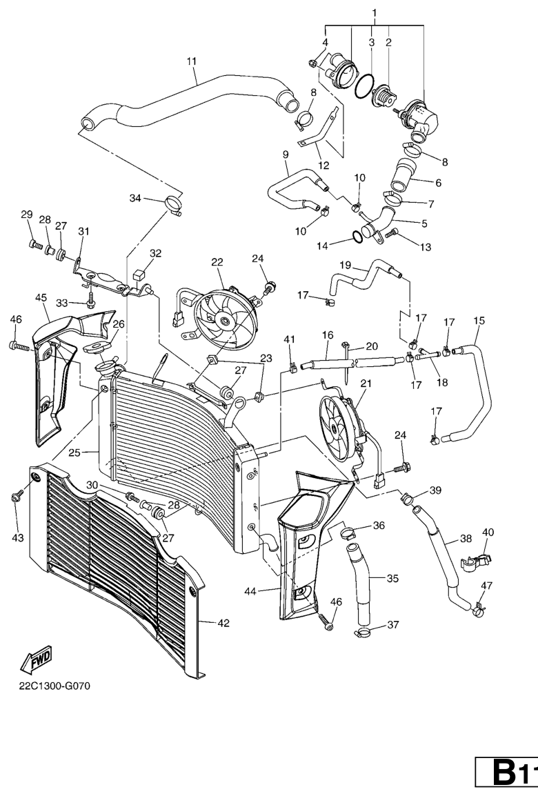
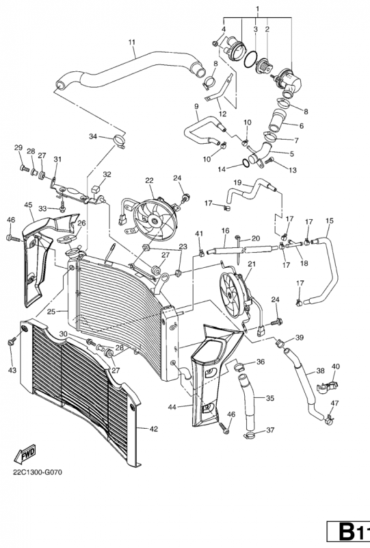
Jäähdytin ja letkut, FZ1-NA 2007, FZ1-NA, 1000 cc, Yamaha -varaosa luettelot
Näytä suurempana
Nro
#1
Tuotenumero
2D1124100000
Nimike
THERMOSTAT ASSY
Hinta
55,90 €
Määrä
+
-
Nro
#2
Tuotenumero
5LP124110000
Nimike
THERMOSTAT
Hinta
64,35 €
Määrä
+
-
Nro
#3
Tuotenumero
932104904600
Nimike
O-RING
Hinta
4,50 €
Määrä
+
-
Nro
#4
Tuotenumero
901760601400
Nimike
NUT, CROWN
Hinta
0,95 €
Määrä
+
-
Nro
#5
Tuotenumero
5VY124851000
Nimike
PIPE 5
Hinta
60,60 €
Määrä
+
-
Nro
#6
Tuotenumero
5VY125790000
Nimike
HOSE 4
Hinta
11,85 €
Määrä
+
-
Nro
#7
Tuotenumero
904503500100
Nimike
HOSE CLAMP ASSY
Hinta
10,30 €
Määrä
+
-
Nro
#8
Tuotenumero
904503804000
Nimike
HOSE CLAMP ASSY
Hinta
16,35 €
Määrä
+
-
Nro
#9
Tuotenumero
5VY1243F0000
Nimike
KTS UUSI NRO 5VY1243F0100
Hinta
28,05 €
Määrä
+
-
Nro
#10
Tuotenumero
904671109000
Nimike
UUSI NRO 904671013500
Hinta
2,80 €
Määrä
+
-
Nro
#11
Tuotenumero
2D1125780000
Nimike
HOSE 3
Hinta
61,65 €
Määrä
+
-
Nro
#12
Tuotenumero
5GV1246A0000
Nimike
COVER 1
Hinta
7,00 €
Määrä
+
-
Nro
#13
Tuotenumero
901100616800
Nimike
KTS UUSI NRO 913120601400
Hinta
1,50 €
Lisätiedot
Määrä
+
-
Korvaavat tuotteet
Nro
#
Tuotenumero
9011006X2600
Nimike
BOLT, HEXAGON SOCKET HEAD(M01)
Hinta
1,05 €
Määrä
+
-
Nro
#14
Tuotenumero
93210235A100
Nimike
O-RING M753002200004
Hinta
6,45 €
Lisätiedot
Määrä
+
-
Korvaavat tuotteet
Nro
#
Tuotenumero
M753002200004
Nimike
O-RENGAS 22,00X3 09280-22008
Hinta
1,85 €
Määrä
+
-
Nro
#15
Tuotenumero
5VY1243A0000
Nimike
HOSE 1
Hinta
16,90 €
Määrä
+
-
Nro
#16
Tuotenumero
2D11244G0000
Nimike
HOSE, 4
Hinta
24,55 €
Määrä
+
-
Nro
#17
Tuotenumero
904671109000
Nimike
UUSI NRO 904671013500
Hinta
2,80 €
Määrä
+
-
Nro
#18
Tuotenumero
904130702300
Nimike
WAY 3(1AF)
Hinta
16,80 €
Määrä
+
-
Nro
#19
Tuotenumero
2D11243E0000
Nimike
KTS UUSI NRO 2D11243E0100
Hinta
27,70 €
Määrä
+
-
Nro
#20
Tuotenumero
904641307300
Nimike
KTS UUSI NRO 904641519500
Hinta
3,10 €
Määrä
+
-
Nro
#21
Tuotenumero
2D1124050000
Nimike
UUSI NRO 2D1124050100
Hinta
337,50 €
Määrä
+
-
Nro
#22
Tuotenumero
2D1124051000
Nimike
UUSI NRO 2D1124051100
Hinta
337,50 €
Määrä
+
-
Nro
#23
Tuotenumero
1AA125350000
Nimike
PLATE
Hinta
21,10 €
Määrä
+
-
Nro
#24
Tuotenumero
2D1126750000
Nimike
BOLT, BLOWER HOLDING
Hinta
2,55 €
Määrä
+
-
Nro
#25
Tuotenumero
2D1124610000
Nimike
RADIATOR ASSY
Hinta
727,60 €
Määrä
+
-
Nro
#26
Tuotenumero
22W124620000
Nimike
UUSI NRO 4FL124620000
Hinta
51,60 €
Lisätiedot
Määrä
+
-
Korvaavat tuotteet
Nro
#
Tuotenumero
4FL124620000
Nimike
CAP,RADIATOR
Hinta
56,65 €
Määrä
+
-
Nro
#27
Tuotenumero
904801536300
Nimike
GROMMET2
Hinta
5,35 €
Määrä
+
-
Nro
#28
Tuotenumero
903870739100
Nimike
OHJAIN
Hinta
5,30 €
Määrä
+
-
Nro
#29
Tuotenumero
901090601500
Nimike
BOLT
Hinta
2,40 €
Määrä
+
-
Nro
#30
Tuotenumero
90109067E600
Nimike
BOLT(3AK)
Hinta
1,85 €
Määrä
+
-
Nro
#31
Tuotenumero
22C124640000
Nimike
22C124640000
Hinta
0,00 €
Määrä
+
-
Nro
#32
Tuotenumero
2D12139U0000
Nimike
DAMPER 2
Hinta
2,40 €
Määrä
+
-
Nro
#33
Tuotenumero
958070601200
Nimike
UUSI NRO 958170601200
Hinta
1,95 €
Määrä
+
-
Nro
#34
Tuotenumero
904503500100
Nimike
HOSE CLAMP ASSY
Hinta
10,30 €
Määrä
+
-
Nro
#35
Tuotenumero
2D1125510000
Nimike
HOSE 7
Hinta
34,45 €
Määrä
+
-
Nro
#36
Tuotenumero
904503500100
Nimike
HOSE CLAMP ASSY
Hinta
10,30 €
Määrä
+
-
Nro
#37
Tuotenumero
904503200100
Nimike
KTS UUSI NRO 904503200300
Hinta
11,05 €
Määrä
+
-
Nro
#38
Tuotenumero
2D1125890000
Nimike
HOSE 6
Hinta
27,35 €
Määrä
+
-
Nro
#39
Tuotenumero
904502201700
Nimike
UUSI NRO 9045022M1400
Hinta
11,50 €
Lisätiedot
Määrä
+
-
Korvaavat tuotteet
Nro
#
Tuotenumero
9045022M1400
Nimike
HOSE CLAMP ASSY(64X)
Hinta
11,50 €
Määrä
+
-
Nro
#40
Tuotenumero
904642300200
Nimike
CLAMP
Hinta
5,20 €
Määrä
+
-
Nro
#41
Tuotenumero
904671109000
Nimike
UUSI NRO 904671013500
Hinta
2,80 €
Määrä
+
-
Nro
#42
Tuotenumero
2D1124670000
Nimike
COVER, RADIATOR
Hinta
77,90 €
Määrä
+
-
Nro
#43
Tuotenumero
901110603100
Nimike
BOLT
Hinta
2,25 €
Määrä
+
-
Nro
#44
Tuotenumero
2D11240J00P0
Nimike
2D11240J00P0
Hinta
0,00 €
Määrä
+
-
Nro
#45
Tuotenumero
2D11240K00P0
Nimike
2D11240K00P0
Hinta
0,00 €
Määrä
+
-
Nro
#46
Tuotenumero
901110607800
Nimike
901110607800
Hinta
0,00 €
Määrä
+
-
Nro
#47
Tuotenumero
90467200A000
Nimike
CLIP
Hinta
3,70 €
Määrä
+
-