Kirjaudu
Kirjaudu sisään
Nakkilan pyörä ja mopo
Tuotekategoriat
Etusivu
Varaosaluettelot
Tarvikkeet
Varusteet
Tarjoukset
Ajoneuvot
Huolto
Yhteydenotto
Varaosa luettelot
Yamaha
1000 cc
MT-01
MT-01 2006
Sylinterikansi
Sylinteri
Kampiakseli ja mäntä
Venttiilit
Nokka-akseli ja ketju
Öljypumppu
Oil cleaner
Ilmanotto
Imupuoli
Pakoputkisto
Kampikammio
Moottorin kopat
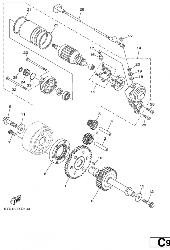
Starter
Kytkin
Vaihteisto
Vaihderumpu ja haarukat
Vaihdeakseli
Runko
Frame 2
Lokasuoja
Side cover
Oil tank
Takahaarukka ja jousitus
Ohjaus
Etuhaarukka
Fuel tank
Istuin
Etupyörä
Etujarrusatula
Takapyörä
Takajarrusatula
Ohjaustanko ja vaijerit
Etujarrun pääsylinteri
Kytkimen pääsylinteri
Seisontatuki ja jalkatapit
Stand & footrest 2
Takajarrun pääsylinteri
Laturi
Vilkku
Mittaristo
Ajovalo
Takavalo
Ohjaustangon katkaisija ja vivut
Sähköjestelmä 1
Sähköjestelmä 2
Varaosat tuoteryhmittäin
Tarvikkeet
Tarjoukset
Varusteet
Ajoneuvot
NÄYTÄ TUOTEKATEGORIAT
NPM.FI
Varaosa luettelot
Yamaha
1000 cc
MT-01
MT-01 2006
Starter
Starter, MT-01 2006, MT-01, 1000 cc, Yamaha -varaosa luettelot
Näytä suurempana