Kirjaudu
Kirjaudu sisään
Nakkilan pyörä ja mopo
Tuotekategoriat
Etusivu
Varaosaluettelot
Tarvikkeet
Varusteet
Tarjoukset
Ajoneuvot
Huolto
Yhteydenotto
Varaosa luettelot
Yamaha
1200 cc
XTZ1200 Super Ténéré
XT1200Z ABS 2013
Sylinterikansi
Sylinteri
Kampiakseli ja mäntä
Venttiilit
Nokka-akseli ja ketju
Vesipumppu
Jäähdytin ja letkut
Öljypumppu
Ilmanotto
Imupuoli
Pakoputkisto
Kampikammio
Moottorin kopat
Starttikytkin
Kytkin
Vaihteisto
Välitysratas
Vaihderumpu ja haarukat
Vaihdeakseli
Runko
Lokasuoja
Paisuntasäiliö
Takahaarukka ja jousitus
Vetoakseli
Etuhaarukka
Ohjaus
Polttoainejärjestelmä
Istuin
Etupyörä
Etujarrusatula
Takapyörä
Takajarrusatula
Ohjaustanko ja vaijerit
Etujarrun pääsylinteri
Kytkimen pääsylinteri
Seisontatuki ja jalkatapit
Takajarrun pääsylinteri
Tuulilasi
Kate
Laturi
Starttimoottori
Vilkku
Mittaristo
Ajovalo
Takavalo
Ohjaustangon katkaisija ja vivut
Sähköjestelmä 1
Sähköjestelmä 2
Sähköjestelmä 3
Varaosat tuoteryhmittäin
Tarvikkeet
Tarjoukset
Varusteet
Ajoneuvot
NÄYTÄ TUOTEKATEGORIAT
NPM.FI
Varaosa luettelot
Yamaha
1200 cc
XTZ1200 Super Ténéré
XT1200Z ABS 2013
Ajovalo
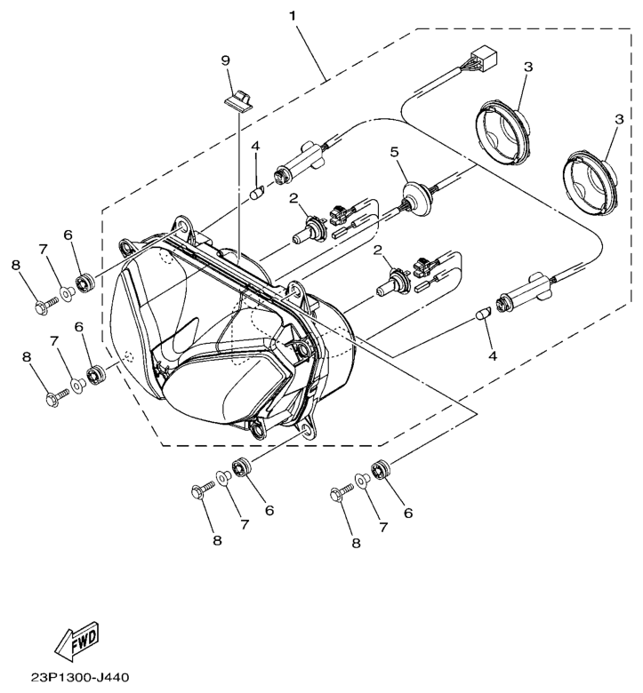
Ajovalo, XT1200Z ABS 2013, XTZ1200 Super Ténéré, 1200 cc, Yamaha -varaosa luettelot
Näytä suurempana
Nro
#1
Tuotenumero
23P843000000
Nimike
23P843000000
Hinta
0,00 €
Määrä
+
-
Nro
#2
Tuotenumero
5PS843140000
Nimike
5PS843140000
Hinta
0,00 €
Määrä
+
-
Nro
#3
Tuotenumero
14B843960000
Nimike
14B843960000
Hinta
0,00 €
Määrä
+
-
Nro
#4
Tuotenumero
5DM843470000
Nimike
KTS UUSI NRO 4SV843470000
Hinta
1,65 €
Lisätiedot
Määrä
+
-
Korvaavat tuotteet
Nro
#
Tuotenumero
3WWH43470000
Nimike
UUSI NRO 5YPH53530000
Hinta
1,65 €
Määrä
+
-
Nro
#5
Tuotenumero
23P843120000
Nimike
23P843120000
Hinta
0,00 €
Määrä
+
-
Nro
#6
Tuotenumero
4XV835130000
Nimike
DAMPER
Hinta
3,70 €
Määrä
+
-
Nro
#7
Tuotenumero
90387065G000
Nimike
UUSI NRO 903870739100
Hinta
5,30 €
Määrä
+
-
Nro
#8
Tuotenumero
958070602500
Nimike
UUSI NRO 958170602500
Hinta
1,85 €
Määrä
+
-
Nro
#9
Tuotenumero
904641001200
Nimike
904641001200
Hinta
0,00 €
Määrä
+
-