Kirjaudu
Kirjaudu sisään
Nakkilan pyörä ja mopo
Tuotekategoriat
Etusivu
Varaosaluettelot
Tarvikkeet
Varusteet
Tarjoukset
Ajoneuvot
Huolto
Yhteydenotto
Varaosa luettelot
Yamaha
1200 cc
XTZ1200 Super Ténéré
XT1200Z ABS 2017
Kampiakseli ja mÀntÀ
Vaihteisto
VÀlitysratas
Lokasuoja
Ohjaus
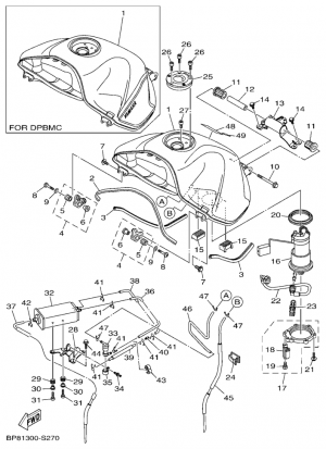
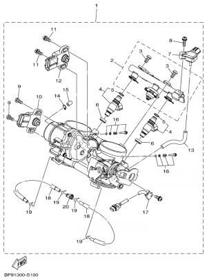
PolttoainejÀrjestelmÀ
TakapyörÀ
Etujarrun pÀÀsylinteri
Kytkimen pÀÀsylinteri 2
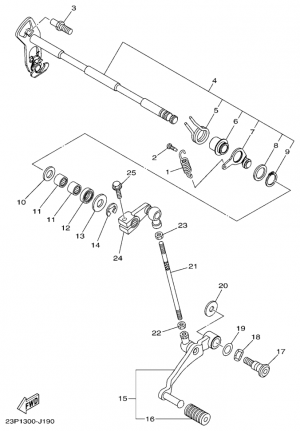
Seisontatuki ja jalkatapit
Takajarrun pÀÀsylinteri
Tuulilasi
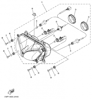
Kate
Laturi
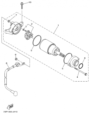
KÀynnistinmoottori
Vilkku
Ajovalo
Takavalo
Ohjaustangon katkaisija ja vivut
SÀhköjÀrjestelmÀ 1
SÀhköjÀrjestelmÀ 2
SÀhköjÀrjestelmÀ 3
Sylinterikansi
Sylinteri
Venttiilit
Nokka-akseli ja ketju
Vesipumppu
Jäähdytin ja letkut
Öljypumppu
Ilmanotto
Imupuoli
Pakoputkisto
Kampikammio
Moottorin kopat
Starttikytkin
Kytkin
Vaihderumpu ja haarukat
Vaihdeakseli
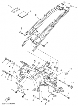
Runko
Paisuntasäiliö
Takahaarukka ja jousitus
Vetoakseli
Etuhaarukka
Istuin
Etupyörä
Etujarrusatula
Takajarrusatula
Ohjaustanko ja vaijerit
Mittaristo
Varaosat tuoteryhmittäin
Tarvikkeet
Tarjoukset
Varusteet
Ajoneuvot
NÄYTÄ TUOTEKATEGORIAT
NPM.FI
Varaosa luettelot
Yamaha
1200 cc
XTZ1200 Super Ténéré
XT1200Z ABS 2017
XT1200Z ABS 2017, XTZ1200 Super Ténéré, 1200 cc, Yamaha -varaosa luettelot
Kampiakseli ja mÀntÀ
Vaihteisto
VÀlitysratas
Lokasuoja
Ohjaus
PolttoainejÀrjestelmÀ
TakapyörÀ
Etujarrun pÀÀsylinteri
Kytkimen pÀÀsylinteri 2
Seisontatuki ja jalkatapit
Takajarrun pÀÀsylinteri
Tuulilasi
Kate
Laturi
KÀynnistinmoottori
Vilkku
Ajovalo
Takavalo
Ohjaustangon katkaisija ja vivut
SÀhköjÀrjestelmÀ 1
SÀhköjÀrjestelmÀ 2
SÀhköjÀrjestelmÀ 3
Sylinterikansi
Sylinteri
Venttiilit
Nokka-akseli ja ketju
Vesipumppu
Jäähdytin ja letkut
Öljypumppu
Ilmanotto
Imupuoli
Pakoputkisto
Kampikammio
Moottorin kopat
Starttikytkin
Kytkin
Vaihderumpu ja haarukat
Vaihdeakseli
Runko
Paisuntasäiliö
Takahaarukka ja jousitus
Vetoakseli
Etuhaarukka
Istuin
Etupyörä
Etujarrusatula
Takajarrusatula
Ohjaustanko ja vaijerit
Mittaristo