Kirjaudu
Kirjaudu sisään
Nakkilan pyörä ja mopo
Tuotekategoriat
Etusivu
Varaosaluettelot
Tarvikkeet
Varusteet
Tarjoukset
Ajoneuvot
Huolto
Yhteydenotto
Varaosa luettelot
Yamaha
1200 cc
XTZ1200 Super Ténéré
XT1200ZE ABS 2015
Sylinterikansi
Sylinteri
Kampiakseli ja mÀntÀ
Venttiilit
Nokka-akseli ja ketju
Vesipumppu
JÀÀhdytin ja letkut
Ãljypumppu
Ilmanotto
Imupuoli 2
Pakoputkisto
Kampikammio
Kampikammion kansi 1
KÀynnistinkytkin
Kytkin
Vaihteisto
VÀlitysratas
Vaihderumpu ja haarukat
Vaihdeakseli
Runko
Lokasuoja
SIDE COVER
Takahaarukka ja jousitus
Vetoakseli
Etuhaarukka
Ohjaus
PolttoainejÀrjestelmÀ
Istuin
EtupyörÀ
Etujarrusatula
TakapyörÀ
Takajarrusatula
Ohjaustanko ja vaijerit
Etujarrun pÀÀsylinteri
Kytkimen pÀÀsylinteri 2
Seisontatuki ja jalkatapit
Takajarrun pÀÀsylinteri
Tuulilasi
Kate
Laturi
KÀynnistinmoottori
Vilkku
Mittaristo
Ajovalo
Takavalo
Ohjaustangon katkaisija ja vivut
SÀhköjÀrjestelmÀ 1
SÀhköjÀrjestelmÀ 2
SÀhköjÀrjestelmÀ 3
Varaosat tuoteryhmittäin
Tarvikkeet
Tarjoukset
Varusteet
Ajoneuvot
NÄYTÄ TUOTEKATEGORIAT
NPM.FI
Varaosa luettelot
Yamaha
1200 cc
XTZ1200 Super Ténéré
XT1200ZE ABS 2015
Vesipumppu
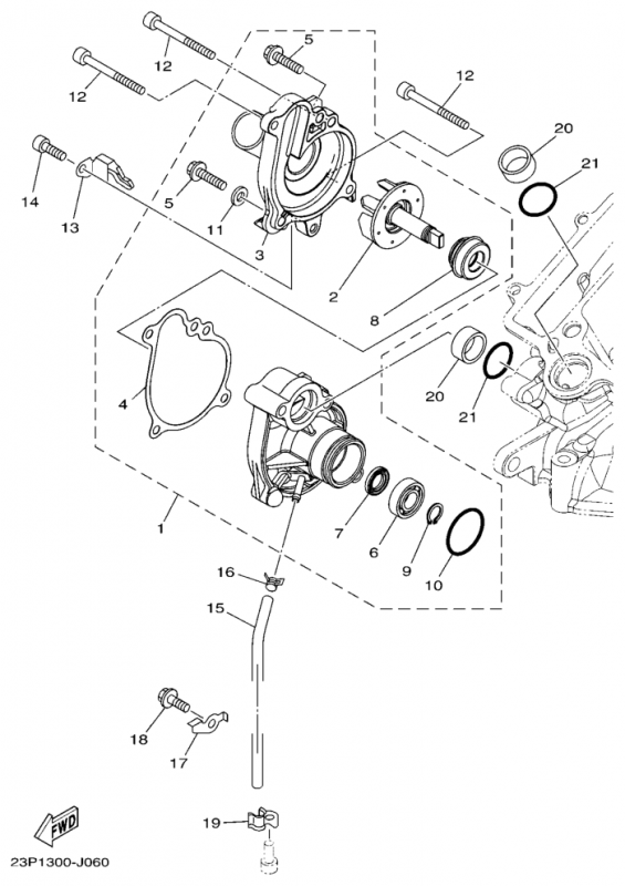
Vesipumppu, XT1200ZE ABS 2015, XTZ1200 Super Ténéré, 1200 cc, Yamaha -varaosa luettelot
Näytä suurempana
Nro
#1
Tuotenumero
23P124200100
Nimike
23P124200100
Hinta
0,00 €
Määrä
+
-
Nro
#2
Tuotenumero
23P124500000
Nimike
23P124500000
Hinta
0,00 €
Määrä
+
-
Nro
#3
Tuotenumero
23P124220100
Nimike
23P124220100
Hinta
0,00 €
Määrä
+
-
Nro
#4
Tuotenumero
23P124280000
Nimike
23P124280000
Hinta
0,00 €
Määrä
+
-
Nro
#5
Tuotenumero
950240602500
Nimike
BOLT, FLANGE
Hinta
1,40 €
Määrä
+
-
Nro
#6
Tuotenumero
933060010600
Nimike
UUSI NRO 933060010500
Hinta
8,20 €
Lisätiedot
Määrä
+
-
Korvaavat tuotteet
Nro
#
Tuotenumero
933060010500
Nimike
BEARING (B6001)
Hinta
17,95 €
Määrä
+
-
Nro
#7
Tuotenumero
931011217300
Nimike
OILSEAL 12X21X4
Hinta
11,10 €
Lisätiedot
Määrä
+
-
Korvaavat tuotteet
Nro
#
Tuotenumero
M730000287000
Nimike
ÖLJYTIIVISTE 12X21X4 S
Hinta
6,10 €
Määrä
+
-
Nro
#
Tuotenumero
M730000287010
Nimike
ÖLJYTIIVISTE 12X21X4 MGR-S
Hinta
6,10 €
Määrä
+
-
Nro
#8
Tuotenumero
5VK124380000
Nimike
SEAL, MECHANICAL
Hinta
37,15 €
Määrä
+
-
Nro
#9
Tuotenumero
990091240000
Nimike
CIRCLIP
Hinta
2,05 €
Määrä
+
-
Nro
#10
Tuotenumero
932103313300
Nimike
O-RING M752603131004
Hinta
4,65 €
Lisätiedot
Määrä
+
-
Korvaavat tuotteet
Nro
#
Tuotenumero
M752603131004
Nimike
O-RENGAS 33,00X2,62 TP
Hinta
3,05 €
Määrä
+
-
Nro
#11
Tuotenumero
904300601400
Nimike
GASKET
Hinta
2,20 €
Määrä
+
-
Nro
#12
Tuotenumero
901100635100
Nimike
901100635100
Hinta
0,00 €
Määrä
+
-
Nro
#13
Tuotenumero
904620809500
Nimike
904620809500
Hinta
0,00 €
Määrä
+
-
Nro
#14
Tuotenumero
913140601200
Nimike
BOLT, HEXAGON SOCKET (1XL)
Hinta
0,95 €
Määrä
+
-
Nro
#15
Tuotenumero
904450703000
Nimike
904450703000
Hinta
0,00 €
Määrä
+
-
Nro
#16
Tuotenumero
90467070A000
Nimike
CLIP
Hinta
1,25 €
Määrä
+
-
Nro
#17
Tuotenumero
904620808400
Nimike
904620808400
Hinta
0,00 €
Määrä
+
-
Nro
#18
Tuotenumero
958240601600
Nimike
KTS UUSI NRO 958140601600
Hinta
1,80 €
Määrä
+
-
Nro
#19
Tuotenumero
904621005900
Nimike
904621005900
Hinta
0,00 €
Määrä
+
-
Nro
#20
Tuotenumero
23P125640000
Nimike
23P125640000
Hinta
0,00 €
Määrä
+
-
Nro
#21
Tuotenumero
932102400100
Nimike
932102400100
Hinta
0,00 €
Määrä
+
-