Kirjaudu
Kirjaudu sisään
Nakkilan pyörä ja mopo
Tuotekategoriat
Etusivu
Varaosaluettelot
Tarvikkeet
Varusteet
Tarjoukset
Ajoneuvot
Huolto
Yhteydenotto
Varaosa luettelot
Yamaha
1300 cc
XJR 1300 2013
0-Tiivisteet
1-Sylinterin kansi
2-Sylinterin kansi
3-Kampiakseli, männät
4-Venttiilit
5-Nokka-akseli, jetju
6-Öljypumppu
7-Öljyn jäähdytin
8-Öljyn suodin
9-Ilmanotto
10-Imusarja
11-Ilmansekoitus
12-Pakoputki
13-Lohkot
14-Sivukopat
15-Käynnistys
16-Kytkin
17-Vaihteisto
18-Vaihteensiirto
19-Vaihteen siirto II
20-Runko
21-Lokasuojat
22-Sivupaneelit
23-Takahaarukka
24-Takajousitus
25-Ohjainlaakerit
26-Etujousitus
27-Tankki
28-Istuin
29-Etupyörä
30-Etujarru
31-Takapyörä
32-Takajarru
33-Ohjaintanko, vaijerit
34-Etujarrusylinteri
35-Kytjinsylinteri
36-Jalkatapit
37-Takajarrusylinteri
38-Laturi
39-Sytytys moduli
40-Starttimoottori
41-Vilkut
42-Mittaristo
43-Etuvalo
44-Takavalo
45-Sähköosat I
46-Sähköosat II
Varaosat tuoteryhmittäin
Tarvikkeet
Tarjoukset
Varusteet
Ajoneuvot
Vaihteensiirto
Kampikammio
Kampikammion pultit
Moottorin kopat
Ãljypohja
Kaasu
Polttoainepumppu
Polttoaineen ruiskutus
Ãljypumppu
Laturi
SytytysjÀrjestelmÀ
Starttimoottori
JÀÀhdytin
JÀÀhdytysletkut
Runko
Moottorin kiinnitys
Rungon kiinnikkeet
Takahaarukka
Jousitus
Jalkatapit
Lokasuojat
Lokasuojat
Seisontatuki
Renkaat
EtupyörÀn napa
TakapyörÀn napa
Jarrupoljin
Brake Piping
Etujarrun pÀÀsylinteri
Etujarru
Takajarrun pÀÀsylinteri
Takajarru
Ohjaustanko
Etujousitus
PolttoainesÀiliö
Satula
Satula
Mittaristo
Vaijerit
Sivukatteet
Ajovalo
Takavalo
Vilkut
SÀhköjÀrjestelmÀ
Virtalukko
Työkalut
Tarrat
Tarrat
Tarrat
Tarrat
Tarrat
Tarrat
Tarrat
Tarrat
Etukate
Etukate
Etukate
Etukate
Etukate
Alakatteet
Manual
Sylinterikansi
Venttiili koppa
Sylinteri / mÀntÀ
Ilmanpuhdistin
Pakoputkisto
Venttiilit
Nokka-akseli
Kampiakseli
Balancer
Kytkin
Vaihteisto
Vaihderumpu
Vaihteensiirto
Kampikammio
Kampikammion pultit
Moottorin kopat
Ãljypohja
Kaasu
Polttoainepumppu
Polttoaineen ruiskutus
Ãljypumppu
Laturi
SytytysjÀrjestelmÀ
Starttimoottori
JÀÀhdytin
JÀÀhdytysletkut
Runko
Moottorin kiinnitys
Rungon kiinnikkeet
Takahaarukka
Jousitus
Jalkatapit
Lokasuojat
Lokasuojat
Seisontatuki
Renkaat
EtupyörÀn napa
TakapyörÀn napa
Jarrupoljin
Brake Piping
Etujarrun pÀÀsylinteri
Etujarru
Takajarrun pÀÀsylinteri
Takajarru
Ohjaustanko
Etujousitus
PolttoainesÀiliö
Satula
Mittaristo
Vaijerit
Sivukatteet
Ajovalo
Takavalo
Vilkut
SÀhköjÀrjestelmÀ
Virtalukko
Työkalut
Tarrat
Tarrat
Tarrat
Tarrat
Etukate
Etukate
Alakatteet
Manual
Sylinterikansi
Venttiili koppa
Cylinder / Piston(S)
Ilmanpuhdistin
Muffler(S)
Valve(S)
Camshaft(S) / Tensioner
Kampiakseli
Balancer
Clutch(Gef'-Gff)
Clutch(Ggf)
Vaihteisto
Vaihteisto
Gear Change Drum / Shift Fork(S)
Vaihteensiirto
Kampikammio
Kampikammion pultit
Engine Cover(S)
Ãljypohja
Kaasu
Polttoainepumppu
Polttoaineen ruiskutus
Ãljypumppu
Laturi
SytytysjÀrjestelmÀ
Starttimoottori
JÀÀhdytin
JÀÀhdytysletkut
Runko
Moottorin kiinnitys
Rungon kiinnikkeet
Takahaarukka
Jousitus
Jalkatapit
Front Fender(S)
Rear Fender(S)
Stand(S)
Renkaat
EtupyörÀn napa
TakapyörÀn napa
Jarrupoljin
Brake Piping
Etujarrun pÀÀsylinteri
Etujarru
Takajarrun pÀÀsylinteri
Takajarru
Ohjaustanko
Etujousitus
PolttoainesÀiliö
Satula
Meter(S)
Vaijerit
Sivukatteet
Headlight(S)
Taillight(S)
Vilkut
SÀhköjÀrjestelmÀ
Virtalukko
Owner
Tarrat
Tarrat
Tarrat
Tarrat
Tarrat
Tarrat
Tarrat
Etukate
Etukate
Etukate
Etukate
Alakatteet
Accessory(Engine Slider)
Accessory(Shroud Slider)
Accessory(Meter Cover)
Manual
Sylinterikansi
Venttiili koppa
Cylinder / Piston(S)
Ilmanpuhdistin
Muffler(S)
Valve(S)
Camshaft(S) / Tensioner
Kampiakseli
Balancer
Clutch(Gef'-Gff)
Clutch(Ggf)
Vaihteisto
Vaihteisto
Gear Change Drum / Shift Fork(S)
Vaihteensiirto
Kampikammio
Kampikammion pultit
Engine Cover(S)
Ãljypohja
Kaasu
Polttoainepumppu
Polttoaineen ruiskutus
Ãljypumppu
Laturi
SytytysjÀrjestelmÀ
Starttimoottori
JÀÀhdytin
JÀÀhdytysletkut
Runko
Moottorin kiinnitys
Rungon kiinnikkeet
Takahaarukka
Jousitus
Jalkatapit
Front Fender(S)
Rear Fender(S)
Stand(S)
Renkaat
EtupyörÀn napa
TakapyörÀn napa
Jarrupoljin
Brake Piping
Etujarrun pÀÀsylinteri
Etujarru
Takajarrun pÀÀsylinteri
Takajarru
Ohjaustanko
Etujousitus
PolttoainesÀiliö
Satula
Meter(S)
Vaijerit
Sivukatteet
Headlight(S)
Taillight(S)
Vilkut
SÀhköjÀrjestelmÀ
Virtalukko
Owner
Tarrat
Tarrat
Tarrat
Tarrat
Tarrat
Tarrat
Tarrat
Etukate
Etukate
Etukate
Etukate
Alakatteet
Accessory(Engine Slider)
Accessory(Shroud Slider)
Accessory(Meter Cover)
Manual
Sylinterikansi
Venttiili koppa
Cylinder / Piston(S)
Ilmanpuhdistin
Muffler(S)
Valve(S)
Camshaft(S) / Tensioner
Kampiakseli
Balancer
Clutch(Gef'-Gff)
Clutch(Ggf)
Vaihteisto
Vaihteisto
Gear Change Drum / Shift Fork(S)
Vaihteensiirto
Kampikammio
Kampikammion pultit
Engine Cover(S)
Ãljypohja
Kaasu
Polttoainepumppu
Polttoaineen ruiskutus
Ãljypumppu
Laturi
SytytysjÀrjestelmÀ
Starttimoottori
JÀÀhdytin
JÀÀhdytysletkut
Runko
Moottorin kiinnitys
Rungon kiinnikkeet
Takahaarukka
Jousitus
Jalkatapit
Front Fender(S)
Rear Fender(S)
Stand(S)
Renkaat
EtupyörÀn napa
TakapyörÀn napa
Jarrupoljin
Brake Piping
Etujarrun pÀÀsylinteri
Etujarru
Takajarrun pÀÀsylinteri
Takajarru
Ohjaustanko
Etujousitus
PolttoainesÀiliö
Satula
Meter(S)
Vaijerit
Sivukatteet
Headlight(S)
Taillight(S)
Vilkut
SÀhköjÀrjestelmÀ
Virtalukko
Owner
Tarrat
Tarrat
Tarrat
Tarrat
Tarrat
Tarrat
Tarrat
Etukate
Etukate
Etukate
Etukate
Alakatteet
Accessory(Engine Slider)
Accessory(Shroud Slider)
Accessory(Meter Cover)
Manual
Sylinterikansi
Venttiili koppa
Sylinteri / mÀntÀ
Ilmanpuhdistin
Pakoputkisto
Venttiilit
Nokka-akseli
Kampiakseli
Balancer
Kytkin
Vaihteisto
Vaihderumpu
Vaihteensiirto
Kampikammio
Kampikammion pultit
Moottorin kopat
Ãljypohja
Kaasu
Polttoainepumppu
Polttoaineen ruiskutus
Fuel Evaporative System
Ãljypumppu
Laturi
SytytysjÀrjestelmÀ
Starttimoottori
JÀÀhdytin
JÀÀhdytysletkut
Runko
Moottorin kiinnitys
Rungon kiinnikkeet
Takahaarukka
Jousitus
Jalkatapit
Lokasuojat
Lokasuojat
Seisontatuki
Renkaat
EtupyörÀn napa
TakapyörÀn napa
Jarrupoljin
Brake Piping
Etujarrun pÀÀsylinteri
Etujarru
Takajarrun pÀÀsylinteri
Takajarru
Ohjaustanko
Etujousitus
PolttoainesÀiliö
Satula
Mittaristo
Vaijerit
Sivukatteet
Ajovalo
Takavalo
Vilkut
Vilkut
SÀhköjÀrjestelmÀ
Virtalukko
Työkalut
Tarrat
Tarrat
Tarrat
Tarrat
Etukate
Etukate
Alakatteet
Accessory(Shroud Slider)
Accessory(Meter Cover)
Accessory(Crankcase Ring)
Accessory(Axle Slider)
Manual
Sylinterikansi
Venttiili koppa
Sylinteri / mÀntÀ
Ilmanpuhdistin
Pakoputkisto
Venttiilit
Nokka-akseli
Kampiakseli
Balancer
Kytkin
Vaihteisto
Vaihderumpu
Vaihteensiirto
Kampikammio
Kampikammion pultit
Moottorin kopat
Ãljypohja
Kaasu
Polttoainepumppu
Polttoaineen ruiskutus
Fuel Evaporative System
Ãljypumppu
Laturi
SytytysjÀrjestelmÀ
Starttimoottori
JÀÀhdytin
JÀÀhdytysletkut
Runko
Moottorin kiinnitys
Rungon kiinnikkeet
Takahaarukka
Jousitus
Jalkatapit
Lokasuojat
Lokasuojat
Seisontatuki
Renkaat
EtupyörÀn napa
TakapyörÀn napa
Jarrupoljin
Brake Piping
Etujarrun pÀÀsylinteri
Etujarru
Takajarrun pÀÀsylinteri
Takajarru
Ohjaustanko
Etujousitus
PolttoainesÀiliö
Satula
Mittaristo
Vaijerit
Sivukatteet
Ajovalo
Takavalo
Vilkut
Vilkut
SÀhköjÀrjestelmÀ
Virtalukko
Työkalut
Tarrat
Tarrat
Tarrat
Tarrat
Etukate
Etukate
Alakatteet
Accessory(Shroud Slider)
Accessory(Meter Cover)
Accessory(Crankcase Ring)
Accessory(Axle Slider)
Manual
Sylinterikansi
Venttiili koppa
Sylinteri / mÀntÀ
Ilmanpuhdistin
Pakoputkisto
Venttiilit
Nokka-akseli
Kampiakseli
Balancer
Kytkin
Vaihteisto
Vaihderumpu
Vaihteensiirto
Kampikammio
Kampikammion pultit
Moottorin kopat
Ãljypohja
Kaasu
Polttoainepumppu
Polttoaineen ruiskutus
Fuel Evaporative System
Ãljypumppu
Laturi
SytytysjÀrjestelmÀ
Starttimoottori
JÀÀhdytin
JÀÀhdytysletkut
Runko
Moottorin kiinnitys
Rungon kiinnikkeet
Takahaarukka
Jousitus
Jalkatapit
Lokasuojat
Lokasuojat
Seisontatuki
Renkaat
EtupyörÀn napa
TakapyörÀn napa
Jarrupoljin
Brake Piping
Etujarrun pÀÀsylinteri
Etujarru
Takajarrun pÀÀsylinteri
Takajarru
Ohjaustanko
Etujousitus
PolttoainesÀiliö
Satula
Mittaristo
Vaijerit
Sivukatteet
Ajovalo
Takavalo
Vilkut
Vilkut
SÀhköjÀrjestelmÀ
Virtalukko
Työkalut
Tarrat
Tarrat
Tarrat
Tarrat
Etukate
Etukate
Alakatteet
Accessory(Shroud Slider)
Accessory(Meter Cover)
Accessory(Crankcase Ring)
Accessory(Axle Slider)
Manual
Sylinterikansi
Venttiili koppa
Sylinteri / mÀntÀ
Ilmanpuhdistin
Pakoputkisto
Venttiilit
Nokka-akseli
Kampiakseli
Balancer
Kytkin
Vaihteisto
Vaihderumpu
Vaihteensiirto
Kampikammio
Kampikammion pultit
Moottorin kopat
Ãljypohja
Kaasu
Polttoainepumppu
Polttoaineen ruiskutus
Fuel Evaporative System
Ãljypumppu
Laturi
SytytysjÀrjestelmÀ
Starttimoottori
JÀÀhdytin
JÀÀhdytysletkut
Runko
Moottorin kiinnitys
Rungon kiinnikkeet
Takahaarukka
Jousitus
Jalkatapit
Lokasuojat
Lokasuojat
Seisontatuki
Renkaat
EtupyörÀn napa
TakapyörÀn napa
Jarrupoljin
Brake Piping
Etujarrun pÀÀsylinteri
Etujarru
Takajarrun pÀÀsylinteri
Takajarru
Ohjaustanko
Etujousitus
PolttoainesÀiliö
Satula
Mittaristo
Vaijerit
Sivukatteet
Ajovalo
Takavalo
Vilkut
Vilkut
SÀhköjÀrjestelmÀ
Virtalukko
Työkalut
Tarrat
Tarrat
Tarrat
Tarrat
Etukate
Etukate
Alakatteet
Accessory(Shroud Slider)
Accessory(Meter Cover)
Accessory(Crankcase Ring)
Accessory(Axle Slider)
Manual
Sylinterikansi
Venttiili koppa
Sylinteri / mÀntÀ
Ilmanpuhdistin
Pakoputkisto
Venttiilit
Nokka-akseli
Kampiakseli
Balancer
Kytkin
Vaihteisto
Vaihderumpu
Vaihteensiirto
Kampikammio
Kampikammion pultit
Moottorin kopat
Ãljypohja
Kaasu
Polttoainepumppu
Polttoaineen ruiskutus
Fuel Evaporative System
Ãljypumppu
Laturi
SytytysjÀrjestelmÀ
Starttimoottori
JÀÀhdytin
JÀÀhdytysletkut
Runko
Moottorin kiinnitys
Rungon kiinnikkeet
Takahaarukka
Jousitus
Jalkatapit
Lokasuojat
Lokasuojat
Seisontatuki
Renkaat
EtupyörÀn napa
TakapyörÀn napa
Jarrupoljin
Brake Piping
Etujarrun pÀÀsylinteri
Etujarru
Takajarrun pÀÀsylinteri
Takajarru
Ohjaustanko
Etujousitus
PolttoainesÀiliö
Satula
Mittaristo
Vaijerit
Sivukatteet
Ajovalo
Takavalo
Vilkut
SÀhköjÀrjestelmÀ
Virtalukko
Työkalut
Tarrat
Tarrat
Etukate
Etukate
Alakatteet
Accessory(Shroud Slider)
Accessory(Meter Cover)
Accessory(Crankcase Ring)
Accessory(Axle Slider)
Sylinterikansi
Venttiili koppa
Sylinteri / mÀntÀ
Ilmanpuhdistin
Pakoputkisto
Venttiilit
Nokka-akseli
Kampiakseli
Balancer
Kytkin
Vaihteisto
Vaihderumpu
Vaihteensiirto
Kampikammio
Kampikammion pultit
Moottorin kopat
Ãljypohja
Kaasu
Polttoainepumppu
Polttoaineen ruiskutus
Fuel Evaporative System
Ãljypumppu
Laturi
SytytysjÀrjestelmÀ
Starttimoottori
JÀÀhdytin
JÀÀhdytysletkut
Runko
Moottorin kiinnitys
Rungon kiinnikkeet
Takahaarukka
Jousitus
Jalkatapit
Lokasuojat
Lokasuojat
Seisontatuki
Renkaat
EtupyörÀn napa
TakapyörÀn napa
Jarrupoljin
Brake Piping
Etujarrun pÀÀsylinteri
Etujarru
Takajarrun pÀÀsylinteri
Takajarru
Ohjaustanko
Etujousitus
PolttoainesÀiliö
Satula
Mittaristo
Vaijerit
Sivukatteet
Ajovalo
Takavalo
Vilkut
SÀhköjÀrjestelmÀ
Virtalukko
Työkalut
Tarrat
Tarrat
Etukate
Etukate
Alakatteet
Accessory(Shroud Slider)
Accessory(Meter Cover)
Accessory(Crankcase Ring)
Accessory(Axle Slider)
Sylinterikansi
Venttiili koppa
Sylinteri / mÀntÀ
Ilmanpuhdistin
Pakoputkisto
Venttiilit
Nokka-akseli
Kampiakseli
Balancer
Kytkin
Vaihteisto
Vaihderumpu
Vaihteensiirto
Kampikammio
Kampikammion pultit
Moottorin kopat
Ãljypohja
Kaasu
Polttoainepumppu
Polttoaineen ruiskutus
Fuel Evaporative System
Ãljypumppu
Laturi
SytytysjÀrjestelmÀ
Starttimoottori
JÀÀhdytin
JÀÀhdytysletkut
Runko
Moottorin kiinnitys
Rungon kiinnikkeet
Takahaarukka
Jousitus
Jalkatapit
Lokasuojat
Lokasuojat
Seisontatuki
Renkaat
EtupyörÀn napa
TakapyörÀn napa
Jarrupoljin
Brake Piping
Etujarrun pÀÀsylinteri
Etujarru
Takajarrun pÀÀsylinteri
Takajarru
Ohjaustanko
Etujousitus
PolttoainesÀiliö
Satula
Mittaristo
Vaijerit
Sivukatteet
Ajovalo
Takavalo
Vilkut
SÀhköjÀrjestelmÀ
Virtalukko
Työkalut
Tarrat
Tarrat
Etukate
Etukate
Alakatteet
Accessory(Shroud Slider)
Accessory(Meter Cover)
Accessory(Crankcase Ring)
Accessory(Axle Slider)
Sylinterikansi
Venttiili koppa
Sylinteri / mÀntÀ
Ilmanpuhdistin
Pakoputkisto
Venttiilit
Nokka-akseli
Kampiakseli
Balancer
Kytkin
Vaihteisto
Vaihderumpu
Vaihteensiirto
Kampikammio
Kampikammion pultit
Moottorin kopat
Ãljypohja
Kaasu
Polttoainepumppu
Polttoaineen ruiskutus
Fuel Evaporative System
Ãljypumppu
Laturi
SytytysjÀrjestelmÀ
Starttimoottori
JÀÀhdytin
JÀÀhdytysletkut
Runko
Moottorin kiinnitys
Rungon kiinnikkeet
Takahaarukka
Jousitus
Jalkatapit
Lokasuojat
Lokasuojat
Seisontatuki
Renkaat
EtupyörÀn napa
TakapyörÀn napa
Jarrupoljin
Brake Piping
Etujarrun pÀÀsylinteri
Etujarru
Takajarrun pÀÀsylinteri
Takajarru
Ohjaustanko
Etujousitus
PolttoainesÀiliö
Satula
Mittaristo
Vaijerit
Ajovalo
Takavalo
Vilkut
SÀhköjÀrjestelmÀ
Virtalukko
Työkalut
Tarrat
Tarrat
Etukate
Etukate
Alakatteet
Accessory(Shroud Slider)
Accessory(Meter Cover)
Accessory(Crankcase Ring)
Accessory(Axle Slider)
NÄYTÄ TUOTEKATEGORIAT
NPM.FI
Varaosa luettelot
Yamaha
1300 cc
XJR 1300 2013
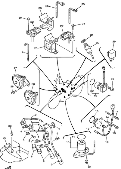
45-Sähköosat I
45-Sähköosat I, XJR 1300 2013 , 1300 cc, Yamaha -varaosa luettelot
Näytä suurempana
Nro
#1
Tuotenumero
5EA823101100
Nimike
IGNITION COIL ASSY
Hinta
173,05 €
Määrä
+
-
Nro
#2
Tuotenumero
5EA823201100
Nimike
IGNITION COIL ASSY
Hinta
135,20 €
Määrä
+
-
Nro
#3
Tuotenumero
970800607000
Nimike
BOLT(4KG)
Hinta
2,70 €
Määrä
+
-
Nro
#4
Tuotenumero
957020650000
Nimike
UUSI NRO 957800650000
Hinta
3,15 €
Määrä
+
-
Nro
#5
Tuotenumero
4BR823170000
Nimike
DAMPER,IGNITIONCOIL
Hinta
6,75 €
Määrä
+
-
Nro
#6
Tuotenumero
904641603900
Nimike
CLAMP (3Y2)
Hinta
0,60 €
Määrä
+
-
Nro
#7
Tuotenumero
904641307300
Nimike
KTS UUSI NRO 904641519500
Hinta
3,10 €
Määrä
+
-
Nro
#8
Tuotenumero
3NS823700000
Nimike
PLUG CAP ASSY
Hinta
57,65 €
Määrä
+
-
Nro
#9
Tuotenumero
5UX823700000
Nimike
PLUG CAP ASSY
Hinta
46,15 €
Määrä
+
-
Nro
#10
Tuotenumero
5LV857201000
Nimike
OIL LEVEL GAUGE ASSY
Hinta
145,95 €
Määrä
+
-
Nro
#11
Tuotenumero
4XV8A8E00000
Nimike
O-RING
Hinta
15,45 €
Määrä
+
-
Nro
#12
Tuotenumero
950220601600
Nimike
BOLT, FLANGE
Hinta
0,95 €
Määrä
+
-
Nro
#13
Tuotenumero
1L9825400000
Nimike
NEUTRAL SWITCH ASSY
Hinta
32,85 €
Määrä
+
-
Nro
#14
Tuotenumero
901490502100
Nimike
SCREW
Hinta
2,70 €
Määrä
+
-
Nro
#15
Tuotenumero
932102919600
Nimike
O-RING
Hinta
4,40 €
Määrä
+
-
Nro
#16
Tuotenumero
5UX825090000
Nimike
WIRE, SUB LEAD
Hinta
41,05 €
Määrä
+
-
Nro
#17
Tuotenumero
904651009800
Nimike
CLAMP
Hinta
1,05 €
Määrä
+
-
Nro
#18
Tuotenumero
904641307700
Nimike
KTS UUSI NRO 904641307300
Hinta
3,10 €
Määrä
+
-
Nro
#19
Tuotenumero
5UX837551000
Nimike
SENSOR, SPEED
Hinta
214,50 €
Määrä
+
-
Nro
#20
Tuotenumero
4D9811680000
Nimike
O-RING
Hinta
7,30 €
Määrä
+
-
Nro
#21
Tuotenumero
901100619300
Nimike
UUSI NRO 913170601600
Hinta
1,75 €
Määrä
+
-
Nro
#22
Tuotenumero
2C0823800000
Nimike
KTS UUSI NRO 1WS823800000
Hinta
199,75 €
Lisätiedot
Määrä
+
-
Korvaavat tuotteet
Nro
#
Tuotenumero
1WS823800000
Nimike
SENSOR, PRESSURE
Hinta
199,75 €
Määrä
+
-
Nro
#23
Tuotenumero
5UX2119M0000
Nimike
BRKT., 10
Hinta
29,25 €
Määrä
+
-
Nro
#24
Tuotenumero
901100503800
Nimike
BOLT,HEXAGONSOCKETHEAD
Hinta
1,70 €
Määrä
+
-
Nro
#25
Tuotenumero
1UA825910000
Nimike
PIDIKE
Hinta
2,40 €
Lisätiedot
Määrä
+
-
Korvaavat tuotteet
Nro
#
Tuotenumero
12R825910000
Nimike
KTS N:O 1UA825910000
Hinta
2,40 €
Määrä
+
-
Nro
#
Tuotenumero
904643206000
Nimike
UUSI NRO 12R825910000
Hinta
2,40 €
Määrä
+
-
Nro
#
Tuotenumero
904651235600
Nimike
KTS UUSI NRO 1UA825910000
Hinta
2,40 €
Määrä
+
-
Nro
#
Tuotenumero
904651315200
Nimike
KTS UUSI NRO 1UA825910000
Hinta
2,40 €
Määrä
+
-
Nro
#26
Tuotenumero
4KG833712000
Nimike
HORN
Hinta
100,95 €
Määrä
+
-
Nro
#27
Tuotenumero
4KG833713000
Nimike
HORN
Hinta
100,95 €
Määrä
+
-
Nro
#28
Tuotenumero
958170601200
Nimike
BOLT, FLANGE
Hinta
0,70 €
Määrä
+
-
Nro
#29
Tuotenumero
5C4833500000
Nimike
KTS UUSI NRO 5C4833500100
Hinta
139,70 €
Määrä
+
-
Nro
#30
Tuotenumero
5PX835910000
Nimike
THERMO UNIT
Hinta
199,15 €
Määrä
+
-
Nro
#31
Tuotenumero
902011217200
Nimike
WASHER, PLATE 3412175700
Hinta
2,05 €
Määrä
+
-
Nro
#32
Tuotenumero
5UX2117G0100
Nimike
PROTECTOR
Hinta
70,85 €
Määrä
+
-
Nro
#33
Tuotenumero
902690600100
Nimike
RIVET
Hinta
1,75 €
Määrä
+
-