Kirjaudu
Kirjaudu sisään
Nakkilan pyörä ja mopo
Tuotekategoriat
Etusivu
Varaosaluettelot
Tarvikkeet
Varusteet
Tarjoukset
Ajoneuvot
Huolto
Yhteydenotto
Varaosa luettelot
Yamaha
1300 cc
XJR1300
XJR1300 2005
Sylinterikansi
Sylinteri
Kampiakseli ja mäntä
Venttiilit
Nokka-akseli ja ketju
Öljypumppu
Oil cooler
Oil cleaner
Ilmanotto
Air induction system
Carburetor
Pakoputkisto
Kampikammio
Moottorin kopat
Starter
Kytkin
Vaihteisto
Vaihderumpu ja haarukat
Vaihdeakseli
Runko
Lokasuoja
Side cover
Takahaarukka ja jousitus
Rear suspension
Ohjaus
Etuhaarukka
Fuel tank
Istuin
Etupyörä
Etujarrusatula
Takapyörä
Takajarrusatula
Ohjaustanko ja vaijerit
Etujarrun pääsylinteri
Kytkimen pääsylinteri
Seisontatuki ja jalkatapit
Takajarrun pääsylinteri
Laturi
Pick up coil & governor
Starttimoottori
Vilkku
Mittaristo
Ajovalo
Takavalo
Sähköjestelmä 1
Sähköjestelmä 2
Varaosat tuoteryhmittäin
Tarvikkeet
Tarjoukset
Varusteet
Ajoneuvot
NÄYTÄ TUOTEKATEGORIAT
NPM.FI
Varaosa luettelot
Yamaha
1300 cc
XJR1300
XJR1300 2005
Runko
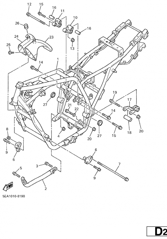
Runko, XJR1300 2005, XJR1300, 1300 cc, Yamaha -varaosa luettelot
Näytä suurempana
Nro
#1
Tuotenumero
5EA211104133
Nimike
5EA211104133
Hinta
0,00 €
Määrä
+
-
Nro
#1
Tuotenumero
5EA211105033
Nimike
5EA211105033
Hinta
0,00 €
Määrä
+
-
Nro
#2
Tuotenumero
4KG211500033
Nimike
DOWN TUBE COMP.2
Hinta
358,90 €
Määrä
+
-
Nro
#3
Tuotenumero
901100823200
Nimike
BOLT, HEXAGON SOCKET HEAD(3KM)
Hinta
3,55 €
Määrä
+
-
Nro
#4
Tuotenumero
956070820000
Nimike
UUSI NRO 901850816900
Hinta
9,25 €
Määrä
+
-
Nro
#5
Tuotenumero
901100823100
Nimike
BOLT, HEXAGON SOCKET HEAD(4KG)
Hinta
2,35 €
Määrä
+
-
Nro
#6
Tuotenumero
4KG213150200
Nimike
4KG213150200
Hinta
0,00 €
Määrä
+
-
Nro
#7
Tuotenumero
901051031300
Nimike
BOLT, WASHER BASED(36Y)
Hinta
36,30 €
Määrä
+
-
Nro
#8
Tuotenumero
901791065800
Nimike
KTS UUSI NRO 957041050000
Hinta
1,85 €
Määrä
+
-
Nro
#9
Tuotenumero
901100819900
Nimike
BOLT, HEXAGON SOCKET HEAD(3GM)
Hinta
2,70 €
Määrä
+
-
Nro
#10
Tuotenumero
4KG2140X0000
Nimike
ENGINE BRACKET SUB-COMP. 1
Hinta
421,80 €
Määrä
+
-
Nro
#11
Tuotenumero
4KG2140Y0000
Nimike
ENGINE BRACKET SUB-COMP. 2
Hinta
421,80 €
Määrä
+
-
Nro
#12
Tuotenumero
901051030000
Nimike
BOLT, WASHER BASED(42X)
Hinta
11,70 €
Määrä
+
-
Nro
#13
Tuotenumero
901791065800
Nimike
KTS UUSI NRO 957041050000
Hinta
1,85 €
Määrä
+
-
Nro
#14
Tuotenumero
901051040200
Nimike
BOLT, WASHER BASED(1KT)
Hinta
3,70 €
Määrä
+
-
Nro
#15
Tuotenumero
901051242500
Nimike
BOLT, WASHER BASED(1YW)
Hinta
6,95 €
Määrä
+
-
Nro
#16
Tuotenumero
903871003V00
Nimike
COLLAR(4KG)
Hinta
19,60 €
Määrä
+
-
Nro
#17
Tuotenumero
4KG214000000
Nimike
ENGINE BRACKET COMP.
Hinta
178,00 €
Määrä
+
-
Nro
#18
Tuotenumero
903871003W00
Nimike
COLLAR(4KG)
Hinta
21,55 €
Määrä
+
-
Nro
#19
Tuotenumero
901051060900
Nimike
BOLT, WASHER BASED(3MA)
Hinta
5,90 €
Määrä
+
-
Nro
#20
Tuotenumero
901791024700
Nimike
UUSI NRO 957041050000
Hinta
1,85 €
Määrä
+
-
Nro
#21
Tuotenumero
901051032300
Nimike
BOLT, FLANGE
Hinta
7,60 €
Määrä
+
-
Nro
#22
Tuotenumero
929071020000
Nimike
WASHER, PLAIN
Hinta
1,05 €
Määrä
+
-
Nro
#23
Tuotenumero
5EA2838N0000
Nimike
DUCT 1
Hinta
67,10 €
Määrä
+
-
Nro
#24
Tuotenumero
5EA2838R0000
Nimike
DUCT 2
Hinta
62,70 €
Määrä
+
-
Nro
#25
Tuotenumero
901590605800
Nimike
KTS UUSI NRO 985070601000
Hinta
0,95 €
Määrä
+
-
Nro
#26
Tuotenumero
904801356700
Nimike
GROMMET(4FU)
Hinta
1,70 €
Määrä
+
-
Nro
#27
Tuotenumero
4BH2219X0000
Nimike
COVER
Hinta
61,20 €
Määrä
+
-