Kirjaudu
Kirjaudu sisään
Nakkilan pyörä ja mopo
Tuotekategoriat
Etusivu
Varaosaluettelot
Tarvikkeet
Varusteet
Tarjoukset
Ajoneuvot
Huolto
Yhteydenotto
Varaosa luettelot
Yamaha
250 cc Offroad
WR250F
WR250F 2013
Sylinteri
Kampiakseli ja mäntä
Venttiilit
Nokka-akseli ja ketju
Vesipumppu
Jäähdytin ja letkut
Öljypumppu
Oil cleaner
Ilmanotto
Carburetor
Air induction system
Pakoputkisto
Kampikammio
Moottorin kopat
Starter
Starttikytkin
Kytkin
Vaihteisto
Vaihderumpu ja haarukat
Vaihdeakseli
Runko
Lokasuoja
Side cover
Rear arm
Rear suspension
Ohjaus
Etuhaarukka
Fuel tank
Istuin
Etupyörä
Etujarrusatula
Takapyörä
Takajarrusatula
Ohjaustanko ja vaijerit
Etujarrun pääsylinteri
Seisontatuki ja jalkatapit
Takajarrun pääsylinteri
Laturi
Starttimoottori
Mittaristo
Ajovalo
Takavalo
Ohjaustangon katkaisija ja vivut
Sähköjestelmä 1
Alternate for chassis
Varaosat tuoteryhmittäin
Tarvikkeet
Tarjoukset
Varusteet
Ajoneuvot
NÄYTÄ TUOTEKATEGORIAT
NPM.FI
Varaosa luettelot
Yamaha
250 cc Offroad
WR250F
WR250F 2013
Kampikammio
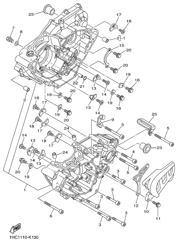
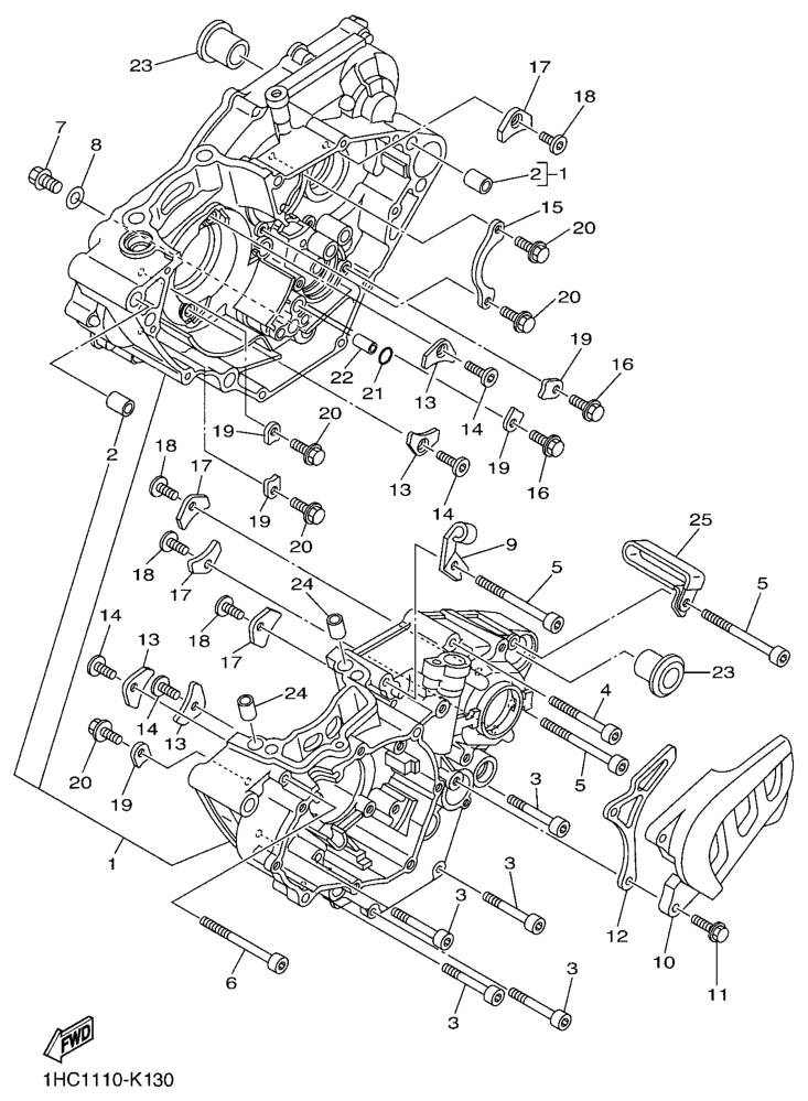
Kampikammio, WR250F 2013, WR250F, 250 cc Offroad, Yamaha -varaosa luettelot
Näytä suurempana
Nro
#1
Tuotenumero
5UM1510028YX
Nimike
CRANKCASEASSY1
Hinta
933,30 €
Määrä
+
-
Nro
#2
Tuotenumero
936121625400
Nimike
PIN, DOWEL
Hinta
7,30 €
Määrä
+
-
Nro
#3
Tuotenumero
913120604500
Nimike
KTS UUSI NRO 9011006X0700
Hinta
3,15 €
Lisätiedot
Määrä
+
-
Korvaavat tuotteet
Nro
#
Tuotenumero
9011006X8100
Nimike
BOLT, HEXAGON SOCKET HEAD(M01)
Hinta
2,55 €
Määrä
+
-
Nro
#4
Tuotenumero
913120605500
Nimike
KTS UUSI NRO 9131N0605500
Hinta
3,00 €
Lisätiedot
Määrä
+
-
Korvaavat tuotteet
Nro
#
Tuotenumero
9011006X7500
Nimike
KUUSIOKOLO M6 X 55
Hinta
3,00 €
Määrä
+
-
Nro
#5
Tuotenumero
913120607000
Nimike
BOLT3
Hinta
2,30 €
Määrä
+
-
Nro
#6
Tuotenumero
913120610000
Nimike
BOLT1
Hinta
1,05 €
Määrä
+
-
Nro
#7
Tuotenumero
950221001600
Nimike
BOLT,FLANGE
Hinta
2,30 €
Määrä
+
-
Nro
#8
Tuotenumero
904301018800
Nimike
UUSI NRO 904301017100
Hinta
4,55 €
Määrä
+
-
Nro
#9
Tuotenumero
5NL154410100
Nimike
HOLDER,CLUTCHCABLE
Hinta
19,70 €
Määrä
+
-
Nro
#10
Tuotenumero
5BE154213000
Nimike
COVER,CRANKCASE2
Hinta
45,55 €
Määrä
+
-
Nro
#11
Tuotenumero
901050618900
Nimike
BOLT,FLANGE
Hinta
1,25 €
Määrä
+
-
Nro
#12
Tuotenumero
5NL174660000
Nimike
GUIDE,CHAIN1
Hinta
31,40 €
Määrä
+
-
Nro
#13
Tuotenumero
5UM174660000
Nimike
GUIDE,CHAIN1
Hinta
50,65 €
Määrä
+
-
Nro
#14
Tuotenumero
5NL174660000
Nimike
GUIDE,CHAIN1
Hinta
31,40 €
Määrä
+
-
Nro
#15
Tuotenumero
5BE153830100
Nimike
PLATE BEARING COVER
Hinta
10,40 €
Määrä
+
-
Nro
#16
Tuotenumero
901510604400
Nimike
SCREW,COUNTERSUNK4
Hinta
1,05 €
Määrä
+
-
Nro
#17
Tuotenumero
5NL153880000
Nimike
PLATE,BEARINGCOVER
Hinta
8,20 €
Määrä
+
-
Nro
#18
Tuotenumero
901050608100
Nimike
KTS UUSI NRO 950220601200
Hinta
0,60 €
Määrä
+
-
Nro
#19
Tuotenumero
4JT153810100
Nimike
PLATE,BEARINGCOVER
Hinta
14,85 €
Määrä
+
-
Nro
#20
Tuotenumero
901490607400
Nimike
KTS UUSI NRO 901510605200
Hinta
1,25 €
Määrä
+
-
Nro
#21
Tuotenumero
5DH185620000
Nimike
PLATE, STOPPER 2
Hinta
7,35 €
Määrä
+
-
Nro
#22
Tuotenumero
901050608100
Nimike
KTS UUSI NRO 950220601200
Hinta
0,60 €
Määrä
+
-
Nro
#23
Tuotenumero
932101019700
Nimike
O-RING1
Hinta
2,45 €
Määrä
+
-
Nro
#24
Tuotenumero
995301011400
Nimike
OHJAINHOLKKI
Hinta
1,65 €
Lisätiedot
Määrä
+
-
Korvaavat tuotteet
Nro
#
Tuotenumero
9181014X0000
Nimike
SOVITUSHOLKKI, PIN DOWEL
Hinta
1,25 €
Määrä
+
-
Nro
#25
Tuotenumero
903871800700
Nimike
COLLAR
Hinta
34,15 €
Määrä
+
-
Nro
#26
Tuotenumero
995301011600
Nimike
PIN,DOWEL
Hinta
1,55 €
Määrä
+
-
Nro
#27
Tuotenumero
904651001300
Nimike
CLAMP
Hinta
20,80 €
Määrä
+
-