NÄYTÄ TUOTEKATEGORIAT

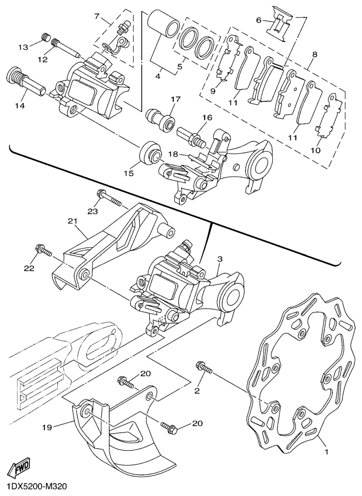
Takajarrusatula, WR250F 2013, WR250F, 250 cc Offroad, Yamaha -varaosa luettelot

WR250F
KTS UUSI NRO B112582W0000
Nro#1
Tuotenumero2S22582W7000

NimikeKTS UUSI NRO B112582W0000

Hinta 181,50 €
Määrä

Korvaavat tuotteet
JARRULEVY YZF250/450 02- TAKA
Nro#
TuotenumeroDF5049A

NimikeJARRULEVY YZF250/450 02- TAKA

Hinta 94,65 €
Määrä
KTS UUSI NRO 901050610900
Nro#2
Tuotenumero901050610800

NimikeKTS UUSI NRO 901050610900

Hinta 2,40 €
Määrä

Korvaavat tuotteet
BOLT FLANGE
Nro#
Tuotenumero901050610900

NimikeBOLT FLANGE

Hinta 2,50 €
Määrä
CALIPERASSY,REAR2
Nro#3
Tuotenumero1C32580W7200

NimikeCALIPERASSY,REAR2

Hinta 398,65 €
Määrä
PISTONASSY,CALIPER
Nro#4
Tuotenumero5UNW00575000

NimikePISTONASSY,CALIPER

Hinta 49,60 €
Määrä
CALIPERSEALKIT
Nro#5
Tuotenumero5UNW00475000

NimikeCALIPERSEALKIT

Hinta 8,95 €
Määrä
SUPPORT,PAD
Nro#6
Tuotenumero5DH259195000

NimikeSUPPORT,PAD

Hinta 16,65 €
Määrä
UUSI NRO 36YW00480000
Nro#7
Tuotenumero1UYW00485000

NimikeUUSI NRO 36YW00480000

Hinta 6,75 €
Määrä

Korvaavat tuotteet
ILMAUSRUUVI
Nro#
Tuotenumero36YW00480000

NimikeILMAUSRUUVI

Hinta 6,75 €
Määrä
JARRUPALAT  FD0349SD
Nro#8
Tuotenumero1C3W0046B000

NimikeJARRUPALAT FD0349SD

Hinta 47,70 €
Määrä

Korvaavat tuotteet
JARRUPALA OFF-ROAD SINTER
Nro#
TuotenumeroFD0349SD

NimikeJARRUPALA OFF-ROAD SINTER

APRILIA RXV 4.5 450 2005 >  Freno posteriore RXV 5.5 550 2005...

Hinta 28,70 €
Määrä
Lisätiedot:

APRILIA
RXV 4.5 450 2005 >  Freno posteriore
RXV 5.5 550 2005 >  Freno posteriore
SXV 450 2005 >  Freno posteriore
SXV 550 2006 >  Freno posteriore
SXV Replica VAN DE BOSCH 450 2005 >  Freno posteriore
SXV Replica VAN DE BOSCH 550 2008 >  Freno posteriore

BETA
CROSSTRAINER 300 2015 >  Freno posteriore
RR 250 2005 - 2013  Freno posteriore
RR 400 2005 - 2010  Freno posteriore
RR 450 2005 - 2009  Freno posteriore
RR 525 2005 - 2012  Freno posteriore
RR 2T ENDURO 250 2014 >  Freno posteriore
RR 2T ENDURO 300 2013 >  Freno posteriore
RR 4T ENDURO 350 2011 >  Freno posteriore
RR 4T ENDURO 390 2015 >  Freno posteriore
RR 4T ENDURO 400 2011 - 2014  Freno posteriore
RR 4T ENDURO 430 2015 >  Freno posteriore
RR 4T ENDURO 450 2011 - 2015  Freno posteriore
RR 4T ENDURO 480 2015 >  Freno posteriore
RR 4T ENDURO 498 2012 - 2014  Freno posteriore
RR 4T ENDURO 520 2011  Freno posteriore
RR 4T FACTORY 350 2011 - 2012  Freno posteriore
RR 4T FACTORY 400 2010 - 2011  Freno posteriore
RR 4T FACTORY 450 2010 - 2012  Freno posteriore
RR 4T FACTORY 498 2012  Freno posteriore
RR 4T FACTORY 520 2010 - 2011  Freno posteriore
RR CROSS 450 2013 - 2014  Freno posteriore
RR CROSS COUNTRY 450 2012  Freno posteriore

KAWASAKI
KLX R 450 2008 - 2015  Freno posteriore
KX F 250 2004 >  Freno posteriore
KX F 450 2006 >  Freno posteriore

SHERCO
ENDURO 4.5 I 450 2005 - 2011  Freno posteriore
SE 2.5 IF 250 2009 - 2011  Freno posteriore
SE 3.0 IF 300 2010 - 2011  Freno posteriore
SE ENDURO 2.5 I 250 2006 - 2011  Freno posteriore
SE ENDURO 5.1 I 510 2006 - 2011  Freno posteriore
SE F - F-R 450 2014 >  Freno posteriore
SE IR 450 2012 - 2013  Freno posteriore
SM 4.5 SUPERMOTARD 450 2006 >  Freno posteriore

SUZUKI 
RMX 450 2010 - 2012 Freno posteriore
RMZ 250 2004 - 2016  Freno posteriore
RMZ 450 2005 >  Freno posteriore

TM
F 250 2005 >  Freno posteriore
all models 125 2005 >  Freno posteriore
all models 250 2005 >  Freno posteriore
all models 300 2005 >  Freno posteriore
ENDURO F 250 2005 >  Freno posteriore
MX - EN F 450 2005 >  Freno posteriore
MX - EN F 530 2005 >  Freno posteriore

YAMAHA
WR 250 2003 >  Freno posteriore
WR F 250 2003 >  Freno posteriore
WR F 450 2003 >  Freno posteriore
YZ 125 2003 >  Freno posteriore
YZ 250 2003 >  Freno posteriore
YZ-F 250 2003 >  Freno posteriore
YZ-F 450 2003 >  Freno posteriore


JARRUPALA OFFROAD RACE SINTER
Nro#
TuotenumeroFD0349X01

NimikeJARRUPALA OFFROAD RACE SINTER

APRILIA RXV 4.5 450 2005 >  Freno posteriore RXV 5.5 550 2005...

Hinta 36,20 €
Määrä
Lisätiedot:

APRILIA
RXV 4.5 450 2005 >  Freno posteriore
RXV 5.5 550 2005 >  Freno posteriore
SXV 450 2005 >  Freno posteriore
SXV 550 2006 >  Freno posteriore
SXV Replica VAN DE BOSCH 450 2005 >  Freno posteriore
SXV Replica VAN DE BOSCH 550 2008 >  Freno posteriore

BETA
CROSSTRAINER 300 2015 >  Freno posteriore
RR 250 2005 - 2013  Freno posteriore
RR 400 2005 - 2010  Freno posteriore
RR 450 2005 - 2009  Freno posteriore
RR 525 2005 - 2012  Freno posteriore
RR 2T ENDURO 250 2014 >  Freno posteriore
RR 2T ENDURO 300 2013 >  Freno posteriore
RR 4T ENDURO 350 2011 >  Freno posteriore
RR 4T ENDURO 390 2015 >  Freno posteriore
RR 4T ENDURO 400 2011 - 2014  Freno posteriore
RR 4T ENDURO 430 2015 >  Freno posteriore
RR 4T ENDURO 450 2011 - 2015  Freno posteriore
RR 4T ENDURO 480 2015 >  Freno posteriore
RR 4T ENDURO 498 2012 - 2014  Freno posteriore
RR 4T ENDURO 520 2011  Freno posteriore
RR 4T FACTORY 350 2011 - 2012  Freno posteriore
RR 4T FACTORY 400 2010 - 2011  Freno posteriore
RR 4T FACTORY 450 2010 - 2012  Freno posteriore
RR 4T FACTORY 498 2012  Freno posteriore
RR 4T FACTORY 520 2010 - 2011  Freno posteriore
RR CROSS 450 2013 - 2014  Freno posteriore
RR CROSS COUNTRY 450 2012  Freno posteriore

KAWASAKI
KLX R 450 2008 - 2015  Freno posteriore
KX F 250 2004 >  Freno posteriore
KX F 450 2006 >  Freno posteriore

SHERCO
ENDURO 4.5 I 450 2005 - 2011  Freno posteriore
SE 2.5 IF 250 2009 - 2011  Freno posteriore
SE 3.0 IF 300 2010 - 2011  Freno posteriore
SE ENDURO 2.5 I 250 2006 - 2011  Freno posteriore
SE ENDURO 5.1 I 510 2006 - 2011  Freno posteriore
SE F - F-R 450 2014 >  Freno posteriore
SE IR 450 2012 - 2013  Freno posteriore
SM 4.5 SUPERMOTARD 450 2006 >  Freno posteriore

SUZUKI 
RMX 450 2010 - 2012 Freno posteriore
RMZ 250 2004 - 2016  Freno posteriore
RMZ 450 2005 >  Freno posteriore

TM
F 250 2005 >  Freno posteriore
all models 125 2005 >  Freno posteriore
all models 250 2005 >  Freno posteriore
all models 300 2005 >  Freno posteriore
ENDURO F 250 2005 >  Freno posteriore
MX - EN F 450 2005 >  Freno posteriore
MX - EN F 530 2005 >  Freno posteriore

YAMAHA
WR 250 2003 >  Freno posteriore
WR F 250 2003 >  Freno posteriore
WR F 450 2003 >  Freno posteriore
YZ 125 2003 >  Freno posteriore
YZ 250 2003 >  Freno posteriore
YZ-F 250 2003 >  Freno posteriore
YZ-F 450 2003 >  Freno posteriore


SHIM,CALIPER
Nro#9
Tuotenumero5UN258286000

NimikeSHIM,CALIPER

Hinta 13,55 €
Määrä
SHIM,CALIPER
Nro#10
Tuotenumero5UN258276000

NimikeSHIM,CALIPER

Hinta 11,70 €
Määrä
INSULATOR,HEAT
Nro#11
Tuotenumero5UN228986000

NimikeINSULATOR,HEAT

Hinta 19,60 €
Määrä
PIN,PAD
Nro#12
Tuotenumero8CR259240000

NimikePIN,PAD

Hinta 13,15 €
Määrä
PLUG
Nro#13
Tuotenumero5DH259160000

NimikePLUG

Hinta 3,30 €
Määrä
PIN,SLIDE
Nro#14
Tuotenumero5DH259145000

NimikePIN,SLIDE

Hinta 7,50 €
Määrä
BOOT,CALIPER
Nro#15
Tuotenumero3JD259170000

NimikeBOOT,CALIPER

Hinta 5,35 €
Määrä
PIN,SLIDE
Nro#16
Tuotenumero5UN259140000

NimikePIN,SLIDE

Hinta 12,60 €
Määrä
BOOT2
Nro#17
Tuotenumero1UY259375100

NimikeBOOT2

Hinta 10,10 €
Määrä
. RETAINER
Nro#18
Tuotenumero5UN259130000

Nimike. RETAINER

Hinta 13,30 €
Määrä
PROTECTOR,DISKBRAKE
Nro#19
Tuotenumero1C3257185000

NimikePROTECTOR,DISKBRAKE

Hinta 34,85 €
Määrä
BOLT, FLANGE
Nro#20
Tuotenumero901050611000

NimikeBOLT, FLANGE

Hinta 0,70 €
Määrä
PROTECTOR
Nro#21
Tuotenumero1C3274915000

NimikePROTECTOR

Hinta 25,50 €
Määrä
BOLT, FLANGE
Nro#22
Tuotenumero901050610700

NimikeBOLT, FLANGE

Hinta 0,70 €
Määrä
BOLT, FLANGE
Nro#23
Tuotenumero901050611100

NimikeBOLT, FLANGE

Hinta 0,95 €
Määrä