Kirjaudu
Kirjaudu sisään
Nakkilan pyörä ja mopo
Tuotekategoriat
Etusivu
Varaosaluettelot
Tarvikkeet
Varusteet
Tarjoukset
Ajoneuvot
Huolto
Yhteydenotto
Varaosa luettelot
Yamaha
250 cc Offroad
YZ250
YZ250 2006
Sylinterikansi
Governor
Kampiakseli ja mäntä
Vesipumppu
Jäähdytin ja letkut
Ilmanotto
Carburetor
Pakoputkisto
Kampikammio
Moottorin kopat
Starter
Kytkin
Vaihteisto
Vaihderumpu ja haarukat
Vaihdeakseli
Runko
Lokasuoja
Side cover
Rear arm
Rear suspension
Ohjaus
Etuhaarukka
Fuel tank
Istuin
Etupyörä
Etujarrusatula
Takapyörä
Takajarrusatula
Ohjaustanko ja vaijerit
Etujarrun pääsylinteri
Seisontatuki ja jalkatapit
Takajarrun pääsylinteri
Laturi
Ohjaustangon katkaisija ja vivut
Sähköjestelmä 1
Alternate for chassis
Optional parts 1
Varaosat tuoteryhmittäin
Tarvikkeet
Tarjoukset
Varusteet
Ajoneuvot
NÄYTÄ TUOTEKATEGORIAT
NPM.FI
Varaosa luettelot
Yamaha
250 cc Offroad
YZ250
YZ250 2006
Sähköjestelmä 1
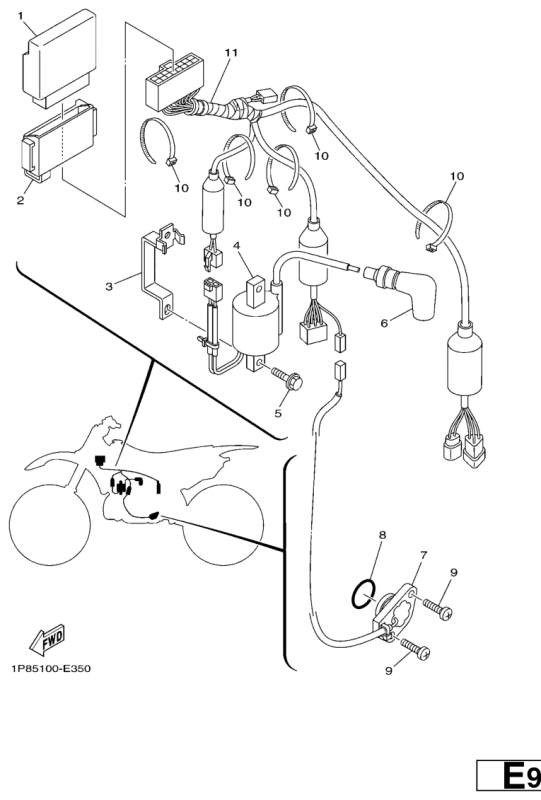
Sähköjestelmä 1, YZ250 2006, YZ250, 250 cc Offroad, Yamaha -varaosa luettelot
Näytä suurempana
Nro
#1
Tuotenumero
1P8855400000
Nimike
C.D.IUNIT ASSY
Hinta
377,95 €
Määrä
+
-
Nro
#2
Tuotenumero
1P8855460000
Nimike
BAND
Hinta
18,95 €
Määrä
+
-
Nro
#3
Tuotenumero
1P88231U1000
Nimike
CORE, SIDE
Hinta
19,15 €
Lisätiedot
Määrä
+
-
Korvaavat tuotteet
Nro
#
Tuotenumero
1P88231U0000
Nimike
KTS UUSI NRO 1P88231U1000
Hinta
20,35 €
Määrä
+
-
Nro
#4
Tuotenumero
1P8823100000
Nimike
KTS UUSI NRO 1P8823100100
Hinta
133,75 €
Määrä
+
-
Nro
#5
Tuotenumero
950270602000
Nimike
BOLT,FLANGE
Hinta
0,70 €
Määrä
+
-
Nro
#6
Tuotenumero
8DG823700000
Nimike
PLUGCAPASSY
Hinta
21,85 €
Lisätiedot
Määrä
+
-
Korvaavat tuotteet
Nro
#
Tuotenumero
1M1823702100
Nimike
UUSI NRO 8DG823700000
Hinta
23,35 €
Määrä
+
-
Nro
#
Tuotenumero
4PE823700000
Nimike
UUSI NRO 8DG823700000
Hinta
23,35 €
Määrä
+
-
Nro
#
Tuotenumero
4PE823701000
Nimike
KTS UUSI NRO 8DG823700000
Hinta
23,35 €
Määrä
+
-
Nro
#
Tuotenumero
81E823702000
Nimike
UUSI NRO 8DG823700000
Hinta
23,35 €
Määrä
+
-
Nro
#7
Tuotenumero
1P8825400000
Nimike
NEUTRAL SWITCH ASSY
Hinta
49,35 €
Määrä
+
-
Nro
#8
Tuotenumero
932102127600
Nimike
KTS UUSI NRO 932102100100
Hinta
1,10 €
Määrä
+
-
Nro
#9
Tuotenumero
901540502200
Nimike
KTS UUSI NRO 989020501400
Hinta
0,70 €
Määrä
+
-
Nro
#10
Tuotenumero
904651327500
Nimike
KTS UUSI NRO 904641515200
Hinta
5,90 €
Määrä
+
-
Nro
#11
Tuotenumero
1P8825091000
Nimike
1P8825091000
Hinta
0,00 €
Määrä
+
-
Nro
#12
Tuotenumero
1P8825092000
Nimike
KTS UUSI NRO 1P8825092100
Hinta
221,30 €
Lisätiedot
Määrä
+
-
Korvaavat tuotteet
Nro
#
Tuotenumero
901830502400
Nimike
KTS UUSI NRO 90183051A000
Hinta
2,25 €
Määrä
+
-