Kirjaudu
Kirjaudu sisään
Nakkilan pyörä ja mopo
Tuotekategoriat
Etusivu
Varaosaluettelot
Tarvikkeet
Varusteet
Tarjoukset
Ajoneuvot
Huolto
Yhteydenotto
Varaosa luettelot
Yamaha
250 cc Offroad
YZ250
YZ250 2009
Sylinterikansi
Governor
Kampiakseli ja mäntä
Vesipumppu
Jäähdytin ja letkut
Ilmanotto
Carburetor
Pakoputkisto
Kampikammio
Moottorin kopat
Starter
Kytkin
Vaihteisto
Vaihderumpu ja haarukat
Vaihdeakseli
Runko
Lokasuoja
Side cover
Rear arm
Rear suspension
Ohjaus
Etuhaarukka
Fuel tank
Istuin
Etupyörä
Etujarrusatula
Takapyörä
Takajarrusatula
Ohjaustanko ja vaijerit
Etujarrun pääsylinteri
Seisontatuki ja jalkatapit
Takajarrun pääsylinteri
Laturi
Ohjaustangon katkaisija ja vivut
Sähköjestelmä 1
Alternate for chassis
Optional parts 1
Varaosat tuoteryhmittäin
Tarvikkeet
Tarjoukset
Varusteet
Ajoneuvot
NÄYTÄ TUOTEKATEGORIAT
NPM.FI
Varaosa luettelot
Yamaha
250 cc Offroad
YZ250
YZ250 2009
Vaihdeakseli
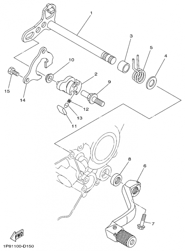
Vaihdeakseli, YZ250 2009, YZ250, 250 cc Offroad, Yamaha -varaosa luettelot
Näytä suurempana
Nro
#1
Tuotenumero
5CU181011000
Nimike
KTS UUSI NRO 5CU181011100
Hinta
125,30 €
Määrä
+
-
Nro
#2
Tuotenumero
5MW181220100
Nimike
LEVER, SHIFT 2
Hinta
128,65 €
Määrä
+
-
Nro
#3
Tuotenumero
90387124F400
Nimike
KTS UUSI NRO 903871203300
Hinta
4,60 €
Määrä
+
-
Nro
#4
Tuotenumero
902011257500
Nimike
WASHER,PLATE
Hinta
3,50 €
Määrä
+
-
Nro
#5
Tuotenumero
90508291A800
Nimike
SPRING,TORSION
Hinta
6,90 €
Määrä
+
-
Nro
#6
Tuotenumero
1C3181100000
Nimike
SHIFTPEDALASSY
Hinta
95,20 €
Määrä
+
-
Nro
#7
Tuotenumero
950220602000
Nimike
BOLT, FLANGE
Hinta
0,70 €
Määrä
+
-
Nro
#8
Tuotenumero
931021222400
Nimike
OIL SEAL XJ900,YZ250 -91
Hinta
14,70 €
Lisätiedot
Määrä
+
-
Korvaavat tuotteet
Nro
#
Tuotenumero
M735500249000
Nimike
ÖLJYTIIVISTE SDO 12X18X5
Hinta
7,10 €
Määrä
+
-
Nro
#9
Tuotenumero
3XJ181731000
Nimike
PIN,SHIFT
Hinta
18,45 €
Lisätiedot
Määrä
+
-
Korvaavat tuotteet
Nro
#
Tuotenumero
3XJ181730000
Nimike
KTS UUSI NRO 3XJ181731000
Hinta
18,45 €
Määrä
+
-
Nro
#10
Tuotenumero
3XJ181780000
Nimike
ROLLER,SHIFTLEVER
Hinta
10,30 €
Määrä
+
-
Nro
#11
Tuotenumero
3XJ181820000
Nimike
PAWL,SHIFTER
Hinta
11,50 €
Määrä
+
-
Nro
#12
Tuotenumero
90501052G500
Nimike
SPRING,COMPRESSION
Hinta
2,05 €
Määrä
+
-
Nro
#13
Tuotenumero
3XJ181840000
Nimike
PIN,PAWL
Hinta
16,50 €
Määrä
+
-
Nro
#14
Tuotenumero
5CU181720000
Nimike
GUIDE, SHIFT
Hinta
43,65 €
Määrä
+
-
Nro
#15
Tuotenumero
901010604100
Nimike
KTS UUSI NRO 901010604200
Hinta
2,05 €
Määrä
+
-