Kirjaudu
Kirjaudu sisään
Nakkilan pyörä ja mopo
Tuotekategoriat
Etusivu
Varaosaluettelot
Tarvikkeet
Varusteet
Tarjoukset
Ajoneuvot
Huolto
Yhteydenotto
Varaosa luettelot
Yamaha
250 cc Offroad
YZ250
YZ250 2022
Scheduled service parts
Maintenance parts kit
Piston rebuilt kit
Sylinterikansi
Governor
Kampiakseli ja mäntä
Vesipumppu
Jäähdytin ja letkut
Ilmanotto
Carburetor
Pakoputkisto
Kampikammio
Moottorin kopat
Starter
Kytkin
Vaihteisto
Vaihderumpu ja haarukat
Vaihdeakseli
Runko
Lokasuoja
Side cover
Rear arm
Rear suspension
Ohjaus
Etuhaarukka
Fuel tank
Istuin
Etupyörä
Etujarrusatula
Takapyörä
Takajarrusatula
Ohjaustanko ja vaijerit
Etujarrun pääsylinteri
Seisontatuki ja jalkatapit
Takajarrun pääsylinteri
Laturi
Ohjaustangon katkaisija ja vivut
Sähköjestelmä 1
Alternate for chassis
Optional parts 1
Varaosat tuoteryhmittäin
Tarvikkeet
Tarjoukset
Varusteet
Ajoneuvot
NÄYTÄ TUOTEKATEGORIAT
NPM.FI
Varaosa luettelot
Yamaha
250 cc Offroad
YZ250
YZ250 2022
Carburetor
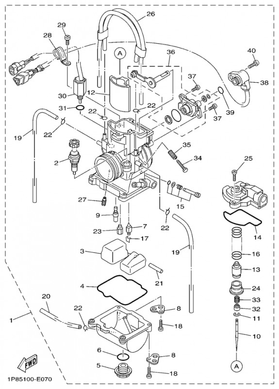
Carburetor, YZ250 2022, YZ250, 250 cc Offroad, Yamaha -varaosa luettelot
Näytä suurempana
Nro
#1
Tuotenumero
1P8141015300
Nimike
1P8141015300
Hinta
0,00 €
Määrä
+
-
Nro
#2
Tuotenumero
4JT141710000
Nimike
PLUNGER, STARTER
Hinta
73,25 €
Määrä
+
-
Nro
#3
Tuotenumero
4SR149850000
Nimike
FLOAT
Hinta
74,45 €
Määrä
+
-
Nro
#4
Tuotenumero
4JT149840000
Nimike
GASKET, FLOAT CHAMBER
Hinta
25,90 €
Määrä
+
-
Nro
#5
Tuotenumero
4MX141150000
Nimike
PLUG,SCREW
Hinta
32,95 €
Määrä
+
-
Nro
#6
Tuotenumero
4MX145610000
Nimike
O-RING
Hinta
10,20 €
Määrä
+
-
Nro
#7
Tuotenumero
4MX143920000
Nimike
NEULAVENTTIILI YZ250 -97
Hinta
26,85 €
Määrä
+
-
Nro
#8
Tuotenumero
4XL141460000
Nimike
KTS UUSI NRO 5BE141460000
Hinta
11,35 €
Lisätiedot
Määrä
+
-
Korvaavat tuotteet
Nro
#
Tuotenumero
5BE141460000
Nimike
PLATE
Hinta
11,35 €
Määrä
+
-
Nro
#9
Tuotenumero
4MX149480700
Nimike
JET,SLOW(#50)
Hinta
20,35 €
Määrä
+
-
Nro
#9
Tuotenumero
4MX149481200
Nimike
JET, SLOW (#62)
Hinta
20,35 €
Määrä
+
-
Nro
#9
Tuotenumero
4MX149481100
Nimike
JET, SLOW (#60)
Hinta
20,35 €
Määrä
+
-
Nro
#9
Tuotenumero
4MX149481000
Nimike
JET, SLOW (#58)
Hinta
20,35 €
Määrä
+
-
Nro
#9
Tuotenumero
4MX149480900
Nimike
JET, SLOW (#55)
Hinta
20,35 €
Määrä
+
-
Nro
#9
Tuotenumero
4MX149480800
Nimike
JET, SLOW (#52)
Hinta
20,35 €
Määrä
+
-
Nro
#9
Tuotenumero
4MX149480600
Nimike
TYHJÄKÄYNTISUUTIN #48
Hinta
20,35 €
Määrä
+
-
Nro
#9
Tuotenumero
4MX149480500
Nimike
JET PILOT #45
Hinta
20,35 €
Määrä
+
-
Nro
#9
Tuotenumero
4MX149480400
Nimike
JET,SLOW(#42)
Hinta
20,35 €
Määrä
+
-
Nro
#9
Tuotenumero
4MX149480300
Nimike
JET,SLOW(#40)
Hinta
20,35 €
Lisätiedot
Määrä
+
-
Korvaavat tuotteet
Nro
#
Tuotenumero
4SR149480300
Nimike
KTS UUSI NRO 4MX149480300
Hinta
20,35 €
Määrä
+
-
Nro
#9
Tuotenumero
4MX149480200
Nimike
. JET, SLOW (#38)
Hinta
20,35 €
Lisätiedot
Määrä
+
-
Korvaavat tuotteet
Nro
#
Tuotenumero
4SR149480200
Nimike
KTS UUSI NRO 4MX149480200
Hinta
20,35 €
Määrä
+
-
Nro
#10
Tuotenumero
4SR14916EW00
Nimike
NEEDLE (N3EW)
Hinta
36,00 €
Määrä
+
-
Nro
#10
Tuotenumero
4JT149169G00
Nimike
NEEDLE (N89G)
Hinta
32,85 €
Määrä
+
-
Nro
#10
Tuotenumero
4JT149169H00
Nimike
NEULA
Hinta
32,85 €
Määrä
+
-
Nro
#10
Tuotenumero
4JT149169W00
Nimike
NEEDLE (N89W)
Hinta
32,85 €
Määrä
+
-
Nro
#10
Tuotenumero
4JT149169J00
Nimike
NEEDLE (N89J)
Hinta
32,85 €
Määrä
+
-
Nro
#10
Tuotenumero
4SR14916CG00
Nimike
NEEDLE (N3CG)
Hinta
36,00 €
Määrä
+
-
Nro
#10
Tuotenumero
4SR14916CH00
Nimike
NEEDLE (N3CH)
Hinta
36,00 €
Määrä
+
-
Nro
#10
Tuotenumero
4SR14916CW00
Nimike
NEEDLE (N3CW)
Hinta
36,00 €
Määrä
+
-
Nro
#10
Tuotenumero
4SR14916CJ00
Nimike
NEEDLE (N3CJ)
Hinta
36,00 €
Määrä
+
-
Nro
#10
Tuotenumero
4SR14916CK00
Nimike
NEEDLE (N3CK)
Hinta
36,00 €
Määrä
+
-
Nro
#10
Tuotenumero
4SR14916EG00
Nimike
NEEDLE (N3EG)
Hinta
36,00 €
Määrä
+
-
Nro
#10
Tuotenumero
4SR14916EH00
Nimike
NEEDLE (N3EH)
Hinta
36,00 €
Määrä
+
-
Nro
#10
Tuotenumero
4SR14916EJ00
Nimike
NEEDLE (N3EJ)
Hinta
36,00 €
Määrä
+
-
Nro
#10
Tuotenumero
4SR14916EK00
Nimike
NEEDLE (N3EK)
Hinta
36,00 €
Määrä
+
-
Nro
#10
Tuotenumero
4SR14916RH00
Nimike
NEEDLE (N8RH)
Hinta
36,00 €
Määrä
+
-
Nro
#10
Tuotenumero
4SR14916RW00
Nimike
NEEDLE (N8RW)
Hinta
36,00 €
Määrä
+
-
Nro
#10
Tuotenumero
4SR14916RJ00
Nimike
NEEDLE (N8RJ)
Hinta
36,00 €
Määrä
+
-
Nro
#11
Tuotenumero
4MX149190000
Nimike
CLIP
Hinta
5,30 €
Määrä
+
-
Nro
#12
Tuotenumero
5HC14340A700
Nimike
VALVE ASSY
Hinta
272,70 €
Määrä
+
-
Nro
#13
Tuotenumero
5HC142610000
Nimike
HOLDER
Hinta
61,65 €
Määrä
+
-
Nro
#14
Tuotenumero
5HC141260000
Nimike
GASKET
Hinta
15,45 €
Määrä
+
-
Nro
#15
Tuotenumero
4SR141050100
Nimike
4SR141050100
Hinta
0,00 €
Määrä
+
-
Nro
#16
Tuotenumero
5HC141310000
Nimike
SPRING, THROTTLE VALVE
Hinta
28,90 €
Määrä
+
-
Nro
#17
Tuotenumero
663141590000
Nimike
KTS UUSI NRO 633141590000
Hinta
9,20 €
Määrä
+
-
Nro
#18
Tuotenumero
985020401400
Nimike
UUSI NRO 985800401400
Hinta
4,70 €
Lisätiedot
Määrä
+
-
Korvaavat tuotteet
Nro
#
Tuotenumero
985800401400
Nimike
SCREW, PAN HEAD(GA5)
Hinta
4,70 €
Määrä
+
-
Nro
#19
Tuotenumero
4XL141971000
Nimike
PIPE
Hinta
12,95 €
Määrä
+
-
Nro
#20
Tuotenumero
4XL141961000
Nimike
PIPE
Hinta
11,25 €
Määrä
+
-
Nro
#21
Tuotenumero
676145480000
Nimike
UUSI NRO 663145480000
Hinta
7,95 €
Määrä
+
-
Nro
#22
Tuotenumero
3TJ141374000
Nimike
CLIP
Hinta
6,00 €
Määrä
+
-
Nro
#23
Tuotenumero
4MX149439300
Nimike
JET MAIN #178# YZ250-96
Hinta
14,85 €
Määrä
+
-
Nro
#23
Tuotenumero
4MX149434500
Nimike
JET, MAIN (#190)
Hinta
14,85 €
Määrä
+
-
Nro
#23
Tuotenumero
4MX149439500
Nimike
JET, MAIN (#188)
Hinta
14,85 €
Määrä
+
-
Nro
#23
Tuotenumero
4MX149434400
Nimike
JET, MAIN (#185)
Hinta
14,85 €
Määrä
+
-
Nro
#23
Tuotenumero
4MX149439400
Nimike
JET,MAIN(#182)
Hinta
14,85 €
Määrä
+
-
Nro
#23
Tuotenumero
4MX149434300
Nimike
JET MAIN (180)
Hinta
14,85 €
Määrä
+
-
Nro
#23
Tuotenumero
4MX149434200
Nimike
PÄÄSUUTIN 175
Hinta
14,85 €
Määrä
+
-
Nro
#23
Tuotenumero
4MX149439200
Nimike
PÄÄSUUTIN #172
Hinta
14,85 €
Määrä
+
-
Nro
#23
Tuotenumero
4MX149434100
Nimike
JET MAIN 170
Hinta
14,85 €
Määrä
+
-
Nro
#23
Tuotenumero
4MX149439100
Nimike
JET,MAIN(#168)
Hinta
14,85 €
Määrä
+
-
Nro
#23
Tuotenumero
4MX149434000
Nimike
JET,MAIN(#165)
Hinta
14,85 €
Määrä
+
-
Nro
#23
Tuotenumero
4MX149439000
Nimike
JET,MAIN(#162)
Hinta
14,00 €
Lisätiedot
Määrä
+
-
Korvaavat tuotteet
Nro
#
Tuotenumero
4SR149439000
Nimike
KTS UUSI NRO 4MX149439000
Hinta
14,00 €
Määrä
+
-
Nro
#24
Tuotenumero
4MX141940000
Nimike
RING
Hinta
26,00 €
Määrä
+
-
Nro
#25
Tuotenumero
985020401200
Nimike
UUSI NRO 985170401200
Hinta
0,95 €
Määrä
+
-
Nro
#26
Tuotenumero
4XL1410E0000
Nimike
HOSE
Hinta
60,05 €
Määrä
+
-
Nro
#27
Tuotenumero
4JT1494F0700
Nimike
JET (#50)
Hinta
32,20 €
Määrä
+
-
Nro
#27
Tuotenumero
4JT1494F0900
Nimike
JET (#55)
Hinta
32,20 €
Määrä
+
-
Nro
#27
Tuotenumero
4JT1494F1100
Nimike
JET(#60)
Hinta
32,20 €
Määrä
+
-
Nro
#27
Tuotenumero
4JT1494F1300
Nimike
JET (#65)
Hinta
32,20 €
Määrä
+
-
Nro
#27
Tuotenumero
4JT1494F1500
Nimike
JET(#70)
Hinta
32,20 €
Määrä
+
-
Nro
#27
Tuotenumero
4JT1494F0300
Nimike
JET (#40)
Hinta
32,20 €
Määrä
+
-
Nro
#28
Tuotenumero
1P8141460100
Nimike
1P8141460100
Hinta
0,00 €
Määrä
+
-
Nro
#29
Tuotenumero
985800400600
Nimike
SCREW, PAN HEAD
Hinta
2,85 €
Määrä
+
-
Nro
#30
Tuotenumero
5NX1410H1100
Nimike
5NX1410H1100
Hinta
0,00 €
Määrä
+
-
Nro
#31
Tuotenumero
4JT141470000
Nimike
O-RING
Hinta
15,45 €
Määrä
+
-
Nro
#32
Tuotenumero
5HC142640000
Nimike
COLLAR
Hinta
29,70 €
Määrä
+
-
Nro
#33
Tuotenumero
5HC142750000
Nimike
SPRING
Hinta
7,95 €
Määrä
+
-
Nro
#34
Tuotenumero
5HC149220000
Nimike
SCREW, THROTTLE
Hinta
19,60 €
Määrä
+
-
Nro
#35
Tuotenumero
5HC149340000
Nimike
SPRING, THROTTLE STOP
Hinta
8,45 €
Määrä
+
-
Nro
#36
Tuotenumero
1P8142080000
Nimike
LEVER COMP1
Hinta
184,45 €
Määrä
+
-
Nro
#37
Tuotenumero
5HC142160900
Nimike
5HC142160900
Hinta
0,00 €
Määrä
+
-
Nro
#38
Tuotenumero
5NX858851100
Nimike
5NX858851100
Hinta
0,00 €
Määrä
+
-
Nro
#39
Tuotenumero
5NX145620000
Nimike
KTS UUSI NRO 33D145620000
Hinta
6,45 €
Lisätiedot
Määrä
+
-
Korvaavat tuotteet
Nro
#
Tuotenumero
33D145620000
Nimike
O-RING
Hinta
5,90 €
Määrä
+
-
Nro
#40
Tuotenumero
5NX142160000
Nimike
KTS UUSI NRO 1DX142160000
Hinta
4,35 €
Lisätiedot
Määrä
+
-
Korvaavat tuotteet
Nro
#
Tuotenumero
1DX142160000
Nimike
SCREW
Hinta
4,35 €
Määrä
+
-