Kirjaudu
Kirjaudu sisään
Nakkilan pyörä ja mopo
Tuotekategoriat
Etusivu
Varaosaluettelot
Tarvikkeet
Varusteet
Tarjoukset
Ajoneuvot
Huolto
Yhteydenotto
Varaosa luettelot
Yamaha
250 cc
WR250R
WR250R 2009
Sylinteri
Kampiakseli ja mäntä
Venttiilit
Nokka-akseli ja ketju
Vesipumppu
Jäähdytin ja letkut
Öljypumppu
Oil cleaner
Ilmanotto
Imupuoli
Air induction system
Pakoputkisto
Kampikammio
Moottorin kopat
Starttikytkin
Kytkin
Vaihteisto
Vaihderumpu ja haarukat
Vaihdeakseli
Runko
Lokasuoja
Side cover
Rear arm
Rear suspension
Ohjaus
Etuhaarukka
Fuel tank
Istuin
Etupyörä
Etujarrusatula
Takapyörä
Takajarrusatula
Ohjaustanko ja vaijerit
Etujarrun pääsylinteri
Seisontatuki ja jalkatapit
Takajarrun pääsylinteri
Laturi
Starttimoottori
Vilkku
Mittaristo
Ajovalo
Takavalo
Ohjaustangon katkaisija ja vivut
Sähköjestelmä 1
Sähköjestelmä 2
Varaosat tuoteryhmittäin
Tarvikkeet
Tarjoukset
Varusteet
Ajoneuvot
NÄYTÄ TUOTEKATEGORIAT
NPM.FI
Varaosa luettelot
Yamaha
250 cc
WR250R
WR250R 2009
Öljypumppu
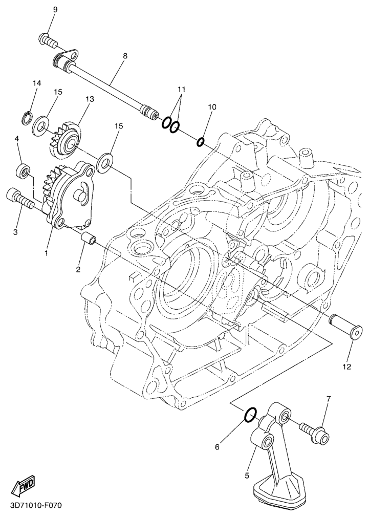
Öljypumppu, WR250R 2009, WR250R, 250 cc, Yamaha -varaosa luettelot
Näytä suurempana
Nro
#1
Tuotenumero
3D7133000000
Nimike
3D7133000000
Hinta
0,00 €
Määrä
+
-
Nro
#2
Tuotenumero
995300801200
Nimike
PIN,DOWEL
Hinta
1,55 €
Määrä
+
-
Nro
#3
Tuotenumero
913120603000
Nimike
UUSI NRO 901100613800
Hinta
4,70 €
Määrä
+
-
Nro
#4
Tuotenumero
904300817800
Nimike
GASKET
Hinta
3,85 €
Määrä
+
-
Nro
#5
Tuotenumero
3D7134100000
Nimike
3D7134100000
Hinta
0,00 €
Määrä
+
-
Nro
#6
Tuotenumero
932101264800
Nimike
O-RING (647)
Hinta
2,60 €
Määrä
+
-
Nro
#7
Tuotenumero
901100617300
Nimike
KTS UUSI NRO 901100617200
Hinta
2,10 €
Määrä
+
-
Nro
#8
Tuotenumero
3D7131710000
Nimike
3D7131710000
Hinta
0,00 €
Määrä
+
-
Nro
#9
Tuotenumero
901490608200
Nimike
901490608200
Hinta
0,00 €
Määrä
+
-
Nro
#10
Tuotenumero
932100656400
Nimike
932100656400
Hinta
0,00 €
Määrä
+
-
Nro
#11
Tuotenumero
932100975400
Nimike
UUSI NRO 932100981100
Hinta
4,65 €
Määrä
+
-
Nro
#12
Tuotenumero
3D7133420000
Nimike
3D7133420000
Hinta
0,00 €
Määrä
+
-
Nro
#13
Tuotenumero
3D7133410000
Nimike
3D7133410000
Hinta
0,00 €
Määrä
+
-
Nro
#14
Tuotenumero
990091040000
Nimike
CIRCLIP(10W)
Hinta
0,95 €
Määrä
+
-
Nro
#15
Tuotenumero
902011061400
Nimike
WASHER, PLATE (2W5)
Hinta
4,45 €
Määrä
+
-